
eBridge4CR
Four (4) Port IP over Coax Receiver
Installation Guide
eBridge4CR 4 Port IP Over Coax Receiver
Installing Company: ______________
Service Rep. Name: _______________
Address: _______________________
Phone #: __________________
Overview:
Altronix eBridge4CR is a CAT5 to Coax cable Ethernet adapter. The receiver enables fast 10/100Base-T Ethernet digital communication to be received over Coax cable. This plug-and-play unit facilitates system upgrades from analog to IP cameras/devices utilizing existing legacy Coax and eliminating the costs and labor associated with installing new network cabling. In addition, data transmission over the Coax can be extended to 500m (five times the 100m Ethernet maximum length), eliminating the need for repeaters. At the same time, the unit can combine composite video signal with the Ethernet data enabling connection to an analog input on a monitor or matrix switch.
eBridge4CR is to be used with compatible Sony Hybrid cameras with “sloc” technology.
An eBridge1CT transceiver is required for other IP cameras/devices.
Features:
Agency Listings:
- UL 60950-1 Information Technology Equipment.
- CE European Conformity.
sloc™ Compliant: - Incorporates *sloc™ (Security Link over Coax) technology.
Input:
- 24VDC to 56VDC UL Listed Class 2 power supply (polarity not observed) or UL Listed 24VAC Class 2 plug-in transformer.
Power Consumption:
- 24VDC/400mA, 56VDC/200mA, 24VAC/600mA.
Ethernet:
- Connectivity: RJ45, auto-crossover.
- Wire type: 4-pair CAT5 or better-structured cable.
- Distance: up to 100m.
- Speed: 10/100BaseT, half/full duplex, auto negotiation.
- Throughput is rated to pass 25Mbps of data at distances up to 500m. With proper headend equipment, multiple Megapixel cameras can be used. Coax:
- Distance: up to 500m.
- Connectivity: BNC, RG-59/U, or similar.
Environmental:
- Operating Temperature:
– 10ºC to 50ºC (14ºF to 122ºF). - Storage Temperature:
– 30º to 70ºC (– 22ºF to 158ºF). - Humidity: 20 to 85%, non-condensing.
Applications:
- Retrofit digital IP cameras in analog CCTV installation.
- Works with Megapixel, HD720, HD1080, and VGA (SD) cameras (see note, pg. 2).
- Extend Network link distance in an industrial environment.
- Upgrade deployed CCTV Coax to a digital network in Retail, Hospitality, Arenas, Casinos, Airports, Schools, Hospitals, Transportation, etc.
- Enables simultaneous transmission of composite and digital IP video.
Mechanical:
- Dimensions (W x L x H approx.): 5.25” x 8.93” x 1.7” (133.4mm x 226.8mm x 43.8mm)
Installation Instructions:
Wiring methods shall be in accordance with the National Electrical Code/NFPA 70/ANSI, and with all local codes and authorities having jurisdiction. Wiring should be UL Listed and/or Recognized wire suitable for the application. eBridge4CR is not intended to be connected to outside plant leads and should be installed indoors within the protected premises. The eBridge4CR is intended for indoor use only. This product is intended to be supplied by a Listed Direct Plug-in Power Unit marked “Class 2” and rated from 24VDC to 55VDC or 24VAC, 600mA.
Elevated Operating Ambient – If installed in a closed or multi-unit rack assembly, the operating ambient temperature of the rack environment may be greater than the room ambient. Therefore, consideration should be given to installing the equipment in an environment compatible with the maximum ambient temperature (Tma) specified by the manufacturer.
Reduced Air Flow – Installation of the equipment in a rack should be such that the amount of airflow required for the safe operation of the equipment is not compromised Mechanical Loading – The mounting of the equipment in the rack should be such that a hazardous condition is not achieved due to uneven mechanical loading.
Circuit Overloading – Consideration should be given to the connection of the equipment to the supply circuit and the effect that overloading of the circuits might have on overcurrent protection and supply wiring.
Appropriate consideration of equipment nameplate rating should be used when addressing this concern.
Reliable Earthing – Reliable earthing of rack-mounted equipment should be maintained. Particular attention should be given to supply connections other than direct connections to the branch circuit (e.g. use of power strips).
- The unit should be located in proximity to an ethernet switch/network, NVR, or video server.
- Connect UL Listed 24VAC Class 2 plug-in transformer or 24VDC/56VDC (polarity not observed) UL Listed Class 2 power supply to the jack marked [Power Input] using two pin plugs in the connector (supplied) (Fig. 1, pg. 3). Use 22AWG-16AWG wire for this connection.
- Connect the structured cable from ethernet switch/NVR (network video server) to RJ45 jack marked [10/100BaseT]
(Fig. 1, pg. 3). - Connect Coax cable to BNC connector marked [Data In] (Fig. 1, pg. 3).
- For optional simultaneous Composite Video transmission, connect the Coax cable to the BNC connector marked [Composite Video Out] (Fig. 2, pg. 4). Connect the other end of the Coax cable to the composite video input of the NVR, monitor display, matrix switch, or other headend equipment.
Note: The eBridge is designed to accommodate Megapixel, HD720, HD1080, and VGA (SD) cameras. It is important to note that some high resolution and high frame rate cameras may demand faster headend processing ability, such as a PC graphics card to present a quality image. If the headend processing equipment is insufficient in speed, the image may show pixelation and latency. It is advisable to pretest the system if unsure. Alternatively, frame rate and resolution may be reduced to accommodate system equipment.
Technical Specifications:
| Parameter | Description |
| Connections | BNC for Coax link. RJ45 for ethernet link. Composite video connector for optional composite video service. |
| Input power requirements | 24VDC/400mA, 56VDC/200mA, 24VAC/600mA. |
| Indicators | Blue: Coax Link. Yellow (RJ45 connector): On – Link, Off – No Link, Blinking – Activity. Green (RJ45 connector): On – 100Base-TX, Off – 10Base-T. Green: Power. |
| Environmental Conditions | Operating Ambient Temperature (UL60950-1): – 10ºC to 50ºC (14ºF to 122ºF). Storage Temperature: – 30ºC to 70ºC (– 22ºF to 158ºF). Relative humidity: 85%, +/– 5% Operating Altitude: – 304.8 to 2,000m. |
| Regulatory Compliance | UL/CUL Listed for Information Technology Equipment (UL 60950-1). CE European Conformity. |
| Weights (approx.) | Product: 2.9 lb. (1.32 kg) | Shipping: 3.9 lb. (1.77 kg). |

Single IP Camera with Composite Video Option:


Solutions and Installation Notes:
Currently, Matrix Switchers, DVRs, and NVRs do not readily accommodate multi-picture (Matrix) monitor display capability (typically 4X4 – 16 channel display) for some of the higher resolution cameras. In addition, HD cameras use a widescreen format (16:9 aspect ratio). This may not fit as well into the matrix display as the standard screen format (4:3 aspect
ratio). In addition, high-resolution multichannel recording can introduce unacceptable latency in the real-time monitor display.
To achieve high-resolution recording along with real-time multi-channel viewing: Record the high-resolution IP video via the NVR and the simultaneous composite video via the Matrix switcher to achieve proper display format (Fig. 4, pg. 6).
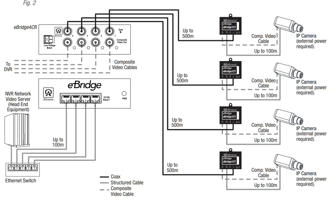
Multiple IP Cameras With Composite Video Option:
*Note: Multiple cameras require higher bandwidth and headend equipment processing speed. It is advised to test this configuration. eBridge is rated to pass 25Mbps of data at distances up to 500m. With proper headend equipment, multiple Megapixel cameras can be used.
Multiple IP Cameras Over a Single Coax:
*Note: Multiple cameras require higher bandwidth and headend equipment processing speed. It is advised to test this configuration. eBridge is rated to pass 25Mbps of data at distances up to 500m. With proper headend equipment, multiple Megapixel cameras can be used.
eBridge4CR Chassis Mechanical Drawing & Dimensions
(H x W x D approx.):
1.7” x 5.23” x 8.42” (43.2mm x 132.8mm x 213.9mm)
Shelf Installation
1- Position and affix rubber pads (included) at each corner on the bottom of the unit (Fig. 6).
2- Place unit in the desired location.

Mounting Hardware (Included):
Four (4) rubber pads
Altronix is not responsible for any typographical errors.
140 58th Street, Brooklyn, New York 11220 USA
718-567-8181
fax: 718-567-9056
website: www.altronix.com
e-mail: [email protected]
Lifetime Warranty![]()




















