ALORAIR CC-04-003-0040 Zeus Extreme Commercial Air Mover Blower

Zeus Extreme Owner’s Manual
Read and Save These Instructions
Add: 2048 E. Francis St Ontario CA 91761
Tel: 888-990-7469
E-mail: [email protected]
Safety Notes
WARNING:
- Do not adjust or alter the unit in any way. Only use the parts approved by AlorAir. Any adjustments or use of unauthorized parts will void your warranty. For further assistance, contact your dealer or distributor.
- Do not let children play with unit. Always keep the unit out of reach of children.
- Do not restrict airflow to unit.
- Do not use unit with extension cords.
- Do not use an external speed control device.
- Do not drop or throw the unit. This could damage the inner parts and wiring.
- Do not use the unit in standing water.
- Do not use the unit outside as the internal components may get damp.
- Do not use air mover with a malfunctioning outlet or plug.
- Do not run power cord under carpet, runners, or other coverings.
While Operating the Zeus Extreme: - Always use a grounding plug and grounded electric outlet to reduce risk of fire and shock.
- Always use caution when stacking units to prevent them from falling. Avoid stacking units in crowded areas.
- Always secure units during transportation to prevent them from moving.
- Always maintain a reasonable distance between the air inlet and carpets or other materials.
Failure to do so may clog the inlet or cause overheating. - Always keep the motor free of dirt, dust, and other particles that could cause the motor to overheat. Clean the motor with a vacuum if it gets dirty.
- Always unplug the machine before performing any maintenance.
- Always contact an authorized technician for help repairing your machine.
- Always use the unit on a level, steady surface.
Specifications


Check External Components
Evaluate the exterior of the machine and ensure all parts are in place. Repair or replace any parts as needed.
Clean the Grills
Wipe off any dust or particulate accumulation on the grill. If there is an accumulation of dust on the
grill, it will restrict the air flow, which may cause the electric motor to overheat.
Clean the Exterior
Clean the outside with a gentle cleanser and water.
Limited Warranty
This limited warranty starts from the date of purchase. Alorair Solutions Inc. warrants to the original purchaser that this ALORAIR product is free from manufacturing defects in material or workmanship for the limited warranty period of:
Six (6) Month parts and labor. This includes the shipments charges for replacement parts or units.
One (1) year parts and labor. The shipment fee to send the unit back to the manufacturer is not covered.
Ten (10) years. Polyethylene body ONLY.
This limited warranty is valid only on products purchased from the manufacturer or ALORAIR authorized dealer and operated, installed, and maintained according to the instructions included in this user guide or furnished with the product. Alorair Solutions Inc will not provide in-home service during or after the warranty period. You may be responsible for the shipping charge to bring the
product to the manufacturer for service.
To receive warranty service, the purchaser must contact ALORAIR at 888-990-7469 or [email protected]. Proof of purchase or order number is required to receive warranty service.
During the applicable warranty period, a product will be repaired or replaced at the sole option of
ALORAIR.
Limited Warranty Exclusions
This limited warranty covers manufacturing defects in materials or workmanship encountered in a normal household, commercial or noncommercial use of this product and shall not cover the following:
- Damage occurs in uses for which this product was not intended for.
Damage caused by unauthorized modification or alteration of the product. - Cosmetic damage including scratches, dents, chips, and other damage to the product’s finishes.
- Damage caused by abuse, misuse, pest infestation, accident, fire, floods, or other acts of nature.
- Damage caused by incorrect electrical line current, voltage, fluctuations, and surges.
- Damage caused by failure to perform proper maintenance of the product.
- Damaged caused by using in a high humidity environment (75% or higher).
- Damaged caused by using next to combustible materials/equipment that may or may not produce carbon monoxide.
Getting Started
The Zeus Extreme air mover blows high velocity air over wet surfaces to shorten the drying time.
In addition to accelerating evaporation, the Zeus also helps prevent mold and mildew. To use the air mover, simply direct the air outlet to the targeted area.
Identification
Congratulations on purchasing a Zeus Extreme air mover. In order to take advantage of the warranty plan, be sure to note the serial number and date of purchase.
Serial Number:
Date of Purchase:
Electrical Connection
- Only connect the machine to 115V/60Hz outlet
- Ensure the electrical outlet is grounded
Linking Multiple Machines

NOTE: The Zeus Extreme plugs into standard 115 VAC electrical ouUets .
Each Zeus Extreme air mover draws 2.3 amps and is equipped with a 12 amp circuit board. This means that you can link up to 4 units to run on the same circuit. When daisy-chaining the units,
always turn on one unit at a time rather than starting all units simultaneusly, which could cause the circuit to short
Humidity Control
While using an air mover to dry the air, you may find out that the humidity is rising. To avoid this, it is useful to pair the air mover with a dehumidifier. A dehumidifier can effectively control the humidity level, while also reducing the drying time. For mold control, the ideal humidity level is below 60% RH.
Temperature & Air Circulation
To cool down a warm room, place the Zeus Extreme at the doors or in a cooler spot with air directed at the hot area. If set up properly, the high-velocity air from the machine can cool a room down quite effectively.
Setup
The Zeus Extreme can be operated in multiple positions, depending on what direction you need to target the airflow.


Operating Instructions
- Connect the air mover to a standard 115V/60Hz outlet.
- Place the unit in the desired postion.
- Use the switch on the control panel to select your speed (high or low).
- Refrain from moving the unit during operation.
Maintenance
NOTE: All maintenance procedures should be performed with the unit unplugged.
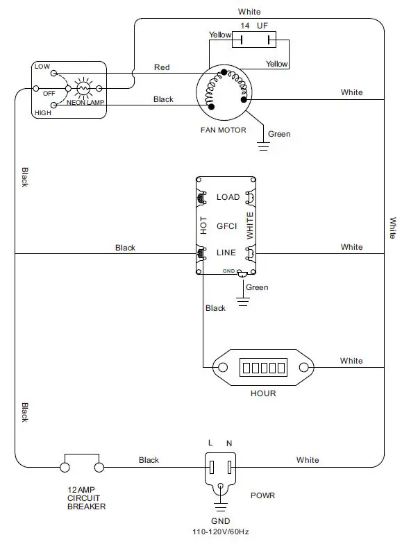
Check Electrical Components
Remove the housing and check for issues such as power cord damage, bare wires, insecure fasteners, and discoloration.
NOTE: Repair any damaged wiring as soon as possible to avoid a fire hazard or risk of electrical shock.


















