dalap SKT ALU Aluminium Radialventilator 
Use
The Dalap SKT ALU radial fan is intended for use in ventilation systems on industrial, public and residential premises.
The fan IS NOT designed for the extraction of explosive gas mixtures, air containing sticky substances, fibrous materials or air containing solid particles and other impurities. The air transported should have a temperature between 0°C and +40°C.
Safety Requirements
Please read this manual carefully and pay attention to all the requirements before use.
Both connection to and disconnection from the supply network should only be done by a specialist electrician.
The fan is designed for connection to single-phase alternating current with 220–240 V with a frequency of 50 Hz. The degree of protection is IP44.
CAUTION!
- The fan should be protected from weather effects.
- It is prohibited to install the fan into ducting systems that are used to conduct flue gases away.
- Installation, connection and maintenance of the fan may only be done with the fan disconnected from the supply network and when the fan blades are not moving.
- During testing, adjustment and normal operation, the intake and outlet apertures must be protected in such a way to prevent any injury.
- This device is not intended for use by persons (including children) with reduced physical, sensory or mental abilities or lack of experience and knowledge, if they are not supervised or the person responsible for their safety has not provided them with the instructions for use.
Meaning of the name
| SKT | Name of the fan model |
| ALU | Aluminium version |
| 120E | Motor with an impeller 120 mm in diameter, 2,450 rpm. |
| 140E | Motor with an impeller 140 mm in diameter, 2,410 rpm. |
| 140ER | Motor with an impeller 140 mm in diameter, 2,390 rpm. |
| 160E | Motor with an impeller 160 mm in diameter, 2,320 rpm. |
| 160ER | Motor with an impeller 160 mm in diameter, 2,285 rpm. |
Technical Specifications
The fan is composed of the housing, impeller, and electric motor.
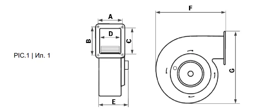
The fan body is made of aluminum. The impeller is made of galvanized steel with blades bent forwards. For a dimensioned figure, see PIC 1.
| Model | Dimensions (mm) | Net maximum weight (kg) | ||||||
| A | B | C | D | E | F | G | ||
| SKT ALU 120E | 100 | 70 | 55 | 80 | 140 | 180 | 210 | 2.45 |
| SKT ALU 140E | 100 | 90 | 75 | 80 | 140 | 200 | 230 | 2.57 |
| SKT ALU 140ER | 100 | 90 | 75 | 80 | 140 | 200 | 230 | 2.98 |
| SKT ALU 160E | 115 | 105 | 90 | 95 | 150 | 230 | 265 | 3.63 |
| SKT ALU 160ER | 115 | 105 | 90 | 95 | 150 | 230 | 265 | 3.82 |
| Parameter | SKT ALU 120E | SKT ALU 140E | SKT ALU 140ER | SKT ALU 160E | SKT ALU 160ER |
| Static pressure (Pa) | 230 | 410 | 450 | 490 | 560 |
| Power input (W) | 90 | 130 | 165 | 173 | 185 |
| Speed (rpm) | 2,450 | 2,410 | 2,390 | 2,320 | 2,285 |
| Rated current (A) | 0.40 | 0.53 | 0.60 | 0.80 | 0.85 |
| Acoustic noise (dB/3m) | 60 | 67 | 69 | 72 | 74 |
| Frequency (Hz) | 50 | ||||
| Voltage (V) | 220–240 | ||||
| Air flow rate (m3/h) | 395 | 550 | 660 | 730 | 850 |
Before Assembly
- The fan should be assembled by a qualified person that has been trained appropriately.
- During assembly, the fan and its auxiliary controls should be disconnected from the power supply. The working tools should be insulated.
- Do not carry the device by grasping the installation box or the cables. Grasp the device by the housing at all times. While doing so, do not press the fan’s grille.
- Wear protective gloves during assembly to prevent injury due to sharp edges on the fan and working tools.
Connection to the electric power network
Before connection to the electric power, the network makes sure that its parameters (frequency, power, and current) correspond to the requirements of the device.
- Disconnect the circuit of the electric power network on which you are going to work.
- Unscrew the cover of the installation box.
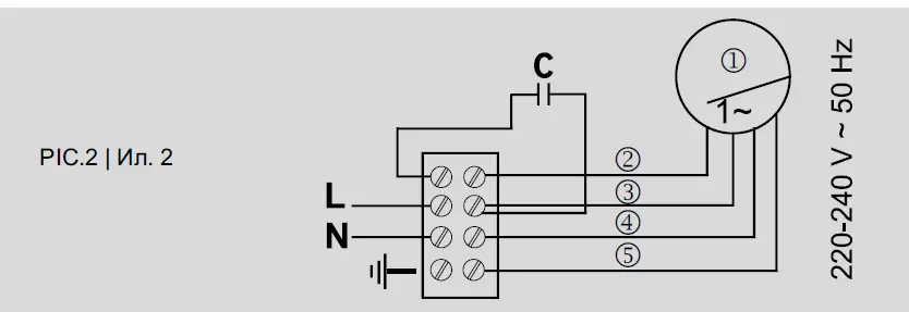
- Read the wiring diagram (PIC 2) carefully.

- Motor
- Brown
- Black
- Blue
- Yellow/green

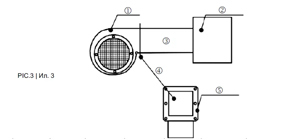
- SKT ALU
- Accessories
- Duct
- Air duct outlet
- Sealing collar
- Connect the wires according to the diagram and make sure that the device is earthed.
- Replace the installation box housing and screw it firmly.
Assembly
After unpacking the device, check it for damage during transport. If any part is missing or damaged, inform the carrier or seller immediately.
The length of the duct connected to the fan must be at least 1 m and the duct must be attached firmly. A duct shorter than 1 m must be covered with the attached grille in accordance with EN ISO 13857:2008.
After assembly
- Check that the device is wired and earthed correctly and that all safety regulations have been complied with.
- Check that the installation box has been properly assembled and that no water enters it.
- Check that the fan’s impeller rotates in the right direction.
- Check that the arrow indicating the direction of air flow on the fan housing corresponds to the direction in which the impeller rotates.
- Check that air movement is not obstructed by any obstacle.
- There should be no vibration and internal friction and no impact noises should occur during the rotation of the impeller and the intake of air. When starting the device for the first time, check it after it has run for 1 hour. The fan should not make any unusual sounds or vibrate excessively.
- If you encounter problems that are not addressed by this user manual, please contact a specialist.
Maintenance
We recommend cleaning the fan every 6 months or more often if necessitated by the degree of use. Insufficient maintenance may result in a marked decrease in the service life of the device or in a serious failure.
Maintenance should only be done by a qualified person.
- Turn off the fan and completely disconnect it from the power supply.
- Take it down from the place of installation.
- Using a dry fine brush or cloth remove all dust from the fan’s grille.
- Assemble the fan and re-connect it to the duct and to the power supply.
CAUTION! The motor may not come into contact with water or cleaning agents during cleaning! Do not use flammable or explosive cleaning agents.
CAUTION! Inspect the fan regularly and replace broken or worn cables, nuts, and other components without delay.
Possible faults and their elimination
| Fault | Possible cause | Elimination |
| After being connected to the power supply, the fan does not rotate or respond to control in any way | No power supply is connected. | Call a specialist. |
| There is a fault in the internal joints of the device. | ||
| The air flow is low. | The ventilation system is clogged. | Clean the ventilation system. |
| Increased noise or vibration. | The fan is not properly attached or is installed incorrectly. | Remove the mistake during installation. |
| The ventilation system is clogged. | Clean the ventilation system. |
Transport and storage rules
- Keep the fan in the original box in a well-ventilated room at a temperature from -40 °C to +80 °C and relative humidity not exceeding 80%. The storage life is 2 years from the date of manufacture.
- The fan may be transported in the original packaging using any means of transport on condition that appropriate protection against weather effects and mechanical damage is provided. The goods may only be transported in a secured position. Avoid impacts and another rough handling during loading and unloading.
Disposal
This symbol on the product or its packaging indicates that this product cannot be disposed of in the municipal waste. The product must be taken to a designated collection point. Proper disposal of this product helps protect precious natural resources and prevent negative environmental and health impacts. See your local authority, local waste processor, or the shop where you purchased the product for more details.
dalap SKT ALU Aluminium Radialventilator 



















