ARISTON ARI VERT 200 V Electric Water Heaters

GENERAL SAFETY INSTRUCTIONS
CAUTION!
- This manual is an integral part of the product. Keep it with care with the appliance, and hand it on to the next user/ owner in case of change of property.
- Read the instructions and warning in this manual carefully, they contain important information regarding safe installation, use and maintenance.
- The appliance must be installed and commissioned by a qualified technician in accordance with local legislation and health and safety regulations. All power circuits must be shut off before you open the terminal block.
- DO NOT use the appliance for any other than its specified use. The manufacturer is not liable for damage resulting from improper or incorrect use or failure to observe the instructions given in this manual.
- Incorrect installation can result in damage to property and injury to persons and animals; the manufacturer is not liable for the consequences.
- DO NOT leave the packaging materials (staples, plastic bags, expanded polystyrene, etc.) within the reach of children – they can cause serious injury.
- The appliance may not be used by persons under 8 years of age, with reduced physical, sensory or mental capacity, or lacking the requisite experience and familiarity, unless under supervision or following instruction in the safe use of the appliance and the hazards attendant on such use. DO NOT permit children to play with the appliance. User cleaning and maintenance may not be done by unsupervised children.
- DO NOT touch the appliance when barefoot or if any part of your body is wet.
- Any repairs, maintenance, plumbing and electrical hookup must be done by qualified technicians using original spare parts only. Failure to observe the above instructions can compromise the safety of the appliance and relieves the manufacturer of any liability for the consequences.
- The hot water temperature is regulated by a thermostat which also acts as a re-armable safety device to prevent dangerous overheating.
- The electrical hookup must be done as indicated in this manual.
- If the appliance is equipped with a power cord, the latter may only be replaced by an authorised service centre or professional technician.
- Do not tamper with the overpressure safety device, if supplied together with the appliance; trip it from time to time to ensure that it is not jammed and to remove any scale deposits. In countries which have enacted EN 1487, the appliance’s intake pipe must be equipped with a safety device compliant with the said standard, calibrated to a maximum pressure of 0.7 MPa, including at least a cock, check valve, safety valve and hydraulic load cutout.
- It is normal that water drip from the overpressure safety device and EN 1487 safety unit when the appliance is heating. For this reason one must install a drain, open to the air, with a continuously downwards sloping pipe, in an area not subject to subzero temperatures. Make sure to drain the appliance when it is out of service or in an area subject to subzero temperatures.
- Make sure to drain the appliance when it is out of service or in an area subject to subzero temperatures.
- Water heated to over 50° C can cause immediate serious burns if delivered directly to the taps. Children, disabled persons and the aged are particularly at risk. We recommend installing a thermostatic mixer valve on the water delivery line, marked with a red collar.
- Do not leave flammable materials in contact with or in the vicinity of the appliance.
Symbols:
| Symbol | Meaning |
| Failure to observe this warning may lead to injury – even fatal in certain circumstances – to people. |
![]() | Failure to observe this warning can result in damage or injury, even serious in certain circumstances,to property, plants and animals |
![]() | Observe the product’s general and specific safety instructions. |
GENERAL SAFETY STANDARDS
| Ref. | Warning | Type of risk | Symbol |
| 1 | Do not open the appliance or remove from its installation. | Electrocution hazard due to the presence of live electrical equipment. Personal injury – burns caused by over- heated components and wounds caused by sharp edges | ![]() |
| 2 | Do not start or stop the appliance by insert- ing/pulling the power plug. | Electrocution hazard due to damage to the power cord, its plug or the socket. | ![]() |
| 3 | Do not damage the power cord. | Electrocution hazard due to bare live wires. | ![]() |
| 4 | Do not leave objects on the appliance. | Personal injury due to objects falling off the appliance as a result of vibration. | ![]() |
| Damage to the appliance or other property due to objects falling off the appliance as a result of vibration. | ![]() | ||
| 5 | Do not climb onto the appliance. | Personal injury due to falling off the appli- ance. | ![]() |
| Damage to the appliance or other property due to the appliance itself detaching from its mounting. | ![]() | ||
| 6 | Do not clean the appliance without having first switched it off, pulled its power plug or shut off its power switch. | Electrocution hazard due to the presence of live electrical equipment. | ![]() |
| 7 | Install the appliance to a solid wall which is not subject to vibration. | Danger of the appliance falling off the wall due to structural collapse, or noisy operation. | ![]() |
| 8 | Make the electrical hookup with cables of adequate cross-section. | Danger of fire due to overheating of under- sized electrical wires. | ![]() |
| 9 | Restore all safety and control functions after working on the appliance and check that they are operational before returning it to service. | Damage or blocking of the appliance due to improper control. | ![]() |
| 10 | Drain all components containing hot water, us in the bleed cocks, before handling them. | Danger of burns. | ![]() |
| 11 | Descale the system as given in the product’s“safety sheet”; when doing so, ven- tilate the room,wear safety clothing, make sure not to mix products, and protect the appliance itself and any adjacent objects. | Personal injury due to contact of the skin and eyes with acid, inhalation or ingestion of noxious chemicals. | ![]() |
| Damage to the appliance and adjacent objects due to corrosion by acid. | ![]() | ||
| 12 | Do not use insecticides, solvents or aggres- sive detergents to clean the appliance. | Damage to plastic and painted parts and assemblies. | ![]() |
LEGIONELLA BACTERIA FUNCTION
- Legionella are small rod shaped bacteria which are a natural constituent of all fresh waters. Legionaries’ disease is a pneumonia infection caused by inhaling of Legionella species. Long periods of water stagnation should be avoided; it means the water heater should be used or flushed at least weekly.
- The European standard CEN/TR 16355 gives recommendations for good practice concerning the prevention of Legionella growth in drinking water installations but existing national regulations remain in force.
- This electronic storage water heater is sold with a thermal disinfection cycle function enabled by default.
- Every time the product is switched on and every 30 days, the thermal disinfection cycle run to heat the water heater up to 60°C.
Warning: when this software has been carrying out the thermal disinfection treatment, water temperature can cause burns. Feel water before bathing or showering.
TECHNICAL CHARACTERISTICS
For the technical specifications, refer to the nameplate (the nameplate is located next to the water intake/ outlet pipes).
| Table 3 – Product information | ||||
| Range | 30 | 50 | 80 | 100 |
| Weight (kg) | 16 | 21 | 27 | 32 |
| Installation | Vertical | Vertical | Vertical | Vertical |
| Model | Refer to the nameplate | |||
| Qelec (kWh) | 3,096 | 7,290 | 7,443 | 7,099 |
| Qelec, week, smart (kWh) | 13,016 | 25,234 | 26,456 | 25,560 |
| Qelec, week (kWh) | 18,561 | 32,166 | 34,333 | 31,860 |
| Load profile | S | M | M | M |
| L wa | 15 dB | |||
| η wh | 39,0% | 40,0% | 40,0% | 39,6% |
| V40 (l) | – | 77 | 110 | 115 |
| Useful volume (I) | 25 | 45 | 65 | 80 |
The power consumption data in the table and the other information given in the Product Data Sheet (Enclo-sure A to this manual) are defined in relation to EU Directives 812/2013 and 814/2013.
The products without the label and the data sheet for water heaters and solar devices, stipulated in regula-tion 812/2013, are not intended to be used in such assemblies.
The device is equipped with a smart function that allows you to adapt the consumption to the user profiles. If operated correctly, the device has a daily consumption of “Qelec*(Qelec,week,smart/Qelec,week)”less than that of an equivalent product with no smart function”.
The data shown in the energy label refer to the product installed vertically.
This appliance is conforming with the international electrical safety standards IEC 60335-1 and IEC 60335-2-21. The CE marking of the appliances attests its conformity to the following EC Directives, of which it satisfies the essential requisites:
- LVD Low Voltage Directive: EN 60335-1, EN 60335-2-21, EN 60529, EN 62233, EN 50106.
- EMC Electro-Magnetic Compatibility: EN 55014-1, EN 55014-2, EN 61000-3-2, EN 61000-3-3.
- RoHS2 Risk of Hazardous Substances: EN 50581.
- ErP Energy related Products: EN 50440.
INSTALLING NORMS (for the installer)
CAUTION Observe all general warnings and safety standards listed at the beginning of this text in full; all such instructions are obligatory.
The appliance must be installed and commissioned by a qualified technician in accordance with established regulations and local health and safety regulations.
The appliance heats water to a temperature below boiling point. It must be linked up to a mains water sup-ply according to the appliance performance levels and capacity. Before connecting the appliance, it is first necessary to:
- Check whether the characteristics (please refer to the data plate) meet the customer’s requirements.
- Make sure the installation conforms to the IP degree (of protection against the penetration of liquids) of the appliance according to the applicable norms in force.
- Read the instructions provided on the packaging label and on the appliance data plate.
Installing the appliance
This appliance was designed to be installed only inside buildings in compliance with the applicable norms in force.
Furthermore, installers are requested to keep to the following advice in the presence of:
- Damp: do not install the appliance in closed (unventilated) and damp rooms.
- Frost: do not install the appliance in areas where the temperature may drop critically and there may be a risk that ice may form.
- Sunlight: do not expose the appliance to direct sunrays, even in the presence of windows.
- Dust/vapours/gas: do not install the appliance in the presence of particularly dangerous substances such as acidic vapours, dust or those saturated with gas.
- Electrical discharges: do not install the appliance directly on electrical supplies that aren’t protected against sudden voltage jumps.
In the case of walls made of bricks or perforated blocks, partition walls featuring limited static, or masonry different in some way from those stated, you first need to carry out a preliminary static check of the supporting system.
The wall-mounting fastening hooks must be designed to support a weight that is three times higher than the weight of the water heater filled with water.
Fastening hooks with a diameter of at least 12 mm (Fig. 3) are recommended.
We recommend installing the appliance (A Fig. 1) as close as possible to the delivery points to minimise heat loss along the pipes.
Local regulations may provide for restrictions on installation in bathrooms; observe any regulatory minimum distances.
To facilitate maintenance, make sure there is a clearance of at least 50 cm inside the enclosure for access to the electrical equipment.
Multi position installation
The product can be installed both vertically and horizontally (Fig. 2). During horizontal installation, rotate the appliance clockwise so that the water pipes are located to the left (cold water pipe at the bottom). Hydraulic connection
Connect the water heater’s inlet and outlet with pipes or fittings that are able to withstand temperature in excees of 90 °C at a pressure exceeding that of the working pressure. Therefore, we advise against the use of any materials which cannot resist such high temperatures.
Screw a “T” piece union to the water inlet pipe with the blue collar. On one side of the “T” piece union, screw a tap for draining the appliance that can only be opened with the use of a tool (B fig. 2). On the other side of the “T” piece union screw the safety valve supplied (A fig. 2).
CAUTION! For those nations that have taken on European norm EN 1487, the pressure safety device pro- vided with the product does not comply with that norms. According to the norm, the device must have a maximum pressure of 0.7 MPa (7 bar) and have at least: a cut-off valve, a non-return valve, a control mechanism for the non-return valve, a safety valve and a water pressure shut-off device. Some countries may require the use of alternative safety devices, as required by local law; the installer must check the suitability of the safety device he tends to use. Do not install any shut-off device (valve, cock, etc.) between the safety unit and the heater itself.
The device relief must be connected to a relief pipe that has a diameter at least identical to the one of the equipment connection. Use a funnel that creates an air gap of at least 20 mm and allows visual checks so that no personal injury, property damage or damage to animals will occur in case of safety device enabling.
The manufacturer will not be held responsible for such damage. Connect the inlet of the pressure safety device to the cold water system using a flexible pipe, using a cut-off valve if necessary (D fig. 2). In addition, a water discharge tube on the outlet C fig. 2 is necessary if the emptying tap is opened.
When tightening the pressure safety device, do not over tighten and do not tamper with it. It is normal for wa-ter to trickle from the tap during the heating phase; for this reason, it is necessary to connect the drain, which must always be left exposed to the atmosphere, with a drainage pipe that is installed sloping downwards in a place with no ice. If the network pressure is closed to the calibrated valve pressure, it will be necessary to apply a pressure reducer far away from the appliance. To avoid any possible damage to the mixer units (taps or shower) it is necessary to drain any impurities from the pipes. The appliance must not be supplied with water of hardness less than 1 2°F, nor with especially hard water (greater than 25 °F); we recommend installing a water softener, properly calibrated and controlled – do not allow the residual hard- ness to fall below 15°F. Before using the appliance, we recommend filling its tank with water and draining it completely so as to remove any residual.
Electrical connection
Before performing any operations, disconnect the appliance from the electricity mains using the external switch.
Before installing the appliance it is recommended to thoroughly check the electrical system to verify compliance with established regulations; the manufacturer is not liable for damage caused by lack of grounding or anoma-lous power supply.
Check that the system is suitable for the maximum power absorbed by the water heater (please refer to the data plate) and that the cross-section of the electrical connection cables is suitable and complies with current laws. The use of multiplugs, extensions or adaptors is strictly prohibited.
It is strictly forbidden to use the piping from the plumbing, heating and gas systems for the appliance earth-ing connection.
If the appliance is supplied with a power supply cable, should the latter need replacing, use a cable featuring the same characteristics (type H05VV-F 3×1.5 mm2, 8.5 mm in diameter. The power cord (H05 V VF 3×1.5 mm2 diameter 8.5 mm) must be positioned in the special seat in the back of the appliance until it reaches the terminal (M Fig. 7, 8) then lock the individual wires, tightening the appropriate screws. Secure the power cord with the included cable clamp.
To disconnect the unit from the electrical supply use a bipolar, switch conforming to CEI-EN standards (con-tact opening at least 3 mm, better if equipped with fuses).
The appliance must be earthed and the earth cable (which must be yellow-green and longer than that of the phases) is fixed to the terminal marked by the symbol (G Fig. 7, 8).
Before starting up the appliance, check that the power rating matches that given on the appliance nameplate. If the appliance is not supplied with a power supply cable, choose one of the following installation modes:
- connection to mains with a rigid pipe (if the appliance has no cable clamp); use a cable with a minimum 3×1.5 mm2 section;
- with a flexible cable (type H05VV-F 3×1.5mm2, 8.5 mm in diameter) if the appliance is supplied with a cable clamp.
Startup and commissioning
Before powering up the appliance, fill the heater with mains water.
To do so, open the mains cock and the hot water tap until all the air has been vented from the boiler. Check for water leaks from the flanges, from the by-pass pipe, tighten down the bolts not too much, if necessary (C Fig. 5) and/or the rings (W Fig. 7, 8).
Power the appliance by actuating the switch.
If you carry out horizontal installation you need to configure the correct display of the display by pressing the “mode” button and the “eco” button simultaneously for 5 seconds.
MAINTENANCE REGULATIONS (for competent person)
CAUTION Observe all general warnings and safety standards listed at the beginning of this text in full; all such instructions are obligatory.
All maintenance operations and service visits should be performed by a competent person (who have the skills required by the applicable norms in force).
Before calling your Technical Servicing Centre, check that the fault is not due to lack of water or power failure.
Emptying the appliance
The appliance must be emptied if it is to be left unused in premises subject to frost.
When necessary, empty the appliance as follows:
- disconnect the appliance from the electricity mains;
- turn off the domestic mains tap;
- turn on the hot water tap (wash basin or bathtub);
- open the drain valve B (fig. 2).
Replacing parts
The electrical parts may be accessed by removing the cover (Fig. 7, 8).
Intervene on the power board (Ref. Z) by disconnecting the cables (Ref. C, Y and P) and remove the screws. Intervene on the control panel by first removing the power board (Ref. Z). The display board is attached to the product through two fixing side flaps (A Fig. 4a) accessible from inside the lower cover.
Release the control panel fixing flaps using a flat screwdriver to pry upon the same (A Fig. 4b) and release them from the pins, simultaneously push it outwards to free it from the seat. Repeat for both fixing flaps. Pay special attention not to damage the plastic flaps as breaking them will not allow for correct assembly of the panel in its seat, resulting in possible aesthetic defects. After removing the control panel, you can disconnect the connectors of the rod carrying sensors and power board. Intervene on the rod carrying sensors (Ref. K) by disconnecting the wires (Ref. F) from the control panel and remove it from its seat, taking care not to excessively bend them.
During reassembly, make sure that all components are put back in their original positions.
To work on the heating elements and anodes, first drain the appliance (refer to the related paragraph). Remo-ve the bolts (C Fig. 5) and remove the flanges (F Fig. 5). The flanges are coupled to the heating elements and anodes. During reassembly, make sure to restore the rod carrying sensors and the heating elements to the original positions (Fig. 7, 8 and 5). Make sure that the flange plate with the coloured writing H.E.1 or H.E.2, is mounted in its position marked by the same writing.
We recommend replacing the flange gasket (Z Fig. 6) every time it is disassembled.
CAUTION! The reversal of the heating elements involves malfunction of the appliance. Work on one heating element at a time and remove the second only after replacing the first.
Use only original spare parts.
Periodical maintenance
The heating element (R fig. 6) should be descaled every two years to ensure it works properly (R Fig. 6) approximately every two years (the frequency must be increased, if water is very hard).
If you pre- fer not to use special liquids for this operation, simply crumble away the lime deposit without damaging the heating element.
The magnesium anodes (N Fig. 6) must be replaced every two years (this does not apply to appliances with stainless steel boilers); however, the anode should be checked every year if the water is corrosive or chloride rich. To replace them, remove the heating elements and unscrew them from the brackets.
The bypass pipe (X Fig. 7, 8) is inspected in the event of fault due to its obstruction. To inspect it remove the two rings (W Fig. 7, 8).
After routine or extraordinary maintenance, we recommend filling its tank with water and draining it completely so as to remove any residual impurities. Use only original spare parts supplied by the manufacturer’s authorized service centers.
Safety valve
Regularly check that the overpressure device is not jammed or damaged; if it is, remove any scale or replace it.
If the device has a lever or knob, operate it to:
- drain the appliance, if necessary
- check its operation from time to time.
USER INSTRUCTIONS
CAUTION Observe all general warnings and safety standards listed at the beginning of this text in full; all such instructions are obligatory.
Advice for user
- Avoid positioning any objects and/or appliances that could be damaged by water leaks beneath the water heater.
- Should you not use any water for an extended period of time, you should:
- disconnect the appliance from the electrical supply by switching the external switch to “OFF”;
- turn off the plumbing circuit taps.
- Hot water at above 50°C flowing out of the taps at the point of use could cause serious scalds or even death from burns. Children, the disabled and the elderly are more exposed to the risk of burns. It is strictly forbidden for the user to perform any routine or extraordinary maintenance.
To clean the external parts use a damp cloth soaked in soap and water.
Adjusting the temperature and activating the functions
The product is set to “Manual” by default, with a set of two showers and the function “ECO EVO” is active. In case of a power failure or if the product is switched off using the button ON/OFF (Ref. A, Fig 9), the last shower set remains saved.
Slight noise may occur during the heating phase due to the water being heated.
Switch the appliance on by pressing the ON/OFF button (Ref. A, Fig 9) During the heating phase, the lines on both sides of the display (Ref. C, Fig 9) remain on.
On first installation, the display must be oriented according to the installation of the product. If vertical no action is required; if horizontal, the display must be oriented accordingly by pressing the “MODE” + “ECO” simultaneously for 5 seconds.
Setting- changing local time.
To change local time, when the machine is first switched on, the product automatically prompts you to set the correct time; during subsequent use the “set” button must be held down for 3 seconds. To change current time, turn the knob and press the “set” button to confirm. Repeat the operation to set minutes.
Programming mode (Manual, Program1, Night).
On each touch of the “Mode” button a different operating mode is selected (indicated by the corresponding flashing icon). The selection of the functions is cyclical and follows this order: Program1, Manual, Night. The programs “P1” is set by default for the time band 07:00 and a set of two showers.
“Manual” mode (symbol “
” on).
Allows the user to set the desired temperature simply by turning the knob until the desired temperature is displayed (Ref. E) and in the display you can see the number of showers available based on the related on icons
. By clicking the set button, the setting is saved. Both during the temperature selection phase and in the heating phase you can display the waiting time (Ref. F) that the product will take to reach the temperature (Ref. E).
The “Program 1” (symbol “
” on), allow you to program a time band of the day when you want to have hot water. Press the “mode” button until the writing related to the desired program starts flashing. Now set the time at which hot water is desired by turning the knob (select the time by 30 minutes increments). By pres-sing the “set” button, the time is saved.
To set the number of showers to the desired level, turn the knob and press the “set” button to save the setting. Press the “set” button to start appliance operation in “P1” mode. During the periods for which the use of hot water is not explicitly required, water heating is disabled. When the programming function is enabled, the knob is disabled. If you want to change the parameters, you must press the “set” button.
If the programming functions (“P1”) is used in combination with the “ECO” function (see paragraph “ECO EVO function”), the temperature is set automatically by the appliance and only the desired time bands for hot water availability can be set.
NB: for any setting, if the user takes no action for 5 seconds, the system saves the last setting.
Night Heating Mode
When the user chooses the night heating mode, the user will set the needed number of people for shower. Just turn the “SET”knob until the expected number of people for shower appears on the display. Press “SET”to confirm or wait 3 seconds before the system automatically confirm the selected number of people for shower. The heating time of the night mode is 23:00-7:00.
Wi-Fi Heating Mode
A smart remote control and programmation of the heating mode is possible using the specific app “Velis Ariston Net”. The app is free and available on Google play and App Store. Please refer to “Wi-Fi Function” paragraph.
Power-off Memory Function
When reconnected to power after power off, the display panel will show the last operation setting so that the user can continue the operation setting. If there is no other actions after the display, the system will set cur-rent operation as default and the setting will automatically disappear in a minute.
ECO EVO Function
The “ECO EVO” function is a software program that automatically “learns” user consumption levels, redu-cing heat loss to a minimum and maximising energy savings. The “ECO EVO’’ software consists of an initial saving period of a week, when the product begins to operate at the temperature set. At the end of this “le-arning” week, the software adjusts water heating according to the user’s real needs which are automatically identified by the appliance. The product guarantees a minimum reserve of hot water even during periods in which water is not withdrawn.
The hot water demand learning process, continues even after the first week. The process achieves maxi-mum efficiency after four weeks of learning.
Activate the function by pressing the corresponding button, which will light up. In this mode, the manual selection of the temperature is possible, however changing it disables the “ECO EVO” function. Reactivate it by pressing the “ECO” button.
Whenever the “ECO EVO” function or the product is turned off and on again, the function will continue to le-arn the levels of consumption. In order to guarantee proper operation of the program, it is recommended not to disconnect the appliance from the mains. An internal memory ensures data storage for up to four hours wi-thout electricity, after which all acquired data is cancelled and the learning process will begin from the start. Each time the knob is rotated to set the temperature, the “ECO EVO” function is automatically disabled and the relative writing turns off. The product continues to operate with the program selected, the ECO function is not active.
To voluntarily cancel the acquired data, hold down the “ECO” button for more than 5 seconds. When the reset process is completed, “ECO” flashes quickly to confirm data cancellation
“Shower Ready” Display
The product is equipped with an intelligent function to minimize water heating time. Regardless of the tem-perature set by the user, the icon “shower ready”
will turn on as soon as there is enough hot water for at least one shower (40 litres of mixed hot water at 40 °C). Upon reaching sufficient hot water for a second shower a second “shower ready” icon will light up and so on (the maximum number of showers depends on the ability of the model purchased).
Reset/Diagnostics
When any of the operation problems occur, the appliance goes into “fault status” and the corresponding error code flashes on the display (for example, E01). The error codes are the following:
- E01 – internal error of the board
- E04 – impressed current anode malfunction (corrosion protection is not guaranteed)
- E09 – excessive number of resets in fifteen minutes
- E10 – broken temperature probes (open or short circuited) – boiler outlet
- E11 – excessive water temperature detected by single sensor – boiler outlet
- E12 – general excessive water temperature (circuit board fault) – boiler outlet
- E14 – Failure to heat water with powered heating element – boiler outlet
- E15 – overheating caused by lack of water – boiler outlet
- E20 – broken temperature probes (open or short circuited) – boiler inlet
- E21 – excessive water temperature detected by single sensor – boiler inlet
- E22 – general excessive water temperature (circuit board fault) – boiler inlet
- E24 – failure to heat water with powered heating element – boiler inlet
- E25 – overheating caused by lack of water – boiler inlet
- E61 – internal malfunction of the circuit board (NFC communication)
- E62 – internal malfunction of the circuit board (NFC data damaged)
Error reset: reset the appliance by switching it off and on from the ON/OFF button (Ref. A). If the cause of the malfunction disappears immediately when reset, the appliance resumes its regular operation. On the contrary, if the error code continues to appear on the display: contact the Technical Service Centre.
Additional Functions
Time remaining
For models equipped with user interface type shown in figure 9. The time remaining to reach the temperature set by the user (Ref. E) is shown in the centre of the display (Ref. F).
The value is indicative and is an estimate of the “time remaining” parameter. The value is automatically updated during the heating phase.
Anti-freeze function
The anti-freeze function is the appliances automatic protection to avoid damages caused by very low temperatures below 5 °C, in the event in which the product is turned off during winter. It is recommended that the product remains plugged in to the mains power, even if it is inactive for a long time.
The function is enabled; activation is displayed on the display with “AF”.
For all models, once the temperature rises to a safer level such as to avoid damage from ice and frost, the water heating is switched off again.
“Thermal disinfection function” (anti-Legionella)
The anti-Legionella function is activated by default. It consists of a water heating/60°C temperature mainte-nance cycle for 1 hour which has a thermal disinfection action on the relative bacteria.
The cycle starts when the product is started up and when it is restarted after a power outage. If the product always functions at temperatures lower than 55°C, the cycle is repeated after 30 days. When the product is switched off, the anti-Legionella function is deactivated. If the equipment is switched off during the anti-Legionella cycle, the product switches off and the function is deactivated. At the end of the cycle, the use temperature returns to the temperature previously set by the user.
Activation of the anti-Legionella cycle is displayed with AB letters (E fig. 9).
To activate/deactivate the function, hold the “mode” button for 3 s. When “U1” is displayed, press Set button. Set “01” (to activate the function) or “00” (to disable the function) using the knob and confirm by pressing the “set” button. To confirm activation/deactivation, the product displays “U1”. Press Mode button to exit and finish the modification.
Wi-Fi Function
Wi-Fi Setting
- First download and install Velis APP on your mobile phone.

- Touch the Wi-Fi button lightly and the Wi-Fi button indicator lamp will flash slowly. (Fig.11).
- Press the Wi-Fi button again for 5 seconds, the Wi-Fi button indicator lamp will flash quickly (13 flashes per second), meanwhile, the display will show “AP” icon. (Fig. 12).
- Turn on the mobile phone and enable Wi-Fi. Among the Wi-Fi list, select and connect to “Remote GW Thermo”. (Fig. 13).
- Open “Velis Ariston NET APP”, select the user’s home router account (shown as Figure 14), and input password (shown as Figure 15). When the connection is successful, the window in Figure 16 will appear indicating that the device is connected to the wireless network. At this time, the “AP” icon will disappear and the Wi-Fi icon will appear on the display. Meanwhile, Wi-Fi indicator lamp will keep on.
- Record the product serial number as the serial number is unique to each product.
- If the connection fails, carefully check and repeat the above steps.
Note: The password cannot be Chinese characters. If there is any Chinese characters, please modify it.
Account Registration
Open the APP and click on SIGN UP; in the registration page, the user name is your email box. Set the password and input information such as name. Be aware that the items with “ * ” mark are required. Finally click on save. Open the registration reply message received in your mailbox, click on the link to activate the user account.
Account link
Then open the APP again, enter the account number and password then click to log on.
After Sign in, fill in the nickname, country, province, city information then click on next.
When entering the following interface, input 12 digit product serial number into the position shown in the figure 19. The serial number will be shown when connecting Wi-Fi in step 5. Meanwhile, the product serial number is also in the plastic bag for operation instruction. When the input is complete, click “OK” to finish the linking. Remind to read and accept the terms and condition and Privacy policy documents (mandatory).
While linking the account, the Wi-Fi function of the device must be kept enabled otherwise the connection will fail.
APP Layout
Following functions are included (Fig. 20):
- On/off (J, Fig. 20);
- Manual, night and programming mode (L, Fig. 20);
- Number of shower button. It can be selected or deleted by light touching (N, Fig. 20);
- Communication status indicator (O, Fig. 20);
- Energy saving function button (R, Fig. 20);
- Remaining time info (S, Fig. 20);
- Current water temperature (T, Fig. 20). Slide right and other pages will appear.
Connection Status Description
| Wi-Fi Button Indicator Lamp | ||
![]() | On | The Wi-Fi module has been connected to the home network. |
| Slow flash | The Wi-Fi module is connecting with the home network. | |
| Fast flash | The Wi-Fi module is already on. | |
| Off | The Wi-Fi module function is off. | |
| Display icon | ||
| AP icon | The Wi-Fi module is already on and can be connected to the home network. | |
| Wi-Fi icon | Successful APP connection, APP operation can begin. | |
USEFUL INFORMATION
If the water comes out cold, have the following checked:
- the presence of voltage on the power terminal block (M Fig. 7, 8);
- the circuit board;
- the heating parts of the heating element;
- inspect the bypass pipe (X Fig. 7, 8);
- the sensor holder rods (K Fig. 7, 8).
If the water comes out boiling hot (steam in the taps)
Disconnect the appliance from the electricity supply and have the following checked:
- the circuit board;
- the amount of scale on the boiler and components;
- the sensor holder rods (K Fig. 7, 8).
If the hot water delivery is insufficient:
Have the following checked:
- the pressure of the water mains;
- the condition of the deflector on the cold water intake pipe;
- the condition of the hot water pipe;
- the electrical components.
Water trickling from the pressure safety device
During the heating phase, some water may trickle from the tap. This is normal. To prevent the water trickling, a suitable expansion vessel must be installed on the flow system. If the trickling continues even after the heating phase, have the following checked:
- device calibration;
- the pressure of the water mains.
Caution: Never obstruct the appliance outlet!
NEVER ATTEMPT TO REPAIR THE APPLIANCE YOURSELF – ALWAYS HAVE THIS DONE BY A QUALI-FIED TECHNICIAN.
The indicated data and specifications are not binding; the manufacturer reserves the right to modify them at his own discretion notification or replacement.
This product is in conformity with REACH regulations.
This product conforms to Directive WEEE 2012/19/EU.
The symbol of the crossed waste paper basket on the appliance and its packaging indicates that the product must be scrapped separately from other waste at the end of its service life. The user must therefore hand the equipment over to a sorted waste disposal facility for electro-technical and electronic equipment at the end of its service life. Alternatively, he may return the equipment to the retailer at the time of purchase of a new equivalent type of appliance. Electronic equipment of size less than 25 cm can be handed over to any electronics equipment retailer whose sales area is at least 400 m2 for disposal free of charge and without any obligation to purchase new product.
Data plate

- Brand
- Serial Number
- Model
- Tank material
Fe+Enamel – enamel steel
Inox – stainless steel - Maximum pressure
- Volume
- Rated power
- Voltage
- Current frequency
- Country of origin
- Protection rating
Serial number











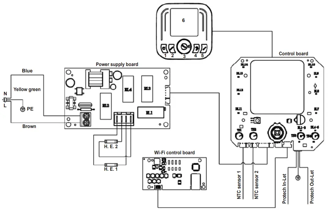
Electrical Schematic Diagram
- On/Off button
- Mode button
- ECO energy saving button
- WIFI button
- Setting knob
- LED display zone

- RL: Relay
- DL: LED lamp
- TS: Button
- HE1: 3000W heating tube
- HE2: 3000W heating tube
- NTC sensor 1: Tank out temperature sensor
- NTC sensor 2: Tank in temperature sensor
- Protech In-Let: Tank in electronic magnesium anode rod wiring
- Protech Out-Let: Tank out electronic magnesium rod wiring











Installation scheme

| Model | A | B |
| VELIS EVO WIFI 30 | 536 | 165 |
| VELIS EVO WIFI 50 | 776 | 405 |
| VELIS EVO WIFI 80 | 1066 | 695 |
| VELIS EVO WIFI 100 | 1251 | 880 |
Ariston Thermo S.p.A.
Viale Aristide Merloni, 45
60044 Fabriano (AN)
Tel. (+39) 0732.6011
ariston.com






















