3201938 Lydos R 100 V 2K Electric Water Heater
Instruction Manual
GENERAL SAFETY INSTRUCTIONS
- Read the instructions and warnings in this manual carefully, they contain important information regarding safe installation, use, and maintenance. This manual is an integral part of the product. Hand it on to the next user/owner in case of a change of property.
- The manufacturer shall not liable for any injury to people, animals, or damage to property caused by improper, incorrect, or unreasonable use or failure to follow the instructions reported in this publication.
- Installation and maintenance must be performed by professionally qualified personnel as specified in the relative paragraphs. Only use original spare parts. Failure to observe the above instructions can compromise the safety of the appliance and relieves the manufacturer of any liability for the consequences.
- DO NOT leave the packaging materials (staples, plastic bags, expanded polystyrene, etc.) within the reach of children – they can cause serious injury.
- The appliance may not be used by persons under 8 years of age, with reduced physical, sensory or mental capacity, or lacking the requisite experience and familiarity, unless under supervision or following the instruction in the safe use of the appliance and the hazards attendant on such use. DO NOT permit children to play with the appliance. User cleaning and maintenance may not be done by unsupervised children.
- DO NOT touch the appliance when barefoot or if any part of your body is wet.
- Before using the device and after routine or extraordinary maintenance, we recommend filling the appliance’s tank with water and draining it completely to remove any residual impurities.
- If the appliance is equipped with a power cord, the latter may only be replaced by an authorized service center or a professional technician.
- It is mandatory to screw on the water inlet pipe of the unit a safety valve in accordance with national regulations. In countries that have enacted EN 1487, the safety group must be calibrated to a maximum pressure of 1487 MPa (0,7 bar) and include at least a cock, check valve and control, safety valve, and hydraulic load cutout.
- Do not tamper with the overpressure safety device (valve or safety group), if supplied together with the appliance; trip it from time to time to ensure that it is not jammed and to remove any scale deposits.
- It is normal that water drips from the overpressure safety device when the appliance is heating. For this reason, the drain must be connected, always left open to the atmosphere, with a drainage pipe installed on a continuous downward slope and in a place free of ice.
- Make sure you drain the appliance and disconnect it from the power grid when it is out of service in an area subject to subzero temperatures.
- Water heated to over 50 °C can cause immediate serious burns if delivered directly to the taps. Children, disabled persons, and the aged are particularly at risk. We recommend installing a thermostatic mixer valve on the water delivery line, marked with a red collar.
- Do not leave flammable materials in contact with or in the vicinity of the appliance.
- Do not place anything under the water heater which may be damaged by a leak.
LEGIONELLA BACTERIA FUNCTION
Legionella is small rod-shaped bacteria which are a natural constituent of all fresh waters. Legionaries’ disease is a pneumonia infection caused by the inhaling of Legionella species. Long periods of water stagnation should be avoided; it means the water heater should be used or flushed at least weekly.
The European standard CEN/TR 16355 gives recommendations for good practice concerning the prevention of Legionella growth in drinking water installations but existing national regulations remain in force. This electro-mechanical storage water heater is sold with a thermostat set at a temperature higher than 60°C; it means it is enabled to carry out a “thermal disinfection cycle” to restrict the Legionella growth inside the tank.
Warning: when this software has been carrying out the thermal disinfection treatment, the water temperature can cause burns. Feel water before bathing or showering.
TECHNICAL CHARACTERISTICS
For the technical specifications refer to the nameplate (the nameplate is located next to the water intake/outlet pipes).
| Table 1 – Product information | |||||||||
| Product range | 50 | 65 | 80 | 100 | |||||
| Weight (kg) | 16 | 18,5 | 21 | 23 | 24 | 26 | |||
| Installation | Vertical | Vertical | Vertical | Horizontal | Horizontal Thermoelectric | HWST | Vertical | Horizontal | HWST |
| Model | Refer to the nameplate | ||||||||
| Qelec (kWh) | 6,688 | 6,680 | 6,678 | 6,687 | 6,685 | – | 12,867 | 6,683 | – |
| Load profile | M | M | M | M | M | – | L | M | – |
| Lwa | 15 dB | 15 dB | 15 dB | 15 dB | 15 dB | – | 15 dB | 15 dB | – |
| ηwh | 36.% | 36,0% | 36.% | 36,0% | 36,0% | – | 37,0% | 36,0% | – |
| V40 (l) | 65 | 70 | 85 | 70 | 70 | – | 130 | 80 | – |
| Dispersed power (W) | – | – | – | – | – | 63 | – | – | 67,49 |
| Capacity (l) | 49 | 65 | 75 | 75 | 75 | 74 | 95 | 95 | 94 |
The power consumption data in the table and the other information given in the Product Fiche (Annex A to this manual) are defined in relation to EU Directives 812/2013 and 814/2013.
Products that do not have the label and Product Fiche required for boiler/solar power configurations pursuant to regulation 812/2013 may not be used in such installations. Products equipped with regulator knobs have a sealing label that prevents the knob from being rotated and fixes it at its set <out-of-the-box-mode> position shown in the Product Fiche (Annex A), used by the manufacturer to declare the appliance’s energy class.
This appliance is conforming with the international electrical safety standards IEC 60335-1 and IEC 60335-2-21. The CE marking of the appliances attests to its conformity to the following EC Directives, of which it satisfies the essential requisites:
- LVD Low Voltage Directive: EN 60335-1, EN 60335-2-21, EN 60529, EN 62233, EN 50106.
- EMC Electro-Magnetic Compatibility: EN 55014-1, EN 55014-2, EN 61000-3-2, EN 61000-3-3.
- RoHS2 Risk of Hazardous Substances: EN 50581.
- ERP Energy-related Products: EN 50440.
This product is in conformity with REACH regulations.
INSTALLING NORMS (for the installer)
This product, excluding horizontal models (Table 1), is a device that must be installed vertically in order to operate correctly. Once installation is complete, and before any water is added or the power supply is connected, use a measuring instrument (i.e. a spirit level) to check that the device has been installed perfectly vertical.
The appliance heats water to a temperature below boiling point. It must be linked up to a mains water supply according to the appliance performance levels and capacity. Before connecting the appliance, it is first necessary to:
- Check whether the characteristics (please refer to the data plate) meet the customer’s requirements.
- Make sure the installation conforms to the IP degree (of protection against the penetration of liquids) of the appliance according to the applicable norms in force.
- Read the instructions provided on the packaging label and on the appliance data plate.
This appliance was designed to be installed only inside buildings in compliance with the applicable norms in force. Furthermore, installers are requested to keep to the following advice in the presence:
- Damp: do not install the appliance in closed (unventilated) and damp rooms.
- Frost: do not install the appliance in areas where the temperature may drop critically and there may be a risk that ice may form.
- Sunlight: do not expose the appliance to direct sun rays, even in the presence of windows.
- Dust/vapors/gas: do not install the appliance in the presence of particularly dangerous substances such as acidic vapors, dust, or those saturated with gas.
- Electrical discharges: do not install the appliance directly on electrical supplies that aren’t protected against sudden voltage jumps.
In the case of walls made of bricks or perforated blocks, partition walls featuring limited static, or masonry different in some way from those stated, you first need to carry out a preliminary static check of the supporting system. The wall-mounting fastening hooks must be designed to support a weight that is three times higher than the weight of the water heater filled with water.
Fastening hooks with a diameter of at least 12 mm are recommended.
We recommend installing the appliance (A Fig. 1) as close as possible to the delivery points to minimize heat loss along the pipes. Local regulations may provide for restrictions on installation in bathrooms; observe any regulatory minimum distances. To facilitate maintenance, make sure there is a clearance of at least 50 cm inside the enclosure for access to the electrical equipment.
Hydraulic connection
Connect the water heater’s inlet and outlet with pipes or fittings that are able to withstand temperatures in excess of 90°C at a pressure exceeding that of the working pressure. Therefore, we advise against the use of any materials which cannot resist such high temperatures.
The appliance must not be supplied with water of hardness less than 12°F, nor with especially hard water (greater than 25°F); we recommend installing a water softener, properly calibrated and controlled – do not allow the residual hardness to fall below 15°F.
Screw a “T” piece union to the water inlet pipe with the blue-collar. On one side of the “T” piece union, screw a tap for draining the appliance that can only be opened with the use of a tool (B Fig. 2). On the other side of the “T” piece union screw the safety valve supplied (A Fig. 2).
The safety group complies with the European standard EN 1487
Some countries may require the use of hydraulic special safety devices; the installer must check the suitability of the safety device he tends to use. Do not install any shut-off device (valve, cock, etc.) between the safety unit and the heater itself. The appliance’s drain outlet must be connected to a drain pipe of diameter at least equal to the outlet itself, with a funnel to permit an air gap of at least 20 mm for visual inspection. Use a hose to connect the safety group to the mains cold water supply; fit a cock if necessary (D fig. 2). In addition, a water discharge tube on outlet C Fig. 2 is necessary if the emptying tap is opened.
When installing the safety device, do not tighten it fully down, and do not tamper with its settings.
It is necessary to connect the drain, which must always be left exposed to the atmosphere, with a drainage pipe that is installed sloping downwards in a place with no ice. If the network pressure is closed to the calibrated valve pressure, it will be necessary to apply a pressure reducer far away from the appliance. To avoid any possible damage to the mixer units (taps or shower) it is necessary to drain any impurities from the pipes.
Electrical connection
It is mandatory, before installing the appliance, to perform an accurate control of the electrical system by verifying compliance with current safety standards, which is adequate for the maximum power absorbed by the water heater (refer to the data plate) and that the section of the cables for the electrical connection is suitable and complies with local regulations. The manufacturer is not liable for damage caused by a lack of grounding or anomalous power supply. Before starting up the appliance, check that the power rating matches that given on the nameplate. The use of multiplugs, extensions, or adaptors is strictly prohibited.
It is strictly forbidden to use the piping from the plumbing, heating, and gas systems for the appliance earthing connection. If the appliance is supplied with a power supply cable, should the latter need replacing, use a cable featuring the same characteristics (type H05VV-F 3×1.5 mm², 8.5 mm in diameter. The power cord (type H05VV-F 3×1,5 mm² dim. 8.5 mm) must be routed into the hole in the back of the appliance and connected to the thermostat terminals or terminal block clamps.
Use a two-pole switch conforming with national laws in force (contact gap of at least 3 mm, preferably equipped with fuses) to disconnect the appliance’s power supply. The appliance must be grounded with a cable (yellow/green and longer than the phase cable) connected to the terminals marked
.
Before starting up the appliance, check that the power rating matches that given on the nameplate. If the appliance is not supplied with a power supply cable, choose one of the following installation modes:
- connection to mains with a rigid pipe (if the appliance has no cable clamp); use a cable with a minimum 3×1.5 mm² section;
- with a flexible cable (type H05VV-F 3×1.5mm², 8.5 mm in diameter) if the appliance is supplied with a cable clamp.
Testing and ignition of the device
Before powering up the appliance, fill the heater with mains water.
To do so, open the mains cock and the hot water tap until all the air has been vented from the boiler. Check for leaks from the flanges, and tighten down the fittings (not too much!) if necessary.
Turn on the appliance with the switch.
MAINTENANCE REGULATIONS (for qualified personnel)
Before calling your Technical Servicing Centre, check that the fault is not due to lack of water or power failure.
Caution: Disconnect the appliance from the mains before conducting any maintenance work.
Setting the operating temperature
For models without a knob, temperature adjustment can be done by removing the cap and using a screwdriver on the thermostat adjustment pin, following the drawing instructions.
PLEASE NOTE During the stage of the first temperature adjustment it is necessary to apply light pressure by rotating the pin to remove the seal that blocks the thermostat to the maximum energy efficiency temperature.
Emptying the appliance
The appliance must be emptied if it is to be left unused for a long period and/or on-premises subject to frost. To drain the appliance, proceed as follows:
- close the tap, if installed (D Fig. 2), otherwise the central tap domestic power supply;
- turn on the hot water tap (wash basin or bathtub);
- open the drain valve B (Fig. 2).
Replacing parts
Remove the enclosure to access the electrical equipment.
To act on the thermostat it is necessary to disconnect it from the power cord and remove it from its holder. Before handling the heating element and anode, empty the appliance.
Undo the 5 bolts (C fig. 3) and remove the flange (F fig. 3). The heating element and anode are attached to the flange. During reassembly, make sure that the flange gasket, the thermostat, and the heating element are put back in their original positions (Fig. 3).
We recommend replacing the flange gasket (Z Fig. 4) every time it is disassembled.
Use only original parts from authorized service centers authorized by the manufacturer.
Periodical maintenance
The heating element (R fig. 4) should be descaled every two years (the frequency must be increased if water is very hard) to ensure it works properly. If you do not wish to use a liquid descaler (in this case please read the safety data sheets of descaling), you can simply break off the deposit, taking care not to damage the heating element’s cladding. The magnesium anode (N fig. 4) must be replaced every two years, otherwise the decay of the warranty. In the presence of aggressive waters rich in chloride, it is recommended to check the status of the anode annually.
To remove this, disassemble the heating element and unscrew from the support bracket.
Bipolar safety device
If the water overheats excessively, a safety circuit breaker (compliant with applicable national regulations) trips to cut off electricity to the heating element (both power supply phases); contact the Service Centre if this occurs.
Thermoelectrical models
All instructions in this manual also apply to Thermoelectric models that are hot water storage tanks* with backup immersion heaters**, designed to be connected to a central heating system.
The water in the appliance is heated by a serpentine-shaped heat exchanger inside the product; if heating through the heat exchanger does not work, the water in the tank is heated by the backup heater.
However, such models must also be connected to the central heating system pipes. Connect the upper radiator connector of the appliance to the heating system’s up pipe, and the lower one to the downpipe, fitting two cocks at the same time. The lower cock, which is easier to access, is used to disconnect the appliance from the circuit when the heating system is not in use.
It is advisable to thermally insulate the product piping connections to the central heating system in order to ensure the declared heating performance, even when the external heat source is disrupted (e.g. for maintenance and/ or if the system is out of order).
- “hot water storage tank” means a vessel for storing hot water for water and/or space heating purposes, including any additives, which is not equipped with any heat generator except possibly one or more backup immersion heaters (EU Directive 814/2013).
- “back-up immersion heater” means a Joule effect electric resistance heater that is part of a hot water storage tank and generates heat only when the external heat source is disrupted (including during maintenance periods) or out of order (…) (EU Directive 814/2013).
USER INSTRUCTIONS
Operation and Regulation of the operating temperature
On/Off
To the heater turns on and off using the external two-pole switch, do not turn it on and off by introducing or removing the power cord plug in/from the electrical power.
The indicator light remains ON during heating.
Adjusting the operating temperature
For the models with the knob, temperature adjustment can be done using it (as in the drawing instructions).
PLEASE NOTE During the stage of the first temperature adjustment it is necessary to apply light pressure by rotating the knob to remove the seal that blocks the thermostat to the maximum energy efficiency temperature.
For models without knobs, temperature adjustment can only be done by qualified personnel.
USEFUL INFORMATION (for the user)
Before any operation of cleaning the device make sure to turn off the product by bringing the external switch to the OFF position.
Do not use insecticides, solvents, or aggressive detergents that may damage the painted parts or plastic material.
If the water delivery is cold, have the following checked:
- that the device is connected to the power supply and the external switch is in the ON position;
- that the temperature adjustment knob is not set to a minimum.
If there is a presence of steam output from the taps:
Remove power from the electrical appliance and contact technical support.
If the hot water delivery is insufficient, have the following checked:
- the pressure of the water mains;
- eventual obstruction of the inlet and outlet pipes (deformation or sediment).
Water trickling from the pressure safety device
During the healing phase, some water may trickle from the tap. This is normal. To prevent the water trickling, a suitable expansion vessel must be installed on the flow system. If the trickling continues even after the heating phase, have the following checked:
- device calibration;
- the pressure of the water mains.
Caution: Never obstruct the appliance outlet!
IF THE PROBLEM PERSISTS, NEVER ATTEMPT TO REPAIR THE APPLIANCE YOURSELF – ALWAYS HAVE THIS DONE BY A QUALIFIED TECHNICIAN.
The indicated data and specifications are not binding; the manufacturer reserves the right to modify them at his own discretion notification or replacement.
This product conforms to Directive WEEE 2012/19/EU.
The symbol of the crossed waste paper basket on the appliance and its packaging indicates that the product must be scrapped separately from other waste at the end of its service life. The user must therefore hand the equipment over to a sorted waste disposal facility for electro-technical and electronic equipment at the end of its service life. Alternatively, he may return the equipment to the retailer at the time of purchase of a new equivalent type of appliance. The electronic equipment of size less than 25 cm can be handed over to any electronics equipment retailer whose sales area is at least 400 m² for disposal free of charge and without any obligation to purchase a new product.

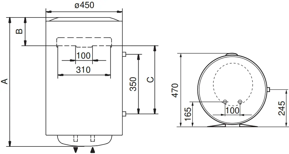
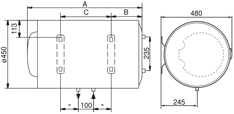
Installation scheme
Vertical models

| MOD. | A (mm) | B (mm) | C (mm) |
| 50 V | 573 | 193 | – |
| 65 V | 695 | 193 | – |
| 80 V | 778 | 193 | – |
| 100 V | 918 | 181 | – |
| FLEX 80 V | 778 | 295 | – |
| FLEX 100 V | 918 | 283 | – |
| HWST 80 V | 748 | 163 | 370 |
| HWST 100 V | 900 | 163 | 522 |
Horizontal models

| MOD. | A (mm) | B (mm) | C (mm) |
| 80 H | 748 | 178 | 334 |
| 100 H | 918 | 196 | 486 |
| 80 HT | 778 | 178 | 334 |

Ariston Thermo SpA
Viale Aristide Merloni, 45
60044 Fabriano (AN)
Tel. (+39) 0732.6011
ariston.com
WE MAKE USE OF RECYCLED PAPER
420010903700



















