JET JAT-106 3-8-Inch Pneumatic Impact Wrench

Operation & Parts Manual
M-505106 Edition 2 11/2018
JET
427 New Sanford Road LaVergne, TN 37086 Ph.: 800-274-6848 www.jettools.com
Warranty and Service
JET warrants every product it sells against manufacturers’ defects. If one of our tools needs service or repair, please contact Technical Service by calling 1-800-274-6846, 8AM to 5PM CST, Monday through Friday.
Warranty Period
The general warranty lasts for the time period specified in the literature included with your product or on the official JET branded website.
- JET products carry a limited warranty which varies in duration based upon the product. (See chart below)
- Accessories carry a limited warranty of one year from the date of receipt.
- Consumable items are defined as expendable parts or accessories expected to become inoperable within a reasonable amount of use and are covered by a 90 day limited warranty against manufacturer’s defects.
Who is Covered
This warranty covers only the initial purchaser of the product from the date of delivery.
What is Covered
This warranty covers any defects in workmanship or materials subject to the limitations stated below. This warranty does not cover failures due directly or indirectly to misuse, abuse, negligence or accidents, normal wear-and-tear, improper repair, alterations or lack of maintenance. JET woodworking machinery is designed to be used with Wood. Use of these machines in the processing of metal, plastics, or other materials outside recommended guidelines, may void the warranty. The exceptions are acrylics and other natural items that are made specifically for wood turning.
Warranty Limitations
Woodworking products with a Five Year Warranty that are used for commercial or industrial purposes default to a Two Year Warranty. Please contact Technical Service at 1-800-274-6846 for further clarification.
How to Get Technical Support
Please contact Technical Service by calling 1-800-274-6846. Please note that you will be asked to provide proof of initial purchase when calling. If a product requires further inspection, the Technical Service representative will explain and assist with any additional action needed. JET has Authorized Service Centers located throughout the United States. For the name of an Authorized Service Center in your area call 1-800-274-6846 or use the Service Center Locator on the JET website.
More Information
JET is constantly adding new products. For complete, up-to-date product information, check with your local distributor or visit the JET website.
How State Law Applies
This warranty gives you specific legal rights, subject to applicable state law.
Limitations on This Warranty
JET LIMITS ALL IMPLIED WARRANTIES TO THE PERIOD OF THE LIMITED WARRANTY FOR EACH PRODUCT. EXCEPT AS STATED HEREIN, ANY IMPLIED WARRANTIES OF MERCHANTABILITY AND FITNESS FOR A PARTICULAR PURPOSE ARE EXCLUDED. SOME STATES DO NOT ALLOW LIMITATIONS ON HOW LONG AN IMPLIED WARRANTY LASTS, SO THE ABOVE LIMITATION MAY NOT APPLY TO YOU.
JET SHALL IN NO EVENT BE LIABLE FOR DEATH, INJURIES TO PERSONS OR PROPERTY, OR FOR INCIDENTAL, CONTINGENT, SPECIAL, OR CONSEQUENTIAL DAMAGES ARISING FROM THE USE OF OUR PRODUCTS. SOME STATES DO NOT ALLOW THE EXCLUSION OR LIMITATION OF INCIDENTAL OR CONSEQUENTIAL DAMAGES, SO THE ABOVE LIMITATION OR EXCLUSION MAY NOT APPLY TO YOU.
JET sells through distributors only. The specifications listed in JET printed materials and on official JET website are given as general information and are not binding. JET reserves the right to effect at any time, without prior notice, those alterations to parts, fittings, and accessory equipment which they may deem necessary for any reason whatsoever. JET® branded products are not sold in Canada by JPW Industries, Inc.
Product Listing with Warranty Period
| 90 Days – Parts; Consumable items |
| 1 Year – Motors; Machine Accessories |
| 2 Year – Metalworking Machinery; Electric Hoists, Electric Hoist Accessories; Woodworking Machinery used for industrial or commercial purposes |
| 5 Year – Woodworking Machinery |
| Limited Lifetime – JET Parallel clamps; VOLT Series Electric Hoists; Manual Hoists; Manual Hoist Accessories; Shop Tools; Warehouse & Dock products; Hand Tools: Air Tools |
NOTE: JET is a division of JPW Industries, Inc. References in this document to JET also apply to JPW Industries, Inc., or any of its successors in interest to the JET brand.

Safety warnings
General air tool warnings
- Read and understand this entire manual before attempting assembly or operation.
- Read and understand all warnings posted on the tool and in this manual. Failure to comply with all of these warnings may cause serious injury.
- Replace warning labels if they become obscured or removed.
- Do not use this tool for other than its intended use. If used for other purposes, JET disclaims any real or implied warranty and holds itself harmless from any injury that may result from that use.
- Always wear approved safety glasses or face shield while using this tool. (Everyday eyeglasses only have impact resistant lenses; they are not safety glasses.)
- Wear ear protectors (plugs or muffs) if the noise exceeds safe levels.
- Wear gloves and protective clothing if operation produces sparks or flying particles. Gloves should be tight-fitting, without frayed fingers or hanging threads. Keep hands and body away from the working area of tool.
- Do not operate an air tool continually at full throttle without a work load on the tool.
- The air tool must be properly lubricated before operating.
- Never start a percussion type air tool (chipper, breaker, buster, etc.) without securing the tooling in the retainer and placing the tip against the work surface.
- Do not operate air tool without its guards in place. Do not modify the tool.
- Do not operate this tool while tired or under the influence of drugs, alcohol, or any medication.
- Adopt a comfortable posture with proper balance, and maintain secure footing at all times. Non-slip footwear or anti-skid floor strips are recommended.
- Do not wear loose clothing or jewelry. Confine long hair.
- Excessive air pressure and too much free rotation may decrease life of the tool and may cause a hazardous situation.
- Check air hoses for wear, and keep them away from heat and sharp edges. Repair or replace damaged air hose immediately. Do not carry tool by the air hose.
- Air hose may cause tripping hazards; keep hose away from traffic areas.
- Do not use this tool near flammable objects, or in potentially explosive environments. Do not use near live electrical wires.
- Do not use power tools in damp or wet location, or expose them to rain. Keep work area well lighted.
- Do not leave a connected tool unattended. When not in use, disconnect tool from air source.
- Shut off air supply and discharge any residual pressure from tool before removing hose, making adjustments, changing accessories, or storing tool.
- Make sure tool is switched off, and your finger off the trigger, before connecting to air supply.
- Remove adjusting keys and wrenches before turning on tool.
- Keep visitors a safe distance from the work area. Keep children away.
- Give your work undivided attention. Looking around, carrying on a conversation and “horse-play” are careless acts that can result in serious injury.
- Do not force a tool or attachment to do a job for which it was not designed. The right tool will do the job better and more safely.
- Repetitive motions and/or exposure to constant vibration can be harmful to hands and arms. Take frequent breaks and relax hands during extended operation. Change posture to avoid discomfort or fatigue.
- Compressed air can be harmful if directed toward sensitive areas of the body, and may propel small particles caught in the air stream. Exercise proper caution.
- Use only recommended accessories; improper accessories may be hazardous.
- Maintain tools with care. Keep air tool clean and oiled for best and safest performance.
- Do not use combustible gases, carbon dioxide, oxygen or any bottled gas as an air source for the tool. These can present risk of explosion and serious injury.
- Do not lubricate the tool with combustible liquids, such as kerosene, diesel or jet fuel.
- Do not dispose of this tool with normal household waste. Never dispose of the air tool into fire.
Specific warnings for Impact Wrench - Never hold socket, drive or drive extension with your hand during operation.
- Make sure workpiece is secure and will not shift while operating impact wrench. Do not hold workpieces with your hand.
- Make sure fastener can withstand rated torque of impact wrench.
WARNING: This product can expose you to chemicals including lead which is known to the State of California to cause cancer and birth defects or other reproductive harm. For more information go to http://www.p65warnings.ca.gov
WARNING: Some dust, fumes and gases created by power sanding, sawing, grinding, drilling, welding and other construction activities contain chemicals known to the State of California to cause cancer and birth defects or other reproductive harm. Some examples of these chemicals are:
- lead from lead-based paint
- crystalline silica from bricks, cement and other masonry products
- arsenic and chromium from chemically treated lumber
Your risk of exposure varies, depending on how often you do this type of work. To reduce your exposure to these chemicals, work in a well-ventilated area and work with approved safety equipment, such as dust masks that are specifically designed to filter out microscopic particles. For more information go to http://www.p65warnings.ca.gov/ and http://www.p65warnings.ca.gov/wood.
Familiarize yourself with the following safety notices used in this manual:
WARNING
This means that if precautions are not heeded, it may result in serious, or even fatal, injury.
CAUTION
This means that if precautions are not heeded, it may result in minor injury and/or possible tool damage.
About this manual
This manual is provided by JET, covering the safe operation and maintenance procedures for a JET Model JAT-106 and JAT-107 Pneumatic Impact Wrench. This manual contains instructions on safety precautions, general operating procedures, maintenance procedures and parts breakdown. Your tool has been designed and constructed to provide consistent, long-term operation if used in accordance with the instructions set forth in this document.
The instructions and warnings in this manual may not encompass all possible workplace environments. The operator is expected to take appropriate precautions and exercise common sense. As with any tool operation, safety of operator and bystanders should be first priority.
If there are questions or comments, please contact your local supplier or JET. JET can also be reached at our web site: www.jettools.com.
Record the serial number and purchase information of your tool on the cover of this manual for quick access. Retain this manual for future reference. If the tool transfers ownership, the manual should accompany it.
Tool specifications
| Model number | JAT-106 | JAT-107 |
| Stock number | 505106 | 505107 |
| Square drive | 3/8 in. | 1/2 in. |
| Bolt capacity | 3/8 in. | 1/2 in. |
| Anvil retainer type | Ring | Ring |
| Impact mechanism | Twin hammer | Twin hammer |
| Maximum torque | 500 lbf•ft (677.9 N•m) | 500 lbf•ft (677.9 N•m) |
| Working torque | 25-300 lbf•ft (34-407 N•m) | 25-300 lbf•ft (34-407 N•m) |
| Free speed | 10,000 RPM | 10,000 RPM |
| Blows per minute | 1,527 forward; 1,534 reverse | 1,573 forward; 1,653 reverse |
| Average air consumption | 5 CFM | 5 CFM |
| Air consumption at load | 4 CFM | 4 CFM |
| Air inlet | 1/4 in. NPT | 1/4 in. NPT |
| Air hose inside diameter | 3/8 in. | 3/8 in. |
| Required air pressure | 90 psi (621 kPa) | 90 psi (621 kPa) |
| Vibration value | 4.9 m/s2 | 4.9 m/s2 |
| Noise level 1 | 87 dB(A) | 87 dB(A) |
| Grip | Pistol style | Pistol style |
| Overall Length | 4.29 in. (109 mm) | 4.29 in. (109 mm) |
| Housing material | Aluminum with TPE molded grip | Aluminum with TPE molded grip |
| Net weight | 3.35 lb. (1.52 kg) | 3.35 lb. (1.52 kg) |
| Shipping weight | 3.68 lb. (1.67 kg) | 3.68 lb. (1.67 kg) |
The specified values are emission levels and are not necessarily to be seen as safe operating levels. As workplace conditions vary, this information is intended to allow the user to make a better estimation of the hazards and risks involved only.
Specifications were current at time of publication, but because of our policy of continuous improvement, JET reserves the right to change specifications at any time and without prior notice, without incurring obligations.
Setup and Assembly
Any missing parts or damage should be reported immediately to your JET® distributor. Do not use a damaged tool. Read this instruction manual thoroughly for operation, maintenance and safety instructions.
Box contents:
1 Impact wrench
1 Operation and parts manual
1 Warranty card
Operation
CAUTION
The impact wrench must be properly lubricated before operation. See “Lubrication” section.

- Remove the protective cap from air inlet (Figure 1). If an in-line oiler is not being used, add 4 or 5 drops of air tool oil (not included) into the air inlet.
- Blow out airline to remove any dirt or moisture, then connect air supply hose to tool. Set air pressure to 90 psi. IMPORTANT: Connecting a quick-change coupling directly to the tool is not recommended, as vibration may cause the connection to fail. Instead, add a leader hose and install any quick-change couplings farther down the line.
- Push drive socket (not included) onto anvil until it clicks into position.
- Rotate regulator switch to the preferred setting. Regulator settings are for reference only and do not indicate specific power settings. Rotate right for forwarding direction, left for reverse.
CAUTION
Make sure nut or bolt can withstand the rated torque of the impact wrench.
To loosen nut or bolt:
- Select reverse rotation.
- Place socket over nut, hold the grip firmly and place another hand over top of the housing. Gently squeeze the trigger.
Important: If tool cannot loosen nut, DO NOT raise air pressure above 90 psi. If the tool’s air regulator is in a low setting, raise the setting and retry. If the tool’s regulator is already at maximum, do not continue attempts to loosen nut with this impact wrench. Use other methods or tools to loosen nut. - Release trigger to stop impact wrench.
To tighten nut or bolt:
- Install nut as far as possible by hand.
- Select forward rotation.
- Place socket over the nut, hold the grip firmly, and place another hand over top of the housing. Gently squeeze the trigger.
Important: If the tool stalls while tightening, DO NOT raise air pressure above 90 psi. If the tool’s air regulator is in a low setting, raise the setting and retry. If nut will not tighten on the maximum setting, do not continue attempts to tighten nut with this impact wrench. Use other methods or tools to tighten nut. - Release trigger to stop impact wrench.
NOTE: Do not overtighten. Fasteners with critical torque settings should be fully tightened with a torque wrench.
Maintenance
Lubrication
The impact wrench should be lubricated daily (or before each use) with air tool oil through the air inlet. During continual operation, it should be re-oiled every 1 to 2 hours. This can be done with an in-line oiler, or manually. If done manually, proceed as follows:
- A disconnect air hose from tool.
- Place 4 or 5 drops of air tool oil into air inlet (Figure 1).
NOTE: Air tool oil not provided; it is available at most major hardware and tool stores. SAE #10 oil or sewing machine oil may be used as a substitute. Do not use detergent oil. - Re-connect air. Run impact wrench at low throttle without load for a few seconds to distribute the oil throughout tool.
- When finished operating impact wrench, disconnect air hose. Wipe off housing with a dry cloth. Place 4 or 5 drops of air tool oil into air inlet; re-connect air and run the tool for a few seconds to distribute the oil. Disconnect air.
Storage
Avoid storing the impact wrench in very humid locations which promote rusting of internal mechanisms. Always oil the tool and disconnect air hose before storage.
Air system requirements
- Use proper air hose size (refer to tool specifications). The hose should be just long enough to serve the working area. Excessive hose length will cause pressure drop.
- Make sure air compressor supplies clean, dry air at the correct CFM for the impact wrench.
- Set air pressure to 90 psi.
CAUTION
Excess air pressure and/or unclean air will shorten the tool’s life and may create a hazardous situation. - Drain water from air compressor tank daily, as well as any condensation from airlines. Water in the airline may enter the tool and cause damage.
- Change filters on the air system on a regular basis.
- Air-line pressure may be increased accordingly to compensate for extra-long air hoses (usually over 25 feet). Inside diameter of hose should be minimum 3/8-inch.
General Air Tool
Information
If the air tool is not performing according to specifications, the following are among the most common causes. (See also “Troubleshooting” section.)
- Contaminated air such as a dirty air system or water in the system.
- Using wrong size tool for the job.
- Poor maintenance practices, such as using excessive air pressure or air volume.
- Improper or no lubrication.
Rule of Thumb
If it takes more than 8 seconds to tighten or loosen a bolt or nut with an air impact wrench at the maximum setting, the air wrench is too small or the air compressor CFM is not powerful enough for the job. Continued use in either capacity will cause damage to the tool.
Tool Pressure
JET Air Tools operate on 70-to-100 psi (pounds per square inch) air pressure measured at the tool when the tool is operating. Set tool to 90 psi unless indicated otherwise. Pressure in excess of 100 psi will shorten the life of the tool.
Air System Recommendations
Equip the air compressor intake with a replaceable air filter that can be easily cleaned.
Use safety shut-off valves so air flow can be stopped quickly in case of a line break.
When using multiple hoses, air hoses should be larger than leader hose. Join multiple hoses directly, rather than with quick connect fittings which may cause pressure drops and tool power reduction.
Use anti-whip devices across hose couplings to prevent hose from whipping in the event of a hose failure or coupling disconnect.
Always use moisture traps at the compressor for the main distribution line. Use moisture traps and in-line oilers on each downline that is to be used for air tools. (See Figure 2). Place oiler as close to air tool as possible for best lubrication.
Lubrication
Use a light oil containing rust inhibitors, such as SAE #10. Many JET air tools have integral oil reservoirs, which should be kept filled when in-line oilers are not used.
If greasing is required, use a grease that is highly water-resistant for the front case components on air impact wrenches, grinders and sanders.
Recycling
Protect the environment. Your tool contains materials that can be recovered or recycled. When its useful life has expired, please leave tool at a specialized facility.

Recommended arrangement of air piping and airline system
Troubleshooting JAT-106/107 Impact Wrenches
Any disassembly of the tool should be done by qualified service personnel. For problems not addressed below, contact JET technical service at 800-274-6846.
| Problem | Possible cause | Remedy |
| Tool will not start. | Air valve closed or obstructed. | Open valve; clear any obstructions. |
| Dirt or gum deposits on components. | Flush tool with gum solvent. If problem persists, disassemble, clean and lubricate internal parts. | |
| Rotor vanes or other components are worn. | Replace worn components. (Replace vanes as an entire set.) | |
| Trigger inoperable. | Clean trigger mechanism to ensure free movement. Replace mechanism if needed. | |
| Bearing(s) worn. | Disassemble and inspect bearing. Grease or replace as needed. | |
| Excessive or abnormal vibration. | Bearing(s) worn. | Disassemble and inspect bearing. Grease or replace as needed. |
| Abnormal sound. | Loose fasteners. | Check tightness of housing and external fasteners. |
| Loss of power; erratic action. | Low air pressure. | Verify compressor has proper CFM rating for tool. Check compressor regulator setting; set air pressure to 90 psi. Set regulator dial on tool to maximum setting. Check for loose connections. |
| Moisture or obstruction in air hose. | Air supply must be clean and dry. Clean out air hose(s) and remove any kinks or bends. | |
| Improper size of air transmission lines, hoses, fittings, or couplings. | Use appropriate-sized air lines/hoses. Verify proper fittings/couplings. | |
| Dirt or gum deposits on components. | Flush tool with gum solvent. Check and clean air filter on compressor. Clean external areas of tool. If problem persists, disassemble, clean and lubricate internal parts. | |
| Rotor vanes are worn. | Replace vanes (entire set). | |
| Impacts sufficiently, but will not remove fastener. | Worn socket. | Use good condition sockets. |
| Worn impact mechanism. | Replace components. | |
| Will not impact. | Damaged impact mechanism. | Replace mechanism. |
| Housing becomes hot during operation. | Insufficient lubrication. | Lubricate with air tool oil. |
| Worn components. | Replace components as needed. |
| Problem | Possible cause | Remedy |
| Severe air leakage. (Note: Minimal escape of air is often normal for air tools.) | Air valve obstructed or damaged. | Clean or replace. |
| Housing loose or damaged. | Tighten or replace as needed. |
Replacement parts
Service parts are listed on the following pages. To order parts or reach our service department, call 1-800-274-6848 Monday through Friday, 8:00 a.m. to 5:00 p.m. CST. Please have the stock number and serial number of your tool available when you call, so that we may serve you quickly and accurately.
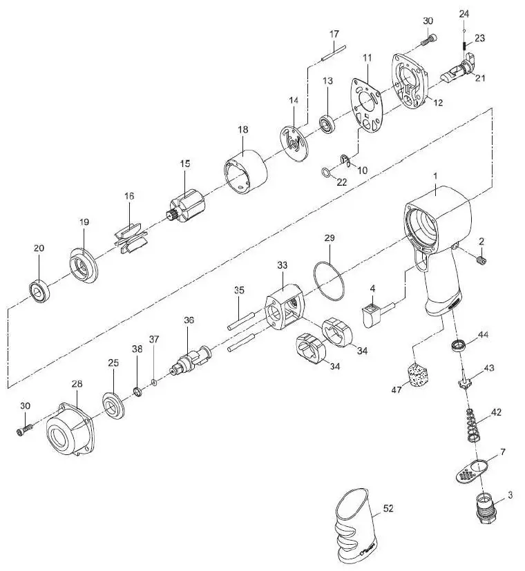
#505106, JAT-106, 3/8-inch Impact Wrench – exploded view

#505106, JAT-106, 3/8-inch Impact Wrench – parts list
| Index | Part No. | Description | Qty |
| 1 | JAT106-01 | Motor housing | 1 |
| 2 | 40312 | Screw M8x8L | 1 |
| 3 | JAT106-03 | Air inlet | 1 |
| 4 | JAT106-04 | Trigger | 1 |
| 7 | JAT106-07 | Exhaust diffuser | 1 |
| 10 | JAT106-10 | E-Ring ETW-8 | 1 |
| 11 | JAT106-11 | Gasket | 1 |
| 12 | JAT106-12 | Rear cover | 1 |
| 13 | BB-6900ZZ | Ball bearing 6900ZZ | 1 |
| 14 | JAT106-14 | Rear end plate | 1 |
| 15 | JAT106-15 | Rotor | 1 |
| 16 | JAT101-16 | Rotor vane | 6 |
| 17 | JAT106-17 | Pin 3x40L | 1 |
| 18 | JAT106-18 | Cylinder | 1 |
| 19 | JAT106-19 | Front end plate | 1 |
| 20 | BB-6001ZZ | Ball bearing 6001ZZ | 1 |
| 21 | JAT106-21 | Reverse lever | 1 |
| 22 | JAT106-22 | O-Ring | 1 |
| Index | Part No. | Description | Qty |
| 23 | JAT106-23 | Spring | 1 |
| 24 | SB-1/8 | Steel ball 1/8in. | 1 |
| 25 | JAT106-25 | Anvil bushing | 1 |
| 28 | JAT106-28 | Hammer case | 1 |
| 29 | JAT104-12 | O-Ring 50×1.5 mm | 1 |
| 30 | TS-1502041 | Soc hd cap screw M5x16L | 8 |
| 33 | JAT101-33 | Hammer cage | 1 |
| 34 | JAT101-34 | Hammer | 2 |
| 35 | JAT101-35 | Hammer pin 5.1×42.2 | 2 |
| 36 | JAT106-36 | Anvil 3/8in. | 1 |
| 37 | JAT730-17 | O-Ring 3.68×1.78mm | 1 |
| 38 | SM-40103 | Retaining ring | 1 |
| 42 | JAT106-42 | Valve spring | 1 |
| 43 | JAT106-43 | Valve stem | 1 |
| 44 | JAT106-44 | Rubber spacer | 1 |
| 47 | JSM7572-67 | Damping material | 1 |
| 52 | JAT106-52 | Rubber Grip | 1 |
JAT106-RPK Repair Kit, contains #10,11,16(6),22,29,37,38
JAT106-RBK Rebuild Kit, contains #14,17,18,19,35,36
#505107, JAT-107, 1/2-inch Impact Wrench – exploded view

#505107, JAT-107, 1/2-inch Impact Wrench – parts list
| Index | Part No. | Description | Qty |
| 1 | JAT106-01 | Motor housing | 1 |
| 2 | 40312 | Screw M8x8L | 1 |
| 3 | JAT106-03 | Air inlet | 1 |
| 4 | JAT106-04 | Trigger | 1 |
| 7 | JAT106-07 | Exhaust diffuser | 1 |
| 10 | JAT106-10 | E-Ring ETW-8 | 1 |
| 11 | JAT106-11 | Gasket | 1 |
| 12 | JAT106-12 | Rear cover | 1 |
| 13 | BB-6900ZZ | Ball bearing 6900ZZ | 1 |
| 14 | JAT106-14 | Rear end plate | 1 |
| 15 | JAT106-15 | Rotor | 1 |
| 16 | JAT101-16 | Rotor vane | 6 |
| 17 | JAT106-17 | Pin 3x40L | 1 |
| 18 | JAT106-18 | Cylinder | 1 |
| 19 | JAT106-19 | Front end plate | 1 |
| 20 | BB-6001ZZ | Ball bearing 6001ZZ | 1 |
| 21 | JAT106-21 | Reverse lever | 1 |
| 22 | JAT106-22 | O-Ring | 1 |
| Index | Part No. | Description | Qty |
| 23 | JAT106-23 | Spring | 1 |
| 24 | SB-1/8 | Steel ball 1/8in. | 1 |
| 25 | JAT106-25 | Anvil bushing | 1 |
| 28 | JAT106-28 | Hammer case | 1 |
| 29 | JAT104-12 | O-Ring 50×1.5 mm | 1 |
| 30 | TS-1502041 | Soc hd cap screw M5x16L | 8 |
| 33 | JAT101-33 | Hammer cage | 1 |
| 34 | JAT101-34 | Hammer | 2 |
| 35 | JAT101-35 | Hammer pin 5.1×42.2 | 2 |
| 36 | JAT107-36 | Anvil 1/2in. | 1 |
| 37 | 40305 | O-Ring 6.5x2mm | 1 |
| 38 | 40303 | Retaining ring | 1 |
| 42 | JAT106-42 | Valve spring | 1 |
| 43 | JAT106-43 | Valve stem | 1 |
| 44 | JAT106-44 | Rubber spacer | 1 |
| 47 | JSM7572-67 | Damping material | 1 |
| 52 | JAT106-52 | Rubber Grip | 1 |
JAT107-RPK Repair Kit, contains #10,11,16(6),22,29,37,38
JAT107-RBK Rebuild Kit, contains #14,17,18,19,35,36
427 New Sanford Road LaVergne, Tennessee 37086 Phone: 800-274-6848 www.jettools.com


















