ZEBRONICS ZEB-Jolt Plus Trolley DJ Speaker

Thank you for purchasing the ZEB-JOLT PLUS Trolley DJ Speaker. Please read the user manual carefully before usage & save it for future reference.
Note
- Avoid the usage of this speaker at a high temperature and high humidity environments.
- Avoid the self-disassembly of the product as it results in the failure of the Warranty.
Features
- Trolley speaker
- BT v5.0/USB/ mSD/ FM /AUX/ MIC Input x 2
- Karaoke function
- LED display
- LED lights
- Dual Full range 25.4cm
- Remote control
- Dual Wireless mic
- Built-in rechargeable battery
- TWS Function
- Volume, Treble, Bass, MIC Volume, Echo
- Control
- Supports external battery
Specifications
- Output power (RMS): 100WN (50W x 2)
- Driver size
- Full range: 25.4cm x2
- Tweeter: 2.54 cm
- Impedance
- Full range: 4

- Tweeter: 8

- Full range: 4
- Frequency response: 65Hz-18kHz
- S/N Ratio: 260dB
- File format
- support (USB/MSD): MP3, WAV, WMA
- Line input: 3.5mm
- Max. supported
- memory Size: 32GB (USB/MSD)
- FM frequency range: 87.5 MHz-108 Mhz
- Charging time: 5h
- Playback time: 7.5h
- BT name: ZEB-JOLT PLUS
- BT version: v5.0
- Product dimension: 335 x 300 x 720 mmm
- (Wx DxH) Net. weight: 9.6 kg
Package Content
- DJ Speaker: 1U
- Remote: 1U
- Wireless Mic: 2U
- Power Cord: 1U
- Input cable: 1U
- QR Code Guide: 1U
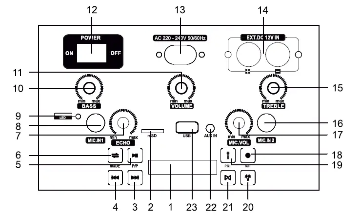
Control Panel Description

- LED display
- Micro SD card port
- Next Track/FM channel key
- Previous Track/FM channel key
- Play/Pause key
- Mode change Key
- Echo control
- Microphone 1 input jack
- LED indicator
- Bass control
- Master volume control
- Power ON/OFF switch
- AC input port
- External DC12V battery Input port
- Treble control
- Microphone 2 input jack
- Mic volume control
- Recording & play record key Long Press to Recording Short Press to Play Recorded File
- Mic Priority On-Off key
- Press this button to switch between 3 different lighting modes and on/of.
- TWS Connection key
- AUX IN
- USB port
Remote Control

- Mute/Unmute
- Mode change key
- Recording key
- Play recorded file
- Volume+
- Volume-
- Next Track/ FM channel+/Tune+
- Previous Track/ FM channel -/ Tune
- Play/Pause key
- Repeat key
- EQ preset
- Numeric selection (0-9)
general instructions
BT Mode: Switch the speaker to BT mode, Scan for nearby BT devices in your device. Tap on “ZEB-JOLT PLUS” to connect.
USB/mSD Mode: Insert the USB Drive/mSD Card to the speaker. The speaker will detect the USB Drive/mSD Card and the audio files from drive will be played automatically.
FM Radio: Switch the speaker to FM, In FM Mode, long Press the Play/Pause Key to scan the available FM channels. Once the scanning is done, The speaker will start playing the first scanned channel.
AUX-IN: The speaker can be connected to an audio device using a 3.5mm cable. Connect one end of the cable to the speaker & connect the other end of the cable to an audio source. The songs from the audio source can be heard through the speaker.
TWS Connectivity: Turn on both ZEB-JOLT PLUS speakers in BT (wireless) mode. Connect one of two speakers (it says A) to the BT device (cell phone, tablet, computer, etc.) Long press the TWS button on the speaker (A) 3S, ZEB-JOLT PLUS A and B are ready for TWS playing. The TWS function will be activated and the pairing will be automatic the next time. (if A and B).
Recording Function: To record voice, first plug-in a USB/mSD card into the speaker which will act as a storage device. Press the REC. key on the remote to start/stop recording. Once the song or voice is recorded through the Mic, press the REC. PLAY key to play the recorded file.
Note: Speaker can record the Mic input.
Charging Indication
- Charging Indication: Red LED Flashing
- Full Charging Indication: Red LED Glows
ISO 9001: 2015 Certified Company


















