SX 44 Spray-Extraction Device
User Manual
SX 44 Spray-Extraction Device

Generalities
The injection-extraction machine mod. SX 44, designed to clean carpet and hard floor, is formed by the body, the hoses and the wand.
The body is composed by two high-density polyethylene tanks, kept together through lateral elastic hooks. The upper tank (recovery tank) is foreseen to contain the dirty water sucked from the carpet or floor. The lower tank (solution tank) is foreseen to contain the water and the chemical detergent. The lower tank also contains inside the motor group, the pump and the control panel.
Safety instructions (read carefully)
Every electrical device must be used for its particular function only, respecting the manufacturer’s instructions. Failure to adhere to the instructions could result in serious bodily injuries to the operator (shock, electrocution, etc.).
The nowadays machines are normally produced according to the accident prevention regulations and are often homologated by qualified institutes for the safety, but nobody and nothing can save irresponsible users from danger.
Please, read carefully the following points and be sure to understand everything before using the machines.
- Before putting the machine’s plug in the current socket, check that the voltage available is the same indicated on the label of the machines.
- Be sure that the electrical system is well earthed and that it has a safety differential switch.
- Verify that the cable plug is complying with the outlet.
- Do not use adapters or multiple sockets, without knowing the electrical input of each user.
- If any electrical extension is used, check that it corresponds to the absorbed power of the machine and that the connection of the plug with the socket is complying and sealed.
- Take care of the electrical cable. It must be integral and protected from water, tears and chemical agents. Do not repair the cable in case of tears, but replace it with a new one.
- Do not pull the cable to drag the machine or to pull the plug out. Pull the plug out only when the machine is switched off.
- Do not handle the plug with wet hands.
- Do not spray water near electrical outlets. Do not use the machine to spray or to suck dust, corrosive liquids (acids or bases) and explosive or inflammable liquids.
- Do not use the machine in an explosive atmosphere.
- Do not let the machine being used by children and people unable to understand the danger connected with the use of electrical power.
- Do not bring the end of the suction hose or one of the accessories near your face or others’, particularly near ears and eyes: the sucked air could seriously damage them.
- If the machine is used as a wet vacuum cleaner, you must check the level of water in the recovery tank, in order to prevent water from being sucked by the vacuum motor.
- If the chemical you are using produces foam, or if you are cleaning carpet previously treated with shampoo, you must put some antifoaming liquid into the recovery tank. In the long run, the foam sucked by the motor can damage it.
- In case of abnormal working (very noisy motor, not running pump, extreme temperature rise, or other suspicious signals) switch off the machine and pull the plug out.
- After using, store the machine, well cleaned, in a cool and dry place.
Attention: all the electrical repairs must be performed by qualified personal only!
Preparation for work
For the setting of your machine, make the following operations:
- Raise the upper tank after having released it by acting on the lateral hooks.

- Fill the solution tank with cold or warm water, through the filling hole, adding a 5% of nonfoaming detergent (1/2 liter in 10 liters). Higher concentrations may be used in case of particularly dirty surfaces.
Attention: wool carpet must be washed with cold water only! - Reconnect the upper tank to the lower tank with the lateral hooks.
- Connect the machine to the wand or to the accessory with the solution and with the vacuum hoses. The quick-disconnect couplings at the end of the solution hose (the thin one) must be inserted in the correspondent couplings: one is on the body of the machine and the other one is on the water valve that you find on the wand or on the accessory handle.

- In the same way, you must connect the vacuum hose to the machine and to the accessory handle.
- Put the plug of the cable in the socket (see safety regulations).
- Switch on the water pump and vacuum motor through the corresponding switches. At this point the machine is ready to operate.
Attention: Do not use the machine as a vacuum cleaner! (The machine cannot be used as a vacuum cleaner, unless you are using the optional accessory NS270DUST, which is provided with a filter inside in order to collect dust). Do not let the pump run dry!
Working method
For a routine maintenance cleaning of the carpet or floor, it is suitable to proceed by spraying and washing simultaneously. Push the lever on the wand handle to spray the solution.

You can apply pure detergent on persistent spots, by using aerosol bombs which you can find on the market with solvents suitable to any kind of spot. Use quality and suitable detergents only, in order to avoid damages to the surfaces. Always test the chemical on a small spot where a possible damage cannot be seen.
Concerning the washing method, considering a rectangular surface, we suggest you should do as follows: after removing as much furniture as you can, divide ideally the surface in several stripes and proceed from left to right. Cover backwards each stripe for a part corresponding to a little more than a half of the length. Invert then the direction and clean the remaining part in the same way. Work more or less slowly according to the dirtiness degree of the surface.
For a deep cleaning of carpet, some users suggest to spray the solution and leave it on the surfaces for some minutes before sucking it. In this way the detergent has more time to act on the dirt. Each operator will use his own method, also considering the type of carpet to clean.
Maintenance
The model SX 44 is a professional machines. The warranty on these machines is of 1 year and covers the faults due to manufacturing defects. The faults due to improper use are not covered by warranty. For further details regarding warranty, contact the distributor supplying the machine.
Observe the following advice to obtain a perfect working and a long life of your machine:
- After every use, before storing the machine, remove all the water from the solution and the recovery tank. Put some liters of clean water into the solution tank and use the pump only, pressing the lever of the solution valve. This operation is useful to clean the internal parts of the pump, of the couplings and nozzles, removing the detergent residues.
- After every use, store the machine in a cool and dry place with the cover open, to avoid that humidity inside the recovery tank can condensate on the internal parts of the vacuum motor, therefore damaging it. The damage provoked by humidity that condenses on the motor (or the foam sucked by the motor) is not covered by warranty.
- Periodically clean (at least every 2 months) the water filter, extracting it from the machine and rinsing it under current water
- Periodically check and clean the filter of the vacuum motor, which is located between the 2 tanks.
- Eliminate the lime that in time deposits inside the hydraulic circuit of the machine, by putting some anti-lime solution in the solution tank and leave it for some hours. Then empty the tank and rinse. It is enough to perform this operation every 6-8 months.
- Periodically check the consume of the carbon brushes of the vacuum motor. This check should be done after 500 working hours.
- Worn-out carbon brushes may result in damages to the vacuum motor or to the pump, which are not covered by warranty. The check of carbon brushes should be done by technical personnel.
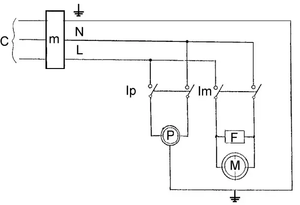
ELECTRICAL SKETCH

INDEX
C = Cable
cm=Fairlead
Ip= Pump switch
Im =Motor switch
P= Pump
M= vacuum moto
F=Radio

G. Staehle GmbH u. Co. KG
columbus Reinigungsmaschinen
Mercedesstr. 15
D – 70372 Stuttgart
Telefon +49(0)711 / 9544-950
[email protected]
www.columbus-clean.com

Attention: wool carpet must be washed with cold water only!


















