MARTEC MMDC133MMR 1320mm 3 Blade Ceiling Fan

Thanks for choosing our Metro DC Series ceiling fan. We strongly recommend that you read this manual carefully before installation
Models Parameters (Fan Only):-
- MMDC133MMR 1320mm 3 Blade Ceiling Fan Matt Black with remote control
- MMDC133WSR 1320mm 3 Blade Ceiling Fan White Satin with remote control
- MMDC133WOR 1320mm 3 Blade Ceiling Fan White Satin/Oak with remote control
Models Parameters (Fan and Light):-
- MMDC1333MMR 1320mm 3 Blade Ceiling Fan Matt Black, 15W Tricolour LED Light with remote control
- MMDC1333WSR 1320mm 3 Blade Ceiling Fan White Satin, 15W Tricolour LED Light with remote control
- MMDC1333WOR 1320mm 3 Blade Ceiling Fan White Satin/Oak, 15W Tricolour LED Light with remote control
Part List
- Qty 1x motor assembly
- Qty 1x instruction manual
- Qty 1x screw kit Qty 3x blades
- Qty 1x balancing kit
- Qty 1x hanging plate
- Qty 1x remote control kit
Application
How to Assemble
- Secure the ceiling fan mounting plate to the ceiling using screws and washers provided. Ensure screws are tightened on the mounting plate.
- Align hole in the motor housing with the hook on the mounting plate.
- Connect wires between the motor housing and the receiver of remote control.
- Before installing the motor housing into the mounting plate. Put 2 screws half way into two opposite screw holes.
Carefully install the motor housing into the mounting plate by pushing the 2 screws into the opening slot. Insert the remaining 2 screws then tightened all screws.
WARNING Installation MUST carry out by a qualified and licensed electrician.
How to Install Blades
- Attach the blade to the top of the motor. Tighten and secure blade with screws and washers provided. Repeat this procedure until all blades are installed.
- NB: Ensure the blades do not get damaged or bent during the installation process while the fan maybe on the ground, this will affect the performance and balance of the fan and this is NOT covered under warranty.
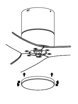
How to Install / Remove the Cover
- Install the shade cover into the light kit.

- Connect the 2-pin connectors from motor housing with the light kit plate.
- Install the light kit plate to the motor using screw provided.
- Slot the shade cover into the light kit.

CCT (Colour Changeable Temperature)
Choose colour temperature by flicking the switch in the LED C = 5000K cool white
- N = 4000K neutral white
- W = 3000K warm white
Dimming
The Metro ceiling fan has a smart 3 step dimming LED light module which doesn’t require a dimmable remote control or a wall dimmer. It only requires a remote control kit supplied with the product.
Turn the switch on and the light will turn on. Flick the switch on/off within 1 second and the light output will dim down to approx. 50%. Flick the switch on/off again and the light output will dim down to approximately 15%. The light kit has no memory function, It will turn on 100% initially.
Instructions and Functions of Transmitter
Fan Only Mode
- LED indicator light
- Speed of the fan (1 high speed – 5 low speed)
- Timing control of the fan
- Direction of the fan (reverse switch)
- Fan ON/OFF
- 12v battery to be used in transmitter
Fan LED Light Model
- LED indicator light
- Light ON/OFF (Use to dim light within 1s)
- Speed of the fan (1 high speed – 5 low speed)
- Timing control of the fan
- Direction of the fan (reverse switch)
- Fan ON/OFF
- 12v battery to be used in transmitter
Installing Receiver Remote Control
Pairing Instructions
- Turn “ON” the power supply and within 30 seconds
- Press and hold the transmitters “FAN ON/OFF” button for 5 seconds and a “beep” will be heard
- Pairing initial step must be performed within 30 seconds of power being turned on
- ensure the isolation switch or power supply to the first installed fan is turned off prior to pairing futher fans ie. pair one fan at a time
- ensure isolation switch is kept to the ON position, the isolation switch is not to be used as a light switch as this will damage and make the remote recevier inoperable
Important Reminders
- Receiver must be correctly installed in the mounting bracket
- When the transmitter cannot control the receiver, please check
- has sufficient battery in the transmitter
- any existence of similar remote-controlled products nearby that cause interference
- Replace battery if getting low as this will affect sensitivity of the transmitter
- Take the battery out from the transmitter when leaving used for a long time to avoid battery leaks
- Support up to 200W lighting power
- Isolation switch MUST be connected in the line
- Dimming switch on the light models is operated by tuning the light ON/OFF button within 1s. Light output will dim in stages from 15W to 8W to 2W approximately
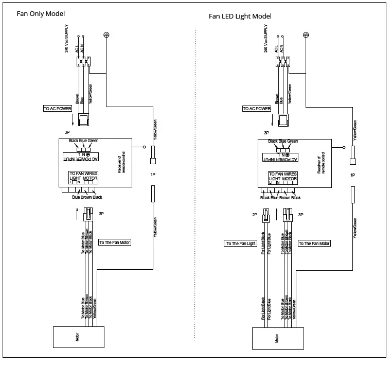
Wire Connections
6* Year Warranty
Visit our website for details https://www.martecaustralia.com.au/warranty-statement/
WARNING
- Installation of fans MUST follow SAA standards and meet local authority regulations.
- Installation MUST be carried out by a qualified and licensed electrician.
- Fan and light MUST be earthed.
- Bracket MUST be firmly attached to a flat solid structure or timber frame.
- DO NOT mix blades from one model to another, all blades MUST be replaced if damaged.
- The warranty is VOID if product is not installed according to this installation guide.
E: [email protected]
P: 02 8778 7500 www.martecaustralia.com.au
























