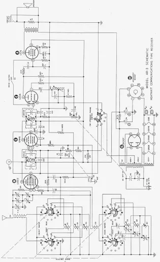
Heathkit AR-3 Communications Receiver

SPECIFICATIONS
Frequency Range: .550 kc to 30 mc in four bands
Tube Complement : 1 – 12BE oscillator and mixer
– 12BA6 IF amplifier
1 – 12AV6 second detector, AVC, first audio amplifier, reflex BFO and noise limiter
1 – 12V6GT beam power output
1 – 53 full wave rectifier
Power Requirements: 105-125 volts AC 50-60 cycles 40 watts
Dimensions:.. 11 1/2″ wide x 5 3/4″ high x 6 3/4″‘ deep
Shipping Weight:. . …… ..12 lbs.
Civil Defense frequencies and Amateur bands plainly marked on dial.
CONTROLS
General Coverage Tuning Band Switch
Band Spread Tuning Noise Limiter On/Off
Phone-Standby-CW Switch RF Gain Control/AVC On/Off
Headphone Jack AC On/Off – Audio Gain
Antenna Trimmer Accessory Socket
Sockets for connecting Heathkit mode l QF-1 Q Multiplier on rear of chassis.
INTRODUCTION
The Heathkit model AR-3 Communications Type Receiver is designed to provide all of the features normally found in a receiver costing much more. Simplicity and ease of construction have been accomplished through the use of highly efficient, straightforward circuitry and a very practical chassis layout. All components have been selected carefully for quality and durability. Four frequency bands, in conjunction with direct planetary drive, provide continuous tuning from 550 kc to 30 me. No communication type receiver would be complete without bandspread. The AR-3 has been equipped with electrical bandspread that operates at optimum efficiency on all frequency ranges.
For CW reception, a BFO circuit may be switched into operation by means of the SELECTOR switch. When listening on CW, it is desirable to deactivate the normal AVC circuit and control the sensitivity manually. Both functions are accomplished by the RF GAIN control. The STANDBY position of the selector switch allows operating temperatures to be maintained so that the operator may select instantly the type of reception desired. The NOISE LIMITER switch at the rear of the chassis is used to minimize the interference caused by sharp transient pulses such as ignition noise, etc. The kit is complete with a transformer operated power supply and a 5 1/2″ PM dynamic loudspeaker. Functional styling and the easily read dial assembly will contribute greatly to the receiver’s attractiveness and ease of operation.
CIRCUIT DESCRIPTION
The signal is applied through the antenna coil of the selected frequency band to the signal grid of a 12BE6 tube, used as a combination oscillator and mixer. The ANTENNA TRIMMER allows peaking the input circuit for maximum signal gain. A 100 n suppressor resistor is used in series with the grids to insure maximum stability. The antenna and oscillator sections of this tube are tuned simultaneously by means of the dual tuning capacitor and bandspread capacitor. The oscillator signal appearing at the oscillator grid of the same tube causes a heterodyne action to take place. A 455 kc signal is the result of this mixing and it is amplitude modulated by the audio portion of the RF signal. This intermediate frequency is amplified by the IF amplifier tube, 12BA6. Coupling into and out of the IF stage is accomplished through high gain miniature IF transformers. Most of the sensitivity and selectivity of the receiver is developed in this section. One position of the switch in the cathode circuit of this tube allows normal operation with 820 n as the cathode resistance. The other position shorts AVC to ground and makes the cathode resistance variable. This constitutes the RF GAIN control. After IF amplification, the signal is coupled to one of the diode plates of the second detector tube, 12AV6. The positive signal peaks cause the diode to conduct, charge the diode filter condenser and develop a filtered voltage across the volume control. AVC voltage is present at the high side of the control and is coupled through a filter network to both the mixer and IF stages. Coupling is made from the volume control through a . 02 µfd condenser to the control grid of the triode section on the 12AV6 tube. This section acts as the first audio amplifier (and reflex BFO when the PHONE-STANDBY-CW switch is in the CW position.) From the plate of the 12AV6, the audio signal is applied through a .01 µfd condenser to the control grid of a beam power pentode, 12V6. After power amplification, the signal is matched to the speaker voice coil through the output transformer. A 10 n resistor provides proper matching when headphones are used. The closed-circuit jack opens the speaker voice coil circuit when headphones are plugged in, eliminating the need for a separate switch. In the 12AV6 tube, there is a connection between the other diode plate and the control grid of the 12V6, through a SPST slide switch. This is the noise limiter circuit. With the switch closed , the diode plate clamps the grid of the output tube to the average amplitude of the audio signal present. If a sharp noise pulse occurs, the positive peaks will be eliminated by the clamping action of the diode. Atmospheric and other similar types of interference will, therefore, be greatly subdued. When the signal input to the receiver is CW, no demodulation can take place in the second detector because there are no signal amplitude variations. Another signal becomes necessary in order that the difference between it and 455 kc may be audible. This signal is provided by the BFO circuit which consists of a BFO coil and appropriate resistors and condensers. The circuit is activated by the selector switch. The BFO is a reflex circuit utilizing the triode section of the 12AV6 as oscillator, while still allowing it to function as the first AF amplifier. BFO injection to the second detector diode is accomplished through the tube and magnitude of injection voltage is automatically controlled by tube characteristics. The BFO signal is isolated from the 12V6 grid by an RF filter consisting of a 22 Kn resistor. The BFO grid circuit is isolated from the AF gain control by a 220 Kn resistor. In the CW position, the ground is removed from the tap of the BFO coil, allowing it to function properly in conjunction with the 12AV6 triode section. In the STANDBY position of the selector switch, the BFO circuit is grounded, the B-return circuit of the complete receiver is opened, and B+ is removed from the screen grids of the mixer and IF tubes. In the PHONE position, the B-and screen circuits are completed while the BFO remains grounded. Tube filaments are activated at all times to provide instantaneous operation of any circuit when the switch is manipulated.
NOTES ON ASSEMBLY AND WIBING
The Heathkit model AR-3 Communications Receiver, when constructed in accordance with the instructions in this manual, is a high-quality unit capable of many years of trouble-free service. We therefore urge you to take the necessary time to assemble and wire the kit carefully. Do not hurry the work and you will be rewarded with a greater sense of confidence, both in your receiver and in your own ability. This manual is supplied to assist you in every way to complete the kit with the least possible chance for error. We suggest that you take a few minutes now and read the entire manual through before any work is started. This will enable you to proceed with the work much faster when construction is started. The large fold-in pictorials are handy to attach to the wall above your work space. Their use will greatly simplify the completion of the kit. These diagrams are repeated in smaller form within the manual. We suggest that you retain the manual in your files for future reference, both in the use of the receiver and for its maintenance.
UNPACK THE KIT CAREFULLY AND CHECK EACH PART AGAINST THE PARTS LIST. In so doing, you will become acquainted with each part. Refer to the charts and other information shown on the inside covers of the manual to help you identify any parts about which there may be a question. If some shortage is found in checking the parts, please notify us promptly and return the inspection slip with your letter to us. Hardware items are counted by weight and if a few are missing, please obtain them locally if at all possible.
Read the notes on soldering on Pages 8, 9 and 10. Crimp all leads tightly to the terminal before soldering. Be sure that both the lead and the terminal are clean of wax, corrosion or other foreign substances. Use only the best rosin core solder, preferably a type containing the new activated fluxes such as Kester “Resin-Five,” Ersin “Multicore” or similar types.
NOTE: ALL GUARANTEES ARE VOIDED AND WE WILL NOT REPAIB OR SERVICE INSTRUMENTS IN WHICH ACID CORE SOLDER OR PASTE FLUXES HAVE BEEN USED. WHEN IN DOUBT ABOUT SOLDER, IT IS RECOMMENDED THAT A NEW ROLL PLAINLY MARKED “ROSIN CORE RADIO SOLDER” BE PURCHASED.
Resistors and controls generally have a tolerance rating of ±20% unless otherwise stated in the parts list. Therefore, a 100 Kn resistor may test anywhere from BO Kn to 120Kn. (The letter K is commonly used to designate a multiplier of 1000.) Tolerances on condensers are generally even greater. Limits of +100% and -50% are common for electrolytic condensers. Parts furnished with your Heathkit have been specified to enable you to obtain maximum performance from the finished instrument.
- Connect the other uninsulated wire to VV (NS).
- Connect a wire from VV (S) to R3 (S).
- Connect a wire from R2 (S) to the remaining voice coil terminal on the speaker (S).
- Connect the blue lead from the output transformer to A3 (S).
- Connect the red lead to B ■ (S).
- Turn the receiver over and connect the center lead in the Spirashield coming through the hole beneath the volume control VC to WW (NS).
- Connect an .02 µfd ceramic capacitor between WW (S) and VC2 (S) (use sleeving).
- Readjust the dial drum pulley so that the opening in the outer rim is straight up when the tuning condenser is fully meshed. The spacing between the drum and the rear of the dial plate should be approximately 1/8″. Tighten the set screw permanently.
- String th e dial cord as shown. It has been pre-cut to the proper length and no further adjustment is necessary.

- Readjust the dial drum pulley so that the opening in the outer rim is straight up when the tuning condenser is fully meshed. The spacing between the drum and the rear of the dial plate should be approximately 1/8″. Tighten the set screw permanently.
- String the dial cord as shown. It has been pre-cut to the proper length and no further adjustment is necessary. See Figure 14.
- Mount one of the large black and chrome knobs on the shaft of the volume control VC and tighten.
- Mount the other 1arge knob on the main tuning capacitor shaft.
- Mount the small black knob without a pointer on the shaft of the band spread capacitor and tighten.
- Mount the large black knob with the white line on the tand switch shaft. Position the knob so that the line points correctly at each of the switch positions.
- The three remaining knobs have pointers. They should be mounted on the three remaining shafts. U the receiver is mounted in the Heathkit cabinet, or if another cabinet and the control plate are used, the pointers should coincide with the markings on the panel or control plate. The plastic pointer should be used on the band spread capacitor shaft whenever the cabinet or control plate is used, to indicate the position of the band spread control.
- With the tuning capacitor fully meshed, install the dial pointer as shown. It should coincide with the vertical line connecting the dial scales on the left side, before crimping the ears on the pointer to the dial cord. Do not use too much pressure or the ears may cut the dial cord.
- Turn the receiver over and insert the end of the line cord through grommet N at the rear of the chassis. Tie a knot 2 1/2″ from the end. Connect one lead of the line cord to Ml (S) and the other lead to M3 (S).
- Insert the tubes in the proper sockets, making sure they are properly seated.
- Mount the four angle brackets as shown in Figure 15,
using 6-32 x 3/16 screws, lock washers and nuts. - Cut the labels apart and strip the adhesive from the back. Press firmly in place in the proper positions on the rear chassis apron.
This completes the construction of your Heathkit model AR-3 Receiver.
RECEIVER ALIGNMENT
The following procedure is commonly used in the service industry even though many other methods may be used. It is assumed that a DC meter of some type is available in addition to an RF signal generator capable of producing an unmodulated signal at frequencies from 455 kc through 30 me. The Heathkit model SG-8, used with model V-7 VTVM or a 20,000 S1 per volt multimeter would be ideal. U the proper meter cannot be obtained, you may align the set by ear. In that case, a modulated RF signal is necessary and this also is produced by model SG-8. Whenever an adjustment point of maximum meter indication is mentioned in the procedure, you may adjust to maximum volume if a speaker is used. Use an insulated alignment tool in order to eliminate the capacitive effect of the hand, which will cause a false point of adjustment in all cases. For convenience, we will refer to the meter as a VTVM used as a DC voltmeter. Return all controls and switches to the positions indicated above the voltage chart on Page 24. Make a temporary connection between terminal HH1on the tuning condenser and the chassis . Connect the common VTVM lead to the chassis and the DC test lead to terminal VC3 on the volume control. Connect the hot lead of a signal generator, through a .01 µfd condenser, to terminal 7 on socket H and the ground lead to the receiver chassis. Set the VTVM selector switch to DC-, since the voltage will be negative, and the range switch to one of the high positions . Plug the receiver in and turn the volume control fully clockwise. Set the signal generator to 455 kc, unmodulated and reduce the output until a readable voltage is obtained on the lowest VTVM range. Adjust the bottom screw on the output IF transformer for maximum meter indications. Then adjust the top screw to maximum. Reduce the signal output of ‘the generator as the VTVM readings become higher. Now adjust the top screw on the input IF transformer to maximum. Finally the bottom screw is adjusted. Repeat the procedure at least twice since there may be a tendency for the transformers to interact. This completes the alignment of the IF transformers. Remove the temporary connection between HHl and the chassis. Rotate the band spread condenser so it is fully meshed. Do not touch the band spread condenser after this adjustment. Turn the bandswitch to “D” which is fully clockwise. Also tune the receiver to 30 me. Connect the ground lead of the signal generator to the chassis or to the grounded screw head on the antenna terminal strip. The hot lead is then connected to the antenna screw through a resistor of about 470 n which will act as a dummy antenna. Set the ANTENNA TRIMMER to about 50% meshed. Set the generator to 30 me and adjust the band “D” oscillator trimmer for maximum meter deflection. The oscillator trimmer for this band is located at the base of the rear section of the tuning condenser. The adjustment will be critical and the meter indication may change when the tool is removed from the screw head . Maximum reading should be present after the tool is removed. There will always be a residual reading due to the presence of a constant AVC voltage. Adjust the band “D” antenna trimmer until maximum meter indication occurs exactly at 30 me on the dial plate. This trimmer is located at the base of the front section of the tuning condenser. Check the image frequency by setting the generator to30.910 me, which is twice the IF frequency above 30 me. If the image appears at 910 kc below 30 me rather than above, then it will be necessary to unscrew the band “D” oscillator trimmer until these two maximum points are properly positioned. They should occur at 30 me and again at 30.910 me. Turn the bandswitch to band “C” and tune the receiver to 4 me. Set the signal generator to 4 me and adjust the band “C” oscillator coil slug for maximum indication on the meter. Now adjust the band “C” antenna coil clug for maximum indication on the meter. Turn the generator to 10 me and tune the receiver to the same frequency. Adjust the band “C” oscillator trimmer capacitor for maximum indication on the meter. Return the receiver and generator to 4 me and touch up the band “C” oscillator coil slug again for maximum indication. Turn the bandswitch to bane! “B” and tune the receiver to 1.5 me. Tune the generator to the same frequency. Adjust the band “B” oscillator coil slug for maximum indication on the meter. Also adjust the band “B” antenna coil slug for maximum indication. Tune both the receiver and generator to 4 me. Adjust the band “B” oscillator trimmer for maximum indication. Repeat the adjustment of the oscillator coil slug again at 1. 5 me. Turn the bandswitch to band “A” and tune the receiver and generator to .55 me (550 kilocycles). Adjust the band “A” oscillator coil slug for maximum indication on the meter. Now adjust the band “A” antenna coil slug for maximum indication. Tune both the receiver and generator to 1.5 me (1500 kilocycles) and adjust the band “A” oscillator trimmer for maximum indication. Repeat the.oscillator coil slug adjustment at 550 kilocycles. When tuning the receiver, the image will always fall below the signal frequency. This completes the alignment of your Heathkit model AR-3 Receiver.
BFO ADJUSTMENT
Turn the PHONE-STANDBY-CW switch to the CW position. Reduce RF gain and advance volume. Tune in a steady carrier signal on any band and adjust the BFO coil slug. A point will be found where a high-pitched whistle is heard, gradually descending in pitch until a point of no signal is reached (called “zero-beat”) after which the signal will again appear and increase in pitch until it disappears. On either side of the zero-beat point just described, will be found a point where the pitch of the signal is most pleasing to the ear. This is the point to which the BFO coil slug should be adjusted. When using the receiver for CW reception, always tune for the same pitch signal, since this centers the incoming signal in the IF passband. The signal generator, supplying an unmodulated signal may be used in adjusting the BFO and in many cases, it will be simpler to do so, since the effect of fading will be eliminated.
IN CASE OF DIFFICULTY
- Recheck the wiring. Trace each lead in colored pencil on the pictorial as it is followed in the receiver. Most cases of difficulty result from wrong connections. (Often having a friend check the wiring will reveal a mistake consistently overlooked.)
- Compare the socket voltages with those shown in the table. The readings should be within 20% of those tabulated if a VTVM is used. Other types of meters may give lower readings. If a voltage reading fails to compare with the value shown, check further into the circuit involved by checking the various components (resistors, condensers, tubes, etc.).
Set controls as follows:
Tuning condenser fully meshed. Bandswitch in position “A”.
RF gain control clockwise with AVC on. No connection to antenna terminal.
Band spread condenser fully meshed. Selector switch in phone position. Volume control at minimum with switch on.SOCKET
TUBE TYPEPin 1 Pin 2 Pin 3 Pin 4 Pin 5 Pin 6 Pin 7 Pin 8 H
12BE6-5.5 0 0 Fil. +215 +88 NS . E
12BA6NS 0 0 Fil. +215 +88 +2.6 C 12AV6 NS 0 Fil. 0 NS NS +88 A
12V60 0 +250 +205 NS TP Fil. +10.6 G
5Y3GT0 +260 TP 245AC 0 245AC 0 +260 NS – not significant.
TP – tie point.
Fil. – voltage between terminals so marked and ground is approximately 12 volts AC.
All voltages are DC measured to chassis unless otherwise stated. All readings taken with a Heathkit model V-7 VTVM. - If socket voltages are within 20% of the values indicated and trouble still persists, remove all tubes and have them checked by a competent radio serviceman.
- Carefully recheck the color codes on resistors, condensers and transformer leads. If there is a question concerning the color of a transformer lead, scraping the insulation lightly with a knife may help to identify the color quickly.
Most difficulties fall in a general pattern and the following outline will be helpful in isolating the causes:
COMPLETELY DEAD RECEIVER: The cause will usually be found in the power supply section. The voltage between the line cord terminations, Ml and M3 should check 110 to 120 volts AC. If the ON-OFF switch is operating properly, this same voltage will be present between Ml and G3 with the switch on. Incorrect voltages at socket G may be caused by a faulty 5Y3 tube or by wrong connections at that socket. It can also be caused by excessive current drain in another portion of the circuit. The DC voltage at G8 should also be present at lug of the filter condenser. Lug on the filter condenser should be lower in voltage than . The plate and screen voltages at sockets A, H, C and E should then compare with the chart. If not, check the IF transformer wiring and all resistors connected either directly or indirectly to plate and screen grid terminals. If any of these voltage points read zero, then an open circuit is present between it and the B+ supply circuit.
NOISE AND HUM, BUT NO SIGNAL: Signal loss can be caused by incorrect wiring or faulty tubes. The stage causing the trouble can be isolated by touching a screwdriver with an insulated handle to each control grid terminal in the signal circuit beginning with socket A, the C, E and H in that order. Place the screwdriver on terminal A5 and then touch your finger to the metal portion of the screwdriver, being careful not to touch any other part of the receiver or chassis with either hand. A low pitched hum should be audible. Then proceed to C5 and the hum should be much louder. At terminals El and H7, the hum and noise level should both increase greatly. The absence of hum at A5 will indicate a faulty 12V6 tube in most cases. It is assumed that the wiring is correct. No hum increase at C5 indicates a bad 12AV6 tube, a faulty .01 µfd coupling condenser, incorrect wiring at that socket or a short between C5 and ground. No increase of signal at El can be caused by a faulty 12BA6 tube or the output IF transformer. A short between El and ground can also be the cause. The input IF transformer, the 12BE6 tube and the wiring at socket H will be suspected if the noise and hum level do not increase when touching H7.
If no great increase in the noise level is noticed when touching the antenna terminal, check continuity through the antenna and oscillator coil for that band. The two coils under the chassis should also be checked in addition to the wiring of the bandswitch and coil turret. Look for a short between the plates of the tuning and band spread condensers.
DISTORTION: A careful voltage check will usually reveal the cause of distortion. High values of resistance at E7 may be the trouble and therefore these particular resistors should be checked. By isolating and correcting the cause of any serious voltage difference, distortion will usually be eliminated. If several volts are measured between A5 and Al, the output stage is probably oscillating. Redress the leads at socket A and also the output transformer leads. Check the position of the NOISE LIMITER switch. The noise limiter will usually cause a certain amount of distortion on a phone signal, particularly music or singing. The noise limiter should remain off until needed.
SQUEALING AND HOWLING: Check the connections to both Spira shields and the conductors inside the shields. Also check the lead dress and wiring along terminal strip CC and to the volume control. Using the receiver in close proximity to an operating TV receiver will also cause this type of disturbance since every TV receiver is an effective “transmitter” of interference.
HUM: An open section of the filter condenser B will cause a high hum level at 120 cycles. A 60 cycle hum can be caused by leakage between elements in one of the tubes. In this case, the best testing method is to replace the tube temporarily for comparison purposes. Hum can also be caused by operating the receiver in a strong electrostatic field. Additional shielding will be helpful in that respect.
The correct placement of parts, correct wiring and proper identification of components cannot be over-emphasized since an error can cause many types of trouble. The model AR-3 is practically trouble-free and if a mistake is made, the result will no doubt fall into one of the categories listed above.
OPERATION
PHONE OPERATION: Turn the SELECTOR switch to PHONE position, advance the RF gain control fully clockwise until a click is heard. This activates the AVC circuits, eliminating much fading and blasting when tuning across phone signals of varying strength. Advance the volume control for sufficient volume and rotate the main tuning control to the approximate frequency of the phone station desired, making sure the bandswitch is in the proper position. Tune with the bandspread capacitor until the desired station is centered in the receiver passband. This is easily recognized as the point of no, or least, distortion. Peak the signal using the antenna trimmer and adjust the volume control the the level desired.
CW OPERATION: Turn the SELECTOR switch to CW, advance the volume control fully clockwise and reduce the RF gain, removing A VC and allowing manual control of the sensitivity and therefore, the gain of the receiver. Set the bandswitch to the proper band and tune the main tuning to the approximate frequency desired. Tune in the signal with the bandspread capacitor and peak it with the antenna trimmer. Adjust the volume level using the RF gain control.
STANDBY: Turning the SELECTOR switch to standby removes operating voltage from the receiver plates and screens but maintains the heaters at the proper operating temperature to prevent drift and to enable instant operation when the switch is returned to either CW or phone position. This switch does not turn the receiver off and should not be used as such. It is primarily used when the receiver is operated in conjunction with an amateur transmitter, while the transmitter is on the air.
BROADCAST BAND: It will be noted that the antenna trimmer capacitor has little effect on the reception of stations on band “A”. This is normal. Also, all tuning on this band should be done with the main tuning control, as the bandspread control has limited tuning range, it is seldom, if ever used on this band.
NOTE: The bandspread tuning control should be set to its closed (fully meshed) position (0 on the bandspread dial) when tuning with the main tuning control, in order that the frequency to which the receiver is tuned will coincide with the calibration markings on the main tuning dial.
NOISE LIMITER: Interference to reception on the higher frequency bands can be caused by such sources as automobile ignition, electric signs, signalling devices, etc. This type of interference will be recognized by sharp clicking or buzzing sounds. The NOISE LIMITER circuit will be found highly useful in eliminating or materially reducing this type of interference. To place it in operation, simply place the slide switch on the rear of the chassis in the ON position. Slight distortion of the audio signal may be noted while using the noise limiter. This is normal and for this reason it is desirable to leave the noise limiter turned off except during periods of such interference. The noise limiter will be found to be more effective on AM signals than CW. This should be kept in mind when difficulty is experienced during CW reception.
REPLACEMENTS
Material supplied with Heathkits has been carefully selected to meet design requirements and ordinarily will fulfill its function without difficulty. Occasionally improper instrument operation can be traced to a faulty tube or component. Should inspection reveal the necessity for replacement, write to the Heath Company and supply all of the following information:
- A. Thoroughly identify the part in question by using the part number and description found in the manual parts list.
- B. Identify the type and model number of kit in which it is used.
- C. Mention the order number and date of purchase.
- D. Describe the nature of defect or reason for requesting replacement.
The Heath Company will promptly supply the necessary replacement. Please do not return the original component until specifically requested to do so. Do not dismantle the component in question as this will void the guarantee. If tubes are to be returned, pack them carefully to prevent breakage in shipment as broken tubes are not eligible for replacement. This replacement policy does not cover the free replacement of parts that may have been broken or damaged through carelessness on the part of the kH builder.
SERVICE
In event continued operational difficulties of the completed instrument are experienced, the facilities of the Heath Company Service Department are at your disposal. Your instrument may be returned for inspection and repair for a service charge of $7. 00 plus the price of any additional material that may be required. THIS SERVICE POLICY APPLIES ONLY TO COMPLETED INSTRUMENTS CONSTRUCTED IN ACCORDANCE WITH THE INSTRUCTIONS AS STATED IN THE MANUAL. Instruments that are not entirely completed or instruments that are modified in design will not be accepted for repair. Instruments showing evidence of acid core solder or paste fluxes will be returned not repaired.
The Heath Company is willing to offer its full cooperation to assist you in obtaining the specified performance level in your instrument. Factory repair service is available to you or you may contact the Technical Consultation Department by mail. For information regarding possible modification of existing kits, it is suggested that you refer to any one or more of the many publications that are available on all phases of electronics. They can be obtained at or through your local library, as well as at any electronic outlet store. Although the Heath Company sincerely welcomes all comments and suggestions, it would be impossible to design, test, evaluate and assume responsibility for proposed circuit changes for specific purposes. Therefore, such modifications must be made at the discretion of the kit builder according to information which will be much more readily available from some local source.
SHIPPING INSTRUCTIONS
Before returning a unit for service, be sure that all parts are securely mounted.
ATTACH A TAG TO THE INSTRUMENT GIVING NAME, ADDRESS AND TROUBLE EXPERIENCED.
Pack in a rugged container, preferably wood, using at least three inches of shredded newspaper or excelsior on all sides. DO NOT SHIP IN THE ORIGINAL KIT CARTON AS THIS CARTON IS NOT CONSIDERED ADEQUATE FOR SAFE SHIPMENT OF THE COMPLETED INSTRUMENT. Ship by prepaid express if possible. Return shipment will be made by express collect. Note th.at a carrier cannot be held liable for damage in transit if packing, in HIS OPINION, is insufficient.
All prices are subject to change without notice. The Heath Company reserves the right to discontinue instruments and to change specifications at any time without incurring any obligation to incorporate new features in instruments previously sold.
WARRANTY
Heath Company warrants that for a period of three months from the date of shipment, all Heathkit parts shall be free of defects in materials and workmanship under normal use and service and that in fulfillment of any breach of such warranty, Heath Company shall replace such defective parts upon the return of the same to its factory. The foregoing warranty shall apply only to the original buyer, and is and shall be in lieu of all other warranties, whether express or implied and of all other obligations or liabilities on the part of Heath Company and in no event shall Heath Company be liable for any anticipated profits, consequential damages, loss of time or other losses incurred by the buyer in connection with the purchase, assembly or operation of Heathkits or components thereof. No replacement shall be made of parts damaged by the buyer in the course of handling or assembling Heathkit equipment.
NOTE: The foregoing warranty is completely void and we will not replace, repair or service instruments or parts thereof in which acid core solder or paste fluxes have been used.
MOUNTING YOUR AR-3 RECEIVER IN CABINET 91-15A
Remove all knobs from the receiver. Note that there are four small and one large hole through the bottom of the cabinet. If these holes are not punched through the fabric cover of the cabinet, do so now using a pocket knife with a small blade, removing the excess fabric covering all holes. Be sure the bandspread capacitor is 50% meshed. Insert the receiver into the cabinet from the rear, allowing the shafts to protrude through the matching holes in the panel. Insert the four 6-32 x 3/8″ screws through the bottom of the cabinet, engaging them in the mounting feet on the receiver chassis. Install the plastic pointer (Part #100-M31) over the bandspread shaft with the brass bushing through the panel. Position. the hairline on the plastic pointer at 50 on the bandspread dial. Tighten the set screw in the bushing by inserting the screwdriver through the large hole in the bottom of the cabinet. Install all knobs on the receiver. This completes the installation of the receiver in the cabinet.



using 6-32 x 3/16 screws, lock washers and nuts.

















