TD-88 Transponder Reader Units
Instruction Manual
TD-88 Transponder Reader Units
Components for the Transponder Technology (RFID)
Interface-s88 TD-88
TD-88-G Part-No.: 060023
>> finished module in a case <<
The Interface TD-88 is suitable for the s88-feedback bus. It is able to manage up to 31 Transponder Reader Units COL-10 and feeds the transponder data into the s88-Feedback Bus.
The transponder data will be transmitted via the High Speed Interfaces HSI-88 respectively via the HSI-88USB to the PC.
This product is not a toy! Not suitable for children under 14 years of age!
The kit contains small parts, which should be kept away from children under 3!
Improper use will imply danger of injuring due to sharp edges and tips! Please store this instruction carefully.

Introduction / Safety instruction:
You have purchased the s88-Interface TD-88 supplied withinthe assortment of Littfinski DatenTechnik (LDT).
We are wishing you having a good time using this product!
The finished module comes with 24 month warranty.
- Please read the following instructions carefully. Warranty will expire due to damages caused by disregarding the operating instructions. LDT will not be liable for any consequential damages caused by improper use or installation.
- Also, note that electronic semiconductors are very sensitive to electrostatic discharges and can be destroyed by them.
Therefore, discharge yourself before touching the modules on a grounded metal surface (e.g. heater, water pipe or protective earth connection) or work on a grounded electrostatic protection mat or with a wrist strap for electrostatic protection. - We designed our devices for indoor use only.
General functional description:
It is the task of the Interface TD-88 to feed the transponder data of the Transponder-Readers COL-10 into the s88feedback bus. The transponder data will be transmitted on this way via the High Speed Interface HSI-88 (for the COMinterface) or the HSI-88-USB (for the USB-interface) to the PC. Up to 31 Transponder Readers COL-10 can be connected to one TD-88. The TD-88 occupies at the s88-feedback bus one feedback registration such as an s88 or a RM-88-N / RM-88-N-O, RMDEC-88 / RM-DEC-88-Opto. The TD-88 can be assembled at any convenient place at the feedback bus line as a normal feedback module. It can be combined with all available s88feedback modules. TrainDetect-88 tied-up into the s88-feedback bus:
- Attention: Before starting the installation take care that all components will be voltage free.
Connect the 6-poles s88 bus plug of the TD-88 that way to one of the three pin bars of the HSI-88 or HSI-88-USB or to an available Feedback Module RM-88-N / RM-88-N-O, RM-DEC88 / RM-DEC-88-O or RM-GB-8-N that the white single wire of the s88-bus cable will correspond with the white marking at pin bar ST1 on the PC-board. Following feedback modules will be connected to the pin bar ST2 of the TD-88 on the same way.
Connecting the TD-88 to the Transponder Readers COL-10:
The Transponder-Readers COL-10 shall be connected to each other and to the interface TD-88 (clamp KL1) with a twisted 2-wire cable (e.g. simple bell wire).
Pay careful attention to the correct connection of the ports “A” and “B” between the components.
The enclosed 1.5 kOhm terminal resistor has to be connected to the last Reader COL-10 of the reader bus-line. Please attend to the sample connections at the rear side of this instruction.
Transponder Technology for the train identification on model railway layouts
With the train identification via transponder is it possible to identify every train automatically. For this issue is it required to assemble every train on the layout with a transponder. At suitable identification stations (e.g. where new trains will be inserted) will be a Reader COL-10 assembled. The Transponder-Reader COL-10 transmits the unique laser programmed serial number red from the train transponder via the Interface TD-88 or INTER-10 to the PC-model railway software. At the software are the transponder data stored as train-name or train-number and will be indicated at the PC screen at the track layout display. After the model railway software train identification system identified the train the software will realize the further tracing of the train and the control via the standard feedback modules such as RM-88- N, RM-88-N-O, RM-DEC-88, RM-DEC-88-O or RM-GB-8-N for the s88 feedback bus or RS-16-O or RS-8 for the RS-feedback bus.
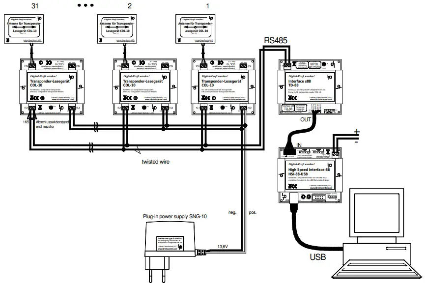
Picture 1: If the transponder information will be transmitted into the s88-bus via the Interface TD-88 is it possible to transmit the data via the High Speed Interface HSI-88-USB and via the USB Interface to the PC. Each Interface TD-88 is able to manage the transponder data of max. 31 Transponder-Reader COL-10. It is possible to connect up to 31 Interfaces TD-88 onto each HSI-88USB.
Picture 2: TD-88 with a Transponder-Reader COL-10 for train identification within the s88-feedback line at the second position with a High Speed Interface HSI-88 for the serial COM-interface.
Picture 3: TD-88 with a Transponder-Reader COL-10 for train identification within the s88-feedback line at the second position with a High Speed Interface HSI-88-USB for the USB-interface.

Made in Europe by
Littfinski Daten Technik (LDT)
Bühler electronic GmbH
Ulmenstraße 43
15370 Fredersdorf /Germany
Phone: +49 (0) 33439 / 867-0
Internet: www.ldt-infocenter.com
Subject to technical changes and errors.
©09/2022 by LDT

















