DOMUS LINE PIR WI-XD Remote Radio Emitter for Lighting Control Instruction Manual
TECHNICAL DATA
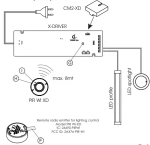
- Maximum operating distance 8 metres.
- Battery mod. CR2450 (3V) lithium (Fig.1).
INSTALLATION
- Drill a Ø 40 mm hole at least 14 mm deep.
- Insert the support (A) in the hole (Fig.1).
- Fit the PIR WI-XD (B) into the support (A) rotating clockwise until the notches (fig. 1) match, using the special key (C) supplied

Fig.1
INSTALLATION SUPPORT SP
- Fix the support for Call-me (E) using the supplied screw (D).
- Insert the transmitter (B) into the holder (E).

(fig. 2)
- Fix the support for Call-me (E) using the supplied screw (D).
- Insert the transmitter (B) into the holder (E).
CAUTION: the detection field must not be hindered by shelving too close to the sensor
The sensor must not be installed near electromagnetic or heat sources or be exposed to direct sunlight.
Max. 7 PIR WI-XD sensors can be applied to a single X-Driver
COUPLING WITH STATIC LIGHT X-DRIVER WITH MODULE CM2-XD

Fig.3
- Remove the insulating tab (F) from the transmitter.
- Press the X-Driver button until the blue signaling LED (G) comes on and then press the PIR WIRELESS (H) button until the signaling LED (I) remains on steady, then briefly press the button (H) again until the signaling LED (I) flashes.
- A remote control (example RC1) for light dimming can be coupled.
COUPLING WITH DYNAMIC TW LIGHT X-DRIVER WITH MODULE CM2- XDTW

(Fig.4)
- Remove the insulating tab (F) from the transmitter.
- Press the X-Driver button until the blue signaling LED (G) comes on and then press the PIR WI-XD (H) button until the signaling LED (I) remains on steady, then briefly press the button (H) again twice until the signaling LED (I) flashes twice.
- A dynamic control remote control (example TW remote controller) to control the light colour temperature can be coupled
REPLACING THE BATTERY

(Fig.5)
- Remove the support cap, levering with a screwdriver
- Replace the battery with a model with the same characteristics, respecting the correct polarity
- Replace the cap, matching up the notches printed on the casings.
OPERATION
The sensor detects changes in temperature combined with the movement of persons, animals and objects with a temperature of approximately 36°C within the radius of action, as shown in figure 6. The system remains in operation for the required time, after which, if no other movements are detected, it switches off automatically. The switch off delay time can be selected by pressing the button (H) once until the signaling LED (I) flashes once for a 16 second delay (default selection), flashes twice for a 3 minute delay, or flashes 3 times for a 16 minute delay.



(Fig.6):
BATTERY-POWERED DEVICES
These precautions are valid for all products equipped with disposable or rechargeable batteries. Improper battery use may cause the batteries to lose liquid, overheat or explode. The battery liquid is corrosive, may be toxic, cause burns to the eyes and skin, and is harmful if swallowed.
To reduce the risk of injury:
- Keep batteries out of reach of children.
- Do not heat, open or tamper with the batteries or dispose of them by throwing them in the fire.
- Avoid contact between metal items and the terminals of the batteries in the device, as this could cause them to overheat and cause burns.
- Remove the batteries when flat and before storing the device for long periods. Always remove the old batteries when flat or with a low charge, and recycle them or dispose of them in conformity with the laws in force.
- In the event of liquid leakage, remove the battery carefully, preventing the liquid from coming into contact with the skin or clothing. If any liquid leaking form the batteries comes into contact with the skin or clothing, rinse the exposed parts immediately with water.
- Use only batteries of the appropriate type and size.
Suffocation hazard:
This devices contains small components which could constitute a suffocation hazard for children. Keep these components out of reach of children
WARRANTY
The warranty’s general terms and conditions for this device are available at www.domusline.com
This device complies with part 15 of the FCC Rules. Operation is subject to the following two conditions: (1) This device may not cause harmful interference, and (2) this device must accept any interference received, including interference that may cause undesired operation. This equipment complies with FCC radiation exposure limits set forth for an uncontrolled environment. This equipment should be installed and operated with minimum distance 20cm between the radiator & your body.
FCC warning
Any Changes or modifications not expressly approved by the party responsible for compliance could void the user’s authority to operate the equipment.
Note: This equipment has been tested and found to comply with the limits for a Class B digital device, pursuant to part 15 of the FCC Rules. These limits are designed to provide reasonable protection against harmful interference in a residential installation. This equipment generates uses and can radiate radio frequency energy and, if not installed and used in accordance with the instructions, may cause harmful interference to radio communications. However, there is no guarantee that interference will not occur in a particular installation. If this equipment does cause harmful interference to radio or television reception, which can be determined by turning the equipment off and on, the user is encouraged to try to correct the interference by one or more of the following measures:
- Reorient or relocate the receiving antenna.
- Increase the separation between the equipment and receiver.
- Connect the equipment into an outlet on a circuit different from that to which the receiver is connected.
- Consult the dealer or an experienced radio/TV technician for help.
IC warning
This device complies with Industry Canada licence-exempt RSS standard(s). Operation is subject to the following two conditions: (1) This device may not cause interference, and (2) This device must accept any interference, including interference that may cause undesired operation of the device.
Protection class III device.
The product must be disposed of separately from urban waste, delivering it to the collection centres established by the prevailing standard. Adequate sorted waste collection contributes to preventing negative effects on the environment and health and favours reuse and/or recycling materials. Incorrect disposal of the product implies the application of the administrative sanctions envisaged by the prevailing regulation
Device only for indoor installation.
Customer Support
DOMUS LINE Srl
Via Maestri del Lavoro, 1
33080 PORCIA _ PN _ Italy
phone: 0039 0434 595911
fax: 0039 0434 923345
e-mail: [email protected]
website: http://www.domusline.com/



















