LUXMAN L-507Z Z Series Integrated Amplifier

L-507Z features
- Newly developed original LUXMAN amplification feedback circuit ※LIFES, at the heart of our latest Z generation amplifier series
- New LECUA1000 attenuator Preamplifier outputs are equipped with discrete buffer circuitry
- Powerfully rich & energetic class AB amplification
- New exteriors that makes the system more attractive as a center unit
New generation feedback circuit LIFES
LIFES (Luxman Integrated Feedback Engine System)
- Since it was first installed in our CM-2100 car audio amplifier in 1999, ODNF has been refined as feedback system that forms the core of LUXMAN’s amplifier technology for more than 20 years. Constantly improved and evolved, over a dozen revisions across 5 generations. (Only Distortion Negative Feedback: The final evolution is ODNF-u)
- With our 100th anniversary in mind, the newly developed, highquality LIFES amplification circuitry is installed in the first of our Z series amplifiers, the L-507Z, and in our much anticipated flagship stereo power amplifier, the M-10X.
- LIFES, as a concept, realizes a fresh, natural tone by only feeding back the distorted component of the audio signal. The main circuitry and distortion detection system are integrated in a simple and compact unit, developed by reimagining all of the circuitry and materials from scratch, with repeated trials and carefully selection of high-quality components.

- High-performance FET adopted for voltage amplification stage
- Newly adopted high-performance FET that enables stable and continuous energy supply and redesigned circuit configuration, combining FETs and other transistors

- Compared to our ODNF circuit, distortion is less than half, S/N ratio improved by 3dB

New LECUA1000
LECUA(Luxman Electric Controlled Ultimate Attenuator)
- Our original volume control system was first installed in the C-70f control amplifier in 2003 and has undergone continued development.
- Volume control movements are detected and passed through to a microcomputer which controls the amount of volume change. The LECUA board, resistors with differing resistance values are selected via relays. Resistance values selected by the volume control position leads to attenuation, with two resistors in series per channel (1dB/11dB steps).
- Minimize left and right level deviation throughout the volume control range with no deterioration sound quality.
- Our new LECUA1000, introduced in the L-590AX, released in 2010, has developed since the birth of LECUA ( LECUA ⇒ LECUAWM⇒LECUA1000⇒LECUA1000-WM⇒New LECUA1000) Evolved into an integrated amplifier circuit. The 3D layout of the board enables direct connection between the attenuator and the amplifier circuitry.
- Balance adjustment (0 to -6dB, ∞ ) using the shift function
- 88 contact points from 0 to 87dB

Discrete buffer circuit
- The output section of the preamplifier is equipped with discrete buffer circuitry as seen in our C-900u control amplifier
- Power amplifier driving force has been improved while maintaining the purity of the music signal
- Initial rise of the sound is sharp with an overwhelming sense of scale

Features
- The phono equalizer first stage input FETs are now paralleled to achieve even higher quality analog playback

- In addition to the standard Φ6.3mm headphone terminal, a new left and right independent Φ4.4mm terminal has been added, with ground wiring that greatly improves L-R separation over the headphone outputs

- 7-segment LEDs clearly display the volume level, located in between the analog meters illuminated with white LED back light

- External control input/output terminals that ensure future expandability (remote operation signals other than infrared such as Wi-Fi and Bluetooth are possible) and 3.5mm mono trigger input/output terminals that can link power supplies between compatible products (daisy-chaining is also possible)

- Equipped with RCA input terminals made from a copper alloy which delivers conductivity of copper and hardness of brass (LINE-1)

- Highly stable power supply that combines a top quality power transformer and large capacity filter capacitors (8 x 10,000㎌)

- Custom made, large density gradient, cast iron feet that protect delicate music signals from vibration

Exterior

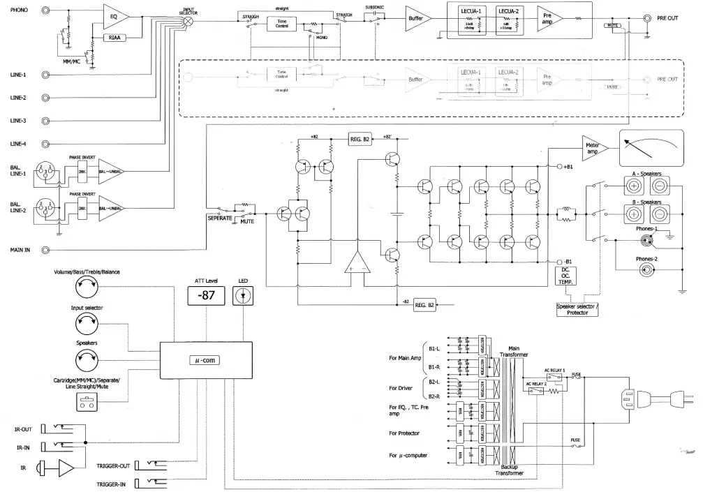
Block Diagram

Specifications
- Rated output: 110W+110W (8Ω)、210W+210W (4Ω)
- Input:, separate in/output LINE x 4, Phono x 1 (MM/MC), Balanced x 2, Separate in/output x 1
- Speaker output: A, B 2 line (A&B outputs are operable at the same time)
- Amplification circuit,
- Output configuration: LIFES1.0, Bi-polar triple-parallel push-pull
- Total harmonic distortion: 0.007% or lower (1kHz/8Ω), 0.03% or lower (20Hz~20kHz/8Ω)
- SN ratio: LINE:105dB or more
- Frequency response: 20Hz~100kHz(+0、-3.0dB)
- Dimensions: 440(W)×178(H)×454(D)mm including 20mm front knobs and 27mm rear terminals
- Power consumption: 300W, 86W (No signal), 0.4W (Standby)
- Weight: 25.4kg(Main unit)
- Accessories: Remote control (RA-17A), Power cable






























