AXITEC AXIbox 11kW Wallbox WLAN

Product Information: AXIbox 11K
Target Group of this Document
This document is intended for individuals or companies who will be installing and operating the AXIbox 11K product.
General Regulations and Safety Measures
It is important to follow all safety measures and regulations when installing and operating this product. Failure to do so could result in injury or damage to the product.
Description of the Product
Function and Intended Use
The AXIbox 11K is a charging station for electric vehicles.
Scope of Delivery
The AXIbox 11K comes with the charging station and installation manual.
Technical Data
The technical data for the AXIbox 11K includes:
- Input voltage: 230V AC
- Output voltage: 400V DC
- Max current: 16A
Operation
Plug & Play Mode
The plug & play mode allows for easy starting and ending of the charging process.
Starting the Charging Process
To start the charging process, simply plug in the electric vehicle to the charging station.
Ending the Charging Process
To end the charging process, unplug the electric vehicle from the charging station.
Changing the Operation Mode
The operation mode can be changed as needed.
Behaviour in the Event of an Error
If an error occurs, refer to the troubleshooting section of the manual.
Requirements
Electrical Requirements
The AXIbox 11K requires a supply cable and protection devices.
Supply Cable
The supply cable must meet the electrical requirements for the product.
Protection Devices
The protection devices must be installed to ensure the safety of the product.
Requirements for the Installation Site
The installation site must meet certain requirements to ensure the safety and functionality of the product.
Installation
Wall Mounting the Housing
The housing must be securely mounted to the wall.
Setting the Operating Mode
The operating mode can be set as needed.
Troubleshooting
Error Detection via LED-Indicator
If an error occurs, the LED-indicator will indicate the issue.
Possible Solutions
The manual includes possible solutions for common errors.
Product Usage Instructions: AXIbox 11K
- Ensure that all safety measures and regulations are followed when installing and operating the AXIbox 11K.
- Refer to the product information section of the manual for technical data and product description.
- Plug in the electric vehicle to the charging station to start the charging process.
- Unplug the electric vehicle from the charging station to end the charging process.
- If an error occurs, refer to the troubleshooting section of the manual.
- Ensure that all electrical requirements are met, including the supply cable and protection devices.
- Ensure that the installation site meets the requirements outlined in the manual.
- Securely mount the housing to the wall during installation.
- The operating mode can be changed as needed.
Target group of this document
This document refers to the assembly, installation and operation of the AXIbox 11K charging station and is intended for the installer and the users. Chapters 5-7 are intended exclusively for the charging station installer with the appropriate qualification.
General regulations and safety measures
Warning
The input and output voltages of this unit are dangerous high voltages that can endanger human life. Please be sure to observe all warnings and operating instructions on the unit and in the manual. Unauthorised and unprofessional service personnel should not remove the cover of this unit.
Installation must be carried out by a qualified electrician who is familiar with the contents of the installation instructions and knows about and can apply the applicable standards and laws. National and regional regulations must be observed for assembly and installation.
Read these installation instructions before installation.
Read these operating instructions before operating the AXIbox 11K and ensure that this charging station is only operated by persons who have read these instructions. Keep these instructions in a safe place.
Non-observance of these instructions as well as non-intended use of the charging station can lead to injuries or even death as well as damage to property.
Persons with pacemakers should not carry out any installation or maintenance work on the AXIbox.
Do not operate the charging system near explosive or flammable materials, chemicals, vapours and other hazardous objects.
Do not clean the vehicle with a pressure washer while the charging cable is connected.
Do not disconnect the charging station from the vehicle during charging.
Check the charging system for damage to the housing, cable or plug before use. A damaged wallbox must not be put into operation.
Do not immerse the wallbox and the charging plug in water and protect the connections from moisture. Keep the charging socket dry and clean.
When operating the charging coupler, always grasp the handle of the plug. Do not touch the contacts of the plug or hold it by the cable.
As a user, do not open the housing of the wallbox.
No modifications or conversions may be carried out on the charging station.
No adapters or cable extensions may be used.
The charging cable must not be kinked, pinched, run over or otherwise damaged.
Keep children away from the charging station.
The car must not be driven during charging.
Product Description
Function and intended use
The AXIbox 11K is used for charging electric cars. There is a choice of two modes, which can be set during installation: In Plug & Play mode, no authentication by the user is necessary. Charging can be started without unlocking after inserting the charging plug into the car’s charging socket. If, on the other hand, the charging mode with access restriction is selected, the charging process does not start automatically when the plug is inserted, but must first be authorised by an RFID card at the wallbox or with the App. This prevents unauthorised use.
Scope of delivery
The AXIbox 11K is delivered with the following parts:
- 1 x AXIbox 11K housing with electronics and pre-installed charging cable with type 2 plug
- 6 x Screws with associated expansion pipes for wall mounting
- 1 x Seal for sealing the screw connection
- 1 x Cable clamp for fixing the supply cable with associated screws
- 1 x Cable holder
- 5 x Wire end ferrules
- 2 x RFID cards
- 1 x Template for drilling the holes for wall mounting
- 1 x Allen key for opening and closing the housing
Technical data
| Charging power | 11 kW |
| Charging current | 16 A per phase |
| Rated voltage | 400 V AC |
| Plug | Type 2 |
| Cable length | 7 m |
| Size (HxBxT) | 325 x 181 x 87 mm |
| Weight | 3,6 kg |
| DC fault current monitoring | >6 mA DC |
| Protection classes | IP65, IK10 |
| Grid connection | 3P+N+PE 400 V AC 16 A 50/60 Hz |
Operation Instruction
Operation with Acces restriction
In this operating mode, the wallbox is locked against unauthorized use. Authentication with one of the supplied RFID cards or control via App is required for operation.
Starting the charging process with RFID-Card
- Connect the wallbox to the car to be charged via the cable. Make sure that the cable is completely unwound. The LED flashes yellow every 1 second.
- Unlock the wallbox by holding the RFID card at the point marked “CARD” on the housing of the AXIbox.
- Start the charging process on the vehicle. During the charging process, the LED flashes green every 1 second.
Ending the charging process
- Stop the charging process at the car.
- Disconnect the charging plug from the vehicle and stow it at the wallbox.
Control via App
The AXIbox can be controlled via the Chargein app. The charging process can be started and stopped, and a charging schedule can be created. The variation of the charging current is also possible via the app. The RFID cards can also be integrated into the app and additional users can be activated. Illustrated instructions for connecting to the app are enclosed with the unit (Charger Network Configuration).
Installation and Sign in
- Download the Chargein App
- Create an account
- Sign in to your account
Connect with the AXIbox 11K
- Requirements: 2,4 GHz W-LAN; Bluetooth, W-LAN and location must be activated at the smartphone
- Select your Charger under User / Charger Management / Add Charger and confirm the serial number.
- Connect to your W-LAN
- After 10 to 60s, the AXIbox should be online, in the main menu it should show “In Standby”.
- Now, the charger can be controlled with the App. ATTENTION: Please do not activate Load Balance.
Plug & Play mode
No authentication is required in this operating mode.
Starting the charging process
- Connect the wallbox to the car to be charged via the cable. Make sure that the cable is completely unwound.
- Start the charging process on the vehicle. During the charging process, the LED flashes green every 1 second.
Ending the charging process
- Stop the charging process at the car
- Disconnect the charging plug from the vehicle and stow it in the wallbox.
Changing the operation mode
The change between the operating modes Plug & Play and operation with RFID card can only be carried out by an electrician. The change that must be made to the internal electronics is described under Fehler! .
Behaviour in the event of an error
In the event of a fault, switch off the associated building-side fuse of the charging system and thus disconnect it from the power supply. Ensure that the fuse is not switched on again before rectifying the fault. Contact a qualified electrician.
Product Requirements
Electrical requirements
When making the electrical connection, the country-specific regulations, standards and application rules must be observed.
Supply cable
The power supply of the wallbox must be three-phase (3P + N + PE; 5 x 6 mm2). The required voltage is 400 V AC and a current of 16 A per phase with 50 Hz mains frequency.
Protection devices
The phases of the supply line must each be protected with miniature circuit breakers and residual current devices. The national regulations must be observed when dimensioning the miniature circuit breakers and residual current devices.
The AXIbox 11K has residual current monitoring for currents >6 mA DC. Therefore, the charging station must be fused with an RCD with at least type A. No other circuits may be connected to the residual current circuit breaker.
Requirements for the installation site
To control the AXIbox with the app, a W-Lan connection with 2.4 GHz is required at the installation site.
The AXIbox may only be mounted and operated vertically.
Mounting is permitted up to a maximum altitude of 2000 m above sea level.
The ambient temperature must not fall below -30°C and must not exceed 50°C.
The humidity must be in the range between 5% and 95%.
Do not install the charging station near explosive or flammable substances.
Installation Instruction
Electrical device should be installed, operated, serviced, and maintained only by qualified personnel. No responsibility is assumed by the manufacturer for any consequences arising out of the use of this device. A qualified person is one who has skills and knowledge related to the construction, installation and operation of electrical device and who has received safety training to recognize and avoid the hazards involved.
All applicable local, regional, and national regulations must be respected when installing, repairing, and maintaining this device.
Wall mounting the housing
To mount the AXIbox on the wall, follow the steps below:
- Align the drilling template horizontally on the wall and mark the 3 drill holes on the wall.
- Drill the 3 holes for the wall mounting of the wallbox and, if necessary, also the 3 holes for the cable holder. The top two screws can already be fastened in the wall with the expansion pipes so that the AXIbox can be hung from them later.
- Open the two screws on the underside of the AXIbox to open the housing.
- Hang the back of the housing on the two screws on the wall and fix the AXIbox in the wall with the third screw.
- Seal the hole for the screw with the seal included in the scope of delivery.

Setting the operating mode
The AXIbox has two operating modes. The changeover may only be carried out by a specialist, taking into account all necessary safety precautions.
Control via RFID
When delivered, the AXIbox is protected against unauthorized use by a lock. The charging process is started by the RFID cards supplied. If this operating mode is desired, no changes need to be made.

In order to use the RFID cards to activate the charging process, the jumper marked in the above image must be in the position shown. If the AXIbox was previously in Plug & Play mode, the jumper must be moved back to the position shown above to switch to RFID mode.
Plug & Play
In Plug & Play mode, charging can be started after inserting the charging plug into the car’s charging socket without further activation. To switch to this mode, the jumper marked in the image below must be placed in the position shown.

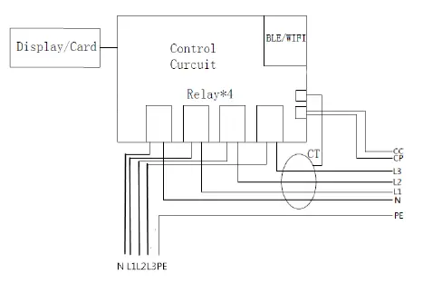
Electrical installation
The electrical supply to the wallbox is three-phase, a cable with 3 conductor phases, a neutral conductor and a PE conductor is required.
Feed the cable through the left-hand opening at the bottom of the AXIbox housing. Clamp the wires of the cable into the terminals provided. Use the wire end ferrules supplied and fix the cable inside the AXIbox with the sleeve.

Schematic representation of the wiring
Final work
Put the housing cover back on the base and close the housing again with the two screws. The AXIbox is now ready for use as soon as the power supply is switched on.
Troubleshooting Guide
Error detection via LED-indicator
| State | Description | LED State |
| Standby | Normal | Flashing green, 1S on, 4S off |
| Charging | Normal | Breathing green, 1S on, 1S off |
| Cable connected | Normal | Breathing yellow, 1S on, 1S off |
| Software upgrade | Normal | Green light flash |
| Ground warning | Normal | Flashing yellow, 2S on, 2S off |
| Relay adhesion | Fault | Red light normally on |
| Input polarity reverse | Fault | Flashing red, 500ms on, 500ms off, 1 time, 3S off, Cycle |
| CP fault | Fault | Flashing red, 500ms on, 500ms off, 2 times, 3S off, Cycle |
| Leakage current fault | Fault | Flashing red, 500ms on, 500ms off, 3 times, 3S off, Cycle |
| Input terminal overtemperature | Fault | Flashing red, 500ms on, 500ms off, 4 times, 3S off, Cycle |
| Relay overtemperature | Fault | Flashing red, 500ms on, 500ms off, 5 times, 3S off, Cycle |
| Under voltage fault | Fault | Flashing red, 500ms on, 500ms off, 6 times, 3S off, Cycle |
| Over voltage fault | Fault | Flashing red, 500ms on, 500ms off, 7 times, 3S off, Cycle |
| Overload fault | Fault | Flashing red, 500ms on, 500ms off, 8 times, 3S off, Cycle |
| Over frequency fault | Fault | Flashing red, 500ms on, 500ms off, 9 times, 3S off, Cycle |
| Other frequency fault | Fault | Flashing red, 500ms on, 500ms off, 10 times, 3S off, Cycle |
| Leakage current loop abnormal | Fault | Flashing red, 500ms on, 500ms off, 11 times, 3S off, Cycle |
Possible solutions
| Problems | Possible Causes | Solutions |
| Input over voltage | AC input voltage may be too high. | Check the input voltage from the backend. |
| If the voltage is over 276Vac for a short time, wait till the power grid recovers to normal voltage range. | ||
| Input low voltage | AC input voltage may be too low. | Check the input voltage from the backend. |
| If the voltage is under 184Vac for a short time, wait till the power grid recovers to normal voltage range. | ||
| Output overload | AC output current may be too large. | Shut off the leakage current protection switch of power distribution cabinet immediately. |
| Check whether there is low resistance connection between AC output cables of the charger. | ||
| Input over frequency | AC input frequency may be too high. | Check the input voltage frequency from the backend. |
| If the frequency exceeds 63Hz for a short time, wait till power grid recover to normal voltage range. | ||
| Input low frequency | AC input frequency may be too low. | Check the input voltage frequency from the backend. |
| If the frequency is lower than 47Hz for short time, wait till power grid recover to normal voltage range. | ||
| Over temperature | Temperature may be too low inside the charger. | Check the surrounding conditions of chargers installed whether there is heating device nearby. Make sure environmental temperature is under 60℃. |
| Over leakage current | Leakage current to the earth may be too high. | Shut off the leakage current protection switch of power distribution cabinet immediately. |
| Check whether there is broken of AC output cables or low resistance connection to the earth. | ||
| Reverse connection | Reverse connection of L/N input cable. | Shut off the leakage current protection switch of power distribution cabinet immediately. |
| Check if AC input/output cables are normal, and if inverse connection of L/N input cables. | ||
| Charging cable connection abnormal | Poor connection of charging cable with EV/Charger. | Check if charging cable connection is correct and firm. |
Disposal
The AXIbox is subject to the EU Directive 2012/19/EU on Waste Electrical and Electronic Equipment (WEEE). The AXIbox must therefore not be disposed of with household waste, but must be disposed of in accordance with national and regional regulations for electrical and electronic equipment. The unit should be rendered inoperable before disposal.




















