ENS IOT-RS232-01 Serial to Ethernet Converter 
Features
- 10/100Mbps Ethernet port, support Auto-MDI/MDIX.
- Support TCP Server, TCP Client, UDP Client, UDP Server, HTTPD Client.
- Support Baud rate from 600bps to 230.4bps; Support None, Odd, Even, Mark, Space.
- Support heartbeat packet and identity packet.
- Support web server, AT command and setup software to configure module.
- Support timeout reset function.
- Support TCP Client non-persistent function.
- Support DHCP/Static IP.
- Support software/hardware reload.
- Support virtual serial port with USR-VCOM software.
Get Started
Application Diagram 
Hardware Design
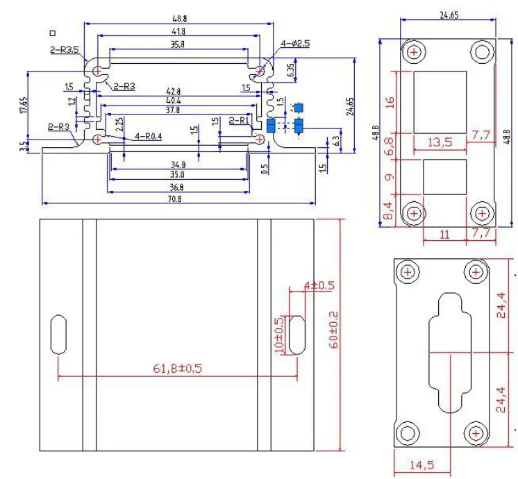
Hardware Dimensions 
DB9 Pin definition 
Product Functions
This chapter introduces the functions of IOT-RS232-01 as the following diagram shown, you can get an overall knowledge of it. 
Basic Functions
Static IP/DHCP
There are two ways for module to get IP address: Static IP and DHCP.
Static IP: Default setting of module is Static IP and default IP is 192.168.0.7. When user set module in Static IP mode, user need set IP, subnet mask and gateway and must pay attention to the relation among IP, subnet mask and gateway.
DHCP: Module in DHCP mode can dynamically get IP, Gateway, and DNS server address from Gateway Host. When user connect directly to PC, module can’t be set in DHCP mode. Because common computer does not have the ability to assign IP addresses.
User can change Static IP/DHCP by setup software. Setting diagram as follow: 
Restore default settings
Hardware: User can press Reload over 5 seconds and less than 15 seconds then release to restore default settings. Software: User can use setup software to restore default settings. AT command: User can enter AT command mode and use AT+RELD to restore default settings.
Upgrade Firmware Version
User can contact to salespersons for needed firmware version and upgrade by setup software as follow: 
Socket functions
TCP232-302 socket support TCP Server, TCP Client, UDP Server, UDP Client and HTTPD Client.
TCP Client
TCP Client provides Client connections for TCP network services. TCP Client device will connect to server to realize data transmission between the serial port and server. According to the TCP protocol, TCP Client has connection/disconnection status differences to ensure reliable data transmission.
TCP Client mode support Keep-Alive function: After connection is established, module will send Keep-Alive packets about every 15 seconds to check the connection and will disconnect then reconnect to TCP server if abnormal connection is been checked by Keep-Alive packets. TCP Client mode also support non-persistent function.
TCP232-302 work in TCP Client mode need connect to TCP Server and need set the parameters: Remote Server Addr and Remote Port Number. TCP232-302 work in TCP Client won’t accept other connection request except target server and will access server with random local port if user set local port to zero.
User can set TCP232-302 in TCP Client mode and related parameters by setup software or web server as follows: 

TCP Server
- TCP Server will listen network connections and build network connections, commonly used for communication with TCP clients on a LAN. According to the TCP protocol, TCP Server has connection/disconnection status differences to ensure reliable data transmission.
- TCP Server mode also support Keep-Alive function.
- TCP232-302 work in TCP Server mode will listen local port which user set and build connection after receiving connection request. Serial data will be sent to all TCP Client devices connected to TCP232-302 in TCP Server mode simultaneously.
- TCP232-302 work in TCP Server support 16 client connections at most and will kick off oldest connection beyond maximum connections(User can enable/disable this function by web server).
User can set TCP232-302 in TCP Server mode and related parameters by setup software or web server as follows: 
UDP Client
UDP transport protocol provides simple and unreliable communication services. No connection connected /disconnected. 
UDP Server
In UDP Server mode, TCP232-302 will change target IP every time after receiving UDP data from a new IP/Port and will send data to latest communication IP/Port.
User can set TCP232-302 in UDP Server mode and related parameters by setup software or web server as follows: 
HTTPD Client
In HTTPD Client mode, TCP232-302 can achieve data transmission between serial port device and HTTP server. User just need set TCP232-302 in HTTPD Client and set the HTTPD header, URL and some other related parameters, then can achieve data transmission between serial port device and HTTP server and don’t need care about the HTTP format of data.
User can set TCP232-302 in HTTPD Client mode and related parameters by web server as follow:
Serial port
Serial port basic parameters
| Parameters | Default | Range |
| Baud rate | 115200 | 600~230.4Kbps |
| Data bits | 8 | 5~8 |
| Stop bits | 1 | 1~2 |
| Parity | None | None, Odd, Even, Mark, Space |
VCOM Application
User can download VCOM software from http://www.usriot.com/usr-vcom-virtual-serial-software/. Through this software user can set up connection between TCP232-302 and virtual serial to solve the problem that traditional equipment PC software used in serial port communication way.
Serial Package Methods
For network speed is faster than serial. Module will put serial data in buffer before sending it to network. The data will be sent to Network as Package. There are 2 ways to end the package and send package to network – Time Trigger Mode and Length Trigger Mode.
TCP232-302 adopt fixed Package time (four bytes sending time) and fixed Package length (400 bytes).
Baud Rate Synchronization
When module works with USR devices or software, serial parameter will change dynamically according to network protocol. Customer can modify serial parameter by sending data conformed to specific protocol via network. It is temporary, when restart module, the parameters back to original parameters.
User can adopt Baud Rate Synchronization function by setup software as follows: 
Features
Identity Packet Function 
Identity packet is used for identify the device when module works as TCP client/UDP client. There are two sending methods for identity packet.
- Identity data will be sent when connection is established.
- Identity data will be add on the front of every data packet.
Identity packet can be MAC address or user editable data (User editable data at most 40 bytes). User can set TCP232-302 with Identity Packet function by web server as follow: 
Heartbeat Packet Function
Heartbeat packet: Module will output heartbeat data to serial or network periodic. User can configure the heartbeat data and time interval. Serial heartbeat data can be used for polling Modbus data. Network heartbeat data can be used for showing connection status and keep the connection (only take effect in TCP/UDP Client mode).
User can set TCP232-302 with Heartbeat Packet function by web server as follow: 
Editable Web server
TCP232-302 support user modify the web server based on template according to needs, then use related tool to upgrade. If user have this demand can contact to our salespersons for web server source and tool.
Reset function
When 302 work in TCP Client mode, 302 will connect to TCP Server. When user open Reset function, 302 will restart after trying connecting to TCP Server 30 times but still can’t connect to.
User can enable/disable the Reset function by setup software as follow: 
Index function
Index function: Used in situation when 302 work in TCP Server mode and establish more than one connection to TCP Client. After open Index function, 302 will mark every TCP Client to distinguish them. User can send/receive data to/from different TCP Client according to their unique mark.
User can enable/disable the Index function by setup software as follow: 
TCP Server setting
302 work in TCP Server mode allow at most 16 TCP Clients connection. Default is 4 TCP Clients and user can change maximum TCP Clients connection by web server. When TCP Clients more than 4, user need make every connection data less than 200 bytes/s.
If TCP Clients connected to 302 exceed maximum TCP Clients, user can enable/disable kick off old connection function by web server.
User can set above TCP Server settings by web server as follow: 
Non-persistent Connection
TCP232-302 support non-persistent connection function in TCP Client mode. When TCP232-302 adopt this function, TCP232-302 will connect to server and send data after receiving data from serial port side and will disconnect to server after sending all the data to server and no data from serial port side or network side over a fixed time. This fixed time can be 2~255s, default is 3s. User can set TCP232-302 with non-persistent connection function by web server as follow: 
Timeout Reset function
Timeout reset function(no data reset): If network side no data transmission beyond a fixed time(User can set this fixed time between 60~65535s, default is 3600s. If user set a time less than 60s, this function will be disable), 302 will reset. User can set the Timeout Reset function by web server as follow: 
Parameter Setting
There are three ways to configure USR-TCP232-302. They are setup software configuration, web server configuration and AT command configuration.
Setup software Configuration
When user want to configure the TCP232-302 by setup software, user can run setup software, search TCP232-302 in same LAN and configure the TCP232-302 as follow: 
After researching TCP232-302 and clicking TCP232-302 to configure, user need log in with user name and password. Default user name and password both are admin. If user keep the default parameters, it is not necessary to log in.
Web Server Configuration
User can connect PC to TCP232-302 through LAN port and enter web server to configure.
Web server default parameters as follow:
| Parameter | Default settings |
| Web server IP address | 192.168.0.7 |
| User name | admin |
| Password | admin |
Figure 24 Web server default parameters
After firstly connecting PC to TCP232-302, user can open browser and enter default IP 192.168.0.7 into address bar, then log in user name and password, user will enter into web server. Web server screenshot as follow: 





















