CONTROLS BASpi-Edge 12-Point Cloud Connected BACnet Controller


Installation Guide
The BASpi-Edge series are hardened controllers with enhanced features and data processing at the Edge functionality, powered by Raspberry Pi. Housed in a compact DIN rail mounted enclosure with 24 VAC/VDC power input and a resilient pSLC 8 GB micro SD card gives them performance and convenience advantages, making them suitable for a wide array of applications. BACnet client/server communication over Ethernet or Wi-Fi and Sedona function block programmable control logic and data processing at the Edge come standard. BASpi-Edge is fully web page configurable with quick and easy cloud connectivity to Azure IoT Central (SaaS) cloud solution. Additional features such as email alarms/notifications, schedules with holidays/ exceptions, weather web service, as well as graphical dashboards served over Ethernet, Wi-Fi, or directly out of the resident HDMI port make the BASpi-Edge ideal for standalone or BACnet supervised automation applications. By leveraging open IoT protocols such as MQTT, proven security mechanisms such as Transport Layer Security (TLS), and robust and easy to use software as a service cloud solutions (SaaS) such as Azure IoT Central, BASpi-Edge controllers can easily and securely connect to the cloud, effectively making any attached equipment a cloud connected asset. Cloud connectivity is optional, but it provides excellent global asset management and supervision capabilities in multi-site building applications, or multibranch store or retail chains.
Electrical
| INPUT | DC | AC |
| Voltage | 24 V | 24 V |
| Power | 7 W | 12.5 VA |
| Frequency | N/A | 47-63 Hz |
Environmental
| Operating temperature | 0°C to 55°C |
| Storage temperature | –40°C to +85°C |
| Relative humidity | 10–95%, non-condensing |
| Functional | Ethernet/Wi-Fi |
| Protocols supported | BACnet/IP, SOX, HTTP, MQTT, TLS, REST, SSH, SFTP |
| Data Rate | 10/100Mbps (Raspberry Pi 3) |
Installation
BASpi-Edge is 24 VAC/VDC powered through its 2-pin screw terminal while drawing no more than 7 W or 12.5 VA of power. The recommended conductor size is 1618 AWG or up to 2x 1.5 mm wires.

WARNING: Internally, this device utilizes a half-wave rectifier and therefore can only share the same AC power source with other half-wave rectified devices. Sharing AC power with full-wave rectified devices is NOT recommended. Devices powered from a common AC source could be damaged if a mix of half-wave and full-wave rectified devices exists. BASpi-Edge cannot be powered by a 5 VDC power source through the Raspberry Pi micro USB input. Only use 24 VAC/VDC through the 2-pin screw terminal. The USB ports cannot be used to power auxiliary devices, refer to BASpiEdge User Manual for USB port applications.

NOTE: Serial label covers the micro USB port which cannot be used to power the BASpi-Edge. Do not remove the serial label or BASpi-Edge warranty will be voided.
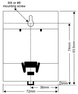
Mounting
BASpi-Edge is DIN rail or panel mounted. Only mount vertically with respect to Earth. Do not mount horizontally. To DIN rail mount, simply align and press against the DIN rail. To dismount, use a small screwdriver to pry the DIN rail mount release tab down and pull the unit off the panel. To panel mount, align the mounting hole on the back of the unit to the screw on the panel (M4 or #8 screw) and slide down.
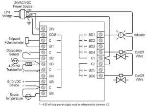
Wiring Diagram

Web Configuration
BASpi-Edge is web page configurable and accessible from any PC with recent versions of most standard web browsers installed. To configure it initially, connect it to your Windows PC using an Ethernet cable and set the PC’s IP address and subnet mask to the same subnet as the BASpi-Edge. Factory programmed:
| IP Address: 192.168.92.68 | Web server (HTTP) port: 80 (does not need to be typed in the browser address field) |
| Netmask: 255.255.255.0 | Username: admin |
| Gateway: 192.168.92.1 | Password: admin |
ATTENTION: The default login password must be changed before the BASpi-Edge can be used or its system configuration altered. The password must be at least 8 characters long and it must contain at least one letter and one number. This ensures authorized access to the BASpi-Edge only.
Reset IP address and login credentials: In the case that you cannot login to your BASpi-Edge, remove the clear top cover with label from the small side slit by using a small screwdriver in order to access the RESET momentary switch (pictured in diagram above). Press and hold the switch for 10 seconds. Do not remove power. The unit will enter Recovery Mode and will be accessible at its default IP address and login credentials in 30 sec. Your previous configuration will be shown in the System Configuration page and could be changed or reused. Click Submit to apply settings. Click Restart Controller button to get back to normal operation.
![]()
Contemporary Control Systems, Inc. reserves the right to make changes in the specifications of the product described within this manual at any time without notice and without obligation of Contemporary Control Systems, Inc. to notify any person of such revision or change.





















