ASPEN PUMPS FP3450 Silent Mini White Condensate Removal Pump

Product Information
This product is a pump designed specifically for the removal of pH neutral air conditioner condensate water. It should only be installed and connected to the correct power supply by a qualified engineer or electrician in accordance with the provided instructions and local electrical codes and regulations.
Product Usage Instructions
- This appliance should ONLY be fitted and serviced by a competent and qualified HVAC/R installer. They should follow the instructions provided and adhere to all relevant local and national electrical codes and regulations.
- This appliance is not intended for use by individuals with reduced physical, sensory, or mental capabilities, or those lacking experience and knowledge, unless they have received supervision or instruction on how to use the appliance from a person responsible for their safety.
This pump has been designed for the removal of pH neutral air conditioner condensate water only. To do so this pump must be installed and connected EN to the correct power supply by a qualified engineer/electrician in accordance with these instructions and local electrical codes and regulations.
IMPORTANT
- This appliance should ONLY be fitted and serviced by a competent & qualified HVAC/R installer in accordance with these instructions and all relevant local and national electrical codes and regulations.
- This appliance is not intended for use by persons (including children) with reduced physical, sensory or mental capabilities, or lack of experience and knowledge, unless they have been given supervision or instruction concerning use of the appliance by a person responsible for their safety.
- Children shall not play with the appliance.
- If the Supply Cord is damaged the pump must be switched off to avoid a hazard. The whole pump will need to be replaced.
- Switch off the isolator to isolate the pump from the electrical supply or disconnect from the electrical supply following the National wiring rules.
- Always disconnect the pump from the electrical supply before assembling disassembling or cleaning.
- This appliance is intended for indoor use only and must not be allowed to freeze.

Only install ‘Anti siphon device’ 
| S+ Mini White: Univolt 100-250 VAC 50/60Hz | |
| Power Supply | 0.18A / 2.1W |
| Max. water flow rate per hr @ 0m / ft | 45L / 12 US Gal |
| Max. recommended head | 10m / 33ft |
| dB(A) @ 1m | 19 dB(A)* |
| Max. unit output | 16kW / 54000Btu/h / 4.5ton
|
- Rated: Continuous
- Class ll appliance

- High level safety wires N.C. / N. O. contacts, 5A max current
- Maximum ambient atmospheric & water temperature: 40°C / 104°F
- Inlet o/d: 16mm (5/8″) – 26mm (1″)
- Outlet o/d: Ø6mm / 1/4″
- Thermally protected
- Ensure ALL cleaning chemicals are flushed out of the reservoir after use
* Assuming solid wall installation with a 2kw unit

S+ Mini White 115V / 230V, 50Hz/60Hz Litres 
S+ Mini White 115V / 230V, 50Hz/60Hz US Gallons 
All performance data subject to ± 15% tolerance

INSTALLATION WITH SPACER


Ensure pump is not mounted onto metal surface





Prior to securing the pump to the wall, self adhesive spacers are provided for installation on uneven wall surfaces or to stand the pump off the all as required. Fix the spacers onto the pump in the desired location between the pump body and the wall surface. Spacers can be stacked to stand pump off wall if required.




High level safety test

A Live connection is < 5 amp
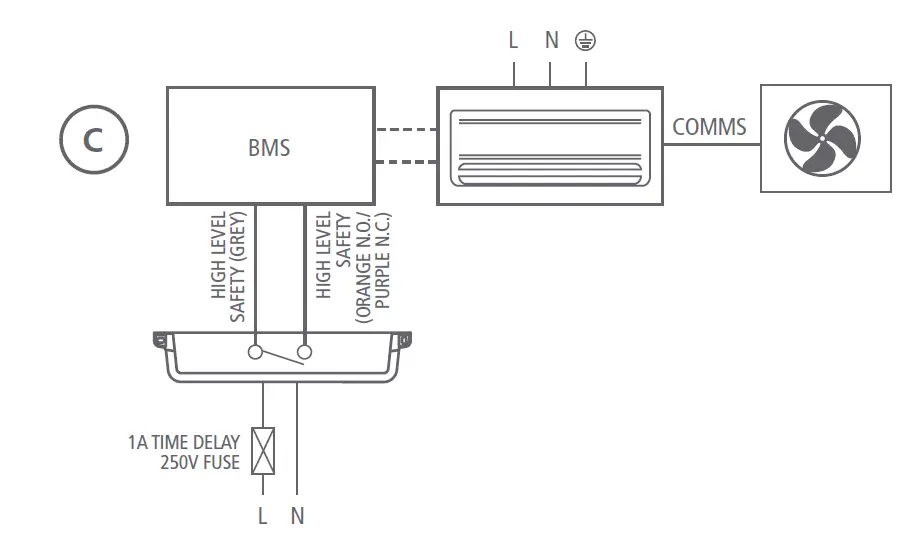
Connect high level safety switch wires to PCB for forced stop operation (we recommend contacting the AC manufacturer for correct connection points).

Connection to BMS
(Building Management System)
POWER ALARM/VOLT FREE
European (*Univolt): European (Univolt)
- (L) LIVE: Brown (N.C.) NORMALLY CLOSED: Purple (NO) NORMALLY OPEN: Orange
- (N) NEUTRAL: Blue (COM) COMMON: Grey
*Univolt range is 100-250v AC 50/60Hz
CORRECT SEQUENCE OF OPERATION
- Drain pan fills with water which flows into reservoir.
- When the water is at the correct level the pump will activate, priming the pump and purging all air.
- Initially when the pump is dry it may be noisy until the air has been removed.
- As the water level drops the pump motor will run slower indicating the water level is falling.
- The process repeats, and as the pump inlet hose is already filled with water, the pump is cooled, lubricated and will run quietly.
- The rate at which the water is pumped changes depending on how quickly the condensate water is being generated. The more water, the faster it pumps.
Ensure ALL cleaning chemicals are flushed out of the reservoir after use.
FAULT FINDING
| 1. Pump runs constantly | Check the capacitance sensor for dirt, debris or residue. (This may occur if the pump has been in operation for some time without cleaning). Clean using an anti-bacterial wash and soft cloth. Ensure ALL cleaning chemicals are flushed out of the reservoir after use. |
| Check the reservoir for dirt, debris or residue. (This may occur if the pump has been in operation for some time without cleaning). Clean using an anti-bacterial wash and soft cloth. Ensure all cleaning chemicals are flushed out of the reservoir after use. | |
| If the pump is constantly running and water is flowing from the end of the drain line, flow demand could be exceeding the capacity of the pump. Check the AC unit specification to ensure correct compatibility with the pump. | |
| 2. Pump runs constantly, but does not pump any water | Check the reservoir, filter and inlet/outlet tube are free of sludge and debris. |
| 3. High level Safety cut out is activated | If the water level increases at a higher rate than the pump motor can pump condensate to waste, the High level safety cut out feature is wired accordingly to either cut power to the AC unit or raise an alarm (ONLY WHEN THE HIGH LEVEL CUT OUT WIRING IS CORRECTLY INSTALLED). Check whether the High level safety cut out has operated. If operated, check for clogs or kinks within the drain line. |
| 4. A/C unit is off | If the High Level safety cut out wiring has been correctly installed, the High level safety function is correctly preventing the AC unit from operating. This is to prevent any condensate overflowing from the pump reservoir and avoiding any water damage. |
| When the pump High level safety cut out wiring is activated, the pump will continue to run to clear the pump reservoir of condensate, even when the AC unit is not operating. Once the water level is sufficiently low, the pump will automatically reset the power back to the AC unit. | |
| 5. Water is leaking | Ensure the High level safety cut out wiring is correctly installed following the wiring diagrams for specific AC units (Pg 25) |
| If the drain line becomes blocked with dirt or debris or the drain line becomes kinked, if the High level safety cut out wiring is not connected, water will drip from the pump reservoir. It is important to connect the High level safety cut out wiring during installation. | |
| Check all pipework connections, ensuring they are correctly fitted and secured using suitable pipe clips or cable ties. Check all pipework to ensure there are no clogs or kinks within the drain line. | |
| Ensure the pump is installed level onto the wall surface. |
| 6. Noisy pump (gurgling or slurping) | If the drain line extends below the level of the pump, when the pump stops operating, the weight of the water remaining within the drain line will create a siphon effect, sucking the water away from the pump and emptying the drain line. The next time the pump operates, it will start and continue to run dry until reprised with water. This can cause gurgling and slurping noises. Correctly install your drain line to prevent siphoning from occurring by
If siphoning is unavoidable, install the Anti-Siphon Device within the drain line, above the level of the pump, following the Anti-siphon Device instructions provided. |
| 7. The pump is not operating at all | Check that power is connected to the pump. |
| Check that the pump is wired correctly. | |
| Check that the supply voltage is within the specified range (110-250 VAC 50/60Hz). |
FILTER CLEANING
| Pump Maintenance | Regular cleaning of the filters will help to prolong the life of the pump. We recommend cleaning the filters a minimum of every 6 months, or as more frequently as required, if installed within dirty, dusty environments.
|

Only install ‘Anti siphon device’ where siphoning is unavoidable
Care should be taken to ensure the outlet waste pipe connection to the drain pipe is positioned higher than pump siting on the wall to avoid siphoning occuring.


WEEE directive warning
Meaning of crossed out wheeled dustbin
Do not dispose of electrical appliances as unsorted municipal waste, use separate collection facilities. Contact your local government for information regarding the collection systems available. If electrical appliances are disposed of in landfills or dumps, hazardous substances can leak into the groundwater and get into the food chain, damaging your health and well-being. When replacing old appliances with new ones, the retailer is legally obligated to take back your old appliance for disposals at least free of charge.
Aspen Pumps Group, Apex Way, Hailsham, East Sussex BN27 3WA +44 (0) 1323 848842 www.aspenpumps.com
ASPEN PUMPS is a registered trademark of Aspen Pumps Limited Company UK.
Aspen Pumps, Apex Way, Hailsham, East Sussex, BN27 3WA United Kingdom
aspenpumps.com tel: +44 (0) 1323 848842 fax: +44 (0) 1323 848846
Aspen Pumps France, 353 Allee des Vergers, 76360 Barentin, France,
aspenpumps.com/fr tel: +33 (0)1 78 95 88 82



















