BK17 Condensate Removal Pump
User Manual
INSTALLATION
- Select a location for the TANK that is level and below the condensate pan drain.
- The unit may be mounted on a wall by MULTI-SLOT METAL MOUNT TABS on the tank, which are 8.0”, 8.35”, 9.33”, 10.3” or 10.65” apart.
- The BULLSEYE LEVEL helps to confirm the pump is installed level.
- Connect the CONDENSATE DRAIN, using flexible tubing or PVC pipe into one of the four top inlets. When removing the inlet cover, make sure it does not remain inside the tank. Be sure the tubing or pipe extends below the lid 1” or more but not all the way to the bottom (obstructing inlet flow or causing a siphon).
- Discharge connection to CHECK VALVE may be made with 3/8” vinyl tubing secured by hose clamp (not included). NOTE: If it becomes necessary to replace the check valve, a check valve replacement kit is available. Instructions for installing are included in the kit.
- Once the DISCHARGE TUBING has been extended to the required height it should be slanted downward, if possible, to assist drainage. NOTE: For best results, do not extend discharge tubing beyond 17’ vertically for BK17 and 22’ for BK22. (Refer to performance chart.)
- The SAFETY SWITCH leads should be connected for proper operation of the pump. Using this feature may prevent damage from condensation overflowing if the discharge becomes blocked or pump fails. The leads may be connected in series with the low voltage thermostat circuit to shut down heating/air-conditioning system if water level in pump tank rises beyond normal, or they may be connected to an external alarm.
- To provide maximum mounting positions the tank LID may be removed and rotated 180º so that check valve will be on the opposite side of the unit. To remove the LID from the TANK, insert a slotted screwdriver in the lid’s slot and pry the tank outward, while lifting the lid. After removing and rotating, be sure LID snaps back into place firmly.
- When all mounting and water connections are secure, connect unit to electrical supply.
WARNING: This pump is supplied with a 3-prong grounding type attachment plug. To reduce the risk of electric shock, connect only to properly grounded receptacle.
- Do not pump flammable liquids.
- Do not use this pump in explosive areas.
- Do not run dry.
- Do not handle unit with wet hands or while standing in water.
- Do not connect to any voltage other than that shown-on nameplate.
- Always disconnect this unit from its electrical supply before servicing.
- Connect safety switch for proper operation.
- For Indoor use only.

10. To test pump operation, lift the TEST TAB up and down to make sure the MAIN SWITCH and MOTOR are working.
AVERAGE PERFORMANCE
| BK22UL (230V) | |
| BK22UL (115V) | |
| BK17UL |

MAINTENANCE
WARNING:
DISCONNECT FROM ELECTRICAL SUPPLY BEFORE SERVICING.
All Beckett pumps are carefully tested prior to shipment to insure long, trouble-free service. However, if pump is used in a dirty environment or is pumping other than clear, condensate water, the tank should be removed and cleaned periodically with soap and water. If pump fails to run, please check the following:
- Be sure the pump is getting electrical power. Try another outlet to be sure.
- Examine discharge tubing for any kinks or blockages. Also, be certain that intake tubing or pipe is not obstructed.
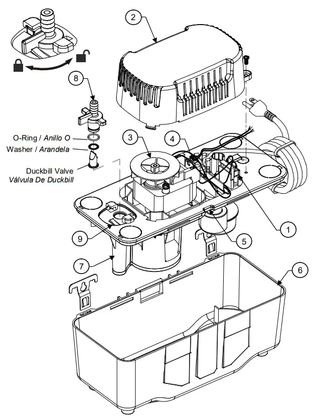
- Disconnect power and remove the ENCLOSURE, item 2, and spin the FAN, item 3, by hand to be sure that the motor is free.
- Be certain that the MAIN SWITCH, item 1, and the SAFETY SWITCH, item 4, are fully “snapped” into their mounts.
- If further disassembly is required, push the sides, item 5, on both ends, to remove the TANK, item 6.
- Examine the PUMP-CHECKVALVE ASSEMBLY, at its INTAKE, item 7, for any obstructions. The CHECKVALVE, item 8, can be removed by pressing the BLOCKING PLATE, item 9, and then turning the CHECKVALVE counterclockwise.

LIMITED WARRANTY
Each Beckett Corporation (“Beckett”) product is warranted to be free from defects in material and workmanship for the applicable Warranty Period (herein so called) set forth below. The Warranty Peri for each product commences on the date of purchase by the original purchaser. The Warranty Periods are as follows:
Product Type or Name Warranty Period
Pump Models:
FR Series, DP800-1800, G Series, FC Series…………2 Years
BK17/22……………………………………. 3 Years
Other Pump Models………………………. 1 Year
Pre-Formed Poly Ponds……………………….……….15 Years Waterfall
Weir & Skimmer……………………….……… 5 Years
Product Type or Name
Warranty Period
Liner Material:
35 mil PVC…………………………………..20 Years
40 mil EPDM…………………………………20 Years
20 mil PVC…………………………………..15 Years
UV9/UV13 Filter……………………………. 1 Year
All Other Beckett Products.………………..90 Days
APPLICATION: The warranty covers only properly installed and maintained Beckett products and is limited to application at normal temperature 32º F to 86º F, (0º C to 30º C) pumping fluids with a specific gravity up to 1.1 and with a pH range of 5 to 9 (fresh water). Other liquid applications and extreme temperature uses must be approved in advance by Beckett. The warranty does not apply to or cover damages or defects caused by external causes, including, but not limited to, improper or faulty installation or unauthorized modification, lightning, electrical surges, abuse, misuse or abnormal use or misapplication, including use in a manner inconsistent with the product’s intended function. The purchaser is responsible for determining the suitability of the product for its intended use. If products are damaged in transit, a claim should be filed with the carrier.
REMEDY: If there has been a failure to conform to the warranty, Beckett will, at Beckett’s option, repair, replace or issue a credit or refund for the particular nonconforming product or part. Repair, replacement, credit or refund, at Beckett’s option, is the exclusive remedy in the event of a failure to conform to the warranty. Warranty claims must be made within 3 months after expiration of the applicable Warranty Period.
ADMINISTRATION: Warranty claims must be made by returning the nonconforming Beckett product, freight prepaid, along with proof of purchase, to: Beckett Corporation, Customer Service Dept., Irving, Texas, telephone (888) 232-5388. Telephone authorization from Beckett is required prior to returning nonconforming products or parts. All products or parts returned will be inspected to determine cause of failure before warranty is approved.
INSTALLATION, REMOVAL AND/OR SHIPPING CHARGES: The warranty does not cover any costs associated with the installation, removal or shipping of products subject to warranty claims.
DISCLAIMER AND LIMITATION
THE EXPRESS WARRANTY AND REMEDIES SET FORTH ABOVE ARE EXCLUSIVE AND IN LIEU OF ALL OTHER WARRANTIES AND REMEDIES, WHETHER ORAL OR WRITTEN, EXPRESS, OR IMPLIED. TO THE FULL EXTENT PERMITTED BY LAW, BECKETT EXPRESSLY DISCLAIMS ANY AND ALL IMPLIED WARRANTIES, INCLUDING, WITHOUT LIMITATION, THE IMPLIED WARRANTIES OF MERCHANTABILITY AND FITNESS FOR A PARTICULAR PURPOSE. IF IMPLIED WARRANTIES CANNOT BE DISCLAIMED, ALL SUCH IMPLIED WARRANTIES ARE LIMITED TO THE DURATION OF THE APPLICABLE EXPRESS WARRANTY. BECKETT DOES NOT ACCEPT LIABILITY BEYOND THE REMEDIES EXPRESSLY SET FORTH IN THIS WARRANTY. IN NO EVENT SHALL BECKETT BE LIABLE OR RESPONSIBLE FOR INCIDENTAL OR CONSEQUENTIAL DAMAGES. BECKETT’S AGGREGATE LIABILITY UNDER THIS WARRANTY OR WITH RESPECT TO ANY PRODUCT COVERED HEREBY, UNDER ANY LEGAL THEORY, SHALL NOT EXCEED THE PURCHASE PRICE PAID FOR THE NONCONFORMING PRODUCT. THE LIMITATIONS CONTAINED IN THIS PARAGRAPH SHALL NOT APPLY TO INJURY TO THE PERSON. Some States do not allow the exclusion or limitation of incidental or consequential damages or exclusions or limitations on the duration of an implied warranty, so the above limitations or exclusions may not apply to you. This warranty gives you specific legal rights and you may also have other rights that vary from State to State.
BECKETT CORPORATION
Irving, Texas
www.BeckettUS.com
Toll Free: 1-888-232-5388
© 2021 BECKETT CORPORATION All Rights Reserved


















