DIVERSITECH WHISPA-Q Ultra Quiet Mini Condensate Pump Instruction Manual
WHISPA-Q-MINI PUMP is designed to automatically remove the drainage liquid produced by air conditioners of a maximum 7kW cooling capacity.
NAME OF EACH COMPONENT

- Inlet hose
15mm I.D x 21mm 0.D x 40mm L
- Pump-reservoir connection hose
6mm I.D x 9mm 0.D x 1.5mm L
- Breather hose
6mm I.D x 9mm 0.D x 100mm L
- Cable ties and double-sided adhesive pad

- Anti-syphone valve

LEVEL SENSOR OPERATION

FLOW RATES AT EACH HEAD
| Head | 0m / 0ft | 4m / 13ft | 6m / 20ft | 8m / 26ft |
| l / h | 16 | 9 | 6 | 4 |
| gal / h | 4.23 | 2.38 | 1.59 | 1.06 |
WARNING
- Do not use to pump flammable or explosive fluids such as gasoline, fuel oil, alcohol, etc.
- Do not use in explosive atmospheres.
- Do not use to pump hot water over 40˚C.
- Do not handle pump with wet hands, or when standing on a wet or damp surface, or in water.
- To reduce the risk of electrical shock, be certain that the pump is connected to a properly grounded earth.
- Connect the pump only to the power supply specified on the name plate of the pump.
- If the power supply cord is damaged, it must be replaced by the manufacturer, or its service agent, or a similarly qualified person in order to avoid a hazard.
- The means for disconnection must be incorporated in the fixed wiring according to local wiring regulations.
- In any installations where property damage and/or personal injury might result in a non operational pump, a back up system and/or alarm should be used.
- Do not twist the drain or discharge hose.
- Before doing any maintenance or repair of the pump, please disconnect the pump from the power supply to avoid an electrical shock.
- Please note that the pump is not a submersible pump.
- Every installation or after-sales service, should be done by a qualified service technician.
- The intermittent ratings of this pump is not longer than 5 minutes.
- This pump is not designed to run dry. Repeated runs while dry will cause the pump to fail. This pump should not run for even a 1 minute period without fluid flowing through the pump.
SPECIFICATIONS
| Item | Specification | Item | Specification |
| Use with | Air conditioner (Max. 7kW) | Fluid | Fresh water of 1~40°C |
| Power supply | Refer to the product label | Non-continuously rated operating time | 5 min. on / 1 min. off |
| Electrical output | 9W | Thermal protection | 100°C |
| Safety switch contacts | Max. 3A 11O VAC or Max. 3A 240VAC | Working without fluid coming trhough the pump | Less than 1 min. only available |
| Max. suction head | 2.5m | Pump size | 167.2mm(L) x 73.6mm(W) x 43mm(H) |
| Max. discharge rate | 8m | Reservoir size | 76.7mm(L) x 43.2mm(W) x 40.3mm(H) |
| Max. flow rate at zero head | 16 l h | Effective capacity of reservoir | 35ml |
INSTALLATION GUIDE
- Carefully unpack the unit and check for damage. Make sure that all of the required parts are included. The units are thoroughly tested before packing to insure safe delivery and operation. if there is any sign of damage due to shipment, return it to the place of purchase for repair or replacement.
- Select a suitable mounting location.
- Connect the inlet hose (13) to the drain hose of air conditioner. Connect the other end of inlet hose (13) to the inlet hole of reservoir (4).
- Connect the breather hose (15) to the breather of reservoir cover (6).
WARNING The breather and the breather hose should NOT be clogged! - Mount the reservoir (2) on a solid surface using the double-sided adhesive pad.
WARNING The reservoir (2) should be mounted horizontally and level! - Connect the outlet hole of reservoir (12) and the inlet port of pump (11) with the connection hose (14).
- Attach the double-sided adhesive pad (16) on the bottom of pump. Mount the pump (1) in a suitable location. If needed, use the cable ties (16) to fasten the pump.
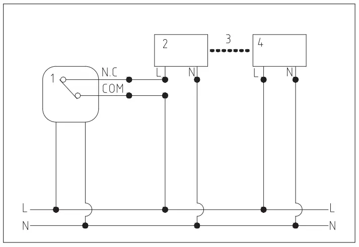
WARNING Attach the double-sided adhesive pad (16) between the pump (1) and any hard surfaces to reduce the vibration noise! - Connect the overflow alarm cable (COM and NC) into cooling signal wire of the air conditioner indoor unit, to avoid the continued operation of the air conditioning unit in the event of pipework blockage or pump failure.
WARNING All wiring to be done by qualified service technicians, who have assessed the set-up of the individual air conditioning unit! - Connect your 6mm I.D x 9mm O.D discharge hose to the outlet port of pump (5) and extend the discharge hose to an appropriate drain.
WARNING Make sure that every connection hose is not clogged or twisted! - Make sure that the power source voltage matches with the pump’s requirement. Connect the power supply cable (8) to a constant source of power (not a fan or other device that runs intermittently).
WARNING Do NOT connect or link the air conditioner’s power cable directly to the power supply cable of the pump (8). - When all the above tasks are done, please perform a test (see below).

- PUMP UNIT
- INDOOR UNIT
- INTERCONNECTING CABLE
- OUTDOOR UNIT
(L) LIVE/HOT : Brown
(N) NEUTRAL/COMMON : Blue
(N.C) NORMALLY CLOSED : Black
(COM) COMMON : White
TESTING
- After the installation, please test pump’s operation for 2-3 times by pouring water slowly into the drain pan of air conditioner.
- Please check if there is any water leakage or siphoning action.
- There will be clicking noises for the initial start up phase only (usually for the first 1-5 times of pumping operation) which is not a disorder but a normal operation.
SERVICE & MAINTENANCE INSTRUCTIONS
- Before attempting to service or disassemble any component, make sure that the unit is disconnected from the power source.
- The cleaning of reservoir should be done every six month, usually at the beginning and the end of the air conditioning season.
- Open the reservoir cover using the opening wing.
- Clean the reservoir and the float using a solution of water containing 5% bleach.
Replace the float in the initial position (magnet facing up) and reinstall the reservoir cover.
- Run test after service and maintenance.
TROUBLESHOOTING
| Problem | Solution |
| The unit does not run. |
|
| The unit makes loud noises even after the first dry-running phase. |
|
| The unit runs but does not pump the liquid out properly. |
|
WARRANTY
The WHISPA-Q-MINI condensate pump comes with a 2-year warranty. This warranty covers all parts with material or manufacturing faults.
WHISPA-Q-MINI condensate removal pump is warranted against defective materials and workmanship for a period of 24 months. Any product that should fail for either of the above two reasons and is still within the warranty period will be repaired or replaced at the option of PUMP HOUSE, as the sole remedy of buyer.
DISCLAIMER
The foregoing warranty is an exclusive warranty in lieu of any other express warranties. Any implied warranties (including , but not limited to any implied warranty of merchantability or fitness for a particular purpose) to the extent either applies to a pump shall be limited in duration to the periods of the express warranties given above.
Warranty will be VOID if any of the following conditions are found:
- Sealed motor housing opened.
- Product connected to voltage other than indicated on nameplate.
- Cord cut off to a length less than three feet.
- Pump allowed to operate dry (fluid supply cut off) .
- Pump used to circulate anything other than fresh water at approximately room temperature.
- Any type of product abuse by customer.
Any oral statements about the product made by the seller, the manufacturer, the representatives or any other parties, do not constitute warranties, shall not be relied upon by the user and are not part of the contract for sale. Seller ‘s and manufacturer ‘s only obligation, and buyer’s only remedy, shall be the replacement and/ or repair by the manufactruer of the product as described above. Neither seller nor the manufacturer shall be liable or any injury, loss or damage, direct, incidental or consequential (including , but not limited to incidental or consequential damages for lost profits, lost sales, injury to person or property, or any other incidental or consequential loss), arising out of the use or the inability to use the product and the user agrees that no other remedy shall be available to it. Before using, the user shall determine the suitability of the product for the intended use, andinstaller assumes all risk and liability whatsoever in connection therewith.
“Acceptable For Indoor Use Only”
“Non submersible Pump”
“CAUTION” -To reduce risk of electric shock, install with motor and all electrical components above the top grade level of the sump. This pump is not sbmersible.
WARNING”
“Risk Of Electric Shock- This pump has not been designed for use in swimming pool or marine areas.”
“To reduce risk of electric shock, see instruction manual for proper installation:·
“To reduce risk of electric shock, connect only to a properly grounded earth connection”
“THERMALLY PROTECTED”
Date of Production: Stamped on the reservoir.
“FOR INDOOR USE ONLY”
Support
Pump House
Glaisdale Drive East, NG8 4LY
Nottingham United Kingdom
Email [email protected]
Phone +44(0)115 900 5858


















