BLUETTI AC300 Plus B300 Backup System

Declaration
- It must be installed by an licensed electrician,because improper operation,incorrectly install might cause the serious damage of personal safety and property.BLUETTI will not be responsible for the direct or indirect responsibilities arising from the installation.
- This document is only for reference. Please consult the local licensed electrician for details.
How to make a backup system with AC300+B300 for 120 Volt power system
“Single Phase” is set as the default machine type if you are operating a single AC300+B300. This is the only and correct setting if a single AC300+B300 is being used.
Firstly please purchase a manual transfer switch and the accessories as following:
| NO. | Accessories | Picture |
| 1 | Transfer switch : Reliance 310A Pro/Tran2 | 1 |
| 2 | Extension Cord Adapter NEMA TT30-P to L14-30R | 1 |
| 3 | 30A AC Charging cable | 1 |
NOTE: Please read the Reliance 310A Pro/Tran2 manuals before installing.
http://www.reliancecontrols.com/Documents/PT2%20Loadside%20Installation%20and%20Operating%20Instructions.pdf
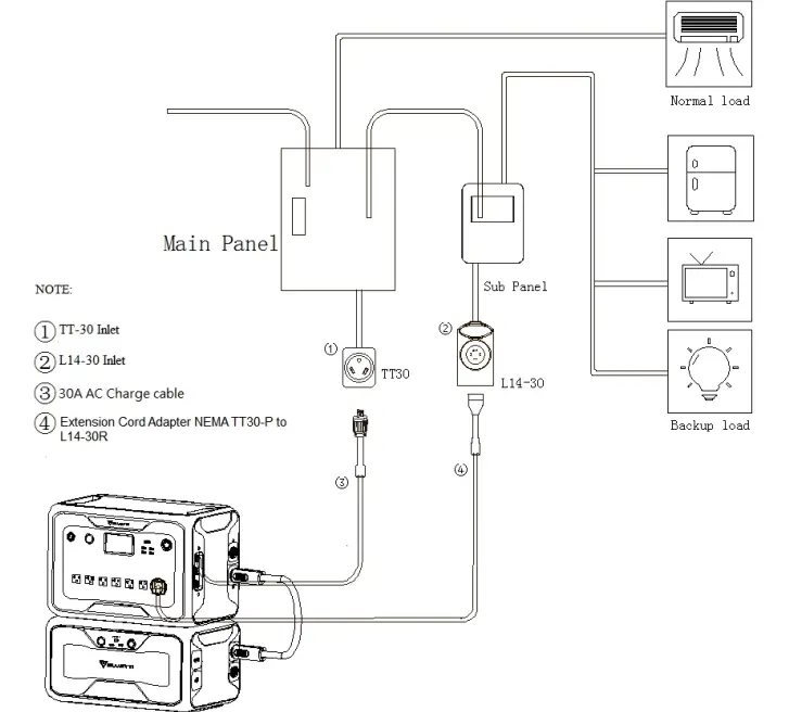
Then installed by the electrician refer to the example as below:
How to make a backup system with AC300+B300
NOTE:
- It must be installed by an licensed electrician
- Please check the voltage of outlets before plugging in the household appliances
- This is the electrical schematic, the actual wiring diagram should refer to Reliance PRO/TRAN2 installation instructions
How to make a backup system with AC300+B300 for 240 Volt power system
If you purchased two AC300+B300 to get the back-up power for household as 240 Volt Circuits. Firstly, please purchase a manual transfer switch and the accessories as following:
| NO. | Parts | Quantity |
| 1. | Transfer switch : Reliance 310A Pro/Tran2 | 1 |
| 2. | AC300 split-phase output cable (from BLUETTI) | 1 |
| 3. | NEMA L14-30R outlet | 1 |
| 4. | BLUETTI 30A-AC-charging-cable | 1 |
Secondly, please read the manuals before installing.
http://www.reliancecontrols.com/Documents/PT2%20Loadside%20Installation%20and%20Operating%20Instructions.pdf
Note:
- Please disconnect the AC charging cable for both AC300+B300 units while binding into split phase box.
- Certificated electrician is required to build the split phase system to connect the main panel and sub Panel.
- The “Machine Type” setting on screen.
Split-Phase output is achieved by bonding two AC300+B300 into one power system to double the available output power, voltage, and capacity.
“Split Phase” is only used for connecting two AC300+B300 together (only for the 100-120V version of the AC300+B300).
Launch Split Phase Function: - Only one touchscreen will be active when two AC300+B300 units are connected in split phase system.
- If one of the AC300+B300 is out of power, the Split Phase Bonding function will deactivate automatically.
Split Phase Function
Warning:
If you insist to charge the AC300+B300 which has been connected into split phase box already, please make sure the L1/L2/N wires are set at the right place otherwise the AC300+B300 will be damaged. L: Live wire N: Neutral wire
HOW TO CONFIGURE BOTH OF THE AC300+B300:
- Step 1: Turn off both of AC300+B300.
- Step 2: Plug the two TT30 plugs from AC300 split-phase output cable into both AC300+B300’s outlet, and plug the L14-30R from AC300 split-phase output cable into the L14-30 inlet on the transfer switch : Reliance 310A Pro/Tran2
- Step 3: Plug in the communication cables to each of the two AC300+B300’s.
- Step 4: Turn on one AC300+B300.
- Step 5: Click the setting button on the LCD,

- Step6: Click the NEXT,

- Step7: Click the “single phase” of the Machine Type setting, then click the “Split phase”
Machine Type: Select split phase
- Step8: Click the “Master”

- Step 9: Turn on another AC300+B300.
- Step10: Click the setting button on the LCD.
- Step11: Following the Step 6- step 7: click the NEXT, then click the “single phase” and then click the “Split phase”.
- Step12: Click the “Slave”

- Note: click clear the alarm history if the buzzer sounded

NOTE:
- The selected “Master” unit will sets the operating AC300+B300 as the one to control both two AC300+B300.
- Before you begin installing your Reliance Controls transfer switch system, you need to create a plan for the appliances you choose to run during a power outage. In setting up a transfer switch to get the most power from your two power stations in split phase power system, it is desirable to “balance the load” between the two phases of your transfer switch. Devices which will consume the most of the two power stations’ wattage should be divided between the two.
Thirdly, connect the AC300+B300 to the transfer switch . Please installed by the electrician refer to the example as below:
How to make a backup system with AC300+B300
NOTE:
- It must be installed by an licensed electrician
- Please check the voltage of outlets before plugging in the household appliances.
- In the main panel ,two Neutral/Ground bus bar have been connected together with copper strips
- This is the electrical schematic, the actual wiring diagram should refer to Reliance PRO/TRAN2 installation instructions
About charge cable connection :
Machine type is just used to set for Split Phase,
The AC Input Cable (Optional Purchase) is designed to match Split Phase System. One end of the cable is connected to the NEMA L14-30 socket, and the other end is connected to the AC input interface of both two units through aviation plug. it is recommended that you choose our matching AC input cable (BLUETTI 30A-AC-charging-cable). The AC input ports of the two machines are connected to L1, N, PE and L2, N, PE. Make sure that the phase of the two machines is correct. The current capacity of AC input plug shall be ≥ 30A.
We need purchase a BLUETTI 30A-AC-charging-cable ,refer to 3.3. the connect method as following:
WRONG CONNECTION
It`s forbidden to connect AC300+B300 into Split Phase System when AC charging is ON, please use AC Input Cable(Optional Purchase) to charge both of your power stations in Split Phase System. Wrong Connection will damage the battery inside the power station and your warranty will be invalid.
NOTE: In split phase system, you can charge it via PV with the same method which you charge one of them through DC Input port on AC300. You can charge it by PV and the BLUETTI
30A-AC-charging-cable simultaneously. (AC input only through the BLUETTI 30A-AC-charging-cable but not the standard AC charging cable)
Accessories:
Transfer switch
please purchase a manual transfer switch as following: https://www.bluettipower.com/ or
https://www.amazon.com/30-Amp-10-Circuit-Manual-Transfer-Optional/dp/B00YHLCMHM/ref=sr11 crid=39Q2LGVYX2BK6&keywords=310A&qid=1666357623&qu=eyJxc2MiOiIwLjAwIi wicXNhIjoiMC4wMCIsInFzcCI6IjAuMDAifQ%3D%3D&sprefix=310a%2Caps%2C299&sr=8-1
30A AC CHARGING CABLE
Purchase website: https://www.bluettipower.com/products/ac300-30a-ac-charging-cable
3.3AC300 split-phase output cable (purchase from BLUETTI: https://www.bluettipower.com)
BLUETTI 30A-AC-charging-cable
If you purchased two AC300+B300 to get 240V, you need to purchase one 30A AC Charging Cable for split-phase function
Purchase address: https://www.bluettipower.com/products/30a-ac-charging-cable-for-split-phase-function
Communication Cable for Split-Phase function
Purchase address: https://www.bluettipower.com/products/communication-cable-for-split-phase-function
NEMA L14-30R outlet
The BLUETTI 30A-AC-charging-cable need plug into a L14-30R outlet for charging both EP500 pro. The purchase address as following
https://www.amazon.com/Journeyman-Pro-Receptacle-Industrial-Grounding-Generator/dp/B07P8CGH52/ref=sr_1_7?crid=1WRMKA4V397S&keywords=l14-30r+recepta cle&qid=1657944329&s=hi&sprefix=%2Ctools%2C405&sr=1-7
Extension Cord Adapter NEMA TT30-P to L14-30R
It is look like as following , please purchase on the Amazon. the length is depended on what your need.
https://www.amazon.com/Parkworld-885446-L14-30R-Generator-Receptacle/dp/B08BHVFSN7/ref=sr_1_31?crid=E1CT2MYTUF6Z&keywords=TT30-P+to+L14-30R&qid= 1669196060&sprefix=tt30-p+to+l14-30r%2Caps%2C150&sr=8-31
Distribution Box for Solar PV Breaker
If you have a residential solar panel array whose voltage is above 12V and below 150V, we suggest you configure a DC circuit breaker panel to turn off or turn on.
Please visit the website as following :
https://www.amazon.com/gp/product/B07S75TV3V/ref=ppx_yo_dt_b_asin_title_o00_s00?ie=UTF8&psc=1 3.9 DC breaker for Solar PV circuit
Please visit the website as following :
https://www.amazon.com/gp/product/B07GR32KCT/ref=ppx_yo_dt_b_asin_title_o00_s00?ie=UTF8&psc=1
NOTE : If there are two solar panel arrays (open circuit voltage range: 12-150V.) , need two 2P 16A DC breakers.
Solar Extension cable with Solar panel female and male connector
Please visit the website as following :
https://www.amazon.com/gp/product/B08KZNTYP5/ref=ppx_yo_dt_b_asin_title_o00_s00?ie=UTF8&th=1 NOTE: The length of cable is based on the actual demand.
How to install Reliance Controls
Website: www.reliancecontrols.com
How to install Reliance Controls ProTran2 – Part1, Tools and Planning
https://www.youtube.com/watch?v=xTqjwt6WJ7o&list=PLpYCE0n7d22iDNwpVnOF9HULSUYBBRY86
How to install Reliance Controls ProTran2 – Part2, Mounting
https://www.youtube.com/watch?v=wNbBHVHgw0Y&list=PLpYCE0n7d22iDNwpVnOF9HULSUYBBRY86&index=2
How to install Reliance Controls ProTran2 – Part3, Wiring
https://www.youtube.com/watch?v=TKruj9BpZM8&list=PLpYCE0n7d22iDNwpVnOF9HULSUYBBRY86&index=3
How to install Reliance Controls ProTran2 – Part4, Replacing Circuit Breakers
https://www.youtube.com/watch?v=lkOuauT-YP8&list=PLpYCE0n7d22iDNwpVnOF9HULSUYBBRY86&index=4
How to install Reliance Controls ProTran2 – Part5, Installing The Power Inlet Box
https://www.youtube.com/watch?v=0M8sYRhEVPY&list=PLpYCE0n7d22iDNwpVnOF9HULSUYBBRY86&index=5
How to install dd Controls ProTran2 – Part6, How To Operate
https://www.youtube.com/watch?v=O4GA9AK8Tmo&list=PLpYCE0n7d22iDNwpVnOF9HULSUYBBRY86&index=6
More information:
- Website: www.bluettipower.com
- Email: [email protected]
References
BLUETTI: Portable Power Station, Solar Generator Kit
The leader in portable standby power integration - Reliance Controls Corporation
Amazon.com: 310A Pro/Tran2 30-Amp 10-Circuit 2 Manual Transfer Switch with Optional Power Inlet : Patio, Lawn & Garden
16A Low-Voltage Miniature Air Circuit Breaker,Acogedor 250V DC 2P DIN Rail Mount Miniature Circuit Breaker for Solar Panels Grid System, Wind and Solar Hybrid System and Other DC Systems(16A): Amazon.com: Tools & Home Improvement
Awclub Plastic Transparent Cover Power Distribution Protection Box IP65 ABS for Circuit Breaker Indoor on The Wall 5 Way (160mmx120mmx95mm) - - Amazon.com
Amazon.com: 10 Feet 12 AWG Solar Extension Cable with Solar Panel Female and Male Connector Solar Panel Adapter 12 Gauge (10FT Red + 10FT Black) : Patio, Lawn & Garden
Journeyman-Pro 2710, NEMA L14-30R, 30A 125/250 Volt, Flush Mounting Locking Receptacle Socket/Outlet, Black Industrial Grade, Grounding Welding/Generator Rated 7500 Watts (1, 2710 w/SS Faceplate) - - Amazon.com
Amazon.com: Parkworld 885446 NEMA TT-30P to L14-30R Generator Adapter Cord, Transfer Switch Adapter, RV 30A TT-30 Male Plug with Handle to Generator 30A 4-Prong L14-30 Female Receptacle (10 Foot) : Patio, Lawn & Garden
30A AC Charging Cable For Split-Phase Function
30A AC CHARGING CABLE
Communication Cable For Split-Phase Function


























