legrand HB3X0W Series High Bay Passive Infrared Occupancy Sensors for Wet Locations

HB3X0W SERIES
DESCRIPTION
HB3x0W-Lx occupancy sensors are designed for automatic lighting control in warehouses and other medium and high bay wet location applications. They are modular and are made up of two parts, a Power Module (HB3x0W) and a Lens (HBLxW), sold separately or in prepackaged combinations. These components are designed to work as a convenient system. Different models offer a choice of coverage patterns for a range of applications.
OPERATION
The HB350W-Lx occupancy sensors are designed to mount to a light fixture and control one load in that fixture. They can be wired to control all ballasts in the fixture, or to control half of the ballasts, providing high/low lighting control. When motion is detected within the sensor’s coverage area, the relay in the sensor closes, and lighting loads are automatically turned on.
When motion is no longer detected for the duration of the time delay setting, the relay opens and the lighting load is turned off. The sensor’s sensitivity and time delay settings are factory preset at “normal” and 15 minutes, respectively, which are suitable for most high bay applications. However, if the values need to be adjusted for specific applications, they can be easily changed using the DIP switches on the unit.
WET LOCATION RATING
Featuring a unique gasketed construction, the sensors carry the IP65 rating for wet locations. The IP65 rating means the sensors are protected against dust and low-pressure jets from all directions. In wet indoor or outdoor environments, the sensors will operate reliably with this level of protection.
MODULAR DESIGN
The HB350W-Lx system includes a self-contained, line or low voltage sensor module with a ½” threaded nipple for attaching to wet location junction boxes and conduit hubs, and to the end of a fixture. It also contains a lens module that provides 360° coverage. Different coverage patterns are available by selecting the different lens options. Sensitivity and time delay adjustments are set using DIP switches located behind the lens.
APPLICATIONS
Engineered specifically for wet locations, the HB350W-Lx is ideal for a range of indoor and outdoor spaces such as nurseries and greenhouses, food processing facilities, parking garages, and industrial facilities. An optional HB Extender Module provides additional mounting flexibility.
FEATURES
- IP65 rated and UL244A and UL508 for use in wet indoor and outdoor locations
- Easy mounting using extender module mounting accessory
- Line voltage for direct connection to load
- Low voltage units require power packs
- Compatible with all program start ballasts
- IP65 rated and UL244A and UL508 for use in wet indoor and outdoor locations
- Easy mounting using extender module mounting accessory
- Line voltage for direct connection to load
- Low voltage units require power packs
- Compatible with all program start ballasts
- Multi-cell, multi-tier, 360° Fresnel lenses
- Lenses sealed and gasketed
- Lens choices for mounting between 20 and 40 ft.
- Polycarbonate, flame retardant, UV resistant, impact resistant
- Recyclable
SPECIFICATIONS
- HB300W:
- 11mA @ 24 VDC, Requires Power Pack
- See Power Pack details for Load Ratings
- HB330W:
- 5 AMP Ballast, @ 208/240 VAC
- HB340W:
- 5 AMP Ballast, @ 347/480 VAC
- HB350W:
- 0-800W Ballast or Tungsten, @ 120 VAC
- 0-1200W Ballast , @ 277 VAC
- 1/6 hp, @ 120 VAC
- Factory preset 15-minute time delay
- Operating temperature: -40-158°F (-40-70°C)
- Operating humidity: 20-90%, non-condensing
- Maximum Dew Point: 85°F (29°C)
- UL and cUL listed
- UL rated raintight (UL244A and UL508)
- IP65 rated
- Lens choices for mounting between 20 and 40 feet
- Five year warranty
SENSOR COMPONENTS
Sensor and Lens Components and Assembly
ASSEMBLY & MOUNTING
Dimensions
Mounting Direct to J-box
Mounting to J-box using Conduit Hub
Mounting Using an HBEM3W Extender Module Accessory
The ½” chase nipple facilitates mounting through fixture knockouts, or attaching to threaded J-boxes or conduit hubs. An accessory bag with an O-ring and two lock nuts is available to accommodate various mounting needs. Mount the sensor so that the fixture does not obstruct the field of view.
COVERAGE
Lens Choices
For mid bay applications, the HBL3W pattern spreads over a 40’ diameter area at a height of 20’.

For high bay applications, the HBL7W is designed for mounting at heights between 20’ to 40’, with a coverage area up to 100’ in diameter when mounted at 40’.
WIRING & CONNECTIONS
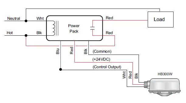
HB300W-Lx Wiring
HB340W-Lx Wiring
HB330W-Lx wiring 
HB350W-Lx wiring
ORDERING INFORMATION
| Catalog # | Description | Voltage | Coverage Area | |
| HB300W | High Bay Low Voltage Occupancy Sensor w/ Backbox for wet locations | 11mA @ 24VDC* | ||
| HB330W | High Bay Line Voltage Occupancy Sensor w/ Backbox for wet locations | 208/240 VAC | ||
| HB340W | High Bay Line Voltage Occupancy Sensor w/ Backbox for wet locations | 347/480 VAC | ||
| HB350W | High Bay Line Voltage Occupancy Sensor w/ Backbox for wet locations | 120/277 VAC | ||
| HBL2W | Lens for HB3x0W sensors | Coverage @ 8’ height: 48’ in diameter | ||
| HBL3W | Lens for HB3x0W sensors | Coverage @ 20’ height: 40’ in diameter | ||
| HBL7W | Lens for HB3x0W sensors | Coverage @ 40’ height: 100’ in diameter | ||
| HBEM3 | High Bay Extender Module for wet locations | |||
| HBAA-1 | HB Angle Fitting | |||
| BZ-50 | Power Pack Note: BZ-150, BZ-200, or BZ-250 may also be used | 120/277 VAC, 230/240 VAC (Single Phase), 50/60Hz | 20 A ballast and tungsten or 1 hp motor | |
| Prepackaged Sensor/Lens Combinations | ||||
| HB350W-L3 | High Bay Line Voltage Occupancy Sensor w/ Lens & Backbox for wet locations | 120/277 VAC | Coverage @ 20’ height: 40’ in diameter | |
| HB350W-L7 | High Bay Line Voltage Occupancy Sensor w/ Lens & Backbox for wet locations | 120/277 VAC | Coverage @ 40’ height: 100’ in diameter | |
All sensors are white.
HB300W Low voltage model requires a BZ series power pack.
WWW.LEGRAND.US/WATTSTOPPER


















