tivoli 3488 Magic Linear Bar
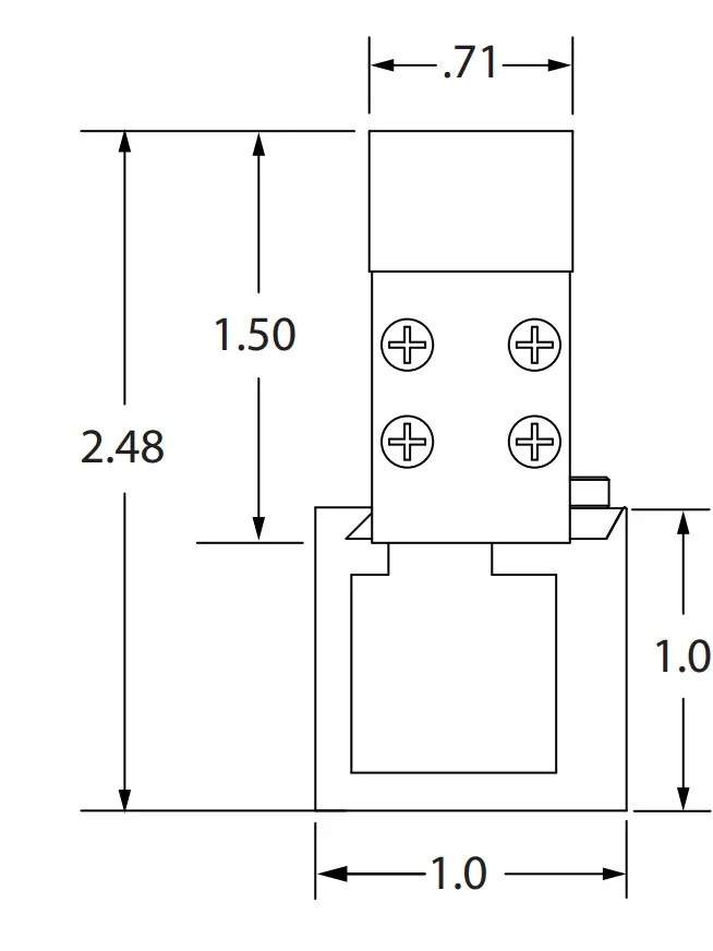
Profile Dimensions

Please verify the contents of the packages! Please read instructions entirely before starting installation
Be sure power is turned off before installing or modifying the system
Call Tivoli, LLC tech support with questions
Caution: Magic Linear Bar is designed to work with listed Class 2 24V DC transformers only. Use of any other power source will cause damage, shorten the life of the fixture and will void the warranty. Consult any and all applicable local and national codes for installation.
Do not conceal or extend exposed conductors through a building wall as per local electrical code.
Warning: With any luminaire for any application, basic safety precautions should always be followed to reduce the risk of fire, electric shock and personal injuries. This fixture should be installed by a certified professional.
Installation Instructions
Important: See specification sheet for factory fixture lengths. Mounting Instructions:
Step 1: Attach Brackets to the mounting surface with appropriate fasteners (ie: wood screws for wood).
Step 2: Loosen the two screws that secure the Bracket Lock on each
Mounting Bracket. Step3: Slide the Magic Linear Bar into the fixed channel side of the bracket.
Step 4: Rotate the Magic Linear Bar down so it rests on the surface of the bracket and tighten down the Bracket Lock using the Hex Wrench provided.
CAUTION! Risk of Damage. To eliminate heat buildup and the resulting expansion of the material when mounting multiple units, leave at least .2” gap between fixtures and at the dead end. Fixture comes with integrated lead wires with TPL connectors for secure connection. See wiring options on the following pages. Magic Linear Bar™ is rated for outdoor applications.


WARNING! Danger of Product Damage. There must be .2” space between units and at the dead end to allow for heat dissipation and material expansion, or product damage may result.
Recessed Mounting

Magic Linear Bar may be mounted in a recessed space. To accommodate the rotation required to mount the fixture on the mounting bracket and to allow proper heat dissipation, it is required that the recessed channel must be at least 2.5” wide.
WARNING! Danger of Product Damage. Fixture must have room around it to allow for heat dissipation and material expansion, or product damage may result.
Wiring Instructions
Step 1: With power off, connect all jumpers, as shown. Then, feed power cable to junction box and connect to lead wire from power supply. See Wiring Diagrams on following pages.
Step 2: Use crimp connectors or wire nuts to make connections in junction box for feed point to power supply.
Step 3: Turn on power and verify fixture is operating properly.

| LIGHT SOURCE | WATTS PER FOOT | MAX CONTINUOUS RUN LENGTH* |
| Magic Linear Bar | 3.0W | 32 ft |
*Max continuous run based on 3.0A max load
Suggested Wiring Practices
- Use cable specifically designed for DMX. These cables have an impedance of 120 ohms and have low capacitance. Example: Belden 9841-9842 or 3105.
- A daisy chain topology should be used.
- The maximum run length of the cable between the fixture and the DMX controller is 250ft.
- Do not run data signals next to or in the same conduit as high power resources. If it is necessary to be near these resources, cross over them at 90 degrees or keep as much parallel distance between them as possible.
- Run in grounded metal conduit when there may be concern from nearby high power devices and/or situations where the cable structure may be compromised.
Wiring Diagram for Online Operation
MADRIX (Live)
his is a live control performance setup. Widely used for concerts or performance-based manipulation. Use of a live network is necessary for communication between MADRIX software and fixture.

ARNET-S (Stand Alone)
Programmed via MADRIX software and recorded directly to an ARTNET-S interface for media applications andperformance. This is a stand-alone feature with no need for network support by software (MADRIX) once recorded to the interface (ARNET-S). Please refer to ARTNET-S-8-512 User Manual for additional information.

TivoCUE (Preset)
Programmed via CUE software and recorded to a MicroSD card for data transfer into TivoCUE control. This is a stand-alone feature with no need for network support by software (CUE) once recorded and transfered to in-wall DMX control hardware. Please refer to TivoCue 10 User Manual for additional information.

Pixels per Fixture Length
Note: RGBW Shown
- Foot Magic Linear Bar = 3 Pixels for RGBW (Total Channels: 12)

- Foot Magic Linear Bar = 6 Pixels for RGBW (Total Channels: 24)

- Foot Magic Linear Bar = 9 Pixels for RGBW (Total Channels: 36)

- Foot Magic Linear Bar = 12 Pixels for RGBW (Total Channels: 48)

Power Supply Wiring Diagram

There are many possible options for powering the Magic Linear Bar. See the specification Sheet for more information. The following wiring diagram is for reference only. Please refer to the Installation Instruction for the Power Supply you choose for detailed wiring instructions.
To install Power Feed Cable:
Step 1: Connect the Red Wire (+) from the Power Feed Cable (MLBPWR-2P) to the Red Output Wire from the Power Supply using outdoor rated Wire Nuts.
Step 2: connect Black Wire (-) from the Power Feed Cable to the Black Output Wire from the Power Supply using outroor rated Wire Nuts.
Warnings
Do not cover any luminaire as the covering may cause it to overheat.
Do not install this lighting system where the exposed bare contacts can be shorted or contact any conductive material to reduce the risk of fire and burns.
Do not install any luminaire closer than 6″ (15.25cm) from any curtain, or similar combustible material.
Do not use any luminaire if damaged; such as, broken globe, loose connections, or frayed wire insulation. Inspect periodically.
Do not submerge any luminaire in liquid. Use waterproof connectors for all outdoor applications.
Do not secure any luminaire with staples, nails or like means that might damage the wire insulation. Secure it by using screws through the base.
Do not run any luminaire at an operating temperature exceeding65˚ C or 149˚ F.
Tivoli Technical Support
DMX projects can be diffucult to setup and program when dealing with software and fixtures once you are on site. Tivoli offers technical support from initial contact up to installation and setup if needed. Please contact your local sales rep for pricing and provide details of desired technical support level for your project.

In-House Customer Support

On-Site Live Support
![]()
CUSTOMER SUPPORT
Copyright © 2020 Tivoli 3.29.2022
www.tivolilighting.com
tel: 714-957-6101 fax: 714-427-3458























