STROM SBSP15S Single Phase 14.4kW Electric System Boilers Instruction Manual
INTRODUCTION
Please read and follow these installation instructions carefully and follow the correct operating instructions to ensure long life of your Strom electric boiler. These instructions must be conserved and given to any new user.
All boilers come with a full 2-year warranty from the date of registration. The warranty relates to any manufacturing defects and covers the replacement of any faulty parts and labour costs. The warranty will not cover damage to the boiler through poor installation, and any consequent water damage or leaks into the boiler – All plumbing must be checked before the boiler is left with the end user for normal operation and water tightness. The warranty will not cover charges that have not been organised by Strom Ltd.
This appliance is not intended for use by anyone (including children) with reduced physical, sensorial or mental capacities, or lack of experience with the appliance, unless they have been given supervision or instruction by a competent person responsible for their safety.
PREPARATION/SAFETY
This electric boiler must be fitted in accordance with the following:
- The local building regulations
- UK building regulations
BS EN 12828
Heating systems in buildings: Design for water-based heating systems.
BS EN 12831
Heating systems in buildings: Method for calculation of the design heat load
BS EN 14336
Heating systems in buildings: Installation and commissioning of water-based heating systems
BS7671
Requirements for electrical installations. IEE Wiring Regulations. Seventeenth edition
BS EN 7593
Code of practice for treatment of water in heating systems
- Load Check
A load check should be taken into consideration when installing high output boilers - Central heating design
Detailed recommendations are provided in BS EN 12828 and BS EN 6700 - Location
The boiler can be installed in almost any location, but consideration should be given to the potential of frost or damp conditions, and to the future maintenance of the equipment. Clearance should be allocated for the removal of the front panel if necessary and for air flow into the boiler. The boiler must be installed in an upright position, failure to do so will invalidate the warranty The wall where the boiler is being sited should be strong enough to support the weight of the boiler when full.
ADDITIONAL CHECKS REQUIRED PRIOR TO INSTALLATION
- Check that the voltage on the indicator plate of the boiler coincides with the voltage of the mains circuit to which it is going to be connected.
- The air inputs and vents of the boiler ensure its correct operation and protect the device from overheating. As a result, they must never be covered.
- The boiler must be disconnected from the mains electric before carrying out any internal repairs.
- The boiler must be earthed at all times.
- The electricity supply circuit must incorporate a Residual-Current device.
- Drain valves should be fitted at the lowest point of the system pipework in an accessible position. They should be fitted in accordance with BS 2879.
- Any improper use of the boiler is forbidden.
- All the models incorporate different safety elements. If one or more of them are activated, they will trigger an error code on the boiler. Consult the troubleshooting section of this manual, and if any problem persists please contact Strom.
- A suitable external time clock/room thermostat can be fitted, if the internal programming of the boiler is not used.
- All components for sealed system central heating are built-in. A suitable filling loop should be fitted externally to the water replenishing connection to comply with water supply regulations.
- Any safety valves require piping to a safe discharge point
HEAT-ONLY BOILER INTERNAL COMPONENTS

- Circuit breaker
- Power access window
- Heating system patented heat exchanger
- Thermal cut-outs
- Heating expansion vessel
- Temperature sensor for heat flow
- Temperature sensor for heat return
- Automatic air vent (access behind pump)
- Pump
- Pressure gauge
- Pressure sensor (linked to gauge)
- Pressure & expansion relief valve
- Heating system replenishing valve
INSTALLATION
- General Requirements
The boiler must be installed by a competent and certified plumber or heating engineer and must be connected to the public electricity by a competent electrician. For 3 phase requirements, this should be carried out by an electrician certified to BS 7671 17th or 18th edition. Systems should be designed to meet the current building regulations in force at the time of installation. The appliance must be earthed before any current is passed into the device. Strom Limited are not responsible for faulty installations which are performed by unqualified tradespeople. - Hanging the boiler
Hang the boiler in a vertical position on the frame fixing points provided, with the flow and return connections pointing to the bottom of the unit. Connect the boiler to the heating system, ensuring isolation valves are fitted to the flow and return pipework. SEE THE HANGING PROCEDURE OVERLEAF. - Isolation Valves
For ease of removal from the system, it is recommended that full bore isolation valves are fitted on the flow and return pipework from the boiler. Do not use standard ball valves, as this can restrict the flow in and out of the boiler and result in detrimental performance. - Auto Air Vents
An automatic air vent is already built into the boiler. However, if the boiler is to be used in tandem with a hot water cylinder, an additional air vent should be fitted in the vicinity of the cylinder coil. - System Design
An external bypass valve should be fitted to allow the system to circulate when all radiators are closed shut. Thermostats should be used wherever possible to control the heating, and to comply with building regulations cylinder stats should also be used (if appropriate). A radiator should be installed and locked open in a room that contains the room thermostat (if installed), so as to avoid any overfiring of the heating system. - Water Connections
For filling the heating system, reference should be made to BS EN 14336. There must be no connection between the central heating systems and the main water supply, and all local water bylaws must be observed. Any connection made between the mains water and heating system must be disconnected after use. - Flushing
The system must be flushed to 10% of mains PPM (chloride and otherwise) or lower to ensure that the water system is not detrimental to the lifespan of the boiler. If the boiler is being installed into an existing heating system, a power flush must be carried out on the radiators and pipework to remove any potential debris.
HANGING DIAGRAM FOR INSTALLATION GUIDANCE
Please ensure that the designated wall for mounting the boiler has the structural integrity to support the unit when full.
- Use an impact drill to create 6 holes as per the including wall mounting diagram. The upper holes should be Φ8 diameter, and the lower holes can be identical, or instead can be Φ6.
- Drill in a total of 6 expansion screws, Φ8 diameter into the top holes and either Φ8 diameter or Φ6 into the bottom. From there drill 3 hanging screws into the top 3 holes.

- Hang the boiler on the 3 fixed top screws and then secure in place with 3 additional screws on the bottom

CLEARANCES
The boiler should have a clearance of 100mm on all sides from any ceiling, floor, side wall or fixed obtrusions. This should be observed for safe and suitable operation.
WATER CONNECTIONS
- The connections for flow and return must be carried out according to the colour scheme and labelling marked on the boiler.
- When tightening or loosening threaded connections, always use suitable tools such as open-end adjustable spanners. Do not use pipe wrenches, extensions or unsuitable tools that may cause damage or water leaks.
- Install purges in the radiators and any high points in the heating system.
An adjustable filling connection is provided as part of the boiler setup. This must be closed once the system is up to pressure and the air has been purged. Alternatively, this can be locked open and a traditional filling loop can be used for filling of the heating system and replacing any water lost during servicing or bleeding the system. The filling loop should be installed in close vicinity to the boiler or connected to the water replenishing connection. The filling loop should be installed to current water regulations and should be removed after filling and the valves sealed with suitable caps.
HEATING FLOW AND RETURN
These connections are ¾” for connection to 22mm pipe. Suitable diameter service valves should be installed at the flow and return to allow the boiler to be isolated for maintenance without draining the entire heating system. We recommend flexi-hoses as overtightening irons may damage the boiler internals which is not covered under warranty.
DRAIN POINT
A drain point should be fitted at the lowest point of the heating system. It is not acceptable to drain the boiler through a safety valve as debris can prevent the correct operation of the valve.
HEATING SYSTEM INITIAL FILL
Ensure that both flow and return isolation valves are open. Connect the filling loop to the Water Replenishing connection, open the valve fully and allow the system to fill slowly until the pressure gauge reads between 1 and 1.5 bar, at which point the replenishing valve should be shut. Vent all manual release valves until all air is purged from the system. It will be necessary to top up the system during this operation.
EXPANSION VESSEL
An expansion vessel is fitted internally within the boiler to provide room for thermal expansion of water under regular operating conditions. However, if the system contains significant volumes of water, an additional heating expansion vessel should be fitted externally.
HOT WATER CYLINDER
If the system is being fitted with a hot water cylinder, this should be fitted as per the manufacturer’s instructions, including the design and installation of any discharge pipework from relief valves.
ELECTRICAL CONNECTIONS
Complete all pipework before connecting the boiler to the electricity supply.
Ensure that the mains voltage available coincides with that shown on the rating label.
It is important to check that the total power supply to the building has sufficient load capacity to supply the boiler at the heat output required in addition to all other appliances that may be supplied at the same time.
The supply cable to the boiler should be of sufficient size to carry the load capacity required. It should be wired through a linked isolator switch with minimum contact gaps of 3mm in every pole, and the system protected by a suitably rated circuit breaker.
It is essential that the boiler is properly earthed, and the wiring tested to current IEE regulations.
ELECTRICAL SUPPLY SIZING
The following table shows the specification for the full selection of Strom electric boilers
| Rated output of boiler | 7kW | 11kW | 14.4kW | 181W | 21kW | 24kW |
| Single/Three Phase | Single | Single | Single | Three | Three | Three |
| Current (A) | 32 | 55 | 63 | 27.3 | 31.8 | 36.4 |
| MCB/RCD rating (A) | 40 | 63 | 63 | 32 | 40 | 40 |
| Minimum cable size (mm1) | 4 | 10 | 10 | 3×4.0 | 3×6.0 | 3×6.0 |
CONNECTING TO THE BOILER
The terminal connection block is at the top right-hand side of the boiler and is accessible via the removal of the front panel. The supply cable should be safely routed to this point through the cable entry point at the top of the right-hand panel of the boiler.
Ensure the connection cables are correctly wired into the correct terminals and are securely in position.
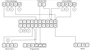
WIRING EXTERNAL CONTROLS
It is recommended that the boiler is connection to an external control unit such as a room thermostat or channel programmer. The switching connection of the control should be volt free and connected to the appropriate terminals as indicated on the wiring diagram.
COMMISSIONING
Turn on the electrical power supply to the boiler. Ensure that the programmer is set to a neutral state where it is not calling for heat.
PUMP
The pump is already installed in the boiler as part of the heating circuit and will be connected to the PCB. The pump should readily circulate as part of the health check when the boiler is turned on.
CONNECTING THE CONTROLLER
External controllers should be connected as per the wiring diagrams seen below. Any RF controllers can be connected via the installation guidance from the manufacturer.
BOILER CONNECTIONS

- Terminal Block
- 6 Amp Fuse
- Heating Power Board
- Touch Control Panel
- Pressure Switch
- Heating Cut-out
- Heating Flow Temperature
- Heating Return Temperature
- Buzzer
- Heat Exchanger Power
- Internal Memory Battery
WIRING DIAGRAM

COLOUR CODES
W=WHITE G=GREY BL=BLUE G/Y=GREEN/YELLOW BR=BROWN
L=LIVE N=NEUTRAL C=COMMON SL=SWITCHED LIVE E=EARTH
OPERATING THE BOILER
Boiler Control Panel

Initial Switch On – Commissioning
When the boiler is first turned on it will perform a self-check. If any faults are \detected, these will be indicated on the display, and can be identified via the troubleshooting section in this manual. If connecting an external controller, ensure that this is safely wired to the boiler as per the wiring diagrams in this manual before turning on power to the boiler.
Upon first connecting power to the boiler, the boiler control panel will illuminate, but the power will not turn on. In this this “Off” state, the installer can adjust the time, day and the heating temperature leaving the boiler and the desired ‘approach’ temperature on the heating return.
- Hold the Menu button for 2 seconds.
- This will change the display to ‘Clock’. Adjusting via the + and – signs will allow the user to adjust the day of the week. Pressing the Menu button will confirm the day setting and will then cause the time to flash, pressing + and – signs will adjust the hour accordingly, pressing Menu will confirm the hour and cause the minutes to flash, and this can be adjusted accordingly and confirmed by pressing the menu button.
- Pressing the Power button will return the boiler to the original ‘Clock’ display menu. Pressing the menu button will cycle the display to ‘Heat’ and a temperature will be displayed. This is the desired heating temperature that the heating flow will achieve when leaving the boiler and should only need to be set at the beginning of the boiler’s life. This should be set accordingly depending on the size of the heating circuit, and whether the boiler is connected to a hot water cylinder. For a smaller dwelling, this needn’t be set any higher than 60-65 degrees. However, for larger dwellings this should be set at 65-70 degrees, and for cylinder systems this should be set at 70-75 degrees or more to ensure that the hot water system can deliver appropriate quantities, the reheat time is quick enough, and any potential legionella is eliminated when the cylinder is stood unused for a prolonged period of time.
- When the correct temperature is selected, pressing Menu will cycle the display to “diff” with another number displayed below. This is the difference in flow and return temperature of the heating system at which the boiler will turn off to stop any excess wasted energy or potential overheat of the system. The boiler will stop cycling regardless once the desired temperature has been reached in any rooms being heated. Typically, the differential temperature should just be set at 10-15 degrees to avoid nuisance turning off of the system during a heating period but can be adjusted to suit the end user’s requirements.
- Holding Menu will return the boiler to its original state, whereby then holding Power for 2 seconds will turn the boiler on for an initial self-check. After this check has completed, ensure that the system responds correctly by calling for heat through the connected heating controller (typically raising the desired temperature of the room)
TROUBLESHOOTING
| ERROR CODE | POTENTIAL CAUSE | SOLUTION |
| EC | Heating system contains a lack of water or pressure is not sufficient for circulation. | Add treated water to the heating system and bring the pressure to a suitable level. |
| Water pressure switch is damaged. | Check the pressure for the system is above I bar, and then carry out a continuity test across the pressure sensor. | |
| Loose connection for pressure switch. | Check the wiring and reseat if loose. | |
| El | Loose connections between heating outlet temperature sensor & PCB | Check the wiring and reseat connection if loose. |
| Faulty temperature sensor for heating oat. | Call Strom on 0333 344 24 74 | |
| E2 | Loose connection between the heating return temperature sensor & PCB | Check the wiring and reseat connection if loose. |
| Faulty temperature sensor for heating return. | Call Strom on 0333 344 24 74 | |
| E3 | Heating system flow temperature overheating. | Check that there is sufficient system circulation. If the boiler has been set for temperatures in excess of 75°C please reduce to between 70 & 75. |
| E4 | Heat exchanger overheating. | The boiler vhf automatically begin circulating again once the heat exchanger has cooled. |
| E5 | Flow sensor failure. | Call Strom on 0333 344 24 74 |
| Pump failure. | ||
| EA | Power supply to the boiler is too high. | Check supply voltage & correct. Recheck all wiring to the unit. |
| Indicators on the control panel are off. | Power supply failure. | Recheck all wiring to the unit. |
| Loose correction from the control board to main PCB. | Check the wiring and reseat connection if loose. | |
| Display board failure. | Call Strom on 0333 344 24 74 | |
| Control panel Is not registering touch commands. | Display board failure. | |
| Heating temperature Is low/the device is not heating up. | Heating element failure | |
| Thermal cut-out failure | ||
| Tree burnout | ||
| Control board failure |
For any other problems please contact Strom ltd on 0333 344 2474.
MAINTENANCE
Strom electric boilers do not require particular maintenance other than the following:
- The heating system must be filled and maintained when the water is cold, between a pressure of 1 – 1.5 bar. Frequent refilling of the system can cause scaling, corrosion and damage to a heating system and should be avoided wherever possible. Regular pressure loss could be indicative of a leak within the system and should be investigated.
- UNDER NO CIRCUMSTANCES SHOULD THE BOILER BE SWITCHED ON WHEN THE SYSTEM IS DRY.
- The boiler contains an installed frost-protection program. For this to operate, power must be supplied to the boiler at all times. Anti-freeze can be added to the heating system (no more than 20% by volume) if the boiler is going to be stood unused for long periods of time. Otherwise, the boiler should be disconnected from the electricity supply and the system fully drained to avoid any frost damage.
WARRANTY INFORMATION
All Strom products are supplied in accordance with standard Terms & Conditions (available on request or via our website). This Policy also applies in addition to our terms and conditions to any Strom Electric Boilers and by fitting this product you are agreeing to be bound by these Terms & Conditions and this Policy. This Policy sets out the Warranty Period and exclusions which apply to Electric Boilers, for other products please see our website or their corresponding manuals. This Policy is subject to our Standard Terms and Conditions and should be read in conjunction with those terms. We reserve the right to amend this policy at any time.
Warranty Details:
Subject to the exclusions set out below and any applicable points in our Terms and Conditions, faulty parts and products will be replaced or repaired free of charge by Strom, or one of its representatives during the applicable Warranty Period. Where work is carried out by personnel not associated with Strom, or without Strom’s knowledge we will be unable to cover the associated costs, parts, and labour charges. If Strom or its representatives are unable to attend your property in a timely manor we reserve the right to allow third parties to undertake the work once a pre-agreed cost has been agreed with Strom directly (agreements via third parties will not be accepted).
Exclusions
- This policy only applies where:
- The product is installed and used strictly in accordance with the Terms and Conditions and the instructions supplied with the product; and
- the failure is not due to accident, misuse, abuse, unsuitable water conditions (including contaminants or inappropriate water pressure), limescale build up, or to any alteration, modification or repair by any party not expressly nominated by Strom.
- Unsuitable water conditions include:
- Private water supplies that are not regulated by water authorities
- Hard water that is left untreated
- Water additives that lead to product corrosion
- The absence of corrosion inhibitor in heating circuits
- This warranty does not cover damage resulting from non-operation of the product or consequential damage to any other goods, furnishings or property.
- This warranty does not apply to any consumables associated with the product.
- Installations that have not been carried out by person/s that do not hold the relevant qualifications required in their field to carry out the works undertaken (we reserve the right to ask for a copy of the electrical installation certificate)
- Warranties are non-transferable and must be purchased as new from one of our distributors.
Warranty Periods:
All Strom Boilers comes with a standard out of box warranty of 1 year, however by completing the included guarantee procedure (please see warranty label) the warranty will be extended to 2 years free of charge.
Website: WWW.STROMLIMITED.COM
Phone: 0333 344 2474





















