3xDS18B20 Add-on for Shelly Plus Devices

USER AND SAFETY GUIDE
SHELLY PLUS ADD-ON
Read before use
This document contains important technical and safety information about the device, its safety use and instal-lation.
CAUTION! Before beginning the installation, please read this guide and any other documents accompanying the de-vice carefully and completely. Failure to follow the installa-tion procedures could lead to malfunction, danger to your health and life, violation of the law or refusal of legal and/or commercial guarantee (if any). Allterco Robotics EOOD is not responsible for any loss or damage in case of incor-rect installation or improper operation of this device due to failure of following the user and safety instructions in this guide.
Product Introduction
Shelly Plus Add-on (the Device) is a galvanically isolated sensor interface to the Shelly Plus devices. Legend
Device terminals:
- VCC: Sensor power supply terminals
- DATA: 1-Wire data terminals
- GND: Ground terminals
- ANALOG IN: Analog input
- DIGITAL IN: Digital input
- VREF OUT: Reference voltage output
- VREF+R1 OUT: Reference voltage through a pull-up re-sistor* output
- VCC/VDD: Sensor power supply pins
- DATA/DQ: Sensor data pins
- GND: Ground pins
* For passive devices that need it to form a voltage divider.
Installation Instructions
- CAUTION! Danger of electrocution. Mounting/installa-tion of the Device to the power grid has to be performed with caution, by a qualified electrician.
- CAUTION! Danger of electrocution. Every change in the connections has to be done after ensuring there is no volt-age present at the Device terminals.
- CAUTION! Use the Device only with a power grid and appliances which comply with all applicable regulations. A short circuit in the power grid or any appliance connected to the Device may damage the Device.
- CAUTION! Do not connect the Device to appliances ex-ceeding the given max load!
- CAUTION! Connect the Device only in the way shown in these instructions. Any other method could cause damage and/or injury.
- CAUTION! Do not install the Device where it can get wet. If you are installing the Shelly Plus Add-on to a Shelly Plus device that is already connected to the power grid, check that the breakers are turned off and there is no voltage on the terminals of the Shelly Plus device you are attaching the Shelly Plus Add-on to. This can be done with a phase tester or multimeter. When you are sure that there is no voltage, you can proceed to installing the Shelly Plus Add-on. Attach the Shelly Plus Add-on to the Shelly Plus device as shown on Fig. 3


- CAUTION! Be very careful not to bend the Device header pins (C) when inserting them to the Shelly Plus device head-er connector (D).
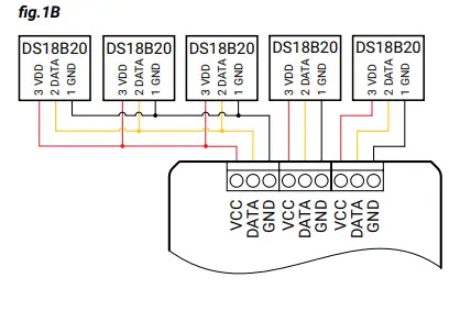
Make sure the brackets (A) lock on the Shelly Plus device hooks (B) and then proceed to the Device wiring. Connect one digital humidity and temperature sensor DHT22 as shown on Fig. 1 A or up to 5 digital temperature sensors DS18B20 as shown on Fig. 1 B.

- CAUTION! Do not connect more than one DHT22 sensor or a combination of DHT22 and DS18B20 sensors.
- Connect a 10 kΩ potentiometer as shown on
Fig. 2 A for smooth analog readings or a thermistor with 10 kΩ nomi-nal resistance and β=4000 K as shown on Fig. 2 B for ana-log temperature measurement.

- You can also measure the voltage of an external source within the 0 to 10 VDC range. The voltage source internal resistance should be less than 10 kΩ for optimal perfor-mance.
- The Device also provides interface to an auxiliary digital signal though its digital input. Connect a switch/button, a relay or an electronic device as shown on Fig. 2.
- If the Shelly Plus device, which the Shelly Plus Add-on is at-tached to, has not been connected to the power grid, install it following its user and safety guide.
Specifications
- Mounting: Attached to a Shelly Plus device
- Dimensions (HxWxD): 37x42x15 mm
- Working temperature: -20°C to 40°C
- Max. altitude: 2000 m
- Power supply: 3.3 VDC (from Shelly plus device)
- Electrical consumption: < 0.5 W (without sensors)
- Analog input range: 0 – 10 VDC
- Analog input report threshold: 0.1 VDC *
- Analog input sampling rate: 1 Hz
- Analog measurement accuracy: better than 5%
- Digital input levels: -15 V to 0.5 V (True) / 2.5 V to 15 V (False) **
- Screw terminals max. torque: 0.1 Nm
- Wire cross section: max. 1 mm²
- Wire strip length: 4.5 mm
*Can be configured in the analog input settings
**Logic can be inverted in the digital input settings
Declaration of conformity
Hereby, Allterco Robotics EOOD declares that the equip-ment type Shelly Plus Add-on is in compliance with Direc-tive 2014/30/ЕU, 2014/53/EU, 2014/35/EU. The full text of the EU declaration of conformity is available at the follow-ing internet address:
www.shelly.cloud/knowledge-base/devices/shelly-plus-add-on/Manufacturer: Allterco Robotics EOOD
Address: Bulgaria, Sofia, 1407, 103 Cherni vrah Blvd. Tel.: +359 2 988 7435
E-mail: [email protected]
Web: https://www.shelly.cloud
Changes in the contact data are published by the Manu-facturer at the official website. https://www.shelly.cloud All rights to trademark Shelly® and other intellectual rights associated with this Device belong to Allterco Robotics EOOD.

























