ACCUREX XID Direct Drive, XIB Belt Drive Centrifugal Inline Fans

Installation, Operation and Maintenance Manual
Please read and save these instructions for future reference. Read carefully before attempting to assemble, install, operate or maintain the product described. Protect yourself and others by observing all safety information. Failure to comply with these instructions will result in voiding of the product warranty and may result in personal injury and/or property damage.
Square Centrifugal Inline Fans
Fans include both direct- and belt-driven options with backward-inclined wheels and feature rugged construction, high-efficiency and low sound levels. These compact inline fans are the ideal selection for indoor clean air applications including intake, exhaust, return, or make-up air systems. The square housing design, compact size, and straight-thru airflow also provide the system designer the flexibility to mount in horizontal and vertical orientations. Each fan displays a permanently stamped metal nameplate with complete model number, mark, and unique serial number for future identification.
General Safety Information
Only qualified personnel should install this fan. Personnel should have a clear understanding of these instructions and should be aware of general safety precautions. Improper installation can result in electric shock, possible injury due to coming in contact with moving parts, as well as other potential hazards. Other considerations may be required if seismic activity is present. If more information is needed, contact a licensed professional engineer before moving forward.
- Follow all local electrical and safety codes, as well as the National Electrical Code (NEC) and the National Fire Protection Agency (NFPA), where applicable. Follow the Canadian Electric Code (CEC) in Canada.
- The rotation of the wheel is critical. It must be free to rotate without striking or rubbing any stationary objects.
- Motor must be securely and adequately grounded.
- Do not spin fan wheel faster than max cataloged fan RPM. Adjustments to fan speed significantly affects motor load. If the fan RPM is changed, the motor current should be checked to make sure it is not exceeding the motor nameplate amps.
- Do not allow the power cable to kink or come in contact with oil, grease, hot surfaces or chemicals. Replace cord immediately if damaged.
- Verify that the power source is compatible with the equipment.
- Never open access doors to a duct while the fan is running.
DANGER: Always disconnect, lock and tag power source before installing or servicing. Failure to disconnect power source can result in fire, shock or serious injury.
CAUTION: When servicing the fan, motor may be hot enough to cause pain or injury. Allow motor to cool before servicing.
- Precaution should be taken in explosive atmospheres.
Receiving
Upon receiving the product check to ensure all items are accounted for by referencing the delivery receipt or packing list. Inspect each crate or carton for shipping damage before accepting delivery. Alert the carrier of any damage detected. The customer will make a notation of damage (or shortage of items) on the delivery receipt and all copies of the bill of lading which is countersigned by the delivering carrier. If damaged, immediately contact your local representative. Any physical damage to the unit after acceptance is not the responsibility of the manufacturer.
Unpacking
Verify that all required parts and the correct quantity of each item have been received. If any items are missing, report shortages to your local representative to arrange for obtaining missing parts. Sometimes it is not possible that all items for the unit be shipped together due to availability of transportation and truck space. Confirmation of shipment(s) must be limited to only items on the bill of lading.
Handling
Move fan to desired location and determine position of access panels, discharge and motor. Make sure the inlet and outlet have at least 2½ times the wheel diameter (duct diameter) before any obstructions like an elbow or transition. Attach the fan to a suitable framework as specified; hanging or base vibration isolators are recommended. See corresponding Fan Dimensions tables; pages 3 and 4 for physical dimensions. Mounting dimensions and vibration isolator centerline information is provided on pages 5 and 6. The motor’s amperage and voltage ratings must be checked for compatibility to supply voltage prior to final electrical connection. Electrical lead-in wires are then connected to the factory supplied safety disconnect switch. All wiring must conform to local and national codes.
Storage
Fans are protected against damage during shipment. If the unit cannot be installed and operated immediately, precautions need to be taken to prevent deterioration of the unit during storage. The user assumes responsibility of the fan and accessories while in storage. The manufacturer will not be responsible for damage during storage. These suggestions are provided solely as a convenience to the user.
Indoor Storage: The ideal environment for the storage of fans and accessories is indoors, above grade, in a low humidity atmosphere which is sealed to prevent the entry of blowing dust, rain or snow. Temperatures should be evenly maintained between 30° to 110°F (-1° to 43°C) (wide temperature swings may cause condensation and “sweating” of metal parts). All accessories must be stored indoors in a clean, dry atmosphere.
Remove any accumulations of dirt, water, ice or snow and wipe dry before moving to indoor storage. To avoid “sweating” of metal parts allow cold parts to reach room temperature. To dry parts and packages, use a portable electric heater to get rid of any moisture buildup. Leave coverings loose to permit air circulation and to allow for periodic inspection.
The unit should be stored at least 3½ inches (89 mm) off the floor on wooden blocks covered with moisture proof paper or polyethylene sheathing. Aisles between parts and along all walls should be provided to permit air circulation and space for inspection.
Inspection & Maintenance During Storage
While in storage, inspect fans once per month. Keep a record of inspection and maintenance performed.
If moisture or dirt accumulations are found on parts, the source should be located and eliminated. At each inspection, rotate the wheel by hand ten to fifteen revolutions to distribute lubricant on motor. If paint deterioration begins, consideration should be given to touch-up or repainting. Fans with special coatings may require special techniques for touch-up or repair.
Machined parts coated with rust preventive should be restored to good condition promptly if signs of rust occur. Immediately remove the original rust preventive coating with petroleum solvent and clean with lint-free cloths. Polish any remaining rust from surface with crocus cloth or fine emery paper and oil. Do not destroy the continuity of the surfaces. Thoroughly wipe clean with Tectyl® 506 (Ashland Inc.) or the equivalent. For hard to reach internal surfaces or for occasional use, consider using Tectyl® 511M Rust Preventive, WD-40® or the equivalent.
Removing From Storage
As fans are removed from storage to be installed in their final location, they should be protected and maintained in a similar fashion until the fan equipment goes into operation.
Dimensional Data

| Direct Drive Filter Option Dimensions | ||||||
| Size | A | B | C | Weight^ | Filter Size | Filter Quantity |
| 60, 70 | 221⁄8 (562) | 12 (305) | 87⁄8 (225) | 40 (18) | 10 x 12 (254 x 305) | 1 |
| 80, 90, 95 | 455⁄8 (1159) | 15 (381) | 117⁄8 (302) | 74 (34) | 14 x 25 (356 x 635) | 1 |
| 97, 98, 99 | 505⁄8 (1286) | 15 (381) | 117⁄8 (302) | 80 (36) | 14 x 25 (356 X 635) | 1 |
| 100 | 471⁄4 (1200) | 17 (432) | 137⁄8 (352) | 88 (40) | 16 x 20 (406 x 508) | 2 |
| 120 | 523⁄16 (1326) | 19 (483) | 157⁄8 (403) | 114 (52) | 16 x 25 (406 x 635) | 2 |
| 130 (HP) | 463⁄8 (1178) | 21 (533) | 177⁄8 (454) | 120 (54) | 20 x 20 (508 x 508) | 2 |
| 140 (HP) | 523⁄8 (1330) | 23 (584) | 197⁄8 (505) | 174 (79) | 20 x 25 (508 x 635) | 2 |
| 160 (HP) | 513⁄8 (1305) | 26 (660) | 227⁄8 (581) | 246 (112) | 20 x 20 (508 x 508) | 4 |

All dimensions in inches (millimeters) and weight is shown in pounds (kilograms).Weight shown is standard galvanized construction and largest cataloged open drip proof motor. Note: 24 inch side clearance is recommended for accessing and removing filters.
| Direct Drive Fan Dimensions | ||||||
| Size | A | B | C | D | Damper | Weight^ |
| 60, 70 | 12 (305) | 13 (330) | 12 (305) | 87⁄8 (225) | 9 (229) | 26 (12) |
| 80, 90, 95 | 15 (381) | 16 (406) | 15 (381) | 117⁄8 (302) | 12 (305) | 41 (19) |
| 97, 98, 99 | 15 (381) | 21 (533) | 15 (381) | 117⁄8 (302) | 12 (305) | 49 (22) |
| 100 | 17 (432) | 21 (533) | 17 (432) | 137⁄8 (352) | 14 (356) | 56 (25) |
| 120 | 19 (483) | 21 (533) | 19 (483) | 157⁄8 (403) | 16 (406) | 67 (30) |
| 130 (HP) | 21 (533) | 21 (533) | 21 (533) | 177⁄8 (454) | 18 (457) | 67 (30) |
| 140 (HP) | 23 (584) | 22 (559) | 23 (584) | 197⁄8 (505) | 20 (508) | 104 (47) |
| 160 (HP) | 26 (660) | 26 (660) | 26 (660) | 227⁄8 (581) | 23 (584) | 160 (73) |
| Belt Drive Filter Option Dimensions | ||||||
| Size | A | B | C | Weight^ | Filter Size | Filter Quantity |
| 70, 80, 90 | 537⁄8 (1368) | 171⁄8 (435) | 117⁄8 (302) | 168 (76) | 16 x 20 (406 x 508) | 2 |
| 100 | 537⁄8 (1368) | 171⁄8 (435) | 137⁄8 (352) | 169 (77) | 16 x 20 (406 x 508) | 2 |
| 120 | 583⁄4 (1492) | 191⁄8 (486) | 157⁄8 (403) | 194 (88) | 16 x 25 (406 x 635) | 2 |
| 130 (HP) | 531⁄4 (1353) | 211⁄8 (537) | 177⁄8 (454) | 197 (89) | 20 x 20 (508 x 508) | 2 |
| 140 (HP) | 59 (1500) | 231⁄8 (537) | 197⁄8 (505) | 231 (105) | 20 x 25 (508 x 635) | 2 |
| 160 (HP) | 583⁄4 (1492) | 261⁄8 (664) | 227⁄8 (581) | 285 (129) | 20 x 20 (508 x 508) | 4 |
| 180 (HP) | 603⁄4 (1543) | 271⁄8 (689) | 237⁄8 (606) | 293 (133) | 20 x 25 (508 x 635) | 4 |
| 200 (HP) | 693⁄8 (1762) | 311⁄8 (791) | 277⁄8 (708) | 361 (164) | 12 x 25 (305 x 635) | 3 |
| 16 x 25 (406 x 635) | 3 | |||||
| 240 (HP) | 711⁄2 (1816) | 381⁄8 (968) | 347⁄8 (886) | 496 (225) | 20 x 25 (508 x 635) | 4 |
| 16 x 25 (406 x 635) | 4 | |||||
| 300 (HP) | 721⁄8 (1832) | 46 (1168) | 417⁄8 (1064) | 759 (344) | 20 x 25 (508 x 635) | 8 |
| 360 (HP) | 791⁄4 (2013) | 52 (1321) | 477⁄8 (1216) | 957 (434) | 16 x 25 (406 x 635) | 10 |
| 20 x 25 (508 x 635) | 5 | |||||
| 420 | 931⁄8 (2365) | 58 (1473) | 537⁄8 (1368) | 1185 (538) | 16 x 25 (406 x 635) | 5 |
| 20 x 25 (508 x 635) | 10 | |||||

All dimensions in inches (millimeters) and weight is shown in pounds (kilograms).Weight shown is standard galvanized construction and largest cataloged open drip proof motor. Note: 24 inch side clearance is recommended for accessing and removing filters
| Belt Drive Fan Dimensions | |||||||||
| Size | A | B | C | D | *E | *F | *G | Damper | Weight^ |
| 70, 80, 90 | 171⁄8 (435) | 21 (533) | 171⁄8 (435) | 117⁄8 (302) | 173⁄4 (451) | 13 (330) | 131⁄4 (337) | 12 (305) | 106 (48) |
| 100 | 171⁄8 (435) | 21 (533) | 171⁄8 (435) | 137⁄8 (352) | 173⁄4 (451) | 13 (330) | 131⁄4 (337) | 14 (356) | 107 (49) |
| 120 | 191⁄8 (486) | 21 (533) | 191⁄8 (486) | 157⁄8 (403) | 20 (508) | 17 (432) | 131⁄4 (337) | 16 (406) | 124 (56) |
| 130 (HP) | 211⁄8 (537) | 21 (533) | 211⁄8 (537) | 177⁄8 (454) | 20 (508) | 17 (432) | 131⁄4 (337) | 18 (457) | 131 (59) |
| 140 (HP) | 231⁄8 (587) | 22 (559) | 231⁄8 (587) | 197⁄8 (505) | 20 (508) | 17 (432) | 131⁄4 (337) | 20 (508) | 146 (66) |
| 160 (HP) | 261⁄8 (664) | 26 (660) | 261⁄8 (664) | 227⁄8 (581) | 20 (508) | 17 (432) | 131⁄4 (337) | 23 (584) | 188 (85) |
| 180 (HP) | 271⁄8 (689) | 28 (711) | 271⁄8 (689) | 237⁄8 (606) | 20 (508) | 17 (432) | 131⁄4 (337) | 24 (610) | 195 (88) |
| 200 (HP) | 311⁄8 (791) | 32 (813) | 311⁄8 (791) | 277⁄8 (708) | 30 (762) | 20 (508) | 16 (406) | 28 (711) | 246 (111) |
| 240 (HP) | 381⁄8 (968) | 34 (864) | 381⁄8 (968) | 347⁄8 (886) | 30 (762) | 20 (508) | 16 (406) | 35 (889) | 350 (159) |
| 300 (HP) | 46 (1168) | 38 (965) | 46 (1168) | 417⁄8 (1064) | 34 (864) | 22 (559) | 18 (457) | 42 (1067) | 537 (244) |
| 360 (HP) | 52 (1321) | 42 (1067) | 52 (1321) | 477⁄8 (1216) | 34 (864) | 22 (559) | 18 (457) | 48 (1219) | 686 (311) |
| 420 | 58 (1473) | 50 (1270) | 58 (1473) | 537⁄8 (1368) | 34 (864) | 22 (559) | 18 (457) | 54 (1372) | 789 (358) |
Mounting
NOTE: Flex duct is recommended for mounting to the inlet of the fan to allow for fitting adjustments. If the inlet venturi requires adjustment, it can be detached from the unit via the fasteners located on the inlet panel.
All fan models can be mounted horizontally, vertically or at an angle. For ease of installation, knockouts are provided at each location where mounting brackets are shown in Figures 5, 6 and 7. Optional brackets are universally adjustable to mount in any of these locations.
With either a hanging or base mount the motor may be located on either side. The base mount allows top access panels only.
With a hanging mount, the motor may be located on either top or bottom. The base mount allows top motor location only. Both options provide access panels on two sides.
Mounting brackets are turned 90° for vertical mounting. Access panels are located on the two sides adjacent to the motor.
| Direct Drive Mounting Dimensional Data | |||||||
| Size | A | B | C | D | E | F | G* |
| 60, 70 | 105⁄8 (269) | 163⁄4 (424) | 145⁄8 (372) | 87⁄8 (225) | 197⁄8 (504) | 67⁄8 (176) |
See note |
| 80, 90, 95 | 131⁄4 (338) | 193⁄4 (500) | 151⁄8 (384) | 93⁄8 (238) | 43 (1093) | 273⁄8 (695) | |
| 97, 98, 99 | 185⁄8 (473) | 193⁄4 (500) | 151⁄8 (384) | 93⁄8 (238) | 483⁄8 (1228) | 273⁄8 (695) | |
| 100 | 185⁄8 (473) | 213⁄4 (551) | 195⁄8 (499) | 137⁄8 (352) | 433⁄4 (1112) | 223⁄4 (579) | |
| 120 | 185⁄8 (473) | 233⁄4 (602) | 215⁄8 (549) | 157⁄8 (403) | 491⁄8 (1247) | 281⁄8 (715) | |
| 130 (HP) | 185⁄8 (473) | 253⁄4 (653) | 235⁄8 (600) | 177⁄8 (454) | 44 (1118) | 23 (585) | |
| 140 (HP) | 195⁄8 (498) | 273⁄4 (704) | 255⁄8 (651) | 197⁄8 (505) | 50 (1271) | 28 (713) | |
| 160 (HP) | 231⁄2 (596) | 31 (789) | 283⁄4 (730) | 227⁄8 (581) | 491⁄2 (1257) | 235⁄8 (601) | |
| Belt Drive Mounting Dimensional Data | |||||||
| 70, 80, 90, 100 | 18 (457) | 2113⁄16 (554) | 197⁄8 (505) | 141⁄8 (359) | 507⁄8 (1292) | 297⁄8 (758) |
See note |
| 120 | 18 (457) | 2313⁄16 (605) | 217⁄8 (556) | 161⁄8 (410) | 553⁄4 (1416) | 343⁄4 (883) | |
| 130 (HP) | 18 (457) | 2513⁄16 (656) | 237⁄8 (607) | 181⁄8 (460) | 501⁄4 (1276) | 291⁄4 (743) | |
| 140 (HP) | 19 (483) | 2713⁄16 (707) | 257⁄8 (657) | 201⁄8 (511) | 56 (1424) | 34 (865) | |
| 160 (HP) | 23 (584) | 313⁄16 (792) | 29 (737) | 231⁄8 (587) | 553⁄4 (1416) | 293⁄4 (756) | |
| 180 (HP) | 25 (635) | 323⁄16 (817) | 30 (762) | 241⁄8 (613) | 573⁄4 (1467) | 293⁄4 (756) | |
| 200 (HP) | 29 (737) | 363⁄16 (919) | 34 (864) | 281⁄8 (714) | 663⁄8 (1686) | 343⁄8 (873) | |
| 240 (HP) | 31 (787) | 433⁄16 (1097) | 41 (1042) | 351⁄8 (892) | 681⁄2 (1740) | 341⁄2 (876) | |
| 300 (HP) | 35 (889) | 51 (1297) | 463⁄4 (1188) | 407⁄8 (1038) | 691⁄8 (1755) | 313⁄8 (797) | |
| 360 (HP) | 393⁄8 (1000) | 57 (1449) | 525⁄8 (1337) | 463⁄4 (1187) | 765⁄8 (1948) | 343⁄4 (881) | |
| 420 | 47 (1195) | 63 (1602) | 585⁄8 (1488) | 523⁄4 (1338) | 901⁄4 (2292) | 405⁄8 (1031) | |
Duct Length
The inlet and outlet duct length should be approximately two to three wheel diameters long before and after the fan to achieve cataloged performance.

Side Discharge
Make sure discharge is oriented in the same direction as originally ordered, performance will change with different discharge positions. Refer to Figure 8 for proper side discharge definition and the Side Discharge chart for dimensions. Consult factory for performance corrections.
| Direct Drive Side Discharge Duct Openings | ||
| Size | Width | Height |
| 60, 70 | 97⁄8 (251) | 87⁄8 (225) |
| 80, 90, 95 | 127⁄8 (327) | 117⁄8 (302) |
| 97, 98, 99 | 137⁄8 (352) | 117⁄8 (302) |
| 100 | 137⁄8 (352) | 137⁄8 (352) |
| 120 | 157⁄8 (403) | 157⁄8 (403) |
| 130 (HP) | 177⁄8 (454) | 177⁄8 (454) |
| 140 (HP) | 197⁄8 (505) | 197⁄8 (505) |
| 160 (HP) | 227⁄8 (581) | 227⁄8 (581) |
| Belt Drive Side Discharge Duct Openings | ||
| 70, 80, 90, 100 | 121⁄2 (317) | 137⁄8 (352) |
| 120 | 121⁄2 (317) | 157⁄8 (403) |
| 130 (HP) | 121⁄2 (317) | 177⁄8 (454) |
| 140 (HP) | 131⁄2 (342) | 197⁄8 (505) |
| 160 (HP) | 171⁄2 (444) | 227⁄8 (581) |
| 180 (HP) | 191⁄2 (494) | 237⁄8 (606) |
| 200 (HP) | 231⁄2 (596) | 277⁄8 (708) |
| 240 (HP) | 251⁄2 (647) | 347⁄8 (886) |
| 300 (HP) | 317⁄8 (810) | 417⁄8 (1064) |
| 360 (HP) | 327⁄8 (835) | 377⁄8 (962) |
| 420 | 347⁄8 (886) | 437⁄8 (1114) |
Hanging Spring Isolator

Hanging Neoprene Isolator

Standing Spring Isolator

Standing Neoprene Isolator
| Direct Drive Isolator Dimensional Data | ||||||
| Size | H | I | J | J1 | K | L |
| 60, 70 |
13⁄8 (35) |
51⁄2 (140) |
13⁄8 (35) |
23⁄8 (60) |
63⁄4 (171) |
25⁄16 (59) |
| 80, 90, 95 | ||||||
| 97, 98, 99 | ||||||
| 100 | ||||||
| 120 | ||||||
| 130 (HP) | ||||||
| 140 (HP) | ||||||
| 160 (HP) | 13⁄8 (35) | 51⁄2 (140) | 13⁄8 (35) | 21⁄2 (64) | 63⁄4 (171) | 25⁄8 (67) |
| Belt Drive Isolator Dimensional Data | ||||||
| 70, 80, 90 |
13⁄8 (35) |
51⁄2 (140) |
13⁄8 (35) |
23⁄8 (60) |
63⁄4 (171) |
25⁄8 (67) |
| 100 | ||||||
| 120 | ||||||
| 130 (HP) | ||||||
| 140 (HP) | ||||||
| 160 (HP) |
13⁄8 (35) |
51⁄2 (140) |
13⁄8 (35) |
21⁄2 (64) |
63⁄4 (171) |
25⁄8 (67) |
| 180 (HP) | ||||||
| 200 (HP) | ||||||
| 240 (HP) | ||||||
| 300 (HP) | ||||||
| 360 (HP) | ||||||
| 420 | ||||||
Pre Start-Up Checks
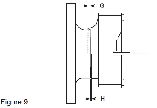
- Check all fasteners for tightness. The wheel should rotate freely and be aligned as shown in Figure 9. Wheel position is preset and the unit is tested at the factory. Movement may occur during shipment, and realignment may be necessary. Centering can be accomplished by loosening the bolts holding the inlet (venturi) panel and repositioning. Wheel and inlet cone overlap can be adjusted by loosening the setscrews in the wheel and moving the wheel to the desired position.
| Wheel Overlap Dimensions | ||||
| Size | Direct Drive | Belt Drive | G – Overlap in. (mm) | H – Gap in. (mm) |
| 60-95 | x | – | 1/8 (3) | |
| 97-99 | x | 1/4 (6) | ||
| 100-160 | x | 1/4 (6) | – | |
| 70-160 | x | 1/4 (6) | – | |
| 180-240 | x | 3/8 (10) | – | |
| 300-420 | x | 1/2 (13) | – | |

- Wheel Rotation: Direction of wheel rotation is critical. Reversed rotation will result in poor air performance, motor overloading and possible burnout. Check wheel rotation by momentarily energizing the unit (all direct and belt drive fans have Figure 10 clockwise wheel rotation when viewed from top of fan). Rotation should be clockwise as shown in Figure 10 and correspond to the rotation decal on the unit. If wheel rotation is incorrect, reverse two of the wiring leads for 3 phase or check motor wiring for single phase. Fan rpm should be checked and verified with a tachometer.

WARNING: Correct direction of wheel rotation is critical. Reversed rotation will result in poor air performance, motor overloading and possible burnout. - Vibration Isolators: After fan is moved to desired location, punch out the four knockout holes which are located on the unit top and bottom panels. Assemble the brackets to the unit according to the appropriate drawings on page 6 and refer to respective parts list on page 11. Make certain all connectors are tight and that all washers are in.
- For Belt Drive Fans: If adjustments are made, it is very important to check the pulleys for proper alignment. Misaligned pulleys lead to excessive belt wear, vibration, noise, and power loss; Figure 11.
- For Belt Drive Fans: Belt tension can be adjusted by loosening four fasteners marked “R” on the drive frame. (Refer to Figure 12). The motor plate slides on the slotted adjusting arms. Belt tension should be adjusted to allow 1/64 inch of deflection per inch of belt span. For example, a 15 inch belt span should have 15/64 inch (or about 1/4 inch) of deflection with moderate thumb pressure at mid-point between pulleys (see Figure 13). Over-tightening will cause excessive bearing wear and noise. Too little tension will cause slippage at start-up and uneven wear.

- The adjustable motor pulley is factory set for the RPM specified. Speed can be increased by closing or decreased by opening the adjustable motor sheave. Two groove variable pitch pulleys must be adjusted an equal number of turns open or closed. Any increase in speed represents a substantial increase in the horsepower required by a unit. Motor amperage should always be checked to avoid serious damage to the motor when speed is varied.


IMPORTANT: The fan has been checked for mechanical noises at the factory prior to shipment. If mechanical noise should develop, suggested corrective actions are offered in the Troubleshooting section.Over-tightening will cause excessive bearing wear and noise. Too little tension will cause slippage at start-up and uneven wear.Adjust (tighten) belt tension after the first 24-48 hours of operation.
Operation
- Before starting up or operating fan, check all fasteners for tightness. In particular, check the setscrews in wheel hub (and pulleys, if applicable).
- While in the OFF position or before connecting the fan to power, turn the fan wheel by hand to be sure it is not striking the venturi or any obstacle.
- Start the fan and shut it off immediately to check rotation of the wheel with directional arrow in the motor compartment, see Figure 10.
- When the fan is started, observe the operation and check for any unusual noises.
- With the system in full operation and all ductwork attached, measure current input to the motor and compare with the nameplate rating to determine if the motor is operating under safe load conditions.
- Keep inlets and approaches to fan clean and free from obstruction.
Inspection
- Inspection of the fan should be conducted at the
- first 30 minute and 24 hour intervals of satisfactory operation.
30 Minute Interval
- Inspect bolts, setscrews and motor mounting bolts. Adjust and tighten as necessary.
24 Hour Interval
- Check all internal components. On belt drive fans only, inspect belt alignment and tension. Adjust and tighten as necessary.
Troubleshooting
WARNING: Before taking any corrective action, make certain unit is not capable of operation during repairs.
| PROBLEM | CAUSE | CORRECTIVE ACTION |
|
Excessive noise or vibration | Wheel unbalance | Clean all dirt off wheel. Check wheel balance, rebalance in place if necessary. |
| Bad bearings | Replace. | |
| Belts too tight or too loose | Adjust tension, see Figure 12. | |
| Wheel improperly aligned and rubbing | Center wheel on inlet, see Figure 9. | |
| Loose drive or motor pulleys | Align and tighten. See “Pre Start-Up Checks”, on pages 7 and 8. | |
| Foreign objects in wheel or housing | Remove objects, check for damage or unbalance. | |
|
Reduced airflow | System resistance too high | Check system: Proper operation of backdraft or control dampers, obstruction in ductwork, clean dirty filters. |
| Unit running backwards | Correct. See Wheel Rotation on page 7. | |
| Excessive dirt buildup on wheel | Clean wheel. | |
| Improper wheel alignment | Center wheel on inlet, see Pre Start-Up Checks and Figure 9. |
Maintenance
Installation and maintenance are to be performed only by qualified personnel who are familiar with local codes and regulations and who are experienced with this type of equipment. Motor maintenance is generally limited to cleaning and lubrication (where applicable). Cleaning should be limited to exterior surfaces only. Removing dust buildup on motor housing ensures proper motor cooling. Greasing of motors is only intended when fittings are provided. Many fractional horsepower motors are permanently lubricated and should not be lubricated after installation. Motors supplied with grease fittings should be greased in accordance with manufacturers’ recommendations. Where motor temperatures do not exceed 104ºF (40ºC), the grease should be replaced after 2,000 hours of running time as a general rule.
Wheels require very little attention when moving clean air. Occasionally, oil and dust may accumulate causing imbalance. When this occurs the wheel and housing should be cleaned to ensure smooth and safe operation.
- All fasteners should be checked for tightness each time maintenance checks are performed prior to restarting unit.
- A proper maintenance program will help these units deliver years of dependable service.
DANGER: Always disconnect, lock and tag power source before servicing. Failure to disconnect power source can result in fire, shock or serious injury.
Tapered Bushing Hub Installation and Removal
For wheel hubs and shaft pulleys utilizing a tapered bushing interface, follow this procedure for installation and removal. There are two possible set ups for the tapered bushing, both have the same procedure, but orientation of the hub varies.
Tapered Bushing Removal
- If present, loosen the setscrew holding the bushing and shaft key in place.
- Loosen and remove the socket head cap screws which fasten the bushing to the hub as shown in the section views and examples of Figures 14-Standard Mounting

Reverse Mounting
- Standard Mounting: Take the two socket head cap screws that were removed and install them into the visibly threaded holes on the wheel hub.
Reverse Mounting: Install the two socket head cap screws into the visibly threaded holes of the bushing flange. - Once both socket head cap screws are installed, tighten them an eighth of a turn at a time, alternating between the two until the hub comes loose from the bushing.
Bushing Installation
- Clean all surfaces of hub and bushing to remove any oil or residue present and do not use any lubricant to install bushing into the hub. For both standard and reverse mounting styles, the socket head cap screws are adjustable from the inlet of the fan.
- Standard Mounting: Slide the bushing and shaft key onto the fan shaft followed by the wheel and hub assembly. If present, use the keyway setscrew to hold the shaft key and bushing in place but DO NOT overtighten as this can damage the bushing. Align the unthreaded holes of the hub with the threaded holes of the tapered bushing.
Reverse Mounting: Slide the wheel and hub assembly onto the fans shaft followed by the bushing and shaft key. If present, use the keyway setscrew to hold the shaft key and bushing in place but DO NOT overtighten as this can damage the bushing. Align the unthreaded holes of the tapered bushing with the threaded holes of the hub. - Install the two bushing socket head cap screws into the aligned holes by hand (or without excessive torque) until the heads of the socket head cap screws are seated against the mating surface.
- Adjust the height of the wheel in the fan relative to the inlet venturi then tighten the two socket head cap screws an eighth turn at a time in an alternating fashion and to a torque of 10 ft-lbs.
Belt/Bearing Maintenance – Belt Drive
- Belts tend to stretch after a period of time. They should be checked periodically for wear and tightness. When replacing belts, use the same type as supplied with the unit.
- Matched belts should always be used on units with multi-groove pulleys.
- For belt replacement, loosen the tensioning device enough to allow removal of the belt by hand. Do not force belts on or off. This may cause cords to break, leading to premature belt failure.
- Once installed, adjust belts as shown in Pre-Start-Up Checks.
- Shaft bearings can be classified in two groups: relubricating and non-relubricating. All bearings on standard belt drive fans are factory lubricated and require no further lubrication under normal use (between -20ºF and 180ºF (-29ºC and 82ºC) in a relatively clean environment).
- Units installed in hot, humid or dirty locations should be equipped with special bearings. These bearings will require frequent lubrication. Caution should be employed to prevent overpacking or contamination.
- Grease fittings should be wiped clean. The unit should be in operation while lubricating. Extreme care should be used around moving parts.
- Grease should be pumped in very slowly until a slight bead forms around the seal. A high grade lithium base grease should be used.
Recommended Relubrication Frequency in Months
NOTE: If unusual environment conditions exist (extreme temperature, moisture or contaminants) more frequent lubrication is required.
A good quality lithium base grease, conforming to NLGI Grade 2 consistency, such as those listed here may be used with fan bearings.
| Suggested Fan Bearing Greasing Intervals | |
| Interval (months) | Type of Service |
| 1 to 3 | Heavy duty in dirty, dusty locations; high ambient temperatures; moisture laden atmosphere; vibration. |
| 3 to 6 | 12 to 24 hours per day, heavy duty, or if moisture is present |
| 6 to 12 | 8 to 16 hours per day in clean, relatively dry atmosphere |
| 12 to 18 | Infrequent operation or light duty in clean atmosphere |
| Grease Manufacturers | |
| Manufacturer | Grease (NLGI #2) |
| Chevron U.S.A. Inc | Chevron SRI Grease 2 |
| Chevron Multifak EP 2 | |
|
Exxon Mobil | Mobilux EP 2 |
| Mobilith SHC 220 | |
| Mobilith AW-2 | |
| Unirex N2 | |
| BP Amoco | Rykon Premium #2 EP |
| Shell | Shell Gadus S2 V220 2 |
Isolator Parts List
| STANDING SUPPORT ISOLATOR | HANGING SUPPORT ISOLATOR | |||||||||||||||||||
![]() | NOTE: Top bracket is reversible for mounting unit 90º from indicated.
4 3 1 5
7 5 6 2 | ![]()
5
1 5
Unit side panel | ||||||||||||||||||
| 2 | 1 Unit side panel
4 | 2 | ||||||||||||||||||
| 5 | ||||||||||||||||||||
| 1
5 2 6
Base fastener by installer | ||||||||||||||||||||
| 5 7 | 5 | 4 |
3 | 2 | 6 | 7 8 | ||||||||||||||
| 6 | ||||||||||||||||||||
| 5 | 5 | 7 | ||||||||||||||||||
| 8 | 5 | |||||||||||||||||||
| 2 6 | ||||||||||||||||||||
| No. | Qty. | Description | Direct or Belt Drive Size 60 thru 140 | Direct or Belt Drive Size 160 thru 420 | No. | Qty. | Description | Direct or Belt Drive Size 60 thru 140 | Direct or Belt Drive Size 160 thru 420 | |||||||||||
| 1 | 8 | Cadmium plated hex head bolts | 3/8 in. – 16 x 1 in. | 3/8 in.-16 x 1 1/4 in. | 1 | 8 | Cadmium plated hex head bolts | 3/8 in. – 16 x 1 in. | 3/8 in.-16 x 1 1/4 in. | |||||||||||
| 2 | 8 | Cadmium plated hex nuts | 3/8 in. – 16 | 3/8 in. – 16 | 2 | 16 | Cadmium plated hex nuts | 3/8 in. – 16 | 3/8 in. – 16 | |||||||||||
| 3 | 4 | Cadmium plated hex head bolts | 5/16 in. – 18 x 1 in. | 3/8 in. – 16 x 1 in. | 3 | 4 | Std. mount bracket with (1) 1/4 in. hole | 3/16 in. | 1/4 in. | |||||||||||
| 4 | 8 | Std. mount bracket with (2) 7/16 in. holes | 3/16 in. | 1/4 in. | 4 | 4 | Std. mount bracket with (2) 7/16 in. holes | 3/16 in. | 1/4 in. | |||||||||||
| 5 | 20 | Cadmium plated washer | 7/8 in. O.D. x 3/8 in. I.D. x 1/16 in. | 7/8 in. O.D. x 3/8 in. I.D. x 1/16 in. | 5 | 24 | Cadmium plated washer | 7/8 in. O.D. x 3/8 in. I.D. x 1/16 in. | 7/8 in. O.D. x 3/8 in. I.D. x 1/16 in. | |||||||||||
| 6 | 12 | Cadmium plated lock washer | 3/8 in. | 3/8 in. | 6 | 12 | Cadmium plated lock washer | 3/8 in. | 3/8 in. | |||||||||||
| 7 | 4 | Cadmium plated washer | 1 3/8 in. O.D. x 9/16 in. I.D. x 3/32 in. | 1 3/8 in. O.D. x 9/16 in. I.D. x 3/32 in. | 7 | 12 | Cadmium plated washer | 1 3/8 in. O.D. x 9/16 in. I.D. x 3/32 in. | 1 3/8 in. O.D. x 9/16 in. I.D. x 3/32 in. | |||||||||||
| 8 | 4 | Neoprene or Spring Isolator | Reference appropriate table below for replacement Isolator(s) | 8 | 4 | Neoprene or Spring Isolator | Reference appropriate table below for replacement Isolator(s) | |||||||||||||
| Replacement Spring Isolator(s) | |||||
| Model | Fan Size | ||||
| Belt Drive | — | 70-130 | 140-200 | 240-300 | 360-420 |
| Direct Drive | 60-100 | 120-140 | 160 | — | — |
| Base Mount | FDS-1-35 BLUE | FDS-1-70 GREEN | FDS-1-120 GRAY | FDS-1-220 BROWN | FDS-1-370 ORANGE |
| Hanging | SH-1-35 BLUE | SH-1-70 GREEN | SH-1-125 GRAY | SH-1-245 BROWN | SH-1-370 ORANGE |
| Replacement Neoprene Isolator(s) | |||
| Model | Fan Size | ||
| Belt Drive | 70-140 | 160-200 | 240-420 |
| Direct Drive | 60-140 | 160 | — |
| Base Mount | R-1 GREEN | R-2 BLACK | R-2 RED |
| Hanging | 40DUR BLACK | 50DUR BLACK | 50DUR BLACK |

Parts List
Each fan bears a manufacturer’s nameplate with model number and serial number embossed. This information will assist the local Accurex representative and the factory in providing service and replacement parts. Before taking any corrective action, make certain unit is not capable of operation during repairs.
CAUTION
A fan manufactured with an explosion resistant motor does not certify the entire unit to be explosion resistant. Refer to UL Listing Mark for the fans approved usage.
Direct Drive Centrifugal Inline Exhaust Fan
Belt Drive Centrifugal Inline Exhaust Fan
Our Commitment
As a result of our commitment to continuous improvement, Accurex reserves the right to change specifications without notice.
Product warranties can be found online at accurex.com, either on the specific product page or in the Warranty section of the website at Accurex.com/Resources/Warranty.
P.O. Box 410 Schofield, WI 54476 Phone: 800.333.1400 • Fax: 715.241.6191 Parts: 800.355.5354 • accurex.com





























