IO HVAC Controls LW-LV Line Voltage Wireless Lodge Watch

LW-LV Line Voltage Wireless Lodge Watch Installation Sheet
IMPORTANT! If door/window sensors are included with receiver module as part of a kit, they are already factory linked. If sensors are provided separately, they will require linking to the receiver module.

Note: The LW-LV Lodge Watch Receiver Module is designed to be mounted outdoors for mini split applications. LW1-WT, LW2-WT, LW3-WT, LW4-WT. Door/Window sensors are only for indoor use. There are no door/window sensors available for outdoor use.
SEQUENCE OF OPERATION
The Lodge Watch is a wireless monitoring and control system designed to reduce energy waste in vacation properties. This is achieved by turning off the HVAC equipment when the doors or windows are left open for more than two minutes. When a door or window is opened a magnet separates from the wireless sensor mounted on the door or window frame. The sensor then sends a signal to the receiver module. If the door or window remain open for more than 2 minutes, the module opens the normally closed “OP” contacts shutting off the HVAC equipment.
LW-TR DOOR/WINDOW SENSOR
The LW-TR Door/Window Sensor is a wireless solar-powered sensor that is factory linked to the Lodge Watch receiver module and sends a wireless message whenever a door or window opens or closes. The sensor is easy to install on door and window frames. As many as 30 LW-TR Door/Window Sensors can be used with a single Lodge Watch Receiver. Typical range is 100 feet.
LW-LV LODGE WATCH RECEIVER MODULE

Features include:
- Sends wireless message to the Lodge Watch receiver whenever a door or window opens or closes.
- Harvests ambient solar energy to power the sensor and send wireless communications.
- Mounts easily on standard doors or windows.
- Supplemental battery power for extreme low-light conditions. Battery has been installed at the factory.
LW-TR SPECIFICATIONS

LW-LV RECEIVER MODULE
The LW-LV Receiver Module contains a pre-wired factory mounted wireless relay receiver, interface board and contactor mounted in a weather proof enclosure with gasket seal. The receiver module is powered by 24 volts AC from a transformer mounted in the outdoor unit.
INSTALLATION PROCEDURES
INSTALLING THE LW-LV RECEIVER MODULE
- NOTE: Installation of this product must be done by a trained, experienced service technician. All wiring must comply with local codes and ordinances.
- CAUTION: Disconnect power before beginning installation to prevent electrical shock or equipment damage.
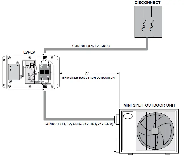
- 1. The LW-LV Receiver Module should be mounted outdoors near the mini split condensing unit.
- The mini split should be well grounded so that any potential effects of electrical noise from the inverter can be minimized.
- When selecting a location for the LW-LV Receiver Module, it should be mounted at least 5 feet away from the outdoor mini split unit on a vertical flat surface that offers easy access for wiring from the outdoor disconnect box to the mini split condensing unit. This distance is recommended to prevent any electric noise created by the inverter that could interfere with the wireless relay receiver reception.
- Mount a multi-tap, step-down, 24 volt, 40VA transformer in the outdoor unit. The transformer will be used to provide 24 volt power to the Receiver Module.
- All wire should be line voltage rated and run through conduit with tight seal fittings to prevent moisture from entering the receiver module.
LW-LV RECEIVER MODULE WIRING

LW-LV RECEIVER MODULE WIRING LAYOUT

LW-LV SPECIFICATIONS
Wireless Relay Receiver

Interface Board

Contactor

PLANNING
- Based on your requirements, decide where to install the sensor and the magnet. For door installations, locate the sensor:
- On the knob side of the door jamb, away from hinges.
- At least 1 ft. above the floor to avoid damage. For window installations, make sure the location does not expose the sensor to contact with water.
- Follow the installation and alignment requirements.
- Install the sensor on the interior side of the fixed frame.

- Remove the mounting bracket from the sensor.
- Position the bracket so that it is as close to the bottom edge of the frame.
- Position the mounting bracket and mark the two mounting screw drill points.
- Insert the first screw loosely and level the mounting bracket.
- Install the second screw, and then hand-tighten the first screw.
- Snap the sensor into the mounting bracket so that the arrow on the side is facing towards the moving part.
- Note: If the frame is metal, use the two-sided tape included with the kit.

- Install the magnet on the interior side of the moving part.
- Remove the two-sided tape on the back of the magnet and position it so that it is centered with the sensor arrow with no more than a .25” gap between the magnet and the sensor.
- Mark the two mounting screw drill points and use the screws provided to secure the magnet to the surface.
- Note: If the moving part is metal, use the two-sided tape attached to the magnet and make sure it is firmly secure to the surface.
MAGNET ALIGNMENT SIDE VIEW

TEST, CHECK AND STARTUP
- Once all sensors are properly mounted and all windows and doors are closed, place the mini split in the cooling mode and confirm the outdoor unit is running.
- Open a door or window to separate the magnet from the sensor.
- The red LED on the relay receiver will go out.
- After 2 minutes, the green LED on the interface board will come on and the outdoor unit will stop running.
- Test each sensor in this manner to confirm communications with the relay receiver.
REPLACING DOOR/WINDOW SENSOR BATTERIES
Each door/window sensor has a battery installed which is used to supplement the solar energy harvester. The battery maintains power where light levels are consistently too low. Only use a CR1225 battery replacement.
- Remove the sensor from its mounting bracket.
- Remove the bottom cap which is closest to the solar panel.
- Remove the old battery and insert a new one with the positive (+) side up and slide it between the two contact terminals with your finger.
- Replace the bottom cap and reinsert the sensor back into it’s mounting bracket making sure that the arrow on the side is facing the magnet.

WARNING: Ensure the battery is properly oriented. Improper handling of lithium batteries may result in heat generation, explosion, or fire. Dispose of old battery in a safe and proper manner. Keep away from children. If swallowed, promptly seek medical attention.
TROUBLESHOOTING

Contains
- FCC: SZV-STM320U
- IC: 5713A-STM320U
This device complies with part 15 of the FCC rules and Industry Canada ICES-003. Operation is subject to the following two conditions: (1) This device may not cause harmful interference, and (2) this device must accept any interference received, including interference that may cause undesired operation.
IMPORTANT! Any changes or modifications not expressly approved by the party responsible for compliance could void the user’s authority to operate this equipment.www.iohvaccontrols.com
For Technical Support Call Toll Free: 866-225-5032 iO-06-1342-092221






















