RECPRO RP-PAFRM Powered Awning 
Package Components



Preparation
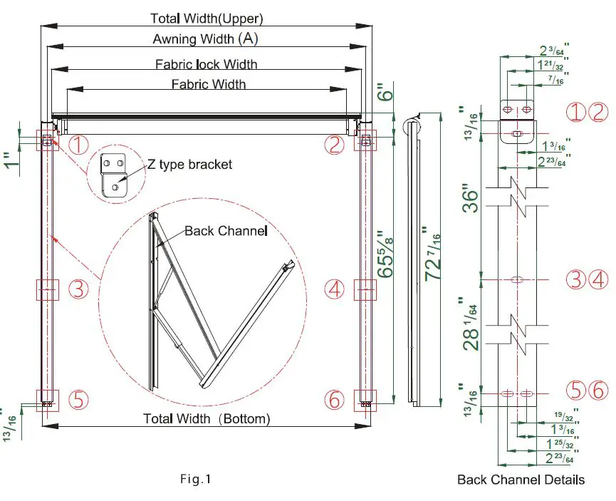
Open the package and check to make sure that all the parts and accessories are included. Gather needed tools, including a hand drill, tape measure, screwdriver, pencil, and ladders. According to your purchased awning size, mark the 6 fixation points for installation. The six fixation points should be calculated according to the calculation formula below.
Note: The 6 mounting points must be in a position on the RV which has strong bearing force.
Installation points 1 & 2, 3 & 4, 5 & 6 must be in the same horizontal position.
Installation points 1 & 5, 2 & 6 must be in the same vertical position.
| Measurement position sheet | |||||||||||||
| Awning Width (A) | 8′ | 9′ | 10′ | 11′ 12′ | 13′ | 14′ | 15′ | 16′ | 17′ | 18′ | 19′ | 20′ | 21′ |
| Total Width (Upper) | 3″ | ||||||||||||
| Fabric lock Width | 5⅛” | ||||||||||||
| Fabric Width | 9 1/64“ | ||||||||||||
| Total Width (Bottom) | 2 23/64“ | ||||||||||||
| Folded arm Height | 72 7/16“ | ||||||||||||
| Extension (Max.) | 8′ | ||||||||||||
Note: A= awning width (left arm center to right arm center)
Please check the above measurement sheet carefully and calculate the correct installation position accordingly.
Step 1
Find the correct installation position and attach the upper holes of the Z type brackets on the RV on points 1 & 2.
Step 2
Insert the back channel of the arms into the Z type brackets.
STEP 3
Attach the bottom holes of the arms (back channel) onto the RV.
Note: After completing step 1-3, please be sure the left and right arms are tied back with the Velcro so that the arms are in a secured position.
Step 4
Attach the fabric lock rail to the wall of the RV. Optional: after installing, use sealant around the fabric lock rail to protect against water leakage.
Step 5
Fabric tube connection. Find the fabric roller tube (right side cover with a motor and wire, left side only with a cover, the rest is the center piece). Take out the tube connector from the roller tube, then connect all tubes with M6 x 16 screws piece by pieces. See illustrations to the right and below. (please be sure all three sides are fixed tightly, or the tube will be curved easily during operation)
Step 6
Insert fabric into fabric tube.
Slide the poly cords on the front of the awning fabric into two of the three grooves on the fabric tube.
Step 7
Insert fabric into fabric lock rail.
Slide the poly cord into the fabric lock rail on the RV wall.
Step 8
Install the roller tube on the left and right arms. Make sure the connecting motor part is on the right arm.
Step 9
After installing the roller tubes, loosen the Velcro on both arms (arms will open slightly but will not open fully). At this time, wire the motor to the switch and power supply temporarily. (Wiring connection instructions on pg 10) After connecting the power supply, open the awning and complete the following steps:
Attach the Z type bracket to the upper arm through the lower hole of the Z type bracket. Attach the middle hole of the arm back channel with the RV.
After attaching the arm, adjust the motor limit position to let the awning work as normal (please refer to step 14)
Step 10
Open and close the awning normally and make sure that the fabric is smooth and stable. If not, pull the fabric to adjust it. After you confirm that your fabric is stable and smooth, use the self-tapping screws to fix the fabric on both ends of the fabric lock rail to ensure a solid fit.
Step 11
Open the awning completely and disconnect the temporary wiring. Connect the power cord of the motor from the hole on the right-side arm then connect it with the cable inside of the arm. Then, hide the connection in the protection shell.
Step 12
Connect the motor to the RV power cord and hide the connector in the protection shell to prevent element damage.
Step 13
Create a hole in the RV wall according to the switch cutout size.
Wiring instructions:
Black wire (-) and red wires (+) are for the 12 volt power, connect with the RV power supply Blue wire and white wire are for the motor. Connect with the motor cable (motor cable no (+) or (-) differences)

Step 14 Motor (DC 12V) limit position adjustment
Motor limit position: To control the awning closing or opening maximum position, adjust the winding number of the motor’s positive and negative directions.
Max open position adjustment
Turn the switch to “open” position. The awning will then open. When the awning cannot be fully opened, insert the adjusting rod into the bottom hole of the motor and adjust it to “+” direction until it’s completely open.
When the awning is fully open but the motor is still running, insert the adjusting rod into the bottom hole of the motor and adjust to the “-“ direction until the motor stops running.
Closing adjustment
Turn the switch to the “close” position. The awning will then close. When the awning cannot fully close, insert the adjusting rod into the upper hole of the motor and adjust to the “-“ direction until the awning is completely closed.
When the awning is completely closed but the motor is still running, insert the adjusting rod into the upper hole of the motor and adjust to “+” direction until the motor stops running.
How to operate awning
Attention: Maintain a horizontal distance of at least 8 feet between the fully open awning and any permanent object. DO NOT face awning toward permanent objects that may interfere with the awning operation. Failure to pay caution may result in injury.
Switch instructions
- With LED light
OPEN: Open the awning
OFF: 1. Awning will stop when button is released no matter how far awning extend/retracted - Turn off the LED Ilights
CLOSE: close awning - Without LED light:
OPEN: Open the awning
OFF: Awning will stop when button is released no matter how far awning extend/retracted
CLOSE: close awning
Adjust Awning Pitch
The fabric roller tube will be lower than the RV’s awning rail when the hardware is fully extended. This pitch
(slope) will help to accommodate water run-off. If a steeper pitch is needed, the fabric roller tube must be lowered.
- With the awning fully extended, loosen
the adjustable knob on the adjustable
pitch arm assembly. - Keep CLEAR of openings around
the adjustable pitch arm assembly
while adjusting the awning pitch
(slope). The adjustable pitch arm
assembly (bottom arm) will telescope.
Failure to use caution may lead to
injury. DO NOT allow the corner of the
entry door to contact the awning fabric.
Contact can lead to wearing and
tearing of the fabric. Pull the top arm
assembly down to lower the fabric roller tube to the desired height. While holding the top arm assembly in place, tighten the adjustable knob to set the pitch (slope). - DO NOT allow water to pool or snow to accumulate on the awning fabric. Pools of precipitation can cause the awning to become unstable and could bend or collapse the assembly. When heavy rain or snow is expected, place the awning in a closed position. Lowering one arm into a water shed position (to create a slope from the other arm assembly) will allow the water to run off during a light rain.
- With the awning fully extended, make sure that the top arm assembly nearest to the entry door is fully extended and that the adjustable knob is tightened.
- Pull the top arm assembly farthest from the entry door down until the awning slopes about 15 degrees maximum from the other arm assembly. After adjusting the angle, lock the knob to use the sloped awning.

Close awning
- Loosen the adjustable knobs to allow the awning to reset to the original position, then, lightly tighten the knobs on both arm assemblies to help make sure a rattle-free travel. Pull the top arm assembly down to verify the knob is not too tight. Adjustable pitch assembly arm MUST still slide as normal.
- Keep CLEAR of the arm assemblies while closing the awning. Arm assemblies will close against the back channel. Failure to use caution could result in serious injury.
- Press and hold toggle switch until the awning is fully closed. Awning will automatically stop when the button is released on matter how far the awning is extended/retracted.

Emergency function – Manual control
- If there is a power cut or motor damage and the awning needs to be used, the manual control system can be used. Each awning is equipped with a motor crank at the motor right side. Use the handle crank to hook the black crank and turn it clockwise or counterclockwise to close or open the awning.
- Note that there should be no object blocking the awning when it’s opened or closed. If the awning is blocked and the manual function continued, it will be damaged.

How to clean awning arms
Regularly wash out the arm channels with a hose in case of dirt and debris, which can cause the arm channels not to slide as easily. It’s also a good idea to lightly spray the inside of the channel with dry silicone lubricant.
Clean the arms periodically. This is the best way to keep the awning arms and braces operating smoothly.
After the arms have been cleaned and dried thoroughly, open the arm locks and spray with dry lubricant to prevent binding and locking.
ATTENTION
Failure to follow the following notices could result in damaged product or property or injury.
Precautions:
DO NOT use pesticides or other sprays near the awning fabric. These could cause stains and could adversely affect the fabric’s ability to repel water.
DO NOT expose awning to adverse environmental conditions, corrosive agents, or other harmful conditions. In the event of high winds, storms, and other adverse weather conditions, roll up your awning to protect it from these conditions.
DO NOT allow the corner of the entry door to contact the awning fabric. This can cause premature wear or tearing of the fabric to occur.
NEVER close the awning for storage when wet. The combination of moisture and dirt could result in mildew, discoloration, and stains. If it is necessary to roll up the awning while it’s wet, make sure you roll it out and let it dry as soon as possible before rolling up again.
DO NOT allow dirt, leaves, or other debris to accumulate on the awning, as this could cause abrasion and stains. Mildew could grow on dirt and organic debris, causing permanent discoloration, stains, and odors to awning fabric.
DO NOT use strong chemicals or abrasives to clean awning or awning assembly. To prevent damage to the surface of the protective layer, a neutral detergent can be used.
NEVER leave the awning open while traveling or moving your RV. Make sure ALL attachments are secure.
DO NOT expose the awning to the direct heat, such as a campfire.
Warranty Information
RecPro Awning Assemblies are covered under warranty for a period of 1 year and includes replacement or refunds for shipping or manufacturing errors. Shipping damage is covered for 30 days after receiving the prod-uct. Make sure to inspect the unit when it arrives for shipping damage. Damage from incorrect use or disregarding the above precautions is not covered under warranty.



























