floorex MET-250 Meteor 250 G3 Variable Speed Floor Grinder
Specifications
| Meteor 250 | |
| Weight | 61kg |
| Dimensions | 463 x 915 x 1077 (Width x Height x Length) |
| Rated Voltage | 230 Volt 50 Hz |
| Rated Watts | 2200W |
| Grinding Path | 250mm |

Safety instructions
- Read and understand the instructions on the machine and in this manual and engine manual (if applicable). Different models may have different parts and controls.
- Equipment should only be operated by trained personnel, in good physical condition and mental health (not fatigued). The operator and maintenance personnel must physically be able to handle the bulk weight and power of this machine.
- This is a one person machine. Maintain a safe operating distance to other personnel.
- This equipment is intended for commercial use.
- For the operators safety of others, always keep all guards and shrouds in place.
- Never start or run machine when unattended.
- This machine is intended for use on floor surfaces only.
- Never start or run machine with handle folded or when disk(s) are not in contact with the surface.
- Do not lend or rent machine without the operating instructions for the machine (and the engine, if applicable).
- Wear clothing suitable for the job and for the work place including, safety shoes, hard hat, hearing protection, non-fogging vented safety goggles, and dust mask suitable for dust.
- Keep body parts or any loose clothing away from moving parts. Failure to comply could result in bodily injury.
- Do not modify machine in any way. Only use genuine METEOR 250 parts and accessories.
- Repairs should be performed by qualified persons only.
- Ensure parts have stopped moving and disconnect power or spark plug when servicing or changing blades or accessories.
- Never operate machine in rain or if heavy moisture is present. (other than under the shroud)
- Do not operate METEOR 250 with any guards, shrouds, covers or doors removed or open.
- The METEOR 250 can produce sound pressure levels greater than 85db. The operator must wear approved safety ear protection.
- Do not allow the supply cord to come in contact with the cutting blade/head or other moving parts of this machine.
- Petrol is extremely flammable and poisonous. Petrol should only be dispensed in well ventilated areas, and only when engine is cool.
- WARNING! POISONOUS EXHAUST GASES. Do not operate petrol powered equipment without adequate ventilation. Carbon monoxide is and invisible odorless gas that can harm or can kill you.
- WARNING! Breathable silica may be generated by use and maintenance of this machine. Silica can cause severe and permanent lung damage, cancer, and or other serious diseases. Do not breathe the dust. Do not rely on your sight or smell to determine if dust is in the air. Silica may be in the air without a visible dust cloud. If air monitoring for silica is not provided by your employer at your work site, you must wear appropriate respiratory protection when operating or maintaining this equipment. Consult your employer for proper respiratory protection.
Operating instructions
- Wear clothes suitable for the job and for the work place including, safety shoes, hard hat, hearing protection, non-fogging vented safety goggles, and dust respirator suitable for dust.
- WARNING! POISONOUS EXHAUST GASES. Do not operate petrol powered equipment without adequate ventilation. Carbon monoxide is an invisible odorless gas that can harm or can kill you.
- Be sure all equipment is tested and tagged prior to use on any job.
- Inspect entire area to be ground before grinding and remove any bolts or concrete nails (etc.) that could damage diamond tooling or machine which could cause a hazardous situation.
- Ensure there are no obstacles or existing structures that could present a hazard to the operator. If so, take necessary action to eliminate the hazard.
- To change the Disk; Fold handle into the tooling mode (see Handle Positions) and lock in place using the locking lever, then tilt machine back so handle is resting on the floor.
- The blade is removed by pushing the lock button located on the right side of the machine and using the spanner (supplied) to loosen the nut on the shaft, (Do not engage this button when shaft is rotating).
- Install appropriate tooling into the machine. Only use genuine METEOR 250 tooling. Failure to comply could result in bodily injury.
- Tighten the Blade using the Spanner and the Lock button as above. Tighten firmly.
- Spin the blade by hand to double check it is fitted properly and spinning true.
- Tooling fitted to this machine must not exceed 35mm high from Face of segment to the face against the machine boss. Floorex does not warrant the machine against damage resulting from after-market tooling.
- Tilt machine back onto the disk and lock handle into the best position in the operate mode for the operator comfort. (See Handle Positions)
- Connect machine to suitable power outlet. Only use heavy duty power lead suitable for high current use (minimum 2.5 mm² cable), no longer than 20 meters. (For petrol powered equipment, refer to engine manual for startup procedure).
- If no power is available within the specified distance, have a qualified person install a suitable power outlet closer to your work. Alternatively use 4mm² cable for up to 50 meters.
- Connect a suitable dust extractor to the machine via a 50mm flexible hose. The machine is designed to take the standard FLOOREX 50mm hose ends to make connection of dust extractors easy and hassle free. Alternatively, water spray using the supplied water connection point can be used to suppress dust.
- Keep machine clear of drainage pits and grates or any such hazard. Failure to comply could result in bodily injury and or could damage the machine or property.
- Ensure machine is on a level surface and handle is not folded (see Handle Positions).
- Switch on the dust extractor or water spray.
- Hold the handles firmly and switch the machine on by pushing the green button.
- If the over-current device trips it indicates a problem. (Undersize power lead or poor power to GPO outlet). Refer above for recommendations on power leads. Rectify problem or decrease load on grinder by using tooling with more surface area. Continuing to use the METEOR 250 when constant tripping occurs, VOIDS THE WARRANTY!
- This machine is designed to operate with the wheels in contact with the floor at all times. Do not operate with wheels off the floor.
- Do not attempt to make any adjustments while the machine is in operation. Any adjustments must only be performed when machine is stopped and power disconnected.
- After a few minutes of grinding check the wear of the diamond tooling. This will pay handsomely if the diamonds are wearing out fast due to soft concrete / abrasive concrete. FLOOREX has a wide range of diamonds to suit every need.
- See the chart on page 10 for tips on how to grind faster on tough concrete and other ways problems can be rectified.
Handle positions


Electrical safety
- All electrical maintenance and repairs to be carried out by qualified persons only.
- CAUTION – Line terminals may be alive when main switch is in the off position. Disconnect all power at source before performing any maintenance or repairs.
- WARNING – DO NOT operate the machine with any electrical panels open.
- WARNING – The METEOR 250 has an overload switch and will trip when under excessive load and will not allow the machine to be switched on if it is overloaded. (Overload will need to be reset when safe to do so). Continuing to use the METEOR 250 when constant tripping occurs, VOIDS THE WARRANTY!
- Never operate machine in the rain or if heavy moisture is present.
- The overcurrent device is there to protect you and the machine from harm. DO NOT alter or adjust the over load in any way. If it is faulty, only replace with original part that is identical to the faulty one.
- Never bypass over-current devices in this machine.
- Never connect or disconnect power cables with voltage present or while under load.
- Disconnect all power connections and observe lock out / tag out procedures before attempting to carry out any maintenance or repair on any equipment.
- Avoid any contact with any rotating parts or driven parts.
- Never use equipment that has not been tested and tagged (including cords).
- Do not operate METEOR 250 with any covers or doors removed or open.
- Before connecting the machine to power, check the condition of all power leads and cables on, or used in conjunction with the machine. DO NOT USE it if any fault(s) cuts; wear marks, Bare wires out of plugs or sockets, etc. Get qualified persons to repair and re-tag it as required by regulations in your country.
Problem-solving
Diamond Grinding has many variables. When you understand some of these, you can solve many problems without a lot of bother and expense.
| PROBLEM | CAUSE | REMEDY | WHAT IS IT DOING? |
| Machine will not start / run. | No power is present at cable end. | Check the power is present with another tool. | Using another tool confirms power is present |
| Machine is trying to start on glue or other sticky substance. | Clear a patch with a scraper and grind into the glue a little at a time. | This means it only tackles a small amount of glue at a time and keeps the glue residue coated with dust, preventing glue build-up on the diamonds. | |
| Power lead is too small in capacity or too long. | Upgrade the power lead to 2.5mm² (20 meters) max or 4mm² (50 meters max). | The long / small capacity cable is too restrictive and
through for the machine to start / run properly. | |
| Machine is not grinding at all. | No blade / accessories in unit. | Fit blade. Note; check wear on machine. | |
| Very hard concrete or glazed topping on concrete. | Turn dust extractor down / restrict flow. Only just control the dust from escaping. | The extra dust accumulating on the floor acts as an abrasive between the segments and the floor thus exposing the diamonds better. | |
| Place river sand or equivalent on the floor. | The sand is an abrasive as described above. | ||
| Use softer grade of diamond tooling. | The softer grade will expose the diamonds better. | ||
| Use coarser diamond tooling. | The coarser diamond tooling can get through the hard topping without wearing out the diamonds too fast. | ||
| The diamonds are wearing out too fast. | The concrete is: *Soft *Abrasive *Rain Damaged *A rough finish (Scarified). | Use a powerful dust extractor to remove as much dust as possible. | The dust, as described acts as an abrasive between the segments exposing the diamonds prematurely, wasting them. |
| Use harder diamond matrix. |
expose as easily. | ||
| Use tooling with more segments or area² of segment. | The tooling with more have the same weight on them, reducing wear. |
Parts Diagram Main

Parts List Handle

Parts Diagram Axle

Parts Diagram Shroud

Parts Diagram Coupling

Parts Diagram Motor


Parts Diagram Handle Lock

Parts Diagram Screen

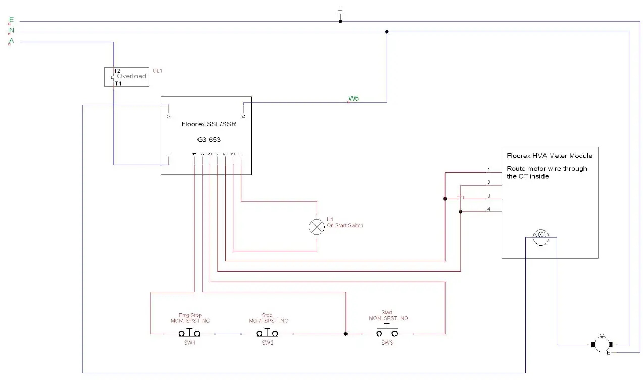
Wiring Diagram
Floorex Products
Your complete supplier of all your concrete surface preparation needs
- Diamond grinders
- Concrete Polishers
- Dust extraction
- Shotblasters
- Screed mixers
- Diamond Tooling
- Floor Scrapers
- Coating application
11 Jennings Road Swan Hill VIC. 3585
Web: www.floorex.com.au
Email: [email protected]























