ACOM1010 HF Linear Amplifier

GENERAL INFORMATION
Congratulations on purchasing one of the finest HF amplifiers in the world today. ACOM is pleased that you have chosen one of our products, and we will endeavor to provide you with the information and support you need to enjoy your purchase for many years. We urge you to read all of the following materials before you embark on operating your new amplifier.
Introduction and Description
This manual explains the installation, operation, and maintenance of the ACOM1010 HF linear amplifier. The ACOM1010 is a self-contained linear amplifier that covers all amateur bands, from 1.8 through 29.7 MHz. It provides over 700 W PEP of output power (or 500 W in continuous-duty operation) with less than 60 W of drive. The amplifier is designed to tolerate VSWR levels of up to 3:1 throughout its operating range, and tuning is simplified by ACOM’s exclusive True Resistance Indicator (TRI). Also, a built-in antenna selector switch with two outputs is included to provide instant choice of antennas. Importantly, a variety of system parameters are continuously monitored and available to the operator to assure safe and efficient amplifier operation.
Owner Assistance
If technical or operating assistance is needed, your local dealer should be contacted first. In the unlikely event you need further information, you may get in touch with ACOM by facsimile, telephone, email or standard mail. Fax: + 359 2 920 9656; telephone: + 359 2 920 9780; e-mail: [email protected];
[email protected]; standard mail: ACOM, Blvd. N .Mushanov 151, 1330 Sofia, Bulgaria.
Equipment Supplied
The ACOM1010 amplifier and this manual are shipped in a cardboard carton.
Features
- Easy operation. The plate-load True Resistance Indicator (TRI) is an ACOM innovation that provides quick and precise tuning, typically in less than 10 seconds. The auto-operate function will return the amplifier to the OPERATE mode automatically after each protection trip, saving time and avoiding manual switching.
- No tuner needed. No external antenna tuner is required as long as the antenna VSWR is 3:1 or lower. The amplifier will perform the functions of an antenna tuner, enabling you to change antennas faster and use them over wide frequency ranges.
- A durable amplifier. This amplifier is both user-friendly and self-monitoring. It is designed to safely withstand up to 240 W of reflected power, up to 100 milliseconds of drive spikes (RF “tails” after a PTT or KEY release), and even operator tuning errors. It is also capable of operating at more than half its designed output power at only 75% of nominal line (mains) voltage. Because it can tolerate deep voltage drops (down to zero for 10 milliseconds) and 15% line voltage spikes, it is particularly suited for use in portable environments, such as field days and DXpeditions.
- LED bar-graph display. The upper LED bar-graph always reads peak forward power (except for the service functions) while the lower LED bar-graph is for the reflected power. LED warning indicators are provided for abnormal conditions of grid 1, grid 2, and plate parameters.
- Antenna selection. Two antenna outputs are selectable on the front panel of the amplifier.
- Efficient tuning. Antenna matching can be achieved in less than 10 seconds and at a quarter of nominal output power, which produces lower risk of interference to other stations and greater safety to the amplifier components.
- Transceiver-independent. The amplifier operates without special signaling from the transceiver; it needs only “ground on TX” and 60 W RF drive power to operate at full output power.
- Input matching. Broadband input matching circuitry offers excellent loading characteristics for the driving transceiver, from 1.8 MHz to 30 MHz.
- Single tube operation. A single Svetlana 4CX800A (GU74B) high-performance ceramic-metal tetrode with plate dissipation of 800 W (forced air cooling, grid-driven) is used for maximum efficiency.
- Permanent monitoring and protection of the plate and grids currents. The Bias Optimizer minimizes heat dissipated by the tube, assuring tube longevity.
- High voltage protection. Design of the high-voltage power supply eliminates the danger of turn-on transients affecting sensitive devices connected to the same line (mains) circuit. Moreover, the amplifier can be configured to accommodate any of 8 nominal line voltages between 100 and 240 V, 50 or 60 Hz.
- Band inclusion. The amplifier can be shipped with 10 and 12-meter capability disabled as required by the Federal Communications Commission (FCC), for United States users. Contact your dealer about enabling those bands.
Safety Considerations, Explicit Definitions
The ACOM1010 HF Linear Amplifier is a Safety Class I unit. The grounding lead (yellow with 2 green stripes) of the power cable and the ground stud on the rear panel of the amplifier (marked GND) must be connected to the station’s grounding system for safe operation. The amplifier is designed to meet international safety standards and complies with CE safety and electromagnetic compatibility requirements, as well as FCC regulations. This operating manual contains an assortment of precautions and warnings that MUST BE FOLLOWED BY THE USER to ensure safe operation of the amplifier.
The safety definitions below apply to this operating manual:
A WARNING is associated with a procedure that, if not properly performed, could result in a fire hazard or electric shock, with resulting injury or death to the user.
A CAUTION is associated with a procedure that, if not properly performed, could result in damage to the amplifier or other equipment.
A NOTE is associated with a procedure that, if not properly performed, could result in inconvenience or physical injury to the user.
WARNING HIGH VOLTAGE!
The amplifier works with voltages up to 3000 V dc, which are potentially LETHAL! You must unplug the amplifier from the line (mains) wall outlet and WAIT AT LEAST 30 minutes before removing the cover of the amplifier. Do not touch any part inside while the amplifier is open because dangerous voltages may remain present.
WARNING HIGH VOLTAGE!
NEVER ALLOW ANYONE, ESPECIALLY CHILDREN, to push anything into the case holes or to otherwise touch the amplifier or its connecting cables. There is grave danger of fatal electrical shock. NEVER TOUCH AN ANTENNA during transmission as this may result in an electric shock or burns. NEVER EXPOSE the amplifier to rain, snow or any liquids. AVOID placing the amplifier in excessively dusty environments. DO NOT OBSTRUCT AIR INTAKE (bottom) or EXHAUST (top cover) areas of the amplifier. Keep a minimum distance of 50cm (20 inches) clear of the air exhaust opening.
WARNING
Do not undertake or perform any repair or adjustment of your amplifier yourself, including any attempt to change hardware or firmware. Doing so creates a potentially fatal shock hazard and may damage the amplifier or equipment connected to it. ACOM is not responsible for any such personal injury or equipment damage, whether caused by accident or as a result of good faith efforts at repair or adjustment.
CAUTION
To avoid damage to the amplifier not covered by ACOM’s warranty, the user is expected to read and comply with the installation instructions contained in Section 2 of this operating manual. If there are any doubts or questions concerning installation, operation or safety of the amplifier, the user should contact ACOM.
INSTALLATION
Unpacking and Initial Inspection
NOTE
The first step to installation is to fully read this manual. Then, carefully inspect the shipping cartons for any physical damage. ACOM ships amplifiers in highly protected containers, but it cannot assure that mistreatment by shippers will not occur. If there is any such damage, notify your ACOM dealer immediately. Failure to do so may invalidate your warranty. In any case, be sure to keep all packing materials for possible future amplifier shipment.
Line Voltage Selection
CAUTION
To avoid damage to your amplifier and to maintain your warranty coverage, be certain that the amplifier line (mains) voltage setting corresponds to your nominal line (mains) voltage.
Normally, the amplifier is delivered with the Voltage Selector set for a nominal line voltage of 240 V. If your line voltage is not 240 V, you must contact your dealer for instructions on how to change the voltage selector inside the amplifier. The only exception to this is if the unit has been custom ordered, in which case the voltage selection will be noted in the Table of Individual Data (Table 2-1, below).
- AMP s/n
- Tube s/n
- Voltage Selector VAC
Amplifier Location Selection
Locate the amplifier as close as possible to where it can be used conveniently. Access to the command knobs and indicator’s area, as well as to the rear panel cabling, will be necessary. No device that is sensitive to magnetic fields, including dynamic microphones, should be located adjacent to the right side of the amplifier, where the power transformer is mounted. The amplifier should generally be placed to the right of your transceiver. No temperature-sensitive devices should be located above the air exhaust ports. This means the amplifier should not be located under a shelf or other structure that could impede the free movement of air away from the amplifier. DO NOT OBSTRUCT AIR INTAKE (bottom) and EXHAUST (top cover) areas of the amplifier. Keep a minimum clear distance of 50cm (20 inches) above the exhaust opening.
Connections
Before applying line (mains) voltage to your amplifier, follow the steps listed below in the order they are presented.
WARNING
Note that your grounding system may have to handle a current of more than 15 Amperes. This requires an adequately sized and well-maintained conductor of at least 4 mm2 (AWG 11 or SWG 13). If this is not the case at your operating location, you should make the necessary changes using a licensed electrician.

- Connect the station’s grounding system to the wing-nut ground stud of the amplifier (on the rear panel, marked GND in Fig. 2-1)
- Connect a suitable coaxial cable between the transceiver output to the amplifier (rear panel) RF INPUT SO-239 connector, using PL-259 connector.
CAUTION
The coaxial cable from the amplifier’s output must be capable of handling the amplifier’s output power safely, particularly on the 10-meter band. It is suggested that, at a minimum, RG8X (including RG8MINI, RK50-4-11, RK50-4-13) or, even better, RG213 (including RK50-7-11) coaxial cable be used. - Connect a suitable coaxial cable from the antenna to the appropriate amplifier output (on the rear panel, marked ANT1 or ANT2), using a PL-259 plug.
- Run a shielded cable from the “ground on transmit” socket or terminal on your transceiver to the amplifier rear panel KEY-IN socket. The KEY-IN socket uses a standard RCA phono plug
NOTES
Your amplifier will not work if KEY-IN is not connected properly.
Transceiver producers assign different names to their “ground on transmit” output terminals, e.g., TX-GND, SEND, T/R-LINE, etc. Some transceivers may require that “ground on transmit” be implemented by a software command, or by changing the setting of a switch on the rear panel or inside the transceiver. Check your transceiver’s manual for more information on keying amplifiers - Preparation of the wall outlet for the amplifier.
WARNING
If your amplifier is only fitted with one line (mains) fuse, it is suitable for the European Community ONLY. Your dealer will check that your amplifier is correctly fused before it is shipped to you, based upon your indicated location. Customers should check with a qualified electrician if the amplifier is to be used outside the country in which it was purchased.
Due to different line (mains) standards in different countries, the dealer will provide the correct Safety Class I plug for your location. The ground lead of the power cable is colored yellow with two green stripes. If you have any doubts about the correct way to connect these wires, consult your dealer.
WARNING
Before connecting the amplifier to your line (mains) supply, be sure that the line (mains) supply is correctly wired and is capable of providing the required current, i.e., up to 5 A from 240 V and 10 A from 120 V. As discussed earlier, it is very important that the ground lead is adequately sized and properly connected.
The Power Switch on the front panel must be in the OFF position; only then should you insert the amplifier’s line (mains) plug into the appropriate wall outlet. At this time the amplifier remains switched off.
POWER ON, CONTROLS AND INDICATORS
CAUTION
Do not turn the amplifier on for at least 2 hours after unpacking it and locating in its operating location. Pay particular attention whenever the amplifier is moved from a very cold place to a very warm one because unseen condensation may develop, and this could result in damage to the high voltage circuits of the amplifier. Under these circumstances, do not turn the amplifier on for at least 4 hours. A similar effect could occur following rapid warming of the location, such as winter use of a powerful electric heater.
CAUTION
To avoid damage that may not be covered by the amplifier warranty, carefully check that the voltage for which the amplifier is set corresponds to your nominal line (mains) voltage. See Section 2-2 and Table 2-1. After following all instructions in Section 2, you may now turn ON the main power switch on the front panel (Fig. 3
- The green LED indicator above the switch will illuminate:

- Note that the upper LED bar-graph always reads peak forward power, except for the service functions (Section 5-5). The 800 W-scale resolution is 50 W. Note also that levels below 50 W may be not detected.
- The lower LED bar-graph will indicate reflected power up to 240 W. The scale resolution is 30 W.
- The OPER button alternatively switches between the operate and standby modes once the amplifier has completed its 150-second warm-up period. See Section 4-2.
- The RTTY button reduces the output power of the amplifier to 500 W. See Section 4-3.
- The button labeled A1-A2 (Section 4-4) changes the antenna output to either antenna 1 or antenna 2, according to the operator’s choice. It is the operator’s responsibility to connect suitable antennas to the ANT1 and ANT2 connectors on the rear panel of the amplifier.
- The red TX LED illuminates whenever the KEY-IN input is keyed (closed to ground), i.e., when the transceiver goes into the transmit mode. See Section 2-4(d).
- The BAND knob controls the band switch, and LOAD and TUNE are used to adjust their respective variable air capacitors in the amplifier’s output circuit.
- The settings of these three controls must be changed at each band change as well as when an antenna is changed. The three LED indicators located above the knob LOAD are called the “TRI tuning indicator” and they are used to achieve antenna impedance matching during a re-tune procedure. Please see Section 4-5 for a discussion of the tuning procedure.
CAUTION
To avoid damage not covered by the amplifier’s warranty, do not turn the BAND switch while transmitting. Switching while transmitting is called “hot switching” and it will cause irreparable damage to the band switch.
There are three warning LED indicators and one fault LED indicator located in the bar-graphs area. The following describe the error conditions and the correct responses (except for the service functions
- Section 5-5):
G1 – when illuminated, a control-grid overload condition exists; reduce the drive power for safe operation; - G2 – when illuminated, a screen-grid overload condition exists; reduce the drive power and/or refresh the tuning (Section 4-5) for safe operation;
- IP – when illuminated, a plate current overload condition exists; reduce the drive power and/or refresh the tuning (Section 4-5) for safe operation;
- F – when illuminated, the amplifier automatic protection has tripped. If F is accompanied with one of the G1, G2, or IP condition indicators, the cause of the protection trip will be evident. When F alone is illuminated, check the keying wiring, Section 2-4(d). See Section 4-6 for details about the auto-protection system.
OPERATION
Operation of the amplifier is simplified through ACOM’s innovative TRI tuning aid, Auto-Operate function, and automatic protection systems. To make full use of the amplifier’s potential and to configure it to local conditions, the following information should be read carefully.
Turning ON and OFF
In order to turn on the amplifier, press the power switch ON at the bottom-right corner of the front panel. The LED indicator above the switch will glow green and the audible cooling fan will start. Following a series of automatic self-tests, the OPER LED will begin to flash green and will continue to do so during the 150-second warm-up period. Throughout this period, the amplifier will remain in the standby mode, and the transceiver may continue to be used. Also during this period, the A1-A2 button may be pressed to change antennas, i.e., between the antennas connected to the ANT1 and ANT2 terminals on the rear panel of the amplifier. Switching between the antennas does not affect the warm-up process.
CAUTION
To avoid damage not covered under warranty, do not change the antenna output during a transmission, i.e., never press the A1-A2 button when transmitting.
NOTE
When you intend to have a short operating break, it is better to place the amplifier in the standby mode rather than turning it off. Tube life is shortened by repeatedly turning it on and off.
After the warm-up period is complete, the OPER LED stops flashing and remains illuminated green.
Changing Operate and Standby Modes
The OPER button changes between two modes. When the green light above the button is illuminated, the amplifier will remain ready to operate, even automatically returning from standby after a high-drive protection trip. That is, after a protection trip, e.g., from an overdrive event, the amplifier will normally shift to the STBY mode for several seconds, but it will automatically return to the OPER mode after that. This is the Auto-Operate feature. Alternatively, the OPER button may be depressed manually to go to and remain in the STBY mode, such as when you leave the station for a while. The green LED goes off and the Auto-Operate function is suppressed temporarily. Pressing the OPER button again restores the Auto-Operate feature.
RTTY Mode
Select the RTTY mode to operate continuous-duty modes such as RTTY, SSTV, or other data modes. The LED indicator above the RTTY button illuminates and the amplifier operating parameters are changed to reduce tube dissipation. In the RTTY mode, the amplifier output power is reduced to a maximum of 500 W. There is no need to adjust tuning when changing between RTTY and normal modes.
CAUTION
To avoid damage not covered under warranty, do not change modes during transmission. That is, do not change to or from RTTY or any other mode when transmitting.
Antenna change
By pressing the A1-A2 button, the amplifier output is switched between the two corresponding antenna outputs, ANT1 and ANT2. The lights above the button indicate the current antenna selection.
CAUTION
To avoid damage (not covered under warranty) do not change the antenna during transmission.
Tuning
Tuning is possible only in the OPER mode.
- Preliminary information.
Tuning the amplifier involves a procedure of matching the impedance of the antenna and transmission line to the amplifier tube’s characteristic load resistance. This will ensure maximum plate efficiency and RF gain at nominal output power, with minimal distortion and spurious output. Note that REFLECTED POWER readings depend on the antenna and transmission line impedances only, and not on amplifier tuning. If the load impedance is not a nominally resistive 50-Ohms, the REFLECTED POWER reading will always show a reading, no matter what the tuning settings. Proper tuning is always necessary, however, and will allow you to operate at a high power level, without distortion or any danger to the amplifier. Note also that the real OUTPUT POWER presented to the load (the antenna and transmission line) is equal to the difference between the FORWARD and REFLECTED power readings. For instance, with a 2.5:1 VSWR, readings of 800 W and 150 W FORWARD POWER and REFLECTED POWER respectively, the real OUTPUT POWER is 650 W. At very high VSWR levels, such as when no antenna is connected or a badly mismatched antenna is used, the FORWARD and REFLECTED readings will be almost equal, while the real OUTPUT POWER (the difference between them) will be nearly zero. The amplifier can operate safely as long as the REFLECTED POWER is LESS THAN 250 W. Matching is assured for loads presenting a VSWR of up to 3:1. Nevertheless, for some loads and bands, matching is possible at even higher VSWR levels, but the drive power must be reduced to prevent the REFLECTED POWER from exceeding 250W. Failure to comply with these guidelines will cause the protection circuits to trip. For example, if the antenna VSWR were 5:1, the maximum attainable forward power would be 540 W, 240 W of reflected power and real output to the antenna and transmission line of only 300 W. In the event your antenna cannot be adjusted to produce a lower VSWR, an external antenna tuner may be deployed.
CAUTION
At elevated VSWR levels, high voltages and high currents are distributed along the coaxial cable to the antenna, risking internal arcing and heat generation, and likely damage to the cable and any antenna switches that may be used. It is recommended that VSWR levels of more than 3:1 not be permitted with coaxial cable above 14 MHz.
It is advisable to adjust amplifier tuning when antennas have been changed, snow has fallen, new objects are in the near field of the antenna, etc. Such changes may affect antenna impedance.
NOTE
If you use more than one antenna on a band, the proper antenna must be selected prior to performing the tuning procedure outlined below.
CAUTION
To avoid damage not covered under warranty, do not switch the BAND switch knob while transmitting. As discussed above, hot switching will damage the amplifier’s band switch!
CAUTION
Also, never apply drive longer than one minute continuously without pausing for at east one minute to allow the tube to cool. It is recommended that for initial tuning a frequency in the middle of the band be used. First, with no transceiver power applied, select the band. Then use Table 4-1 to achieve an approximate preset for both TUNE and LOAD capacitor knob settings:
| Band MHz | LOAD Knob Dial | TUNE Knob Dial |
| 1.800 – 2.000 | 47 – 71 | 54 – 32 |
| 3.500 – 4.000 | 34 – 56 | 51 – 33 |
| 7.000 – 7.300 | 32 – 39 | 36 – 30 |
| 10.100 – 10.150 | 62 – 63 | 50 – 48 |
| 14.000 – 14.350 | 37 – 41 | 38 – 31 |
| 18.068 – 18.168 | 41 – 43 | 50 – 48 |
| 21.000 – 21.450 | 59 – 62 | 16 – 10 |
| 24.890 – 24.990 | 50 – 52 | 49 – 46 |
| 28.000 – 29.700 | 63 – 69 | 23 – 10 |
- Tuning Procedure.
- Once the antenna and band have been selected (and the TUNE and LOAD adjustments have been initially set as indicated in Table 4-1), apply between 10 and 20 W of continuous (key down CW) signal.
- Look at the upper LED bar-graph (FORWARD POWER) and adjust the TUNE (right hand) capacitor for maximum indication.
- Watch the TRI indicator above the LOAD (left hand) capacitor and turn the LOAD capacitor in the indicated direction to center the green LED indicator light.
- Increase the drive power to get the desired nominal output; then repeat steps (2) and (3), always peaking output with the TUNE adjustment.
NOTE
No light on the TRI indicator means that the tuning is too far off. To correct this, turn the LOAD and TUNE knobs around the table-suggested positions until the TRI indicator illuminates.

The TRI indicator will not illuminate until at least 20 W of forward power (output) is achieved. In the event successful matching cannot be accomplished, check the BAND switch position and antenna selection. Then check the antenna VSWR at the same drive frequency.
d) Tuning hint. A benefit of TRI is that the knob positions are virtually independent. The plate-load resistance decreases to the right and increases to the left of the TRI center. A centered tuning indication corresponds to the proper LOAD capacitor tuning, which presents an optimum load resistance to the tube.
If the LOAD knob is turned to the left with a centered TRI, there will be more gain, but less linearity. When available drive power is insufficient or when less output but better efficiency are needed, e.g., for RTTY and SSTV, this may be desirable. Tuning to the right of the center would lead to the opposite result, i.e., less gain and more power attainable. Of course, this requires more drive power, more plate current, and more plate heat, which shortens tube’s-expected life. Off -center tuning may also be used to compensate for line (mains) voltage variations in order to maintain tube efficiency. In that case, tune to the left when line (mains) voltage is high, or tune to the right if it is low. However, where there is more than a 10% difference from the nominal line (mains) voltage, the voltage selector inside the amplifier should be changed. See Section 2-2 (Line Voltage Selection).
The Auto-Protection System
When any abnormal amplifier condition is detected by the auto-protection microprocessor, the risk will be evaluated automatically and either of two levels of protection will be applied:
- The first degree of protection consists of an illuminated LED warning. These include the yellow LED warnings discussed earlier, i.e., “G1” (grid 1), “G2,” (grid 2), and “IP” (plate). Operation may be continued but the amplifier is likely to proceed to the second degree of protection, the trip.
- The second degree of protection is a trip to the standby mode. The red “F” (fault) LED illuminates and the amplifier automatically goes to the standby mode for several seconds. Also, the green OPER LED goes off. The amplifier will indicate the reason for the protection trip:
- if one of the yellow (G1, G2, IP) warning LEDs is illuminated along with the “F” LED, a current limit has been exceeded; drive power must be reduced or retuning is necessary;
- if the last red LED of the reflected-power bar-graph is illuminated together with the “F” LED, the reflected-power limit has been exceeded; the drive must be reduced or the antenna VSWR must be improved.
- if all three LEDs of the TRI are flashing simultaneously together with the “F” LED, the tuning is not adjusted correctly; most likely the antenna impedance has changed and retuning is required.
Fault information normally remains on the display for several seconds while the amplifier is in the standby mode. The auto-operate function will attempt to return the amplifier to the operate mode automatically. If the protection trips repeatedly, the user must attend to the cause of the trip, which is typically too much drive or antenna mismatch.
CAUTION
If all LEDs in the bar-graph area are flashing simultaneously, you must immediately switch off the amplifier to avoid damage.
MAINTENANCE
If no indicator glows upon switching the amplifier on, the main fuse(s) may have blown. See Section 5-2.
Cleaning
WARNING
Do not use solvents for cleaning as they may be dangerous to you and damage amplifier surfaces and plastic components.
Do not open the amplifier. Cleaning the amplifier outer surface may be safely accomplished by using a piece of soft cotton cloth lightly moistened with clean water.
Fuse Replacement
WARNING
If your amplifier is only fitted with one line (mains) fuse, it is suitable for the European Community ONLY. Your dealer will check that your amplifier is correctly fused before it is shipped to you, based upon your indicated location. Customers should check with a qualified electrician if the amplifier is to be used outside the country in which it was purchased.
CAUTION
For 120 V ac operation, the fuses should be rated at 10 A; for 240 V ac operation, the fuses should be rated at 6.3 A. If it is necessary to replace the line (mains) fuses, use only those that are permitted under local safety codes.
The two primary line (mains) fuses in the amplifier are located on the rear panel (Fig. 2-1). They are of the fast (quick blow) type, European size 5 x 20 mm. Use 10 A for 100-120 V ac operation; 6.3 A for 200-240 V ac operation. Suitable types are:
For 120 V: 10 A 250 V 5 x 20 mm fast (quick blow), LITTELFUSE 0217010; Wickmann 1942100000
For 240 V: 6.3 A 250 V 5 x 20 mm fast (quick blow), LITTELFUSE 021706.3; Wickmann 1931630000
Besides the primary fuses, there are also fuses located on the HV PCB and on the MAINS PCB (inside the amplifier). They are European size 5 x 20 mm, 0.8 A, 2 A and 5 A, time lag (slow-blow) type.
Suitable types are:
HV PCB: 2 A 250 V SLOW BLOW (Time Lag) 5 x 20 mm; LITTELFUSE 0218002; Wickmann 1951200000
MAINS PCB: 5 A 250 V SLOW BLOW (Time Lag) 5 x 20 mm; LITTELFUSE 0218005; Wickmann 1951500000
MAINS PCB: 0.8 A 250 V SLOW BLOW (Time Lag) 5 x 20 mm; BUSSMANN type S504-800 mA
These latter fuses must not be replaced by the user. Replacing these internal fuses is potentially dangerous and must be done only by a trained service technician. Contact your ACOM dealer for assistance.
Tube Replacement
A single Svetlana 4CX800A (GU74B) high-performance ceramic-metal tetrode is used in the amplifier. Replacement is a complex and potentially dangerous operation that involves adjustment of the plate idling current. This should not be attempted by the user. Contact your ACOM dealer.
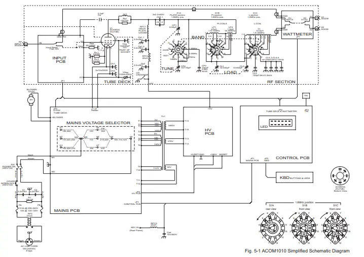
Simplified Schematic Diagram
See Fig. 5-1 ACOM1010 Simplified* Schematic Diagram. The 4CX800A (GU74B) Svetlana high performance ceramic-metal tetrode (V1) with plate dissipation of 800 W is grid-driven. The input signal from the RF INPUT jack is passed through a broadband input matching circuit, which consists of components on the INPUT PCB and includes the drive-power swamping resistor Rsw. This circuit tunes out the input capacitance of the tube. The swamping resistor Rsw is a termination load for the matching circuit and can dissipate up to 80 W of RF drive power. It also eliminates any tendency toward oscillation by the tube, ensuring excellent RF stability of the amplifier.
The cathode resistor Rc creates DC and RF negative feedback, thus stabilizing gain and equalizing frequency response. The combination Lp1-Rp1 in the plate circuit is a VHF/UHF parasitic suppressor. DC plate voltage is fed through chokes RFC1-RFC2 and the capacitor Cb3 blocks it from the output. The output tank, comprised of LP1, LP2, LL, CP1-CP3, and CL1-CL4 , forms a classic Pi-L network and suppress harmonic frequency emissions. This circuit is switched and tuned by S1A-S1C and the air variable capacitors CP1, 2 and CL1, 2. The output signal is fed through the antenna relays K1 and K2 in the WATTMETER PCB. The WATTMETER PCB also includes a high-pass filter for frequencies below 100 kHz, and it prevents the plate supply from reaching the antenna.
The plate RF voltage is monitored through the capacitor Ca and together with the RF WATTMETER is the main source of information for the control circuit of the amplifier in evaluating tuning quality. The control circuit is based on the ATMEGA-8L micro-controller from Atmel. All voltages are delivered from the line (MAINS) and HV PCBs. The currents of the control grid, screen grid, and the plate, as well as the reflected power and tuning quality, etc., are continuously monitored by the micro-controller. Many software-derived protections are based on this information.
* Detailed electrical schematic diagrams are available from ACOM or from your dealer on request.
Service Functions
By pressing the OPER and RTTY buttons simultaneously, the upper LED bar-graph is switched to the service mode, which is indicated by both red bar-graph lights and the yellow G1 light illuminating. Pressing the OPER and RTTY buttons together again will select additional service measurement functions. Pressing them a final time will return the amplifier to the normal operating mode. These steps are detailed below:
- Press the OPER and RTTY buttons together. The two red lights on the right side of the upper bar-graph will illuminate to confirm that the amplifier is in the service mode. The yellow G1 light will also illuminate. The upper bar-graph should show a grid 1 current reading no higher than 5 mA (5 LEDs illuminated).
- Pressing the OPER and RTTY buttons once again will now illuminate the yellow G2 light. This provides an approximate reading of grid 2 voltage. The upper bar graph should show a voltage reading within the range of either 270-300 Volts (9-10 LEDs illuminated) for RTTY or 210-330 Volts (7 to 11 LEDs illuminated) for SSB and CW.
- Pressing the OPER and RTTY buttons yet again will illuminate the yellow IP light. This provides an approximate reading of combined plate current and grid 2 current. The reading should be no higher than 500 mA (10 LEDs illuminated) for RTTY or 600 mA (12 LEDs illuminated) for SSB and CW.
- Pressing the OPER and RTTY buttons a final time will restore the upper bar-graph to its normal function of indicating peak forward power.
NOTE
The auto-protection system will continue to operate in the service mode.
SPECIFICATIONS
Parameters
- Frequency Coverage: All amateur bands in the 1.8-29.7 MHz frequency range; extensions and/or changes on request.
- Power Output: 700 W PEP or 500 W continuous carrier.
- Intermodulation Distortion: Better than 35 dB below rated output.
- Hum and noise: Better than 40 dB below rated output.
- Harmonic Output Suppression: Better than 50 dB below rated output.
- Input and Output Impedance:
- Nominal value: 50 Ohm unbalanced, UHF (SO-239) type connectors;
- Input circuit: broadband, VSWR less than 1.3:1, 1.8-30 MHz continuously (no tuning, no switching);
- Bypass path: VSWR less than 1.1:1, 1.8-30 MHz continuously, 200 W maximum;
- Output (antenna) impedance matching capability: VSWR up to 3:1 or higher.
- RF Gain: 11dB typically, frequency response less than 1dB (50 to 70 W drive power for rated output).
- Primary Power: 85-132 V/170-264 V ac (100, 110, 120, 200, 210, 220, 230 & 240 V nominal taps), +10% -15% tol.), 50-60 Hz, single phase, 1200 VA.
- Complies with CE safety and electromagnetic compatibility requirements as well as FCC-regulations (10 & 12 m band locks provided).
- Size & Weight (operating): WxDxH: 402x315x166 mm, 16 kg (15.83×12.4×6.5 inches, 35.3 Lbs).
- Operating environments:
- Temperature range: 0 to +50 degrees Celsius;
- Humidity: up to 95% @ +35 degrees Celsius.
- Height: up to 3000 m above sea level without output deterioration.
Functions
- Antenna Impedance Matching Process: aided by a plate-load True Resistance Indicator (TRI).
- Two antenna outputs selectable by a button on the front panel.
- Protections:
- Cover interlock for operator’s safety;
- Inrush power-on current limited to the nominal consumption;
- Control grid, screen grid, and plate currents;
- T/R sequencing;
- Antenna relay contacts, including RF power induced in antenna from another nearby transmitter;
- Antenna matching quality;
- Reflected power.
- LED bar-graphs for forward peak power and reflected power.
- Service visualization of grid 1 DC current, grid 2 DC voltage, and plate DC current.
- Tube: a single Svetlana 4CX800A (GU74B) high-performance ceramic-metal tetrode with plate dissipation of 800 W, grid driven, forced air-cooling.
Storage and Shipment
CAUTION
Should it be necessary to ship the amplifier, use the original packing as described below.
Switch off the amplifier, pull the line (mains) plug out of the outlet, disconnect all cables from the rear panel of the amplifier (remove the ground connection the last), and then pack the amplifier in its original carton.
- Acceptable storage environment: The amplifier may be kept packed in a dry, ventilated and unheated location (with no chemically active substances such as acids or alkalis) within the following environment ranges:
- Temperature range: -40 to +70 degrees Celsius
- Humidity: up to 75% @ +35 degrees Celsius.
- Shipping Size and Weight: WxDxH: 535x445x270 mm, 19 kg (21×17.5×10.6 inches, 41.9 Lbs).
- All types of transportation may be used, including storage in an aircraft baggage compartment at up to 12000 meters above sea level.




















