CL114 Nitrogen Infusion Box
User Guide
Nitrogen Infusion Box
READ AND SAVE THESE INSTRUCTIONS
NOTICE TO INSTALLER: Please leave this booklet with the machine.
KEY FEATURES/SPECIFICATIONS/SYSTEM REQUIREMENTS
Key Features
- Converts existing, N2 pressurized, cold brew and drink systems for nitrogen infused cold drink dispensing.
- Gives cold drinks a creamy, velvety texture and taste. Can be used with cold brew coffee, beer, dairy drinks and juices.
- Compact design allows for under-counter installation.
- Equipped with quick connect system for fast installation.
- 2 and 3 head versions enable you to serve more than one type and flavor of nitrogen infused cold drink at a time (additional pouring heads required). You can also custom tailor the amount of nitrogen infusion for each beverage individually.
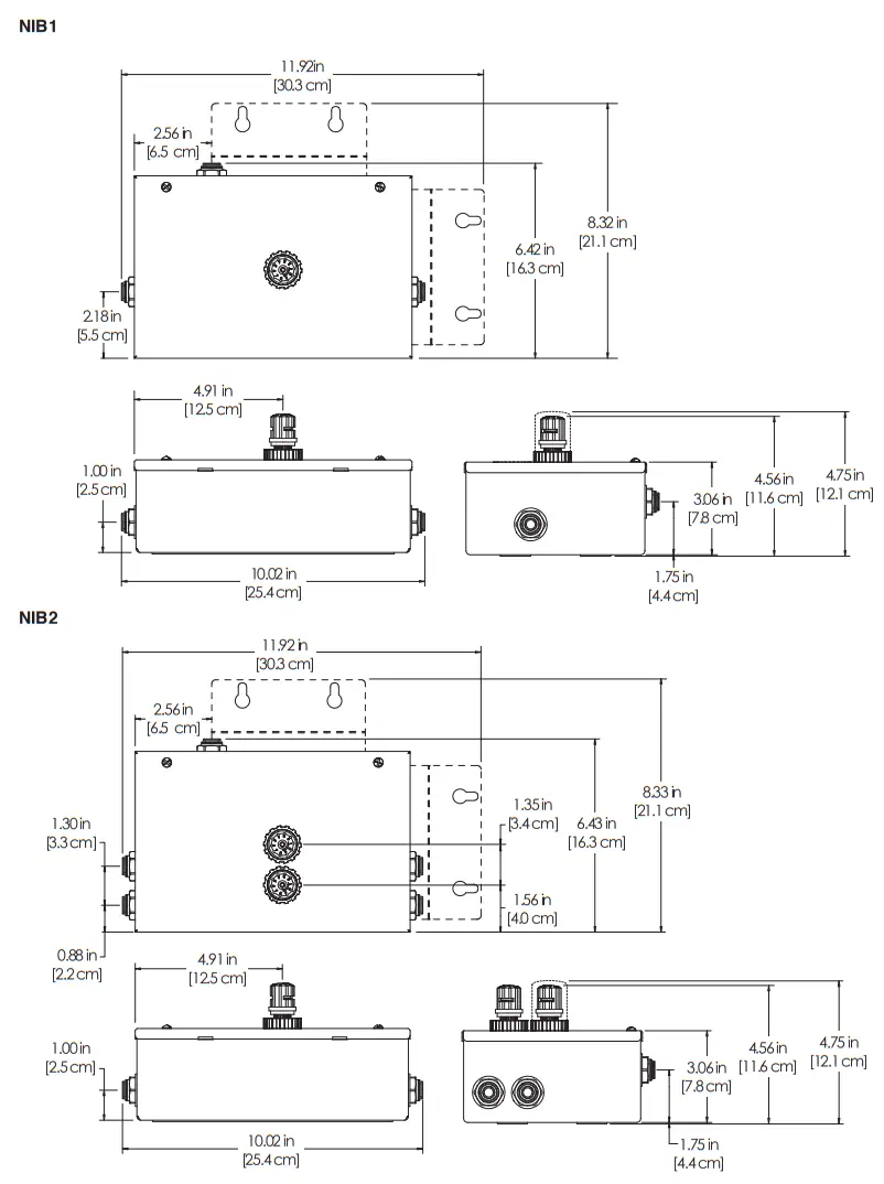
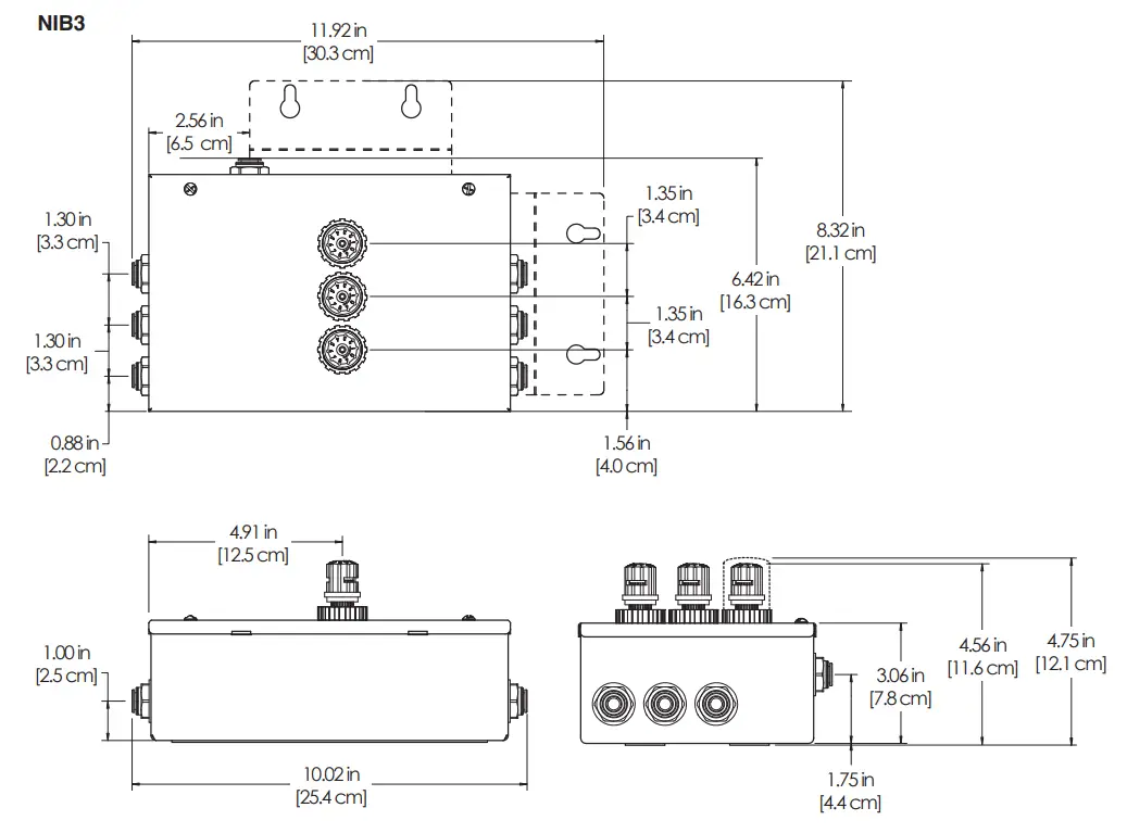
Specifications (Selected Models)
Dimensions
Beverage Connections N2** Supply Requirements
| MODEL | DESCRIPTION | HEIGHT | WIDTH | DEPTH | SHIP WEIGHT | SHIP CUBE | BEVERAGE INLET* | BEVERAGE OUTLET | N2 CONNECTOR | N2 PRESSURE” |
| NIB1 | Nitrogen infusion box, 1-head | 4.61″ [12.1 cm] | 6.43″ [16.3 cm] | 10.02″ [25.5 cm] | 5.0 lbs [2.3 kg] | 0.33 Cu. ft. [0.01 m3] | 3/8″ John Guest | 3/8″ John Guest | 3/8″ John Guest | 30 – 50 psi 207 – 345 kPa |
| NIB2 | Nitrogen infusion box, 2-head | 4.61″ [12.1 cm] | 6.43″ [16.3 cm] | 10.02″ [25.5 cm] | 5.0 lbs [2.3 kg] | 0.33 cu. ft. [0.01 m3] | 3/8″ John Guest X 2 | 3/8″ John Guest X 2 | 318″ John Guest | 30 – 50 psi 207 – 345 kPa |
| NIB3 | Nitrogen infusion box, 3-head | 4.61″ [12.1 cm] | 6.43″ [16.3 cm] | 10.02″ [25.5 cm] | 5.0 lbs [2.3 kg] | 0.33 cu. ft. [0.01 m3] | 3/8″ John Guest X 3 | 3/8″ John Guest X 3 | 3/8″ John Guest | 30 – 50 psi 207.345 kPa |
* Beverage temperature no to exceed 80°F (27°C).
** Food grade nitrogen required.
*** Pressure into NIB must not exceed 50 psi (345 kPa).
IMPORTANT SAFEGUARDS
Symbols
This is the safety alert symbol. It is used to alert you to potential physical injury hazards. Obey all safety messages that follow this symbol to avoid possible injury or death.
DANGER – Indicates a hazardous situation which, if not avoided, will result in death or serious injury.
WARNING – Indicates a hazardous situation which, if not avoided, could result in death or serious injury.
CAUTION – Indicates a hazardous situation which, if not avoided, could result in minor or moderate injury.
NOTICE – Indicates a situation which, if not avoided, could result in property damage.
IMPORTANT – Provides information and tips for proper operation.
SANITATION REQUIREMENTS
WARNING – This product can expose you to chemicals including Acrylamide and Bisphenol A (BPA), which are known to the State of California to cause cancer and birth defects or other reproductive harm. For more information visit www.P65Warnings.ca.gov.
Important Safeguards/Conventions
WARNING:
- Make sure that this appliance is installed according to the INSTALLATION INSTRUCTIONS by qualified personnel before attempting to use it. Failure to follow the INSTALLATION INSTRUCTIONS could result in personal injury or void the warranty.
- This appliance is designed for commercial use. Any service other than cleaning and preventive maintenance should be performed by an authorized Wilbur Curtis service technician.
- This product is rated for dispensing beverage products at ambient or cold temperatures. Do not use it to dispense hot beverage products. See SPECIFICATIONS section.
- DO NOT open the service panels. There are no user serviceable parts inside.
- Clean the appliance and any dispensers completely before using them for the rst time as according to the CLEANING INSTRUCTIONS. Clean them regularly as instructed in the CLEANING INSTRUCTIONS.
- Use this appliance only for its intended use, brewing/dispensing cold beverages/water.
- This appliance is not intended for use by persons (including children) with reduced physical, sensoryor mental capabilities or lack of experience and knowledge, unless they have been given supervision or instruction concerning use of the appliance by a person responsible for their safety. Children should be supervised to ensure that they do not play with the appliance.
CE Requirements
- This appliance must be installed in locations where it can be overseen by trained personnel.
- For proper operation, this appliance must be installed where the temperature is between 5°C to 35°C.
- This appliance is not suitable for outdoor use.
- This appliance must not be cleaned by water jet.
- This appliance can be used by persons aged from 18 years and above if they have been given supervision or instruction concerning use of the appliance in a safe way and if they understand the hazards involved.
- Keep the appliance out of reach of children aged less than 18 years.
- Appliances can be used by persons 18 years and above with reduced physical, sensory or mental capabilities or lack of experience and knowledge if they have been given supervision or instruction concerning use of the appliance in a safe way and understand the hazards involved.
- Children under the age of 18 years should be supervised to ensure they do not play with the appliance.
- Cleaning and user maintenance shall not be made by children unless they are older than 18 years and supervised.
- This appliance is intended to be used in household and similar applications such as:
– staff kitchen areas in shops, of ces and other working environments;
– by clients in hotels, motels and other residential type environments;
– bed and breakfast type environments. - This appliance not intended to be used in applications such as: – farm houses
- Access to the service areas permitted by Authorized Service personnel only.
- The A-Weighted sound pressure level is below 70 dBA.
Disposal of Equipment
- This product contains plastic, metal and electronic components and is considered e-waste. At the end of its life, this product must not be disposed of in normal household waster but can be instead delivered to a collection point for recycling electric and electronic appliances, consult with the local municipality for proper disposal guidelines.
PRE-INSTALLATION CHECKLIST
IMPORTANT: The Curtis Nitrogen Infusion Box is designed for locations with an existing draft system. If the NIB will be a component of a new draft system installation, please consult with your draft technician for integration of the NIB into your new draft system. See the INSTALLATION INSTRUCTIONS section for a typical system layout.
Checklist
The checklist below will assist you in preparing your location for the installation of your equipment. Please make sure that everything is prepared to these requirements prior to scheduling your installation. See the ILLUSTRATED PARTS section for a list of available installation accessories.
REQUIRED SYSTEM COMPONENTS
| DESCRIPTION | N1131 OTY/TYPE | NIB2 OTY/TYPE | NIB3 OTY/TYPE | COMMENTS | |
| ❑ | A food grade nitrogen (N2) supply with a nitrogen regulator set to 30 – 50 psi (207 – 345 kPa) | 1 | 1 | 1 | |
| ❑ | A kegerator or under counter refrigerator with approximately 4.75111) x 6.42″(W) x 10.02″(D) of free space on one of the sides, inside, for installation of the NIB | 1 | 1 | 1 | Allow room for plastic beverage and N2 lines (allow for bend angles) and mounting bracket (if used) around mounting location. |
| ❑ | Product keg(s)’ | 1 | 2 | 3 | Sanke or Cornelius (Corny) |
| ❑ | Keg connector(s) | 1 Sanke or 2 Corny | 2 Sanke or 4 Corny | 3 Sanke or 6 Corny | Sanke kegs require 1 D style coupler per keg. Corny kegs require 1 liquid ball lock connector and 1 gas ball lock connector per keg. |
| ❑ | Dedicated tap(s) with a nitro stout faucet Installed | 1 | 2 | 3 | |
| ❑ | Tees or manifold for N2 supply lines. One supply line required for NIB and each keg.” | 1 tee or 1:2 manifold | 2 tees or 1:3 manifold | 3 tees or 1:4 manifold | A manifold allows for greater system control (independent shut off of keg N2). |
| ❑ | 3/8″ beverage line (food grade) | From nitrogen regulator to gas distribution tees or manifold | |||
| ❑ | 3/8″ beverage line (food grade) | 1 x 3 feet minimum | 1 x 3 feet minimum | 1 x 3 feet minimum | From gas distribution tees or manifold to NIB |
| ❑ | 3 /8″ beverage line (food grade) | 1 x 3 feet minimum | 2 x 3 feet minimum | 3 x 3 feet minimum | From gas distribution tees or manifold to kegs |
| ❑ | 114′ beverage line (food grade)’ | 1 x 3 feet minimum | 2 x 3 feet minimum | 3 x 3 feet minimum | From taps to inside of kegerator with a minimum of 3′ of line running from kegerator ceiling |
| ❑ | John Guest 3/8″ barb(s) | 1 | 2 | 3 | |
| ❑ | John Guest 1/4″ barbs | 2 | 4 | 6 | |
| ❑ | Hose Clamps | 7 | 14 | 21 | Oetiker type recommended |
| ❑ | Mesh filter/strainer (food grade)’ | 1 | 2 | 3 | Optional, recommended. Installed on each beverage supply line between keg and NIB. |
| ❑ | 3/6″ John Guest type plug | – | – | – | Unused input(s) and output(s) on NIB should be plugged when not in use. This allows for the purchase of larger capacity NIB than needed to allow for future expansion. |
- The NIB. the kegs. beverage supply lines and filters (if applicable) must be installed inside the kegerator/refrigerator.
** The kegerator/refrigerator must be set between 36°F/2°C to 40°F/4°C to avoid spoilage.
** Add additional tees/manifold ports for any standard cold brew kegs/faucets attached to the system that do not utilize ports on the NIB.
INSTALLATION INSTRUCTIONS
WARNING: Installation is to be performed only by a qualified installer.
WARNING: Do not exceed the maximum gas pressure and beverage temperature stated in the SPECIFICATIONS section.
IMPORTANT: Observe all governing codes and ordinances.
IMPORTANT: Before proceeding with installation, make sure that you have all the required components listed in the PRE-INSTALLATION CHECKLIST
Example of Possible System Layout
Configuration varies based on requirements Two nitro beverage lines (NIB2) and one standard cold brew line shown
a Either a manifold or a series of tees may be used to create the necessary number of N2 lines for the system.
b Either type of keg may be used by substituting the correct type of fittings.
Installation Mount the NIB
IMPORTANT: When mounting the nitrogen infusion box (NIB), be sure to allow room for the plastic beverage and N2 lines (allow for bend angles) around the mounting location.
- Determine the location for the NIB, inside the kegerator (or refrigerator). The NIB can be installed horizontally or vertically.

- If using the mounting bracket, loosen the appropriate screws on the back of the NIB and slide the mounting plate into place, then re-tighten the screws. Use the included self-drilling screws to attach the NIB to the selected location.
- If using the double-sided tape to mount the NIB, clean the desired mounting location thoroughly with rubbing alcohol before mounting to assure good adhesion. Allow the alcohol to dry, then remove the backing from the double sided tape on the back of the NIB mounting plate and affix it to the selected location.
Connect the N2 and Beverage Delivery Lines - Insert the plastic tubing coming from the N2 supply into the N2 IN connector on the NIB. Push the tubing in until it stops.

- Insert the plastic tubing coming from the keg into the BEVERAGE IN connector on the NIB. Push the tubing in until it stops. Repeat for systems having more than one beverage line.
- Insert the plastic tubing running to the faucet into the BEVERAGE OUT connector on the NIB. Push the tubing in until it stops. Repeat for systems having more than one beverage line.
- Plug any unused BEV. IN and BEV. OUT connectors.
- Secure all John Guest connectors using locking clips (Curtis PN WC-2431, not included). Pull back gently on each of the tubes inserted into the NIB, in turn, to make sure that they are properly secured.
Prepare for Operation - Open the main gas shut-off valve and adjust the regulator on the N2 supply to between 30 – 50 psi/207 – 345 kPa (40 psi/276 kPa recommended). The pressure required for your system may vary, but do not exceed 50 psi.
- Open the quick shut off valve on the tank. Open the keg and NIB N2 supply valves on the manifold, if applicable.

- Clear air from the line(s) by opening the faucet(s) until all large air bubbles are removed.
- Sanitize the dispensing system according to the instructions in the CLEANING INSTRUCTIONS section before using the system for the first time. While flushing out the system, check the beverage delivery line connections for leaks.
- Place the product keg(s) inside the kegerator (set between 36°F/2°C and 40°F/4°C) and allow sufficient time for the product in the keg to chill.
- Connect the chilled beverage product keg(s) to the system. Connect the keg W supply line (IN) and keg beverage line (OUT).

- Remove the covers over the level adjustment knob(s) Make sure that each knob’s red collar is unlocked as shown_ Set the level(s) to position 5.
- If the dispensed beverage does not have enough foam, turn the knob(s) slightly counter-clockwise (+). If the foam level is too high, or the faucet is ‘blowing foam’, turn the knob(s) sightly clockwise (-). Retest and adjust until the foam level is acceptable. Lock the knob(s) and replace the knob cover(s) when done no not push the red collar all the way down when locking (see diagram)!
NOTICE: To avoid damage to the adjustment valve. do not over-tighten the knob.
NOTE: The adjustment knob is sensitive. Small adjustments result in significant change. There is a short delay before infusion adjustments take effect at the faucet.
NOTE: Purge 6-8 oz. (175-250 ml) of product at the beginning of each business day. Curtis recommends that the N2 gas supply be turned off at night, when not in use.
NOTICE – Do not use cleaning liquids, compounds or powders containing chlorine (bleach) or corrosives. These products promote corrosion and will damage the finishes. USE OF THESE PRODUCTS WILL VOID THE WARRANTY. Do not immerse the unit in water or any other liquid.
CLEANING INSTRUCTIONS
Cleaning and Sanitizing – Daily
Overview
The following 2 step process involves the use of an empty keg (one for each beverage line). Each keg is filled with cleaner/sanitizer. The liquid is drawn through the entire system to clean and sanitize it.
1) Clean
a Use a commercial, food grade, cold brew system cleaner. Mix it according to the directions on the package.’ Fill an empty keg with enough cleaner to fill all beverage lines between the keg and the faucet. Fill additional kegs with cleaner for each beverage line in the system.
b Connect the N2 and beverage output lines from the system to the keg(s).
c Place an empty container under the faucet(s).
d Open each faucet, pouring until you see cleaning fluid begin to fill the container.
e Allow the system to sit for the amount of time specified by the cleaner manufacturer, with the cleaning solution in the hoses/lines before flushing.
f Empty the remaining cleaning solution from the keg(s). Fill the keg(s) with rinse water. Open the faucet(s). Refill the keg(s) with water until all the cleaning solution has been flushed from the system.
g Discard the solution that poured into the container.
2) Sanitize
h Use a commercial, food grade, cold brew system sanitizer. Mix it according to the directions on the package.’ Fill an empty keg with enough solution to fill all beverage lines between the keg and the faucet. Fill additional kegs with cleaner for each beverage line in the system.
i Connect the N2 and beverage output lines from the system to the keg(s).
j Place an empty container under the faucet(s).
k Open each faucet, pouring until you see sanitizing solution begin to fill the container.
l At a minimum, allow the system to sit for the amount of time specified by the sanitizing solution manufacturer. Curtis recommends leaving the sanitizer in the system when not in use. Flush the system thoroughly with water before returning it to use.
• DO NOT use hot water. Solution temperature should be between ambient and 80°F (27°C).
IMPORTANT: Single beverage line system shown. On systems with more than 1 beverage line, all beverage lines must be cleaned/sanitized.
ROUGH-IN DRAWINGS


ILLUSTRATED PARTS/RECOMMENDED PARTS
NIB – Installation Accessories – Exploded View
Parts List
| ITEM # | PART # | DESCRIPTION | USE |
| 1 | WC-53170K | KIT, INSTALLATION NIB | TO CONVERT 3/8 INCH O.D. BEVERAGE IN AND OUT CONNECTIONS FOR USE WITH 1/4 INCH O.D. TUBING |
| 2 | WC-65096K | KIT, PLATE MOUNTING | TO MOUNT NIB TO WALL. MAY BE MOUNTED 2 WAYS USING 2 SELF DRILLING SCREWS OR DOUBLE SIDED TAPE (BOTH INCLUDED) |
| 3 | WC-2564 | PLUG, STEM 3/8 TUBE JOHN GUEST | TO PLUG UNUSED BEVERAGE IN AND OUT CONNECTIONS |
| 4 | WC-53118-120K | KIT, TUBING 3/8 OD X 10FT LONG | SYSTEM BEVERAGE LINE CONNECTIONS. CONNECTS DIRECTLY TO BEVERAGE IN AND OUT JOHN GUEST CONNECTORS. |
| 5 | WC-4621 | SCREW, 10-16 X3/4 HEX HD SELF DRILLING 18-8 SS | REPLACEMENT MOUNTING PLATE SCREWS |
| 6 | WC-2431 | CLIP, LOCKING 3/8″ TUBE JOHN GUEST | SECURING TUBING IN JOHN GUEST CONNECTOR |
| 7 | WC-53170 | TUBING, 3/8″ O.D. X 1/4″ I.D. CLEAR PVC | USE ITEM 4 |
| 8 | WC-14023 | CLAMP, TUBING 8.8-10.5MM SS OETIKER | CLAMPING 3/8 O.D. TUBING |
| 9 | WC-29133 | FITTING, BARB 1/4 X 3/16 | CONNECTS 1/4 INCH I.D. TUBING TO 3/16 INCH I.D. TUBING |
| 10 | WC-3545 | CAP, PUSH-ON WC-29125 NIB | COVERS THE INFUSION LEVEL KNOB(S) |
| 11 | WC-37582 | KIT, SALES DEMO/INSTALLATION FOR CORNY KEGS | TEMPORARY INSTALLATION KITS (WITHOUT MANIFOLD) FOR DEMONSTRATION PURPOSES |
| 12 | WC-37583 | KIT, SALES DEMO/INSTALLATION FOR SANKE KEGS |
TROUBLESHOOTING GUIDE
Troubleshooting Guidelines
This troubleshooting guide identifies some, but not all, of the possible causes for problems that can occur.
Nothing Comes Out of the Faucet or Flow Out of the Faucet is Slow
- Check to see if the nitrogen supply tank is empty or low.
- Check to make sure that the regulator is set to between 30 – 50 psi (207 – 345 kPa).
- Check to make sure that the main tank valve, the quick shut-off valve and the manifold valves are completely open.
- Some kegs are equipped with a shut on valve. If your keg is equipped with a shut-off valve, make sure that it is completely open.
- Make sure that the lid on the keg is tightly shut and that it is not leaking.
- Check for a leaky or crimped N2 supply line between the supply tank and the keg(s). Check to make sure all N2 supply connections are tight. Check for leaky keg fittings.
- Check for a clogged beverage supply line filter.
- Check for a clogged beverage supply line. A common cause is a keg that is being stored below freezing. Raise the keg storage temperature to between 33°F – 40°F (1°C – 4°C) to prevent the beverage lines from freezing.
Product Flows, But There is Too Little or No Foam
- Check to make sure that the NIB N2 valve on the manifold is open.
- Check for a leaky or crimped N2 supply line between the supply tank and NIB.
- Check to see if the nitrogen supply tank is low.
- Check to make sure that the regulator is set to between 30 – 50 psi (207 – 345 kPa).

- Make sure that all air bubbles are purged from the system.
- Check for a malfunctioning faucet. Check for clogged or missing components. Check to make sure that the nozzle restrictor plate holes are clear
- Check to make sure that the NIB adjustment knob is properly set. Turn counter-clockwise slightly to increase infusion and test. Note that there will be a slight delay before the adjustment takes effect at the faucet. Repeat as necessary.
Too Much Foam
- Check to see if the keg is empty.
- Check for a malfunctioning faucet. Check for clogged or missing faucet components.
- Make sure that the NIB adjustment knob is properly set. Turn clockwise slightly to decrease infusion and test. Note that there will be a slight delay before the adjustment takes effect at the faucet. Repeat as necessary.
Only Gas and Spurts of Liquid Come Out of Faucet
- Check to see if the keg is empty
- Check to make sure that the NIB adjustment knob is properly adjusted.
- Some kegs are equipped with a shut off valve. If your keg is equipped with a shut-off valve, make sure that it is completely open.
- Make sure that the lid on the keg is tightly shut and that it is not leaking.
- Check to make sure that there are no kinks or clogs in the beverage line between the keg and the NIB.
- Check for a malfunctioning faucet. Check for clogged or missing faucet components.
Watery Output from Faucet
Check the keg temperature. Keep the keg temperature at 40°F (4°C) or less. After the keg temperature is lowered, slosh the contents around to remix.
Product Taste Has Deteriorated or Has Become Slimy
- Check the product expiration date on the keg. Replace old product.
- The product may have spoiled because the keg temperature has been above 40°F (4°C). Replace spoiled product and maintain a keg storage temperature between 33°F – 40°F (1°C – 4°C).
- The cooling lines in the faucet tower are not working. Inspect and repair as necessary.
- The beverage lines have not been cleaned as specified. See Cleaning Instructions.
Product Tastes of Soap or Chemicals
Make sure the beverage lines are thoroughly flushed with water following cleaning.
Adjustment Knob Does Not Turn
Make sure adjustment knob is not locked.
Adjustment Knob Has No Effect – Foam Level Does Not Change When Knob is Turned
Make sure that knob lock (red collar) has not been pushed all the way down. Knob does not engage with valve shaft when collar is in the wrong position.
Schematic – NIB1

Schematic – NIB2
Schematic – NIB3
PRODUCT WARRANTY
Wilbur Curtis Co., Inc. certifies that its products are free from defects in material and workmanship under normal use. The following limited warranties and conditions apply:
1 year, from original date of purchase.
CONDITIONS & EXCEPTIONS
The warranty covers original equipment at time of purchase only. The warranty does not cover:
- Adjustments and cleaning: Valve and regulator adjustments are the responsibility of the equipment owner. The owner is responsible for proper cleaning and regular maintenance of this equipment
- Replacement of equipment due to normal use and wear: This shall include, but is not limited to, “0” rings, gaskets, silicone tubing, silicone elbows.
- Losses due to down time: Curtis is not responsible for any losses due to down time caused by the equipment requiring repair or replacement.
The warranty is void under the following circumstances:
- Improper operation of equipment: The equipment must be used for its designed and intended purpose and function.
- Improper installation of equipment: This equipment must be installed by a professional technician and must comply with all local electrical, mechanical and plumbing codes.
- Improper gas supply: This includes, but is not limited to, excessive or low gas pressure and inadequate or fluctuating gas flow rate.
- Damaged in transit: Equipment damaged in transit is the responsibility of the freight company and a claim should be made with the carrier
- Abuse or neglect (including failure to periodically clean or remove lime accumulations): The manufacturer is not responsible for variation in equipment operation due to excessive lime or local water conditions. The equipment must be maintained according to the manufacturer’s recommendations.
- Unauthorized repair or modification: This equipment must be retumed to the factory for repair or replacement. Opening the service panel will void the warranty
- Modified/Missing Serial Tag: The serial number label (tag) must not be defaced or removed.
Repair or replacement is subject to Curtis’ decision that the workmanship or parts were faulty and the defects showed up under normal use. Return Merchandise Authorization (RMA): All claims under this warranty must be submitted to the Wilbur Curtis Technical Support Department prior to return of this equipment to the factory. All returned equipment must be properly re-packaged in the original carton and received by Curtis within 45 days following the issuance of a RMA. No units will be accepted if they are damaged in transit due to improper packaging. NO UNITS WILL BE ACCEPTED WITHOUT A RETURN MERCHANDISE AUTHORIZATION (RMA). THE RMA NUMBER MUST BE MARKED ON THE CARTON OR SHIPPING LABEL.
Contact Information
Wilbur Curtis Co., Inc.
6913 Acco Street I Montebello, CA 90640 US
Phone: 323-837-2300 I Toll Free: 800-421-6150
Email: [email protected]
Web: www.wilburcurtis.com
For the latest specifications and information go to www.wilburcurtis.com
Toll Free: 800-995-0417 I
Monday – Friday 5:30 A.M. – 4:00 P.M. PT
Email: [email protected]
Due to continued product improvement, the products illustrated/photographed in this guide may vary slightly from the actual product.



















