
S-DD2 PRO SAT Avant Programmable Head End Amplifie
User Guide
AVANTXP-S-DD2 PRO SAT Avant Programmable Head End Amplifie
| 532103 | AVANTXB-DD2 | BASIC |
| 532113 | AVANTXB-S-DD2 | BASIC.SAT |
| 532123 | AVANTXP-DD2 | PRO |
| 532133 | AVANTXP-S-DD2 | PRO.SAT |
Important safety instructions
General installation conditions
- Read these instructions.
- Keep these instructions.
- Heed all warnings.
- Follow all instructions.
- Do not use this apparatus near water.
- Clean only with a dry cloth.
- Do not block any ventilation openings. Install in accordance with the manufacturer’s instructions.
- Do not install near any heat sources such as radiators, heat registers, stoves, or other apparatus (including amplifiers) that produce heat.
- Protect the power cord from being walked on or pinched particularly at plugs, convenience receptacles, and the point where they exit the apparatus.
- Only use attachments/accessories specified by the manufacturer.
- Use only with the cart, stand, tripod, bracket, or table specified by the manufacturer, or sold with the apparatus. When a cart is used, use caution when moving the cart/apparatus combination to avoid injury from tip-over.
- Unplug this apparatus during lightning storms or when unused for long periods of time.
- Refer all servicing to qualified service personnel. Servicing is required when the apparatus has been damaged in any way, such as power-supply cord or plug is damaged, liquid has been spilled or objects have fallen into the apparatus, the apparatus has been exposed to rain or moisture, does not operate normally, or has been dropped.
Warning
- Reduce the risk of fire or electric shock, do not expose this apparatus to rain or moisture.
- Apparatus shall not be exposed to dripping or splashing and no objects filled with liquids, such as glasses, shall be placed on the apparatus.
Safe operation
- Power requirements for this product are: 110-230V~ 50/60 Hz (Refs. 532113, 532133) or 220-230V~ 50/60 Hz (Refs. 532103, 532123).
- Should any liquid or object fall into the equipment, please refer to qualified personnel for service.
- To disconnect the equipment from the mains pull the plug never the cable.
- It is strongly recommended not to connect the equipment to the mains until all connections have been done.
- The socket outlet shall be installed near the equipment and shall be easily accessible.
- Do not take the cover off the equipment without disconnecting it from the mains.
Safe installation
- Ambient temperature should not be higher than 45°C.
- Do not place the equipment near heat sources or in a highly humid environment.
- Do not place the equipment in a place where it can suffer vibrations or shocks.
- Please allow air circulation around the equipment.
- Do not place naked flames, such as lighted candles on or near the product.
![]()
![]()
Description of the electrica safety symbols
- To avoid the risk of electric shock, do not open the equipment.
- This symbol indicates that the equipment complies with the safety requirements for class II equipment.
- To identify electrical equipment designed primarily for indoor use.
- The equipment complies with the CE mark requirements.
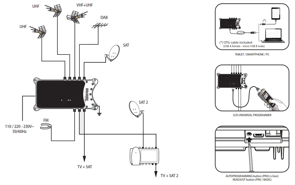
Connections and controls description

| PRO.SAT | PRO | BASIC.SAT | BASIC | ||||||
| 1 | VHF + UHF 1 + DC | ||||||||
| 2 | VHF + UHF 2 +DC | ||||||||
| 3 | VHF + UHF 3 +DC | ||||||||
| 4 | VHF + UHF 4 /DAB+ DC | ||||||||
| 4 | SAT + [13/17 V | – | SAT + [13/17 V | – | |||||
| 6 | TV + SAT | – | TV + SAT | – | |||||
| 7 | TV | ||||||||
| 8 | FM (87 … 108 MHz) | ||||||||
| 9 |
| ||||||||
| 10 | Micro USB (female) | ||||||||
| 11 | READJUST / AUTOPROGRAMMING I READJUST | ||||||||
| 12 | LED | ERROR | |||||||
| 13 | LED | ADJUST | |||||||
| 14 | LED | POWER ON | |||||||
| 15 | _ POWER(110-30V—) f | POWER (220-230V—)1 | POWER (110-230V—) | 1POWER(220-230V—) | |||||
Introduction/Configuration and adjustment
- Programmable amplification headend with digital filtering and processing for use in both individual and collective installations, characterized by: ease of installation, large input range, low consumption powering, large selectivity and high gain.
- It has 4 programmable VHF+UHF inputs up to a maximum of 32 filters, with automatic/programmable power, 5G LTE filtering and capable of withstanding short-circuit.
- Input 4 can be programmed as DAB input (channels 5 to 12). In this case, program only UHF channels in the other inputs.
- Each of the 32 filters has a high selectivity that allows the balancing of adjacent channels, It has individual AGC and it can be programmed for filtering 1 to 4 hannels for any VHF channel (5 to 12) or UHF (21 to 48).
- The programmed channels in a filter can be converted to different output channels for both VHF and UHF.
- The channels are automatically balanced according to the programmed output level and equalization slope.
- The FM and VHF/DAB output levels will be adjusted according to the programmed UHF output level.
- The unit has a programmable gain and slope satellite input. The LNB power can be configured locally (13-17V / 0-22kHz) or remote (SAT models only).
- The programming is done easily throug the Televés universal programmer, a Windows PC or Android Smartphone / Tablet with USB OTG.
- PRO and PRO.SAT units have auto-programming via the pushbutton “READJUST”. In addition, they allow a real-time monitoring the quality of each tuned DVB-T/T2 channel and generate an installation report.
Configuration and adjustment
- Through the PCT – programmer unit: select the appropriate parameters for the installation (channels, output level, equalization slope…) and press the ∎ button (long press) which saves the configuration and starts the setting. If programming is done before installation, with the removal of the programmer the process is avoided but the configuration is recorded for later adjustment.
- Through the ASuite application: select the appropriate parameters and press the
button to send the configuration to the unit. Pressing the
button will start the adjustment
process. - Through the “READJUST” button starts the process of setting the unit with the configuration previously stored by the programmer or the applications.
- Inputs and outputs must be charged for the correct setting of the unit.
- During the adjustment process, the green LED remains ON and in case of a level error the red LED will light up.
Autoprogramming
- PRO and PRO.SAT units have the possibility to perform an autoprogramming, by long press (+5 sec.) the READJUST button. This will allow a channel search for the connected inputs and their subsequent level adjustment. During the search process the power is turned on by the inputs, the green LED blinks, indicating that DVB-T/T2 channels are being scanned by the connected inputs and the unit is configured according to this search. When the search is complete, the ADJUST LED will remain fixed (green), indicating the unit setting.
LED indications
| LED /MODE | ADJUST | ERROR | ON | Info. |
| SCAN | – | Searching channels | ||
| – | Channels overflow (DTT channels > filters) | |||
| ADJUST | – | Setting | ||
| – | Adjustment OK | |||
| – | Unit adjustment error | |||
| POWER | – | – | ON LED |
: OFF
: ON
: Blinking
Technical specifications

(*) DIN45004B
(**) EN50083 IMD3 2ch -35dB
(***) CH adjacent >30dB (± 1MHz)

Extended menu
Configuration cloning menu

Application



asuite.televes.com
play.google.com
Hereby, Televés S.A.U. declares that the radio equipment type AVANT X is in compliance with
Directive 2014/53/EU. The full text of the EU declaration of conformity is available at the following internet address: https://doc.televes.com
European technology![]()
Manufacturer
17 – 15706
www.televes.com




















