RICE LAKE LaserLT-60 Remote Display User Manual
An ISO 9001 registered company
© Rice Lake Weighing Systems. All rights reserved.
Rice Lake Weighing Systems® is a registered trademark of Rice Lake Weighing Systems.
All other brand or product names within this publication are trademarks or registered trademarks of their respective companies.
All information contained within this publication is, to the best of our knowledge, complete and accurate at the time of publication. Rice Lake Weighing Systems reserves the right to make changes to the technology, features, specifications and design of the equipment without notice.
The most current version of this publication, software, firmware and all other product updates can be found on our website:
Introduction
The purpose of this manual is to help the technician understand the LaserLT-60 and LaserLT-100 Remote Display’s functioning modes, key functions, display indications, setup and configuration.
The LaserLT-60 and LaserLT-100 require firmware version 8.02 to operate as a remote display. Firmware can be downloaded from the product page at www.ricelake.com and a replacement board (PN 206795) is also available with the remote display firmware version 8.02 already installed.
Manuals and additional resources are available from Rice Lake Weighing Systems at www.ricelake.com/manuals Warranty information can be found on the website at www.ricelake.com/warranties
Safety
Safety Signal Definitions:
Indicates an imminently hazardous situation that, if not avoided, will result in death or serious injury. Includes hazards that are exposed when guards are removed.
Indicates a potentially hazardous situation that, if not avoided, could result in serious injury or death. Includes hazards that are exposed when guards are removed.
Indicates a potentially hazardous situation that, if not avoided, could result in minor or moderate injury.
Indicates information about procedures that, if not observed, could result in damage to equipment or corruption to and loss of data.
General Safety
Do not operate or work on this equipment unless this manual has been read and all instructions are understood. Failure to follow the instructions or heed the warnings could result in injury or death. Contact any Rice Lake Weighing Systems dealer for replacement manuals.
Failure to heed could result in serious injury or death
Electric shock hazard!
There are no user serviceable parts. Refer to qualified service personnel for service.
The unit has no power switch, to completely remove power from the unit, disconnect the power source.
For pluggable equipment the socket outlet must be installed near the equipment and must be easily accessible.
Always disconnect from main power before performing any work on the device.
Do not allow minors (children) or inexperienced persons to operate this unit.
Do not operate without all shields and guards in place.
Do not use for purposes other then weighing applications.
Do not place fingers into slots or possible pinch points.
Do not use this product if any of the components are cracked.
Do not make alterations or modifications to the unit.
Do not remove or obscure warning labels.
Do not use near water, avoid contact with excessive moisture.
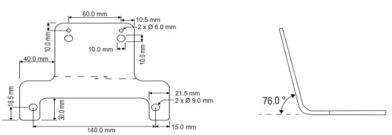
Product Dimensions
| Product | Dimensions |
| LaserLT-60 | ![]() |
| LaserLT-100 | ![]() |
| Standard Mounting Bracket for LaserLT-60 and LaserLT-100 | ![]() |
| Optional Side Mount Bracket for LaserLT-100 | ![]() |
Product Displays
The front panel of the LaserLT-60 Remote Display has a six digit display that is 2.4″ high, six LED annunciators and five function keys.
The front panel of the LaserLT-100 Remote Display has a six digit display that is 3.9″ high, six LED annunciators and five function keys.
Figure 1-1. LaserLT-60 Remote Display Front Panel
The following table describes the function keys:
| Key | Description |
![]() | Steps forward, or moves right in the menu or increments an entry value; Used to adjust the display intensity; When To modify display intensity press and hold until L int (Lint 01) displays then press again to increment the display intensity from L int 01-L int 05 (Lint 01 – Lint 05) |
![]() | Steps backward in the menu or decrements, decreases, an entry value; When is pressed by default KTARE<CR> is transmitted |
![]() | Returns to the default level of the menu or scrolls in entry mode; When |
![]() | Enter a parameter step or confirm entry of a value; When is pressed by default KPRINT<CR> is transmitted |
![]() | Press to turn on the unit; Hold until OF displays to put the unit into standby mode (‘,’ displays to indicate unit is in standby); Exits a parameter step when pressed in a menu |
The following table describes the function LEDs:
Table 1-3. LED Annunciator Descriptions
| Annunciator | Description |
| >0< | Illuminates when the weighing system is within ±1/4 division of zero |
| ~ | Illuminates when the weight is unstable |
| Net | Illuminates when a tare is established, measuring for net weight |
| W1 | Indicates the activation of the first output (Sp1) or Primary (unit 1) if set |
| W2 | Indicates the activation of the second output (Sp2) or Secondary (unit 2) if set |
| Func | Illuminates:
Turns off:
|
Net, W1 and W2 require setting values in Ad v.C Ed. The labeled default unit of measurement is pound.
A kilogram sticker label is provided with the unit to indicate a change in units of measurement.
Stickers for unit of measurement are provided to replace W1 and W2 function LED labels.
Installation
This section provides an overview of LaserLT-60 and LaserLT-100 installation.
Install the instrument on a stable, vibration free, flat surface. Disconnect from power source to completely power off the instrument. The back mounting bracket is for vertical mounting. An optional side mount for horizontal surfaces is available for the LaserLT-100.
Remove protective film from the overlay as it may become difficult to remove if exposed to heat or sunlight.
Grounding the System
For proper grounding and optimal functioning of the system, it is necessary to create a single point ground in proximity of the instrument on which to connect the ground of the instrument, an interface cable and shields. Connect the ground point of the remote display directly to the ground bar of the electric panel or to a grounding rod.
Wiring Schematic
For proper device wiring, refer to the schematic below:
Figure 2-1. Wiring Schematic
Pins 3 – 12 and 18 – 35 are not used for remote display models
Table 2-1. Remote Display Connections
| Connector | Pin | Function |
| 12/24 VDC | 1 | +24 VDC |
| 2 | GND | |
| RS-485 Serial Port | 13 | (A) 485 + Line |
| 14 | (B) 485 – Line | |
| RS-232 Serial Port | 15 | (TX) Transmit |
| 16 | (RX) Receive | |
| 17 | GND |
Power Supply
The instrument is supplied with an AC power cord, connected to an internal AC/DC power adapter. To power the instrument with 12 VDC or 24 VDC, connect the power supply cable directly to the terminal strip on the CPU board, see J1 in Figure 2-1. This input is for static DC, not for an automotive source.
The maximum power of the outputs 48 VAC 0.15A max (or 60 VDC 0.15 A max), the maximum voltage applicable to the inputs is between 12 VDC and 24 VDC with current from minimum 5 mA to maximum 20 mA.
Configuration
This section provides an overview of LaserLT-60 and LaserLT-100 configuration.
Press
when the firmware version is displayed during power on to enter the Setup (Quick Setup) menu.
The Quick Setup menu contains options for remote display configuration.
Navigate configuration parameters by using the function keys, see Table 1-2 on page 3 for navigation assistance.
Use
and
to move across the menu and use
to move to the next level.
Figure 3-1. Setup Navigation
Table 3-1. Setup Parameter Definitions
| Menu | Parameter | Description |
| SEtUP (Setup) | dSP.rF | Display Radio Frequency – Display refresh; Settings: norN, hz, 2.5hz, 5hz, 0hz,, 20hz |
| SEriL | Serial – Access to serial port parameters | |
| inPutS | Inputs – Settings: inP.0, inP.02 | |
| outPut | Output – Settings: out.0, out.02 | |
| n.out | Annunciator Output – Settings: Cpc, mode, omx, ozer, omin, Sin | |
| dEFu | Default – Resets each parameter to the default setting | |
| SEriL (Serial) | PCSEL | PC Select – PC serial selection; Settings: 485, 232 |
| CoN.Prn | Communication Print – Printer Serial | |
| CoN.PC | Communication PC – Port configuration for incoming data | |
| CoM.PC (Communication PC) | PCModE | PC Mode – Port setting for baud rate, bits, and time out |
| bud | Baud – Common baud rate selection; Settings: 20, 240, 480, 0, 20, 3840, 570, 520 | |
| bit | Bit – Set parity, word, and stop bit; Settings: n-8- , e-7-2, e-7- , n-7-2, n-8-2 | |
| d.En | Add.En – Settings: yes, no | |
| t.out | Timeout – Sets the timeout communication; Select a value from 0.5–20; the default value is 1.5 seconds; Maximum value is 20 seconds and the minimum value is 0.5 seconds | |
| PCModE (PC Mode) | rEPE. | REPE.6 – Reception of the SCT 2200 string |
| .rEPE | U.REPE.6 – Configurable mode that allows identification and location of data in the string; Default configuration for the Rice Lake continuous format by default (Section 3.3 on page 7) | |
| Pr57 | PR 1577 – Reception of the Pr57 string | |
| rEPE.dC | REPE.DC – Used when the indicator is connected to digital load cells while connected to the same network | |
| rEPE.in | REPE.In – Auto lean mode that allows reading of the received string automatically without setting any parameters | |
| .rEPE | Auto.REPE – Alpha numeric mode that allows ASCII text to be displayed when a string is six characters followed by <CR> |
RS-485/422 and RS-232 Access
Access to RS-485/422 and RS-232 allow for hardware to connect to the LaserLT 60 and LaserLT-100 Remote Displays through the specific port selected. Software selection determines the communication carrier used. RS-232 is the default carrier.
To select RS-485/422 or RS-232 from the setup menu, see Section 3.1 on page 5, navigate to PC Se L (PC Select):
Figure 3-2. Navigation to RS-485/422 and RS-232
Table 3-2. RS-485/422 and RS-232 Parameter Definitions
| Menu | Parameter | Description |
| SEtUP (Setup) | dSP.rF | Display Radio Frequency – Display refresh; Settings: norN, hz, 2.5hz, 5hz, 0hz,, 20hz |
| SEriL | Serial – Access to serial port parameters | |
| SEriL (Serial) | PCSEL | PC Select – PC serial selection; Settings: 485, 232 |
Manual Configuration Using W.rEPE
W.rEPE is a configurable mode that allows identification and location of data within the string. The W. rE PE parameter is selected, it allows for the manual configuration of parameters to parse string data. The manual configuration is defaulted to read the Rice Lake continuous format.The Rice Lake continuous format is defined as:
Figure 3-3. STR-1 Rice Lake Stream Data Format
Figure 3-4. String Configuration Parameters
Table 3-3. String Configuration Parameter Definitions
| Parameter | Description |
| tErN | Terminator – Identifies the string terminator at the end of the string in ASCII code; Default value is 10 = LF |
| Ei.PoS | Weigh Position – Identifies the 1st character position of the weight in the string; 1st string character has index zero; Default value is 01, see Figure 3-5 on page 8 |
| Ei.LEn | Weigh Length – Identifies number of characters of the weight data string; Default value is 08 (polarity and seven weight digits) |
| Str.LEn | String Length – Identifies the length of the string transmitted from the indicator; Enter a value from 0–3; Default value is 13 |
| dECi | Decimal –Enter a number of scale decimals from 0-5for FIXED; Default value is STREM |
| unit | Unit –Identifies unit of measure; available units are G, Lb, t, KG; Default unit of measure is Lbbut not available for incoming data |
| Stb | Stability – Identifies number of readings used to compare for stability; Default value is 3 |
| St.int | Stability Intensity – Identifies weight difference for the stability sample between reading to identify motion; Default value is 2 |
| trShLd | Threshold – Identifies minimum and maximum capacity for display blanking |
| dU.CEd | Advanced – See Section 3.3.2 on page 8 for advanced settings information |
| req. ei | Not applicable |
| rEM.KEy | Remember Key – Settings: K.Zero, K.tre, K.ModE,K.Print; Allows for the command to be sent to the indicator when the relative function key is pressed; Up to 12 characters can be defined for the string if the first character is ASCII 0 the remote key is disabled; Function key defaults are:
|
The following parameters must be set when working in W.rE PE:
- W ei.P os
- W ei.L en
- A dv.C ed
String Example
The weight value of the first character position is defined within the parameter of weight position, or W ei. pos, in the string transmitted by indicator. A possible polarity sign is also part of the weight value. The unit can parse a string up to 39 characters. For example, if the received string is bpwwwwwwwLGS+CR+LF:
Figure 3-5. Rice Lake Continuous Data Format Example
| Received String | b | p | w | w | w | w | w | w | w | L | G | S | CR | LF |
| String Position | 00 | 01 | 02 | 03 | 04 | 05 | 06 | 07 | 08 | 09 | 10 | 11 | 12 | 13 |
Advanced Parsing Parameters
Advanced Parsing Parameters utilize logical operators and bit masking to set the individual bits of the string to read the sign, stability, zero and over/under load and units.
Figure 3-6. Advanced Configuration Parameters
Table 3-4. Advanced Parsing Parameter Settings
| Parameter | Description |
| .nEt | Weight Net – Bit and character that indicates if the weight is net |
| nEG.SiG | Negative Sign – Bit and character that indicates if the weight is positive or negative |
| StbiL | Stability – Bit and character that indicates if the weight is stable |
| .ZEro | Weight Zero – If the value is not set (MASK = 0) the scale is considered to be in the zero range when the weight is equal to 0 |
| .UnDeR.L | Weight Under Load – Bit and character that indicates if the weight is under load |
| oUEr.L | Over Load – Bit and character that indicates if the weight is over load |
| Unit | Unit 1 – Lights W1; If 076 lights unit 1, the unit of measure is L, or pounds; Unit of measurement stickers are provided to replace W1 function LED labels |
| Unit2 | Unit 2 – Lights W2; If 075 lights unit 2, the unit of measure is K, or kilograms; Unit of measurement stickers are provided to replace W2 function LED labels |
Each of the Advanced parameters are defined by setting the following parameters:
Table 3-5. Advanced Parsing Parameter Settings
| Parameter | Description |
| msk | Mask – Byte where will extract the data, relative to step indicated in dU.CEd(from 0–255); Character is logical dv.Cedwith this mask, the result is compared with Value; Parameter is not managed if the value is set to 0 |
| n.byte | Index Byte – Indicates the character where the data will be extracted; Character index in the string |
| vlue | Value – Character value that defines what was selected in dU.CEdstep; If the character of the string is a letter it is necessary to insert the relative ASCII code value Und.Ourif the tr.L0is set and the tr.HIparameters will be ignored |
Example: If the string sent by the scale indicator has the form: WWWWWWF Where WWWWWW is the weight, F some flags.
Wei.pos will be 0. Wei.Len 6.
If check bit 2 of flag character F is desired and this bit is about negative weight, then set in A dv.ce d / Ne g.sig:
- Mask = 4 (if check bit 2 is desired, binary mask is 00000100, decimal = 4)
- N.Byte = 6
- Value = 4
When character 6 of the string AND (logical AND) Mask = 4 weight is considered negative.
Check Multiple Bits
Sum the mask decimals of all bits to be checked to check multiple bits.
Example: Check bits 7 (decimal 64) and 6 (decimal 128) the mask will be 192 (binary 11000000).
Sum all mask decimals to check a whole character.
Example: If the stability condition is a character ‘S’ in a certain position, the mask will be 255 (11111111 binary) and value will be 83 (ASCII code of character S). When character and 255 (character remains unchanged) is equal to ASCII of S (83) the weight is considered stable.
An example for standard string parameters of the Rice Lake continuous format:
Figure 3-7. STR-1 Rice Lake Stream Data Format

Semi Auto Learn Using rEPE.in
rEPE .in is a semi-automatic mode to establish the start and end positions of the weight value. rEPE . in has no parameters and does not read annunciators for units, mode, or status. This parameter is in the PC Mode.
The polarity sign is to be included as part of the start position. The total weight length can be more than six characters. If anegative value is present, the negative sign will be placed in the character to the left of the displayed value, as long as the value is not more than five digits.
If the weight value includes leading zeros they will be displayed. Navigate parameters for the configuration of the weight indicator by using the display keys, see Table 1-2 on page 3 for navigation assistance:
- Con. Ai displays, press
. - The detected baud rate and the milliseconds to read the string displays, press
. - Verif y and the first recognized character displays, navigate parameter using the five function keys, press

- Set? displays, press .
- Wait. . .. Start displays, wait for the process to finish.
- The start of the string will display, navigate parameter using the five function keys, press

- End displays the end of the string, navigate parameter using the five function keys, press
.Baud, bits, address (for RS-485) and timeout can be configured or the learn mode can be saved.
The F. mod E (Function Mode) menu changes parameter functions of the device:
Figure 3-8. Function Mode Navigation
Table 3-6. Function Mode Parameter Definitions
| Menu | Parameter | Description |
| F.modE (Function Mode) | FunCt | Function – Access to function parameter; Not applicable |
| ir.ConF | Not applicable | |
| L.int | Light Intensity – Display back light intensity selection that defaults on power on; Settings: Lint0, Lint0, Lint02, Lint03, Lint04, Lint05 | |
| FunCt (Function) | rEPE | REPE – Single scale repeater; Reception of the RS-485 address, see PCSELin Table 3-2 on page 6 |
| Mster | Not applicable |
Troubleshooting
This section provides an overview of LaserLT-60 and LaserLT-100 troubleshooting.
The diAG (Diagnostics) menu provides device information:
Figure 4-1. Diagnostics Navigation
Table 4-1. Diagnostics Parameter Definitions
| Menu | Parameter | Definition |
| diG (Diagnostics) | PrG.UEr | Program Version – Firmware version |
| diSPL | Display test – 8.8.8.8.8.8.displays | |
| KEyb | Function key test – 00 displays; Navigate with the front panel keys to display related codes to confirm the key is working; Press any key two times to exit | |
| SEr | Serial – RS-232 serial port test | |
| CoN-2 | Not applicable | |
| CtS.St. | Not applicable | |
| outPut | Output Test – Test of the outputs; Settings: rEL0, rEL02 | |
| inPutS | Inputs Test – Test of the inputs; Settings: in. -0, in.2-0 | |
| Nout | Not applicable | |
| SEr.nuN | Serial Number – The serial number of the unit, scrolls | |
| S.rdio | Not applicable |
Specifications
Display
6-digit, 7-segment discrete oval red LED lamps, single width
2.4” (60 mm) or 4” (100 mm) digit
Decimal/comma indication in any position
Annunciators for NT, Stability, COZ
Operator Interface
Display LaserLT-60 – 2.4” high (60 mm)
LaserLT-100 – 3.9” high (100 mm)
Keypad Five function keys
LED Six status instrument LEDs
Rating/Material
304 stainless steel, IP68
Weight
10 lb
Communication
Digital Inputs/Outputs
Two inputs Opto isolated 12–24 VDC
Two outputs 150 mA, 48 VAC/150 mA, 60 VDC
Serial ports 1 RS-485 bidirectional port, configurable
1 RS-232 bidirectional port, configurable
Input Data Format
Baud Rate: 1200 to 115.2 K software selectable.
Even parity 7 data bits, or no parity 8 data bits
Update
Software selectable 1-20/sec
Environmental
Operating Temperature
Legal 14°F–104°F (-10°C–40°C)
Industrial -40°F–120°F (-40°C–49°C)
Storage Temperature -22°F–179°F (-30°C–80°C)
Humidity 85% (non-condensing)
Power
Input 120/240 12–24 VDC
Power Consumption 160 mA max
Warranty
One-year limited warranty
Certifications and Approvals
FCC Compliance
United States
This equipment has been tested and found to comply with the limits for a Class A digital device, pursuant to Part 15 of the FCC Rules. These limits are designed to provide reasonable protection against harmful interference when the equipment is operated in a commercial environment. This equipment generates, uses, and can radiate radio frequency energy and, if not installed and used in accordance with the instruction manual, may cause harmful interference to radio communications. Operation of this equipment in a residential area is likely to cause harmful interference in which case the user will be required to correct the interference at his own expense.
Canada
This digital apparatus does not exceed the Class A limits for radio noise emissions from digital apparatus set out in the Radio Interference Regulations of the Canadian Department of Communications.
© Rice Lake Weighing Systems
Specifications subject to change without notice.
Rice Lake Weighing Systems is an ISO 9001 registered company.
230 W. Coleman St.
- Rice Lake, WI 54868
- USA U.S. 800-472-6703
- Canada/Mexico 800-321-6703
- International 715-234-9171
- Europe +31 (0)26 472 1319

References
Клининговые услуги в Москве. Уборка помещений, монтаж оборудования.Тел.+7 (495) 135-20-85
StA.int
Rice Lake Weighing Systems
Manuals | Rice Lake Weighing Systems
Training | Rice Lake Weighing Systems
Warranties
Videos and Webinars | Rice Lake Weighing Systems
Rice Lake Weighing Systems
Rice Lake Weighing Systems
Rice Lake Weighing Systems
Manuals | Rice Lake Weighing Systems
500

























