HOME DECORATORS COLLECTION AM909-NI Heritage Point LED 25 in Ceiling Fan User Guide
Safety Information
- To reduce the risk of electric shock, ensure electricity has been turned off at the circuit breaker or fuse box before beginning.
All wiring must be in accordance with the National Electrical Code “ANSI/NFPA 70-1999” and local electrical codes. Electrical installation should be performed by a qualified licensed electrician. - The outlet box and support structure must be securely mounted and capable of reliably supporting a minimum of 35 lbs (15.9 kg) or less. Use only UL-listed outlet boxes marked “FOR FAN SUPPORT.”
- The fan must be mounted with a minimum of 7 ft (2.1m) clearance from the trailing edge of the blades to the floor.
- Avoid placing objects in the path of the blades.
- To avoid personal injury or damage to the fan and other items, be cautious when working around or cleaning the fan.
- Do not use water or detergents when cleaning the fan or fan blades. A dry dust cloth or lightly dampened cloth will be suitable for most cleaning.
- After making electrical connections, spliced conductors should be turned upward and pushed carefully up into the outlet box. The wires should be spread apart with the grounded conductor and the equipment-grounding conductor on one side of the outlet box and ungrounded conductor on
the other side of the outlet box. - All setscrews must be checked and retightened where necessary before installation.
- Suitable for use with solid-state speed control (MR181B-3 only.)
- This device complies with part 15 of the FCC Rules. Operation is subject to the following two conditions:
- This device may not cause harmful interference, and
- this device must accept any interference received, including interference that may cause undesired operation.
WARNING: Changes or modifications to this unit not expressly approved by the party responsible for compliance could void the user’s authority to operate the equipment.
NOTE: This equipment has been tested and found to comply with the limits for a Class B digital device, pursuant to Part 15 of the FCC Rules. These limits are designed to provide reasonable protection against harmful interference in a residential installation. This equipment generates, uses and can radiate radio frequency energy and, if not installed and used in accordance with the instructions, may cause harmful interference to radio communications.
However, there is no guarantee that interference will not occur in a particular installation. If this equipment does cause harmful interference to radio or television reception, which can be determined by turning the equipment off and on, the user is encouraged to try to correct the interference by one or more of the following measures:- Reorient or relocate the receiving antenna.
- Increase the separation between the equipment and receiver.
- Connect the equipment into an outlet on a circuit different from that to which the receiver is connected.
- Consult the dealer or an experienced radio/TV technician for help.
The following responsible party designated in FCC §2.909 is responsible for this declaration:
Model Number: AM909-NI
Company Name: TAL INTERNATIONAL CORPORATION
Company Address: 2919 E. Philadelphia St., Ontario, CA 91761, U.S.A.
Full Name: James Lai Title: Manager
Telephone Number: (909) 923-2888 Fax: (909) 923-8337
WARNING: To reduce the risk of electric shock, this fan must be installed with an isolating wall control/switch.
WARNING: To reduce the risk of personal injury, do not bend the blade arms (also referred to as flanges), when installing the brackets, balancing the blades or cleaning the fan.
WARNING: Do not insert foreign objects between rotating fan blades.
WARNING: To reduce the risk of fire, electric shock or personal injury, mount the fan to the outlet box marked acceptable for fan support with the screws provided with the outlet box.
CAUTION: To reduce the risk of personal injury, use only the screws provided with the outlet box.
WARNING: Suitable for use in DAMP location.
Warranty
The manufacturer warrants the fan motor to be free from defects in workmanship and material present at time of shipment from the factory for a period of lifetime after the date of purchase by the original purchaser. The manufacturer warrants the light kit (excluding any glass), to be free from defects in workmanship and material present at time of shipment from the factory for a period of five years after the date of purchase by the original purchaser. The manufacturer also warrants that all other fan parts, excluding any glass or acrylic blades, to be free from defects in workmanship and material at the time of shipment from the factory for a period of two years after the date of purchase by the original purchaser. We agree to correct such defects without charge or at our option replace with a comparable or superior model if the product is returned. To obtain warranty service, you must present a copy of the receipt as proof of purchase. All costs of removing and reinstalling the product are your responsibility. Damage to any part such as by accident, misuse, improper installation or by affixing any accessories, is not covered by this warranty. Because of varying climatic conditions this warranty does not cover any changes in brass finish, including rusting, pitting, corroding, tarnishing or peeling. Brass finishes of this type give the longest useful life when protected from varying weather conditions. A certain amount of “wobble” is normal and should not be considered a defect. Servicing performed by unauthorized persons shall render the warranty invalid. There is no other express warranty. We hereby disclaim any and all warranties, including but not limited to those of merchantability and fitness for a particular purpose to the extent permitted by law. The duration of any implied warranty which cannot be disclaimed is limited to the time period as specified in the express warranty. Some states do not allow limitation on how long an implied warranty lasts, so the above limitation may not apply to you. The retailer shall not be liable for incidental, consequential, or special damages arising out of or in connection with product use or performance except as may otherwise be accorded by law. Some states do not allow the exclusion of incidental or consequential damages, so the above exclusion or limitation may not apply to you. This warranty gives specific legal rights, and you may also have other rights which vary from state to state. This warranty supersedes all prior warranties. Shipping costs for any return of product as part of a claim on the warranty must be paid by the customer.
Contact the Customer Service Team at 1-800-986-3460 or visit www.HOMEDEPOT.COM/HOMEDECORATORS
Pre-Installation
SPECIFICATIONS
| Fan size | Speed | Volts | Amps | Watts | RPM | CFM | N.W. | G.W. | C.F. |
| 25 in. | Low | 120 | 0.21 | 14.02 | 294 | 1046 | 8.1 kg (17.82 lbs.) | 11.22 kg (24.7 lbs.) | 4.96 cu. ft. |
| Medium | 0.25 | 21.15 | 424 | 1524 | |||||
| High | 0.31 | 34.40 | 542 | 1941 |
NOTE: These are approximate measures. They do not include amps and wattage used by the light kit. 
TOOLS REQUIRED
Phillips screwdriver
Flat blade screwdriver
Adjustable wrench
Step ladder
Wire stripper
Electrical tap
HARDWARE INCLUDED
NOTE: Hardware not shown to actual size.




| Part | Description | Quantity |
| AA | Plastic wire nut | 3 |
| BB | Blade attachment screw and fiber washer | 10 |
| CC | 1.5V AAA battery | 2 |
| DD | Extension cord | 1 |
PACKAGE CONTENTS




| Part | Description | Quantity |
| A | Mounting bracket (preassembled) | 1 |
| B | Canopy ring (preassembled) | 1 |
| C | Canopy | 1 |
| D | Hanger ball / downrod assembly | 1 |
| E | Coupling cover | 1 |
| F | Rear guard | 1 |
| G | Fan motor assembly | 1 |
| H | Blade | 3 |
| Part | Description | Quantity |
| I | Blade arm | 3 |
| J | Light kit mounting plate | 1 |
| K | 18W LED Light kit | 1 |
| L | Glass shade | 1 |
| M | Front guard | 1 |
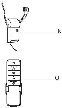
| N | Receiver | 1 |
| O | Remote control | 1 |
Installation
MOUNTING OPTIONS
WARNING: To reduce the risk of fire, electric shock, or personal injury, mount the fan to an outlet box marked acceptable for fan support using the screws provided with the outlet box. An outlet box commonly used for the support of lighting fixtures may not be acceptable for fan support and may need to be replaced. If in doubt, consult a qualified electrician.
If your ceiling fan does not have an existing UL-listed mounting box, then install one using the following instructions:
- Disconnect the power by removing the fuses or turning off the circuit
- Secure the outlet box (not included) directly to the building structure. Use appropriate fasteners and materials (not included). The outlet box and its bracing must be able to fully support the weight of the moving fan (at least 35 lbs.). Do not use a plastic outlet box.
- The illustrations below show three different ways to mount the outlet box (not included).

NOTE: You may need a longer downrod to maintain proper blade clearance when installing on a steep, sloped ceiling. The maximum angle allowable is 18° away from horizontal. If the canopy (C) touches the hanger ball / downrod assembly (D), turn the canopy (C) 180° before attaching the canopy (C) to the mounting bracket (A).
To hang your fan where there is an existing fixture but no ceiling joist, you may need an installation hanger bar (not included) as shown above.
Assembly
- Assembling the rear guard on the fan motor assembly
- Remove three rear guard mounting screws (EE) from the rear guard (F) on the top of the fan motor assembly (G).
- Attach the rear guard (F) to the fan motor assembly (G) by tightening the rear guard mounting screws (EE) previously removed.

- Preparing the canopy
- Remove the canopy ring (B) from the canopy (C).
- Remove the two non-slotted canopy mounting screws with lock washers (FF) from the canopy (C), and loosen the slotted canopy mounting screws with lock washers (FF) on the canopy (C).
- Remove the canopy (C) from the mounting bracket (A) by turning the canopy (C) counterclockwise.

- Preparing the motor
- Remove the cotter pin (GG) and clevis pin (HH), and loosen the two collar setscrews (II) from the motor collar.
- Take out the setscrew (JJ) located in the hanger ball (KK), lower the hanger ball (KK) and remove the cross pin (LL). Remove the hanger ball (KK) from the hanger ball / downrod assembly (D).
- Remove the ground lead (MM) from the downrod assembly (D).

- Assembling the fan
WARNING: Failure to properly install the cotter pin (GG) could result in the fan loosening and possibly falling.
NOTE: If a longer downrod (not included) is needed, take out the screw located in the hanger ball (KK), lower the hanger ball (KK) and remove the pin (LL). Remove all three pieces from the downrod and assemble them onto the new longer downrod before proceeding to the downrod installation. Be sure to snap together the 3-PIN connectors, the male plug (NN) from the fan and female plug from the extension cord (DD).- downrod (OO). Thread the downrod (OO) into the collar.
- Align the holes and replace the clevis pin (HH) and cotter pin (GG). Tighten the two collar setscrews (II).
- Slip the coupling cover (E), canopy ring (B), and canopy (C) onto the downrod (OO).
- Carefully reinstall the hanger ball (KK) onto the downrod (OO) and reinstall the ground lead (MM) onto the downrod (OO), being sure that the cross pin (LL) is in the correct position, the setscrew (JJ) is tightened and wires are not twisted.

- Installing the mounting bracket to the electrical box
WARNING: To reduce the risk of fire, electric shock or other personal injury, mount the fan only to an outlet box or supporting system marked acceptable for fan support and use the mounting screws provided with the outlet box.- Pass the 120-volt supply wires through the center hole in the mounting bracket (A).
- Attach the mounting bracket (A) on the outlet box by sliding the mounting bracket (A) over the screws provided with the outlet box. Note that the flat side of the mounting bracket (A) is toward the outlet box.
- Securely tighten the two mounting screws.

- Hanging the fan to the mounting bracket
WARNING: The tab in the ring must rest in the groove of the hanger ball / downrod assembly (D). Failure to properly seat the tab in the groove could cause damage to the wiring.- Carefully lift the fan motor assembly (G) up to the mounting bracket (A) and seat the hanger ball / downrod assembly (D) in the mounting bracket (A) socket. Make sure the tab on the mounting bracket (A) socket is properly seated in the groove in the hanger ball / downrod assembly (D). This will help to balance the ceiling fan.

- Carefully lift the fan motor assembly (G) up to the mounting bracket (A) and seat the hanger ball / downrod assembly (D) in the mounting bracket (A) socket. Make sure the tab on the mounting bracket (A) socket is properly seated in the groove in the hanger ball / downrod assembly (D). This will help to balance the ceiling fan.
- Preparing the receiver and remote control
NOTE: The frequencies on your receiver and remote control have been preset at the factory. Before installing the receiver, make sure the dip switches on the receiver and remote control are set to the same frequency. The dip switches on the remote control are located inside the battery compartment.
NOTE: The battery will weaken with age and should be replaced before leaking takes place as this will damage the remote control. Dispose of the used battery properly and keep the battery out of the reach of children.
Setting the Code on the Remote:- Remove the battery cover on the back of the remote control (O) by pressing firmly on the arrow and sliding the cover off.
- Slide the code switches to your choice of either up or down. The factory setting is up.
- Install two AAA batteries (CC) (included).
- Replace the battery cover on the remote control (O).
Setting the Code on the Receiver: - Slide the code switches on the receiver (N) to the same positions as set on the remote control (O).
- After checking the switches, insert the receiver (N) into the mounting bracket (A) with the flat side of the receiver (N) facing the ceiling.


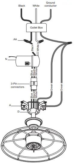
- Making the electrical connections
WARNING: Check to see that all connections are tight, including ground, and that no bare wire is visible at the wire nuts, except for the ground wire.
WARNING: To reduce the risk of electric shock, this fan must be installed with an isolating wall control/switch.
NOTE: The fan must be installed at a maximum distance of 20 ft. from the remote control for proper signal transmission between the remote control and the fan’s receiving unit.
If you feel you do not have enough electrical wiring knowledge or experience, have your fan installed by a licensed electrician.
Follow the steps below to connect the fan to your household wiring. Use the plastic wire nuts (AA) with your fan. Secure the plastic wire nuts (AA) with electrical tape. Make sure there are no loose strands or connections.- Insert the receiver (N) into the mounting bracket (A) with the flat side of the receiver (N) facing the ceiling.
- Make wire connections from the fan to the receiver (N).
From Fan To Receiver
3-Pin Connector: 3-Pin Connector - Make wire connections from the receiver (N) and fan to the outlet box as follows, using the wire nuts (AA).
From Receiver To Outlet Box
Black Wire “AC in L”: Black Wire (Hot)
White Wire “AC in N”: White Wire (Neutral)
From Fan and Receiver To Outlet Box
Green Wires*: Green or Bare Wire (Ground)
* There are two green grounding leads: one from the mounting bracket (A) and one from the hanger ball/downrod assembly (D). - Turn the wire nut connections upward, spreading them apart so the green (ground) and white wires will be on one side of the outlet box and the black and blue wires will be on the other side. Carefully tuck the connections up into the outlet box.

- Installing the canopy
WARNING: Make sure the tab on the mounting bracket (A) properly sits in the groove in the hanger ball / downrod assembly (D) before attaching the canopy (C) to the mounting bracket (A) by turning the canopy (C) until it drops into place.
WARNING: The locking slots of the canopy (C) are provided only as an aid to mounting. Do not leave the fan assembly unattended until all four canopy mounting screws with lock washers (FF) are engaged and firmly tightened.- Slide the canopy (C) up to the ceiling. Make sure you have placed the wires safely into the outlet box.
- Secure the canopy (C) to the mounting bracket (A) with the four canopy mounting screws with lock washers (FF) included with your fan.
- Raise up canopy ring (B) and line up the four grooves with the four screw heads on the canopy (C). Once lined up, slide the canopy ring (B) and secure it to the canopy (C) until snug

- Attaching the blades to the 10 11 blade arms
- Attach the blades (H) to the blade arms (I) using the three blade attachment screws and fiber washers (BB). Start a screw with fiber washer (BB) into the blade arms (I), but do not tighten.
- Repeat for the two remaining blade attachment screws and fiber washers (BB).
- Tighten each screw securely starting with the center screw. Make sure the blade (H) is straight.
- Repeat these steps for the remaining blades (H).

- Fastening the blade assemblies to the motor
WARNING: To reduce the risk of personal injury, do not bend the blade arms (I) while installing, balancing the blades (H), or cleaning the fan. Do not insert foreign objects between rotating fan blades (H).- Fasten the blade assemblies to the fan motor assembly (G).
- Tighten the two blade arm mounting screws with lock washers (PP).
- Repeat this procedure for the remaining blade arms (I).

- Attaching the light kit mounting plate to the mounting ring
- Remove one of the three light kit mounting plate screws (QQ) from the mounting ring (RR) and loosen the other two screws. (Do not remove.)
- Place the key holes in the light kit mounting plate (J) over the two screws (QQ) previously loosened from the mounting ring (RR). Turn the light kit mounting plate (J) until the light kit mounting plate (J) locks in place at the narrow section of the key holes.
- Securely tighten the two light kit mounting plate screws (QQ) previously loosened and the one (QQ) previously removed.

- Attaching the LED light kit and glass shade
CAUTION: Before starting installation, disconnect the power by turning off the circuit breaker or removing the fuse at the fuse box. Turning power off using the fan switch is not sufficient to prevent electric shock.- Remove one of the three light kit mounting screws (SS) from the light kit mounting plate (J) and loosen the other two screws (SS). (Do not remove.)
- While holding the 18W LED light kit (K) under the fan motor assembly (G), make the 2-pin wire connections:
- White to white
- Blue to black
- Place the key holes in the 18W LED light kit (K) over the two mounting screws (SS) previously loosened from the light kit mounting plate (J). Turn the 18W LED light kit (K) until the 18W LED light kit (K) locks in place at the narrow section of the key holes. Secure by tightening the two light kit mounting screws (SS) previously loosened and the one (SS) previously removed.
- Raise the glass shade (L) up against the 18W LED light kit (K) and secure it to the fan by turning the glass shade (L) clockwise until snug. DO NOT OVERTIGHTEN.

- Attaching the front guard to the 14 fan motor assembly
Installing the Front guard
CAUTION: Before starting installation, disconnect the power by turning off the circuit breaker or removing the fuse at the fuse box. Turning power off using the fan switch is not sufficient to prevent electric shock.- Remove six front guard mounting screws (TT) from the rear guard (F).
- Attach the front guard (M) to the rear guard (F) by tightening the six front guard mounting screws (TT) previously removed

Operation
REMOTE CONTROL OPERATING INSTRUCTIONS
Press and release the
button to turn the fan on or off.
Press and release 1 time – turns the fan on high speed.- Press and release 2 times – turns the fan on medium speed.
- Press and release 3 times – turns the fan on low speed.
- Press and release 4 times – turns the fan off.
- Press and release the
button to turn the light on or off. - Press and hold the
button to activate the dimmer function.
Press and hold this button for 3 seconds to enable Comfort
BreezeTM; this will change your fan speed randomly, simulating a
relaxing breeze. To cancel this feature press
or
.
While the fan is on press 1 time – turns on a 2 hour run timer.- While the fan is on press 2 times – turns on a 4 hour run timer.
- While the fan is on press 3 times – turns on an 8 hour run timer.

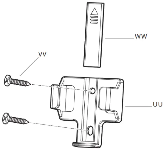
INSTALLING THE REMOTE CONTROL HOLDER
- Attach the remote control holder (UU) with the two remote control holder mounting screws (VV).
- Replace the remote control holder cover (WW) into remote control holder (UU).

REVERSE SWITCH OPERATING INSTRUCTIONS REVERSE SWITCH OPERATING INSTRUCTIONS
The reverse switch is located on the top of the motor housing. Slide the switch to the left for warm weather operation. Slide the switch to the right for cool weather operation.
NOTE: Wait for the fan to stop before reversing the direction of the blade rotation
Warm weather – (Counterclockwise Direction) A downward air flow creates a cooling effect. This allows you to set your air conditioner on a warmer setting without affecting your comfort.
Cool weather – (Clockwise Direction) An upward air flow moves warm air off the ceiling. This allows you to set your heating unit on a cooler setting without affecting your comfort.

Care and Cleaning
Do
- Check the support connections, brackets, and blade attachments twice a year. Make sure they are secure.
Because of the fan’s natural movement, some connections may become loose over time. It is not necessary to remove the fan from the ceiling. - Clean your fan periodically. Use only a soft brush or lint-free cloth to avoid scratching the finish. The plating is sealed with a lacquer to minimize discoloration ortarnishing.
- (Optional) Cover small scratches with a light application of shoe polish.
Do not
- Use water when cleaning. Water could damage the motor, or the wood, or possibly cause an electrical shock.
- Apply oil to your fan or motor. The motor has permanently-lubricated sealed ball bearings.
Troubleshooting
WARNING: Make sure the power is off at the electrical panel box before you attempt any repairs. Refer to step 8 “Making the electrical connections”
| Problem | Solution |
|
The fan will not start. |
|
| |
| |
|
The fan sounds noisy. |
|
| |
| |
| |
| |
| |
| The remote control is not working. |
|
|
Service Parts






| Part | Description |
| A | Mounting bracket (preassembled) |
| B | Canopy ring (preassembled) |
| C | Canopy |
| D | Hanger ball / downrod assembly |
| E | Coupling cover |
| F | Rear guard |
| G | Fan motor assembly |
| H | Blade |
| I | Blade arm |
| J | Light kit mounting plate |
| K | 18W LED Light kit |
| L | Glass shade |
| M | Front guard |
| N | Receiver |
| O | Remote control |
| Part | Description |
| AA | Plastic wire nut |
| BB | Blade attachment screws and fiber washers |
| CC | 1.5V AAA battery |
| DD | Extension cord |
Questions, problems, missing parts? Before returning to the store, call Home Decorators Collection Customer Service
8 a.m. – 7 p.m., EST, Monday-Friday, 9 a.m. – 6 p.m., EST Saturday
1-800-986-3460
HOMEDEPOT.COM/HOMEDECORATORS
Retain this manual for future use.
















Press and hold this button for 3 seconds to enable Comfort

















