
Model Q46UV
Q46UV Q-Clean System Addendum
Instruction Manual

ATI Q46UV UV254/Turbidity Monitor
Part 1 – Introduction
General
This manual is a supplement to the manual for the UV-254/Turbidity Monitor. It covers the installation and operation of the Q-Clean automatic sensor cleaning system.
The Q-Clean is an automatic system that periodically cleans the UV sensor by killing the sensor flowcell with a cleaning chemical. The chemical used is a solution of “Red-B-Gone”, which is used to remove iron and manganese buildup. Red-Boone is manufactured by Pro Products and an SDS on this chemical is available at: https://proproducts.com/sds-sheets/.
Standard System
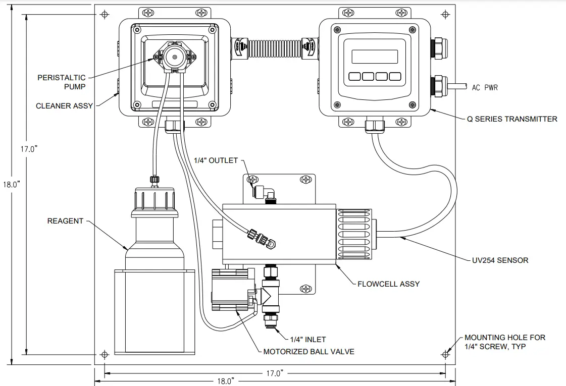
The Q46UV system with chemical cleaner is supplied as an integrated assembly that includes the UV monitor, UV sensor and flowcell assembly, an automatic chemical injection system, a sample flow control valve, and a chemical reservoir. All components are mounted on a support panel and the system is ready for operation once it is mounted and the sample is connected.
Cleaner Panel Assembly
As mentioned previously, the Q46UV system with chemical cleaning is supplied already mounted on a ¼” thick HDPE plate. Figure 1 below shows the assembled system with mounting plate dimensions. Mount the panel in a location that allows easy access for calibration and maintenance.

Figure 1 – Q46UV Panel with Chemical Cleaner
Q-Clean Pump
The Q-Clean assembly uses a peristaltic pump mounted on the front of a control enclosure. The pump operates for approximately 30 seconds during each cleaning sequence. Pump operating time and the frequency of cleaning are controlled by program settings in the Q46UV and can be adjusted to meet specific application requirements. A typical cleaning cycle will consume approximately 25 ml. of cleaning solution. A 500 ml. chemical bottle is supplied and a bottle bracket is mounted to the panel assembly. Cleaning frequency is normally somewhere between once a day and once a week, depending on the severity of fouling. Only through experience can you determine the required frequency.
Cycle Description
When the Q46 monitor calls for a cleaning cycle to begin, the cleaner assembly will close the ball valve, stopping sample flow into the system. Analog outputs and relays in the Q46 will be held at pre-cleaning values. Once the flow has stopped, the peristaltic pump will activate, filling the flow cell with cleaning fluid. After filling, the cleaning solution will remain in the flow cell for the programmed time period (normally about 15 minutes) to clean optical surfaces. At the end of the cleaning period, the ball valve will reopen and flush out the cleaning solution. Analog and relay outputs will remain in the “hold” state for the period of time defined in the Q46UV program. Once that time period has expired, outputs will update as normal.
Cleaning Fluid Mixing
The Q-Clean system is supplied with a bottle assembly for holding 500 ml. of cleaning solution. The solution must be mixed on-site. A bottle of “Red-B-Gone” cleaner is supplied with the system. Disconnect the tube fitting at the top of the cleaner bottle and remove the cap. Fill the bottle ¾ full of tap water. Add two tablespoons of Red-B-Gone, close the container, and mix for 30 seconds. Fill the bottle the rest of the way to the neck of the bottle and replace the cap. Place the bottle in the bottle holder and
reconnect the tube fitting. Note that the exact amount of chemical is not critical. If using a disposable plastic spoon, simply add 3 or 4 spoonsful. A little extra will do no harm and possibly help the cleaning process.
Electrical Wiring
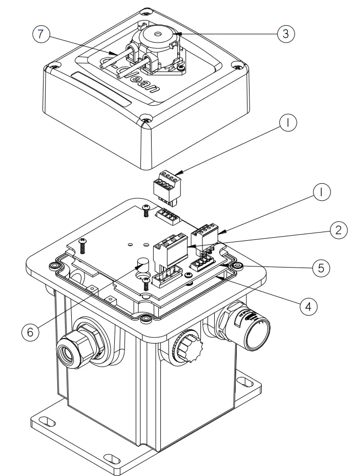
The Q-Chem pump has two external items connected. A 3-conductor cable connects the Q46UV monitor and a 2-conductor cable connects the sample inlet control valve. In addition, AC power is connected to the Q46UV with a short power cable. If desired, this can be removed and a separate AC power cord used. Shown below are electrical terminal connections for the pump system.
Figure 2 – Q-Chem Electrical Connections
Maintenance
General
The cleaner system requires very little maintenance. The only maintenance item in the assembly is the peristaltic pump head. The tubing in the pump is a replaceable part and will need to be changed periodically. The frequency will depend on how often cleaning is done. The pump will normally run about 15 seconds during each cleaning cycle. Assuming one cleaning cycle per day, you can probably go a year without problems. As a preventive procedure, replace the peristaltic pump tubing once per year. The entire pump and pump motor should last 2-3 years or more, again depending on cleaning frequency. The pumps are inexpensive and replacements are available from ATI.
Tube Replacement
Tube replacement is a simple process. The peristaltic pump head is first removed from the drive by pinching the tabs on either side inward and then pulling the pump head off of the drive shaft.
Once you have removed the pump head, pinch in the tabs at the top and bottom as shown in the picture on the right. The two halves of the plastic assembly will separate as shown on the next page.
Inside the pump, you’ll find a roller assembly and the tube with retainer clips. Take a new piece of tubing from the spares supplied. Place the retainer clips on the new tube. They should be space exactly 1” from each end.
After clips are in place on the tube, wrap the tube around the roller assembly taking care that the clips line up with the slots in the front plastic housing. The opening in the clips faces outward when inserted into the pump head. Press them into place and then replace the back piece.
Once the pump tube is in place, put the pump head back onto the drive shaft and press in until the pinch points click into place so that the pump head is secure.
Spare Parts – Cleaner Pump Assy 
| Item Number | ATI_PN | Title |
| 1 | 38-0073 | Plug, 3.81mm, 4 Pos |
| 2 | 38-0076 | Plug, 2 Pos, 3.81mm |
| 3 | 03-0544 | Spare Peristaltic Pump Assy |
| 4 | 01-0353 | Q-Blast P/S PCB Assy |
| 5 | 01-0354 | Q-Blast P/S Cover Board |
| 6 | 23-0029 05-0143 | Fuse, 630mA |
| 7 | 05-0143 | Pump Tubing Kit |
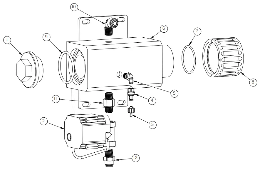
Spare Parts – Flowcell Assy

| Item Number | ATI_PN | Title |
| 1 | 45-0398 | Clean Out Plug |
| 2 | 54-0047 | Motorized Ball Valve |
| 3 | 44-0386 | Male Luer Fitting x .093″ Barb |
| 4 | 44-0325 | Luer Check Valve Fitting |
| 5 | 44-0387 | Female Luer x .125″ NPT |
| 6 | 45-0408 | Flowcell w/Cleaner Option |
| 7 | 42-0131 | Adapter O-Ring, 2-131 |
| 8 | 45-0397 | Flowcell Cap |
| 9 | 42-0037 | Flowcell O-Ring |
| 10 | 44-0296 | 1/4″ NPT x 1/4 OD Instant Elbow Fitting |
| 11 | 47-0135 | 1/4″ S.S. Hex Nipple |
| 12 | 44-0270 | 1/4″ NPT x 1/4″ OD Instant Fitting |
PRODUCT WARRANTY
Analytical Technology, Inc. (Manufacturer) warrants to the Customer that if any part(s) of the Manufacturer’s equipment proves to be defective in materials or workmanship
within the earlier of 18 months of the date of shipment or 12 months of the date of a startup, such defective parts will be repaired or replaced free of charge. Inspection
repairs to products thought to be defective within the warranty period will be completed at the Manufacturer’s facilities in Collegeville, PA. Products on which warranty repairs required shall be shipped freight prepaid to the Manufacturer. The product(s) will be returned freight prepaid and allowed if it is determined by the manufacturer that the art(s) failed due to defective materials or workmanship.
This warranty does not cover consumable items, batteries, or wear items subject to periodic replacement including lamps and fuses.
Gas sensors carry 12 months from the date of shipment warranty and are subject to inspection for evidence of misuse, abuse, alteration, improper storage, or extended exposure to excessive gas concentrations. Should inspection indicate that sensors have failed due to any of the above, the warranty shall not apply.
The Manufacturer assumes no liability for consequential damages of any kind, and the buyer by the acceptance of this equipment will assume all liability for the consequences of its use or misuse by the Customer, his employees, or others. A defect within the meaning of this warranty is any part of any piece of a Manufacturer’s product which shall, when the such part is capable of being renewed, repaired, or replaced, operate to condemn such piece of equipment.
This warranty is in lieu of all other warranties ( including without limiting the generality of the foregoing warranties of merchantability and fitness for a particular purpose), guarantees, obligations, or liabilities expressed or implied by the Manufacturer or its representatives and by statute or rule of law.
This warranty is void if the Manufacturer’s product(s) has been subject to misuse or abuse, has not been operated or stored in accordance with instructions, or if the serial number has been removed.
Analytical Technology, Inc. makes no other warranty expressed or implied except as stated above.
| WATER QUALITY MONITORS | |
| Dissolved Oxygen | Peracetic Acid |
| Free Chlorine | Dissolved Sulfide |
| Combined Chlorine | Residual Sulfite |
| Total Chlorine | Fluoride |
| Residual Chlorine Dioxide | Dissolved Ammonia |
| Potassium Permanganate | Turbidity |
| Dissolved Ozone | Suspended Solids |
| pH/ORP | Sludge Blanket Level |
| Conductivity | Metronet Distribution Monitor |
| Hydrogen Peroxide | |
| GAS DETECTION PRODUCTS | |
| NH3 | Ammonia |
| CO | Carbon Monoxide |
| H2 | Hydrogen |
| NO | Nitric Oxide |
| O2 | Oxygen |
| CO | Cl2 Phosgene |
| Br2 | Bromine |
| Cl2 | Chlorine |
| ClO2 | Chlorine Dioxide |
| F | Fluorine |
| I2 | Iodine |
| HX | Acid Gases |
| C2H4O E | Ethylene Oxide |
| C2H6O | Alcohol |
| O2 | Ozone |
| CH4 | Methane (Combustible Gas) |
| H2O2 | Hydrogen Peroxide |
| HCl | Hydrogen Chloride |
| HCN | Hydrogen Cyanide |
| HF | Hydrogen Fluoride |
| H2S | Hydrogen Sulfide |
| NO2 | Nitrogen Dioxide |
| NOx | Oxides of Nitrogen |
| SO2 | Sulfur Dioxide |
| H2Se | Hydrogen Selenide |
| B2H6 | Diborane |
| GeH4 | Germane |
| AsH3 | Arsine |
| PH3 | Phosphine |
| SiH4 | Silane |
| HCHO | Formaldehyde |
| C2H4O3 | Peracetic Acid |
| DMA | Dimethylamine |
Home Office
Analytical Technology, Inc.
6 Iron Bridge Drive
Collegeville, PA 19426
Phone: 800-959-0299
610-917-0991
Fax: 610-917-0992
Email: [email protected]
European Office
ATI (UK) Limited
Unit 1 & 2 Gatehead Business Park
Delph New Road, Delph
Saddleworth OL3 5DE
Phone: +44 (0)1457-873-318
Fax: + 44 (0)1457-874-468
Email: [email protected]



















