TECMIX TMX PO 1200 230V 3G Polishing Machine

Symbols used
Symbols in the instructions
WARNING!
Indicates an imminent danger. Failure to observe this warning may result in death or serious injury.
Caution!
Indicates a potentially dangerous situation. Failure to observe this warning may result in injury or damage to property.
Note
Denotes application tips and important information
Symbols on the device
Read the operating instructions before commissioning!
Wear eye protection!
Disposal instructions for the old device.
Technical Data
| Device type | TMX PRO 1200 [230V – EU] |
| Max. Tool Ø | 180 mm |
| Locating hole | 22,23 mm |
| Spindle diameter | M14 External thread |
| Rotational speed | 600-3300 U/min |
| Power consumption | 1200 W |
| Weight | 3,4 kg |
| Protection class | ll |
At a glance
- Spindle
- Spindle lock
- Handle
3b Handle cover - Dial for speed preselection
- Power cord with power plug
- Locking knob
- On/off switch
- Hexagonal wrench
- Handle
- Type plate

For your safety
Warning!
Read and follow the instructions before using the polisher:
- the present operating instructions,
- the general safety instructions for handling power tools in the enclosed booklet,
- the rules and regulations for accident prevention applicable to the place of use
This polisher has been built according to the state of the art and recognized safety regulations. Nevertheless, its use may result in danger to life and limb of the user or third parties or damage to the machine or other property.
The polisher is only to be used
- for the intended use,
- in perfect condition in terms of safety.
Immediately eliminate any faults that impair safety.
Intended use
This polisher is determined
- for commercial use in industry and craft,
- for polishing work of any kind with polishing sponges, lambskins and woolen pelts, felt discs, buffing wheels
- for surface sanding with abrasive sheet on a backing pad,
- for use with polishing and grinding tools approved for a speed of at least 2400 rpm.
Safety instructions
Warning!
Read all safety notes and instructions. Failure to comply with the safety information and instructions may result in electric shock, fire and/or serious injury
Keep all safety notes and instructions for future reference.
- This power tool is to be used as a polisher. Observe all safety information, instructions, illustrations and data that you receive with the device. If you do not observe the following instructions. Electrical shock, fire and/or serious injury may result.
- This power tool is not suitable for grinding, sandpaper grinding, working with wire brushes and cut-off grinding. Uses for which the power tool is not intended can cause hazards and injuries.
- Do not use accessories that are not specifically intended and recommended by the manufacturer for this power tool. Just because you can attach the accessory to your power tool does not guarantee safe use.
- The permissible speed of the insert tool must be at least as high as the maximum speed indicated on the power tool. Accessories that rotate faster than permitted may break and fly around.
- The outer diameter and thickness of the insert tool must correspond to the dimensional specifications of your power tool. Incorrectly sized insert tools cannot be adequately shielded or controlled.
- Grinding wheels, grinding discs or other accessories must fit exactly on the grinding spindle of your power tool. Insert tools that do not fit exactly on the grinding spindle of the power tool rotate unevenly, vibrate very strongly and can lead to loss of control.
- Do not use damaged insert tools. Before each use, check insert tools for chipping and cracks, grinding discs for cracks, wear or heavy wear. If the power tool or the insert tool falls down, check whether it is damaged or use an undamaged insert tool. When you have inspected and used the insert tool, keep yourself and nearby persons out of the plane of the rotating insert tool and let the unit run at maximum speed for one minute. Damaged insert tools usually break in this test time.
- Wear personal protective equipment. Use full face shield, eye protection or safety glasses, depending on the application. Where appropriate, wear dust mask, hearing protection, protective gloves or special apron that keeps small abrasive and material particles away from you. Eyes should be protected from flying foreign objects generated during various applications. Dust mask or respirator must filter the dust generated during the application. If you are exposed to loud noise for a long time, you may suffer hearing loss.
- Keep other people a safe distance from your work area. Everyone entering the work area must wear personal protective equipment.
Fragments of the workpiece or broken insert tools can fly away and cause injuries even outside the direct working area. - Hold the tool only by the insulated gripping surfaces when performing work where the insert tool may hit hidden power lines or its own power cord. Contact with a live line can also energize metal parts of the device and lead to an electric shock.
- Keep the power cord away from rotating insert tools.
If you lose control of the tool, the power cord may be cut or caught and your hand or arm may be caught in the spinning insert tool. - Never put the power tool down until the insert tool has come to a complete stop.
The rotating insert tool may come into contact with the storage surface, causing you to lose control of the power tool. - Do not run the power tool while carrying it.
Your clothing can be caught by accidental contact with the spinning insert tool and the insert tool can drill into your body. - Regularly clean the ventilation slots of your power tool.
The motor fan draws dust into the housing, and a heavy accumulation of metal dust can cause electrical hazards. - Do not use the power tool near flammable materials.
Sparks can ignite these materials. - Do not use insert tools that require liquid coolants.
The use of water or other liquid coolants may result in electric shock.
Setback and corresponding safety instructions
Kickback is the sudden reaction resulting from a hooked or jammed rotating insert tool, such as grinding wheel, grinding disc, wire brush, etc. Hooking or jamming results in an abrupt stop of the rotating insert tool. This causes an uncontrolled power tool to accelerate against the direction of rotation of the insert tool at the jamming point. For example, if a grinding wheel hooks or jams in the workpiece, the edge of the grinding wheel that plunges into the workpiece may become caught, causing the grinding wheel to break free or kick back. The grinding wheel then moves toward or away from the operator, depending on the direction of rotation of the wheel at the jamming point. Grinding wheels can also break during this process. Kickback is the result of incorrect or faulty use of the power tool. It can be prevented by taking suitable precautions as described below.
- Hold the power tool firmly and place your body and arms in a position where you can absorb the recoil forces. Always use the auxiliary handle, if available, to have the greatest possible control over recoil forces or reaction moments during run-up. The operator can control the recoil and reaction forces by taking appropriate precautions.
- Never bring your hand close to rotating insert tools. The insert tool can move over your hand during recoil.
- Avoid the area with your body where the power tool will move in the event of a kickback. The kickback drives the power tool in the direction opposite to the movement of the grinding wheel at the blocking point.
- Work particularly carefully in the area of corners, sharp edges, etc. Prevent insert tools from bouncing off the workpiece and jamming.
The rotating insert tool tends to jam at corners, sharp edges or when it bounces. This causes a loss of control or kickback. - Do not use a chain or serrated saw blade.
Such insert tools often cause kickback or loss of control of the power tool.
Special safety instructions for polishing
- Do not allow any loose parts of the polishing hood, especially fastening cords. Stow away or shorten the fastening cords.
Loose, co-rotating fastening cords can catch your fingers or get caught in the workpiece
Further safety instructions
- Mains voltage and voltage specification on the type plate must match.
- Only press the spindle lock when the tool is stationary.
Noise and vibration
- Sound pressure level: 90dB(A);
- Sound power level: 101 dB(A);
- Uncertainty: K= 3 dB.
- Total vibration value (when polishing paint surfaces with a sponge):
- Emission value ah = 2.5 m/s2
- Uncertainty: K= 1.5 m/s2
CAUTION!
The measured values given apply to new devices. Noise and vibration values change during daily use.
NOTE
The vibration level specified in these instructions has been measured according to a measurement method standardized in EN 60745 and can be used for comparing power tools with each other. It is also suitable for a preliminary assessment of the vibration load. The specified vibration level represents the main applications of the power tool. However, if the power tool is used for other applications, with different application tools or insufficient maintenance, the vibration level may differ. This can significantly increase the vibration exposure over the entire working period. For an accurate estimate of the vibration load, the times when the unit is switched off or running but not actually in use should also be taken into account. This can significantly reduce the vibration exposure over the entire work period. Specify additional safety measures to protect the operator from the effects of vibration such as: Maintenance of power tool and insert tools, keeping hands warm, organization of work procedures.
CAUTION!
Wear hearing protection if sound pressure exceeds 85 dB(A).
Instruction manual
CAUTION!
Disconnect the power plug before performing any work on the polisher.
Before commissioning
Unpack the polisher and check for completeness of delivery and transport damage.
Mount bow handle
- Slide the handle (3) over the gear head. 2.
- Fasten the bow handle with the 2 enclosed screws and wrench (8).

Switching on and off
Switching on and off
- Press and hold the switch (7).
- Release the switch to switch off.

Continuous operation with latching:
- Press and hold switch (7).
- To engage, keep locking button (6) pressed and release switch.

- To switch off, briefly press and release switch (7).

HINWEIS
After a power failure, the switched-on device no longer starts.
Speed preselection
- To set the working speed, set the setting wheel (3b) to the desired value.
- By pressing the switch (7) sensitively, the unit is run up to the preselected speed.

Caution!
Risk of injury due to destruction of the tool. Use tools that are appropriate for the task at hand.
Note
In case of overload or overheating in continuous operation, the unit automatically reduces the speed until the unit has cooled down sufficiently.
Fasten or change tool holder
- Disconnect the power plug.
- Press and hold down the spindle lock.

- Screw the tool holder (Velcro, felt, grinding plate) clockwise onto the spindle and tighten it hand-tight.
- Fasten the tool on the tool holder.
- Plug the power plug into the socket.
- Switch on polisher (without engaging) and run polisher for approx. 30 seconds. Check for imbalances and a vibrations.
- Switch off the polisher
To remove the tool holder:
- Disconnect the power plug.
- Press and hold down the spindle lock. 3.
- Unscrew the tool holder (Velcro, felt, grinding plate) from the spindle in an anticlockwise direction.
Notes on fastening the tools
Caution!
Fasten tools centered on the tool holder. Tool damage due to imbalances possible. The work result may deteriorate
Working instructions
Note
After switching off, the grinding tool continues to run for a short time.
- When using polishing paste, use a separate tool for each paste.
- For sensitive surfaces (e.g. car paints), do not work aggressively, but with low speeds and low contact pressure.
- Sponges can be cleaned by machine.
Maintenance and care
Caution!
Disconnect the power plug before performing any work on the polisher.
Cleaning
Caution!
When processing metals, conductive dust can be deposited in the interior of the housing during extreme use.
Impairment of the protective insulation. Operate the machine via a residual current circuit breaker.
Clean the machine and ventilation slots regularly. Frequency depends on the material processed and the duration of use.
Regularly blow out the interior of the housing with the motor with dry compressed air.
Carbon brushes
The polisher is equipped with shut-off carbons. After reaching the wear limit of the shut-off carbons, the polisher is automatically switched off.
Note!
Only use original parts from the manufacturer for replacement. Use of third-party parts will void the manufacturer’s warranty obligations.
The coal fire can be observed through the rear air inlet openings during use. In the event of a strong coal fire, switch off the polisher immediately. Hand over the polisher to a service workshop authorized by the manufacturer.
Gearbox
Note!
Do not loosen the screws on the gear head during the warranty period. Failure to do so will void the manufacturer’s warranty obligations.
Repairs
Repairs may only be carried out by a customer service workshop authorized by the manufacturer.
Disposal instructions
Note!
Disable discarded equipment by removing the power cord. For EU countries only. Do not dispose of power tools in household waste!
According to the European Directive 2012/19/EU on waste electrical and electronic equipment and its implementation in national law, used power tools must be collected separately and recycled in an environmentally friendly manner.
Note
Contact your specialist dealer for information on disposal options!

CE / UKCA Declaration of Conformity
Designation
Type: Polisher
Rated voltage TMX PO 1200 [230V – EU] 220-240V, 50Hz
We declare under our sole responsibility that this product complies with the following standards or normative documents:
Directive 2014/30/EU
Directive 2011/65/EU
Directive 2006/42/EU
EN 60745-2-3
EN 55014-1
EN 55014-2
EN 61000-3-2
EN 61000-3-3
Fabian Berg (Managing Director)
Authorized person for technical documentation,
BERG TECTOOL GmbH
Hermann-Heinrich-Gossen-Str. 3
D-50858 Cologne
Cologne, January 2018
Subject to change without notice.
Disclaimer
The manufacturer and its representative are not liable for damages and lost profits due to interruption of business caused by the product or the inability to use the product.
The manufacturer and its representative are not liable for damage caused by improper use or in connection with products of other manufacturers.
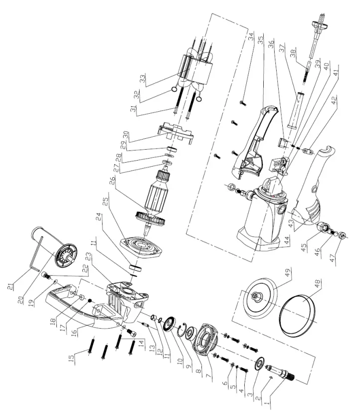
TMX PO 1200 – SPARE PARTS LIST
| Pos. | Description | Technical Data | Art. – No.: | Quantity |
| 1 | Output shaft | 17040 | 1 | |
| 2 | Semi-circular Key | 4*13 | 17041 | 1 |
| 3 | Anti-dust cover | 17042 | 1 | |
| 4 | Cross pan head screw | M5*14 | 17043 | 4 |
| 5 | Spring w asher | Ø5 | 17044 | 4 |
| 6 | Flat w asher | Ø5 | 17045 | 4 |
| 7 | Front cover | 17046 | 1 | |
| 8 | Ball bearing | HK6201 | 17047 | 1 |
| 9 | Spring collar for hole | Ø32 | 17048 | 1 |
| 10 | Big gear | 17049 | 1 | |
| 11 | Elastic collar | Ø12 | 17050 | 2 |
| 12 | Needle bearing | HK0808 | 17051 | 1 |
| 13 | Self-lock shaft | 17052 | 1 | |
| 14 | Crossing tapping screw | ST5*30 | 17053 | 2 |
| 15 | Crossing tapping screw | ST5*45 | 17054 | 2 |
| 16 | G-shape handle | 17055 | 1 | |
| 17 | Self-lock spring | 17056 | 1 | |
| 18 | Self-lock button | 17057 | 1 | |
| 19 | Spacer | Ø5 | 17058 | 2 |
| 20 | Side handle | 17059 | 1 | |
| 21 | Allen w rench | 17060 | 1 | |
| 22 | Hex screw | M8*16 | 17061 | 2 |
| 23 | Gear box | 17062 | 1 | |
| 24 | Ball bearing | HK6001 | 17063 | 1 |
| 25 | Middle cover | 17064 | 1 | |
| 26 | Balanced Rotor | 17065 | 1 | |
| 27 | Magnetic ring | 17066 | 1 | |
| 28 | Dustproof spacer | 17067 | 1 | |
| 29 | Ball bearing | HK608Z | 17068 | 1 |
| 30 | Windshield cover | 17069 | 1 | |
| 31 | Crossing tapping screw | ST5*65 | 17070 | 2 |
| 32 | Tension spring | 17071 | 2 | |
| 33 | Stator | 17072 | 1 | |
| 34 | Crossing tapping screw | ST4*16 | 17073 | 4 |
| 35 | Right handle | 17074 | 1 | |
| 36 | Capacitance | 17075 | 1 | |
| 37 | Cable sleeve | 17076 | 1 | |
| 38 | Cable | 17077 | 1 | |
| 39 | Crossing tapping screw | ST4*14-F | 17078 | 2 |
| 40 | Sw itch | 17079 | 1 | |
| 41 | Speed regulator | 17080 | 1 | |
| 42 | Cable plate | 17081 | 1 | |
| 43 | Left handle | 17082 | 1 | |
| 44 | Motor housing | 17083 | 1 | |
| 45 | Brush holder | 17084 | 2 | |
| 46 | Carbon brush | 17085 | 2 | |
| 47 | Cover of brush holder | 17086 | 2 | |
| 48 | Woolen w heel | 17087 | 1 | |
| 49 | Polishing disk | 17088 | 1 | |
BERG TECTOOL GmbH
Hermann-Henrich-Gossen-Str. 3
50858 Köln
Germany
Fon: +49 (0) 221 – 964966 – 0
Fax: +49 (0) 221 – 964966 – 22
[email protected]
www.bergtectool.com


























