BAREP BSM-003 Smart WiFi Touch Switch User Manual
PRODUCT OVERVIEW
- This smart Wi-Fi touch switch allows you to easily tum it on or off through Alexa & Google and other smart speakers. It doesn’t need you to walk in the room to control, bringing great convenience and comfort to lfe. Meanwhile, it supports remote intelligent control of your lights through Smart Life APP application software. With timing and countdown functions, it s very convenient to preset the switch to turn on or off the light at a certain time point.
PRODUCT FEATURE
- Google and other smart speakers
- APP control: support remote control through Smart Life APP
- Timing: support timing, countdown
- Switch function: support local manual on/off
- ETL, FCC certified
How to Get the device working
- Make sure your Wi Fi network work in 802.11b/g/n 2.4GHz and intemet available;
- Download the APP Play; from Apple store or Google
- Register an account in APP and login with your email address or Mobile phone number; necessary;
- Setup the device Wi-Fi connection;
- Mount device on specified location;
- Test and check the Device and APP working state;
- Check working with Alexa and Google Home if necessary.
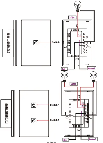
PRODUCT STRUCTURE


- Press and hold the Switch1 for at least 5 seconds to enter into Wi-Fi connection (or configuration). The blue LED indicator will blink quickly or slowly blink rapidly connection s set as default in Wi-Fi configuration. Press and hold the button for 5 seconds will enable the device switch between blink quickly and slowly
- Short press the button to manually on/off control the device. The Green LED indicator will light on/off when receptacle is on/of.
PRODUCT SPECIFICATIONS
| Input voltage range | AC 90-135V,60HZ |
| Nominal input voltage | AC 120V |
| Rated current | 10Amax |
| Standby Power Loss | s1.ow |
| Wireless transmitting and receving frequency | Wi-Fi: 2412MHz-2462MHz Bl E: 2402-2480MHz. |
| Network protocol supported | TEEEB02. 11 bign BLE5.2 |
| Encryption type | WEP/TKIP/AES, WPS |
| Working temperature | 10— +40C |
| Storage temperature | -20-+60C |
| Rolative humidity | 8% B0%RH |
NOTE
- This product is intended for indoor use only in dry locations.
- Please ensure the security of electricity: Max. current load cannot be higher than 10A; Max. power load cannot be higher than 1200W.
Scan the QR code below to download APP for Android nd i0S system. Or you cqr
an download the“Smart Life” APP on Apple Store and Google Play.
For the first download, please click the “Register” button to register. If you already have an account, click the “Login” button
ADD DEVICE
BLE network configure mode
When the device is out of network, make sure to turn on the mobile phone Bluetooth and connect the mobile phone to the Wi-Fi router.
Then open the Smart Life AP, the Bluetooth will automatically configure the network and the device to be added will pop up on the APP by itself
Wi-Fi network configure mode
Notice: The Bluetooth of the mobile phone must be t umed off, otherwise it will be under BLE configure mode as default
Click “Add device” or “+” in the upper right comer, select “Electrical” and “Switch (Wi-Fi)”, enter the Wi-Fi account and password, and click “Next” to enter the
“Reset the device” interfac
Power on the device, long press Switch1 for 5 seconds to enter the Wi-Fi connection (or configuration), and the green LED indicator of Switch 1 flashes rapidly,

interface, click “Confirm the indicator is blinking”, select Blink Quickly’, wait for the device to be connected untilthe device is added successfully, then click *Finish” to enter the device operation interface and completethe device addition.

Blink slowly mode

Long press Switch1 for 5 seconds to enter the Wi-Fi connection (o configuration). The green LED indicator of Switch1 flashes slowly to enter the “Reset the device” interface. Click “Confirm the indicator is blinking’, select “Blink slowly” to enter the “Connect your mobile phone to the devices hotspot” interface. Open the WiFi list of smart phones, select SmartLife – XXXX, and retumn after the connection is successful. Wait for the. device to connect unti the device is added successfully. Click *Finish’ to enter the device operation interface and complete the device addition.

‘The user can rename the device after it is connected. Click the “switch bution” on the main interface of the device to control onf off.
Delete devices
Click the sign in the upper right comer of the device main interface, and click “Remove Device”, select “Disconnect” ‘and then click *Confirm” to remove this device from APP. Select “Disconnect and wipe data” and then click*Confirm’” to remove this device from APP and all related data will be. wiped


FCC NOTICE
This device complies with Part 15 of the FCC Rules Operation s subject to the following two conditions: this device may not cause harmful interference, and (2) this device must accept any interference received, including interference that may cause undesired operation.
Changes or modifications to this unit not expresslyapproved by the party responsible for compliance could void the user’s authority to operate the equipment.
NOTE: This equipment has been tested and found to comply with the limits for a Class B digital device, pursuant to Part 15 of the FCC Rules. These limits are designed toprovide reasonable protection against harmul interference in a residential installation. This equipment generates uses and can radiate radio frequency energy and, if not installed and used in accordance with the instructions,may cause harmful interference to radio communications. However, there is no guarantee that interference will not occur in a particular installation. If this equipment does cause harmful interference to radio or television reception, which can be determined by turning the equipment off and on, the user is encouraged to try to correct the interference by one or more of the following measures:
- Reorient or relocate the receiving antenna.
- Increase the separation between the equipment and recever.
- Connect the equipment nto an outlet on a circuit different from that to which the receiver is connected
- Consut the dealer or an experienced radio/TV technician for help.
RF Warning statement
This equipment complies with FCC radiation exposure limits set forth for an uncontrolled environment. This equipment should be installed and operated with a minimum distance of 20cm between the radiator & your body. This transmitter must not be co-located or operating in conjunction with any other antenna or transitter.

















