Alpine PWE-S8 Electronics Compact Powered Subwoofer
Introduction
Please read this OWNER’S MANUAL thoroughly to familiarize yourself with each control and function. We at ALPINE hope that your new PWE-S8 will give you many years of listening enjoyment. In case of problems when installing your PWE-S8, please contact your authorized ALPINE dealer. CAUTION: These controls are for tuning your system. Please consult your authorized Dealer for
WARNING
- DO NOT OPERATE ANY FUNCTION THAT TAKES YOUR ATTENTION AWAY FROM SAFELY DRIVING
- YOUR VEHICLE. Any function that requires your prolonged attention should only be performed after coming to a complete stop. Always stop the vehicle in a safe location before performing these functions. Failure to do so may result in an accident.
- KEEP THE VOLUME AT A LEVEL WHERE YOU CAN STILL HEAR OUTSIDE NOISES WHILE DRIVING.
- Excessive volume levels that obscure sounds such as emergency vehicle sirens or road warning signals (train crossings, etc.) can be dangerous and may result in an accident. LISTENING AT LOUD VOLUME LEVELS IN A CAR MAY ALSO
- CAUSE HEARING DAMAGE.
- DO NOT DISASSEMBLE OR ALTER. Doing so may result in an accident, fire or electric shock.
- USE THIS PRODUCT FOR MOBILE 12V APPLICATIONS. Use for other than its designed application may result in fire, electric shock or other injury.
USE THE CORRECT AMPERE RATING WHEN REPLACING FUSES. Failure to do so may result in fire or electric shock. - DO NOT BLOCK VENTS OR RADIATOR PANELS. Doing so may cause heat to build up inside and may result in fire.
- MAKE THE CORRECT CONNECTIONS. Failure to make the proper connections may result in fire or product damage.
- USE ONLY IN VEHICLES WITH A 12 VOLT NEGATIVE GROUND. (Check with your dealer if you are not sure.)
- Failure to do so may result in fire, etc.
- BEFORE WIRING, DISCONNECT THE CABLE FROM THE NEGATIVE BATTERY TERMINAL. Failure to do so may result in electric shock or injury due to electrical shorts.
- DO NOT ALLOW CABLES TO BECOME ENTANGLED IN SURROUNDING OBJECTS. Arrange wiring and cables in compliance with the manual to prevent obstructions when driving. Cables or wiring that obstruct or hang up on places such as the steering wheel, gear lever, brake pedals, etc. can be extremely hazardous.
- DO NOT SPLICE INTO ELECTRICAL CABLES. Never cut away cable insulation to supply power to other equipment. Doing so will exceed the current carrying capacity of the wire and result in fire or electric shock.
- DO NOT DAMAGE PIPE OR WIRING WHEN DRILLING HOLES. When drilling holes in the chassis for installation, take precautions so as not to contact, damage or obstruct pipes, fuel lines, tanks or electrical wiring.
- Failure to take such precautions may result in fire.
- DO NOT USE BOLTS OR NUTS IN THE BRAKE OR STEERING SYSTEMS TO MAKE GROUND
- CONNECTIONS. Bolts or nuts used for the brake or steering systems (or any other safety-related system), or tanks should NEVER be used for installations or ground connections. Using such parts could disable control of the vehicle and cause fire etc.
- KEEP SMALL OBJECTS SUCH AS BOLTS OR SCREWS OUT OF THE REACH OF CHILDREN. Swallowing them may result in serious injury. If swallowed, consult a physician immediately.
CAUTION
- HALT USE IMMEDIATELY IF A PROBLEM APPEARS. Failure to do so may cause personal injury or damageto the product. Return it to your authorized Alpine dealer or the nearest Alpine Service Center for repairing.
- HAVE THE WIRING AND INSTALLATION DONE BY EXPERTS. The wiring and installation of this unit requiresspecial technical skill and experience. To ensure safety, always contact the dealer where you purchased thisproduct to have the work done.
- USE SPECIFIED ACCESSORY PARTS AND INSTALL THEM SECURELY. Be sure to use only the specifiedaccessory parts. Use of other than designated parts may damage this unit internally or may not securely installthe unit in place. This may cause parts to become loose resulting in hazards or product failure.
- ARRANGE THE WIRING SO IT IS NOT CRIMPED OR PINCHED BY A SHARP METAL EDGE. Route thecables and wiring away from moving parts (like the seat rails) or sharp or pointed edges. This will preventcrimping and damage to the wiring. If wiring passes through a hole in metal, use a rubber grommet to preventthe wire’s insulation from being cut by the metal edge of the hole.
- DO NOT INSTALL IN LOCATIONS WITH HIGH MOISTURE OR DUST. Avoid installing the unit in locations withhigh incidence of moisture or dust. Moisture or dust that penetrates into this unit may result in product failure.
SERVICE CARE
IMPORTANT NOTICE
This Amplifier has been type tested and found to comply with the limits for a Class B computing device in accordance with the specifications in Subpart J of Part 15 of FCC Rules. This equipment generates and uses radio frequency energy, and it must be installed and used properly in accordance with the manufacturer’s instructions
For European Customers
Should you have any questions about warranty, please consult your store of purchase.
For Customers in other Countries
IMPORTANT NOTICE Customers who purchase the product with which this notice is packaged, and who make this purchase in countries other than the United States of America and Canada, please contact your dealer for information regarding warranty coverage.
SPECIFICATIONS
| Sound | |
| Power Output (RMS) | 120 watts |
| Frequency Response | 25 ~ 152Hz |
| Woofer | |
| Diaphragm Size (Nominal) | 8 inch |
| Diaphragm Material | Polypropylene/Aluminum |
| Surround | Rubber |
| Amplifier | |
| Power Output (RMS) | 120 watts |
| Low Pass Crossover | 50 ~ 150 Hz |
| Input Sensitivity | 0.1-4.0V (RCA Input) |
| 1.5-30.0V (Speaker Level Input) | |
| Accessories | |
| Remote Bass Level Knob | Cable length: 4M |
| Adjustment Range: 0 to -20dB | |
| Input Harness | Length: 75 mm |
| Mounting Brackets | Yes |
| Owner’s Manual | Yes |
| General | |
| Dimensions W x H x D | 340 mm (13-7/16”) x 70 mm (2-13/16”) x 230 mm (9-1/16”) |
| Weight | 4.6 kg (10 lbs) |
ACCESSORIES
- Mounting Bracket………………………………………………………………………………………………………………………………………………………..4
- Bracket Screws…………………………………………………………………………………………………………………………………………………………..8
- Fuse (15A)…………………………………………………………………………………………………………………………………………………………………1
- Input/Power Wire Harness……………………………………………………………………………………………………………………………………………1
- Remote Bass Level Knob…………………………………………………………………………………………………………………………………………….1
- Velcro………………………………………………………………………………………………………….1
INSTALLATION
MOUNTING
- Attach the included mounting brackets to the PWE-S8 with the supplied screws.
- Once the brackets are mounted to the PWE-S8. Place the subwoofer in the desired location within thevehicle. Before securing with screws, check to make sure all screws can affix to a structurally solid surfacewhile avoiding vehicle wiring, components, etc.
Note: For securing the mounting brackets to the vehicle, it may be necessary to use longer screws (not included) to accommodate carpet thickness, etc.
NOTE:
- To securely connect the ground lead, use an already installed screw on the metal part of the vehicle (marked ★).
- Be surethis is a good ground by checking continuity to the battery (–) terminal.
- As much as possible connect all equipment to the same ground point. These procedures will help eliminate noise.
Apply Velcro (included) to the flat bottom surface of the remote bass level knob 
- Mounting Bracket
- Bracket Screws
- Attachment Method Of Remote Bass Level Knob

CONNECTIONS
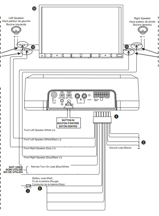
Before making connections, be sure to turn the power off to all audio components. Connect the red battery lead from the amp directly to the positive (+) terminal of the vehicle’s battery. Do not connect this lead to the fuse block.
Caution on connection terminals/parts
- Keep electrically conductive objects away from the unit’s terminals/parts (power terminals, fuses, speaker output terminals, RCA connectors, etc.).
- Doing so prevents a possible short circuit and damage to the unit.
To prevent external noise from entering the audio system.
- Locate the unit and route the leads at least 10 cm (3-15/16″) away from the car harness.
- Keep the battery power leads as far away from other leads as possible.
- Connect the ground lead securely to a bare metal spot (remove any paint or grease if necessary) of the car chassis.
- Your Alpine dealer knows best about noise prevention measures so consult your dealer for further information.
- Input/Power Connector
- RCA Input Jacks
- Connect these jacks to the line out leads on your headunit using RCA extension cables (sold separately).
- Fuse (15A)
- USE ONLY THE CORRECT AMPERE RATING WHEN REPLACING FUSES.
- Failure to do so may result in fire or electric shock.
- Input/Power Wire Harness
- Speaker Input Leads
- These leads are input leads for use with head units not equipped with preamp outputs.
- When not using the RCA Line Input connectors, you should connect these wires to the speaker output leads of your head unit.
- The PWE-S8 accepts input from high power or standard power head units.
Note:
- Do not connect speaker leads together or to chassis ground.
- Use either RCA line level or speaker level inputs.
- Do not connect both at the same time.
Battery Lead (Red)
Connect battery lead directly to BATT +
Be sure to add a 15A fuse (sold separately) as close as possible to the battery’s (+) terminal.
Remote Turn-On Lead (Blue/White)
Connect this lead to the remote turn-on (positive trigger, (+) 12V only) lead of your head unit.
Note:
If using speaker input level signal from the head unit, remote turn-on lead connection is not necessary. Please make sure “Power Mode” button is set to SP IN (Button In). 8
Ground Lead (Black)
Connect this lead securely to a clean, bare metal spot on the vehicle’s chassis. Verify this point to be a true ground by checking for continuity between that point and the negative (-) terminal of the vehicle’s battery. Ground all your audio components to the same point on the chassis to prevent ground loops.
SWITCH SETTINGS 
Phase switch 0° to 180°
The subwoofer output phase can be set to Subwoofer Normal 0° (Button Out) or Subwoofer Reverse 180° (Button In).
Crossover Frequency Adjustment Knob (LP FILTER)
Use this control to adjust the crossover frequency between 50 to 150Hz.
Input Gain Adjustment Control
Note: If the Remote Bass Level Knob will be connected in your system, make sure to rotate the knob fully clockwise (set to “+”) before making the input gain adjustment. Set the PWE‐S8 input gain to the minimum position. Using a dynamic CD as a source, increase the head unit volume until the output distorts. Then, reduce the volume 1 step (or until the output is no longer distorted). Now, increase the amplifier gain until the sound from the speakers becomes distorted. Reduce the gain slightly so the sound is no longer distorted to achieve the optimum gain setting.
CONNECTION CHECKLIST
- The head unit does not have a remote turn-on or power antenna lead.
- The head unit’s power antenna lead is activated only when the radio is on (turns off in the tape or CD Mode).
- The head unit’s power antenna lead is logic level output (+) 5V, negative trigger (grounding type), or cannot sustain (+) 12V when connected to other equipment in addition to the vehicle’s power antenna. If any of the above conditions exist, the remote turn-on lead of your PWE-S8 must be connected to a switched power source (ignition) in the vehicle. Be sure to use a 3A fuse as close as possible to this ignition tap. Using this connection method, the PWE-S8 will turn on and stay on as long as the ignition switch is on.
- If this is objectionable, a SPST (Single Pole, Single Throw) switch, in addition to the 3A fuse mentioned above, may be installed in-line on the PWE-S8 turn-on lead. This switch will then be used to turn on (and off) the PWE-S8. Therefore, the switch should be mounted so that is accessible by the driver. Make sure the switch is turned off when the vehicle is not running. Otherwise, the subwoofer will remain on and drain the battery.
- Blue/White
- Power Antenna
- Remote Turn-On Lead
- To other Alpine components’ Remote Turn-On Leads
- SPST Switch (optional)
- Fuse (3A)
- As close as possible to the vehicle’s ignition tap 8 Ignition Source
- Ignition Source
TYPICAL SYSTEM CONNECTIONS
- Head Unit, etc (sold separately)
- G RCA Extension Cable (sold separately)
- H From Head Unit Speaker Output
RCA Input System
Speaker Level Input

FAQS
About as comfortable as any rigid aluminum box
Yes the instructions are in a few different languages. One of them being in English.
Yes. it’s on a separate cable about 8 ft. long. The subwoofer was under my seat and the knob was velcro-ed under the dash by the steering wheel. I installed it in an RV.
Probably possible…. power supply will be an issue 12v versus 120v and speaker ohms need to be compatible as well however Surely you can locate Bose home speakers to resolve punchy base issue
It will if your Head Unit has RCA outs on it. Easily fits under the seats.
The dimensions are listed in the description. You can use a tape measure to find places in your car where it will fit.
Mine has been under the front passenger seat and spliced to a 2015 CR-V factory head unit since both were new. It does not rattle the neighbors, but it does fill in the bottom end (and it’s proven to be very reliable).
It comes with a bass knob that you can wherever you please.I think the cord is 6 ft?V
It’s for use in a car, not certain its for use in a marine or Motorcycle set-up unless its covered from the weather
No; unless you wired them in series. I believe their is instructions on the Alpine WEB site to do this.
No. Even turned up you won’t get much bass unless it’s right under seat. You really should look at a subwoofer with more throw to push more air to get bass.
Yes, 4 mounting brackets.
I’d recommend cutting several large port holes in the bag to help the bass escape.
It comes with an inline 15amp fuse, but it will only protect the internal amplifier. Therefore, you should always add a fuse (preferably 20amps) to the power cable near the battery.
If I remember right it’s a 8″























