BLAUPUNKT Party Speaker System Owner’s Manual

Important Safety Instructions
RISK OF ELECTRIC SHOCK DO NOT OPEN
Caution:
To reduce the risk of electric shock, do not remove cover (or back). No user serviceable parts inside. Refer servicing to qualified
service personnel.
Explanation of Graphical Symbols:
The lightning flash within an equilateral triangle is intended to alert you to the presence of uninsulated dangerous voltage within the product’s enclosure that may be of sufficient magnitude to constitute an electric shock to a person or persons.
The exclamation point within an equilateral triangle is intended to alert you to the presence of important
operating and maintenance (servicing) instructions in the literature accompanying the product.
To achieve the utmost in enjoyment and performance, and in order to become familiar with its features, please read this manual
carefully before attempting to operate this product. This will assure you years of trouble free performance and listening pleasure.
Important Notes
- This safety and operating instruction should be retained for future reference.
- The apparatus should not be exposed to dripping or splashing or placed in a humid atmosphere such as a bathroom.
- Do not install the product in the following areas:
- Places exposed to direct sunlight or close to radiators.
- On top of other stereo equipment that radiate too much heat.
- Blocking ventilation or in a dusty area.
- Areas where there is constant vibration.
- Humid or moist places.
- Do not place near candles or other naked flames.
- Operate the product only as instructed in this manual.
- Before turning on the power for the first time, make sure the power adaptor is properly connected.
- Plug-in the USB stick directly or use an USB-extension cable which is not longer than 25 cm.
For safety reasons, do not remove any covers or attempt to gain access to the inside of the product. Refer any servicing to qualified personnel. Do not attempt to remove any screws, or open the casing of the unit; there are no user serviceable parts inside. Refer all servicing to qualified service personnel.
SAFETY INSTRUCTIONS
- Read Instructions-All the safety and operating instructions must be read before the product is operated.
- Retain Instructions-The safety and operating instructions should be kept with the product for future reference.
- Heed warnings – All warnings on the product and in the operating instructions should be adhered to.
- Follow instructions-All operating and users’ instructions should be followed.
- Installation – Install in accordance with the manufacturer’s instructions.
- Power sources – This product should be operated only from the type of power source indicated by the marking adjacent
to the power cord entry. If you are not sure of the type of power supply to your home, consult your product dealer or local power company. - Grounding or polarization -the product is not required to be grounded. Ensure that the plug is fully inserted into the wall outlet or extension cord receptacle to prevent blade or pin exposure. Some versions of the product are equipped with a power cord fitted with a polarized alternating line plug (a plug having one blade wider than the other). This plug
will fit onto the power outlet only one way. This is a safety feature. If you are unable to insert the plug fully into the outlet, try reversing the plug. If the plug should still fail to fit, contact your electrician to replace your obsolete outlet. Do not defeat the safety purpose of the polarized plug. When using an extension power-supply cord or a power-supply cord other than that supplied with the appliance, it should be fitted with the appropriate molded plugs and carry safety approval appropriate to the country of use. - Power cord protection – Power-supply cords should be routed so thatthey are not likely to be walked on, kinked or pinched by items placed on or against them, paying particular attention to cords from plugs, receptacles and the point where they exit from the product.
- Overloading – Do not overload wall outlets, extension cords, or multiple sockets, as this can result in a risk of fire or electric shock.
- Ventilation -The product must be properly ventilated. Do not place the product on a bed, sofa, or other similar surface. Do not cover the product with any items such as tablecloths, newspapers, etc.
- Heat- The product should be situated away from heat sources such as radiators, heat registers, stoves, or other products, including amplifiers that produce heat. No naked flame sources, such as lighted candles, should be placed on the apparatus.
- Water and moisture -To reduce the risk of fire or electric shock, do not expose the product to train, dripping, splashing or excessive moisture such as in a sauna or bathroom. Do not use this product near water, for example, near a bathtub, washbowl, kitchen sink, laundry tub, in a wet basement or near a swimming pool (or similar).
- Object and Liquid Entry- Never push objects of any kind into this product through openings, as they may touch dangerous voltage points or short-circuit parts that could result in a fire or electric shock. Never spill liquid of any kind on the product. Do not place any object containing liquid on top of the product.
- Cleaning – Unplug the product from the wall outlet before cleaning. Dust in the woofer may be cleaned with a dry cloth. If you wish to use an aerosol cleaning spray, do not spray directly on the cabinet; spray onto the cloth. Be careful not to damage the drive units.
- Attachments – Do not use attachments not recommended by the product manufacturer, as they may cause hazards.
- Accessories- Do not place this product on an unstable cart, stand, tripod, bracket or table. The product may fall, causing serious injury to a child or adult, and serious damage to the product. Use only with a cart, stand, tripod, bracket or table recommended by the manufacturer or sold with the product. Any mounting of the product should follow the manufacturer’s instructions and should use a mounting accessory recommended by the manufacturer.
- Moving the product – A product and cart combination should be moved with care. Quick stops, excessive force and uneven surfaces may cause the product and cart combination to overturn.
- Unused periods- The power cord of the appliance should be unplugged from the outlet during lightning storms or when the apparatus is left unused for a long period of time.
- Servicing – Do not attempt to service this product yourself, as opening or removing covers may expose you to dangerous voltage or other hazards. Refer all servicing to qualified service personnel.
- Please remove the power plug form the main power source or wall power source when not in use. When plugged in to a power source, the system is in standby mode, so the power is not entirely cut off.
- Replacement parts -When replacement parts are required, ensure that the service technician has used replacement parts specified by the manufacturer or have the same characteristics as the original part. Unauthorized substitutions may result in fire, electric shock or other hazards.
- Mains fuses- For continued protection against fire hazard, use fuses only of the correct type and rating. The correct fuse specification for each voltage range is marked on the product.
- Do not turn up the volume while listening to a section with very low level inputs or no audio signals. If you do, the speaker may be damaged when a peak level section is suddenly played.
- The only means of completely disconnecting the product from the power supply is by removing the power cord from the wall outlet or the product. The wall outlet or the power cord entry to the product must remain freely accessible at all times while the product is in use.
- Try to Install the product near a wall socket or extension cord and shall be easily accessible.
- The highest environmental temperature suitable forth is product is 35°C.
- ESD hints- If the product maybe reset or not reset to operation of control due to electrostatic discharge,just
switch off and reconnect again, or move the product to another location. - Battery
a. The batteries must not be exposed to excessive heat such as sunshine, fire or the like.
b. The batteries should be drawn to the environmental aspects of battery disposal.
c. Battery usage CAUTION-to prevent battery leakage which may result in body injuries, property damage, or
damage to the apparatus:
. Install all batteries correctly,+ and – as marked on the apparatus .
. Do not mix batteries (old and new or carbon and alkaline, etc.)
. Remove batteries when the unit is not used for a long time.
This product with ecodesign complies with the stage 2 requirements of Commission Regulation (EC) NO. 1275/2008 implementing Directive 2009/125/EC regard to standby and off mode electric power consumption of electronic household and office equipment.After 15 minutes without any audio input, the device will automatically switch into standby mode. Follow up
the instruction manual to resume the operation.
Important note:
This device is equipped with an energy saving mode: if no signal is given during 15 minutes the device will switch automatically into standby mode in order to save energy {ERP 2 standard). Please note that low volume setting in the audio source may be recognized as”no audio signaln: this will affect the capability of signal detection from the device and can also originate an
automatic switch into standby mode. If this happens please reactivate the audio signal transmission or increase the volume setting on the audio source player (MP3 player, etc.), in order to resume playback. Please contact the local service center if the problem remains.
WARNING
This appliance is not intended for use by persons (including children) with reduced physical sensory or mental capabilities, or lack of experience and knowledge, unless they have been given supervision or instruction concerning use of the appliance by a person responsible for their safety. Children should be supervised to ensure that they do not play with the appliance.
- Never use the device unsupervised! Switch off the device whenever you are not using it, even if this only for a short while.
- The appliance is not intended to be operated by means of an external timer or separate remote control system.
- If the supply cord is damaged, it must be replaced by the manufacturer, its service agent or similarly qualified persons in order to avoid a hazard.
- Before operating this system, check the voltage of this system to see if it is identical to the voltage of your local power supply.
- The unit should not be impeded by covering the ventilation opening with items such as newspaper, table-cloths, curtains
etc. Make sure that there are at least 20 cm of space above and at least 5 cm of space on each side of the unit. - The apparatus must not be exposed to dripping or splashing and that objects filled with liquids, such as vases, must not be placed on the apparatus.
- To prevent fire or shock hazard, do not expose this equipment to hot places, rain, moisture or dust.
- Do not locate this unit near any water sources e.g. taps, bathtubs, washing machines or swimming pools. Ensure that you place the unit on a dry, stable surface.
- Do not place this unit close to a strong magnetic field.
- Do not place the unit on a amplifier or receiver.
- Do not place this unit in a damp area as the moisture will affect the life of electric components.
- If the system is brought directly from a cold to a warm location, or is placed in a very damp room, moisture may condense on the lens inside the player. If this occurs, the system will not operate properly. Please leave the system turned on for about an hour until the moisture evaporates.
- Do not attempt to clean the unit with chemical solvents as this might damage the finish. Wipe with a clean, dry or slightly damp cloth.
- When removing the power plug from the wall outlet, always pull directly on the plug, never pull on the cord.
- Depending on the electromagnetic waves used by a television broadcast, if a TV is turned on near this unit while it is also on, lines might appear on the TV screen. Neither this unit nor the TV is malfunctioning. If you see such lines, keep this unit well away from the TV set.
- The mains plug is used as the disconnect device, the disconnect device must remain readily operable.
- To prevent possible hearing damage, do not listen at high volume levels for long periods.

NOTICE
Conformity
Hereby, Blaupunkt Competence Center 2N-Everpol Sp. z a.a., declares that this equipment is in compliance with the essential requirement and other relevant provisions of Directive 2014/53/EU. Declaration of conformity can be obtained from the product page at www.blaupunkt.com. Responsible party: 2N-Everpol Sp. z o.o, Pu!awska 403A, 02-801 Warsaw, Poland, Phone: +48 22331 99 59, E-mail: [email protected]
Your product is designed a manufactured with high quality materials and components, which can be recycled and reused.

When this crossed-out wheeled bin symbol is attached to a product it means that the product is covered by the European Directive 2002/96/EC. Please inform yourself about the local separate collection system for electrical and electronic products. Please cat according to your local rules and do not dispose of your old products with your normal household waste. Correct
disposal of your old product helps to prevent potential negative consequences for the environment and human health.

Your product contains batteries covered by the European Directive 2006/66/EC, which cannot be dispose with normal household waste. Please inform yourself about the local rules on separate collection of batteries because correct disposal helps to prevent negative consequences for the environmental and human health. Environmental information
All unnecessary packaging has been omitted. We have tried to make the packaging easy to separate into three materials: cardboard (box),polystyrene foam(buffer) and poly ethylene (bags, protective foam sheet). Your system consists of material which can be recycled and reused if disassembled by a specialized company. Please observe the local regulations regarding the
disposal of packaging materials, exhausted batteries and old equipment. Recording and playback of material might require consent. See Copyright Act 1956 and The Performer’s Protection Acts 1958 to 1972.

The Bluetooth® word mark and logos are registered trademarks owned by Bluetooth SIG,lnc. and any use of such marks by us is under license. Other trademarks and trade names are those of their respective owners.
Many thanks to buy our model, please read and reference this manual carefully before operate the unit. Please keep the manual for future operation reference.
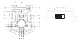
Control panel

1-Standby (Power on/off); 2,3- Previous & Next;
4-Volume control; 5-Microphone volume control;
6-Microphone echo control; 7-Disco light
8-Play/pause; 9-Source;
10, 15- Treble & bass adjustment; 11-USB port;
12- Microphone treble & bass adjustment;
13, 14-Microphone 1 & 2 input; 16- Rear disco light panel;
17- Mute button; 18- Power selector for power off/AC power/DC battery power source selection;
19-Aux in jack; 20- FM antenna socket;
Remote control

1- Power button; 2-Disco light button;
3,5, 14, 15- FM/LINE IN/Bluetooth/USB/5D button; 4-Random on/off button;
6,20-Volume +/- button; 7, 16- FF-/+ button;
8, 18-Previous & next, Channel-/+ button; 9-Repeat button ( repeat one/repeat all/off);
10, 11,21,22,23,25-EQ(Jazz/POP/Classic/Flat/Rock/Country)
12-Reset button; 13-Mute button;
17-Play/pause button; 19-Search button;
24- Pairing button; 26-Stop;
Power connection: Please check if the power source is correspond to the rating voltage spec which locates on the rear panel of unit. If it does not match, please consult to your dealer or service center. Insert the female terminal of power cord into the AC outlet, and then connect the power plug with the wall-mount socket in order to get the power source.
Battery power charging:
the unit built-in rechargeable battery which allow to playback the music without AC power connection. When the battery is charging, the charging LED will show in red color which locates at the right bottom corner of display. The charging LED will turn to green after fully charged. The battery will be also charged even you power off the unit but with available AC power source. The charging time of battery is 6~8hours, and 2~4hours for playback time depends on the playing volume level. The unit will standby off automatically in case of lower battery power; please recharge for playback. There have a battery symbol which locates at the right bottom of display text, we suggest to start battery recharging when only one block show on the battery symbol.
Remote control battery installation
Open up the battery door and insert 2 x AAA dry battery(include) into the compartment; please make sure the polarity of battery will aim and correspond to the positive and negative silkscreen-printed symbol in the compartment. Then close the battery door.
General operation
- Power on/off: Switch the power selector which locates on the rear panel to select AC or DC battery power source to power on the speaker; press the standby power button on the top panel or remote control to standby on or off the unit; switch the rear panel power selector in off position to power off the unit completely. We suggest to power of the unit completely in case of no operation in a long time.
- Play source selection: Press the source button on the top panel, or press FM, BT, LINE, USB/5D button from remote control can switch the play source between FM/Bluetooth/Line in/USB/5D.
- Volume adjustment:Turn the main volume knob on the top panel, or press VOL+/- button from remote control can increase or decrease the output volume level.
- Treble & bass adjustment: push up or down the treble/bass pin on the top panel can adjust the output sound level.
- Sound silence: press the MUTE from top panel or remote control can make the sound in silence; press it again to resume the sound output.
- Preset EQ: press the relative button from remote control can switch the EQ between Jazz/Classic/Flat/POP/ROCK/Country(available in USB/SD mode only).
- Play/pause: press the button to pause the music, and press it again to resume the playback in Bluetooth/USB mode.
- Repeat & Random: press the button to switch the music playback in repeat one/repeat all/off mode; press random button for random on/off playback in USB/SD mode.
- Disco light: press the light button repeatedly can switch the disco light between 8 type effect, and turn off light.
- . Reset: press the reset button from remote control to set up the unit in factory default mode.
FM radio operation
Before start the FM radio listening, please try to move the unit next to the window or other location in order to better FM reception. Insert the included FM wire antenna into the FM antenna socket which locates on rear panel of unit, and full extent the antenna for reception.
- Auto scan and preset radio station (All-in-one): short press the play/pause button on top panel, or press the search button from remote control to auto scan and save the available radio station. The unit will auto play the first preset station after finished scanning. ( max supported preset station:40)
- Preset station picking up: in radio mode, press the next/previous button on top panel or remote control to pick up and play the last and next preset station.
- Manual tune: short press the FF+/- button from remote control to adjust the station frequency as per 0.1 MHz; press and hold the previous/next or FF+/- button 2 seconds to scan the available station in upward or downward frequency, and auto play the station.
USB/SD playback operation
The product Includes USB/SD playback function which can decode and playback the music from a USB/SD storage device. Before start the operation, please copy the MP3/WMA format music into the device; and insert the device into the unit first, because the USB/5D mode is only available when the device was plugged on unit successfully. Then the unit will detect and
play the inside MP3/WMA music automatically. Track selection: short press the next/previous button to select next and previous track; press and hold the button forfastforwarding
and rewinding the playing music, and resume to normal playback after release the button. In USB/SD mode, you can achieve the play/pause, mute, repeat, EQ, treble/bass stop function etc. Please reference the operation from the general operation part on this manual.
Notes:
a. Connect the USB stick by a USB extension cable for playback Is not recommended which may produce noise or intermittent sound due to audio data loss during transfer.
b. Decode and playback all MP3/WMA format music is not guaranteed.
c. The max supported storage device is 32GB.
d. Some different device and brand may take a little long time to playback; please kindly note this is not ma I-function.
Bluetooth operation
This product includes Bluetooth function which can wireless playback the music from other Bluetooth device (like smart phone, tablet etc).
- Press the source button repeatedly to enter Bluetooth mode, and the Bluetooth symbol will flare on display which means the unit is ready to pair.
- Enable the Bluetooth function on your device, and search the available device (please reference your device manual for operation), then check the available Bluetooth device on the list. Select” BP PSl 0DB”for pairing, and the Bluetooth symbol will stable on display after paired successful.
- Select and play the music from your Bluetooth device, then the sound will come out from the speaker
- Press the previous/next button can select last and next track during playing.
- In Bluetooth mode, you can achieve play/pause, mute, treble and bass adjustment etc. function. Please reference the operation from the general operation part on this manual.
Notices:
a. All Bluetooth devices are not guaranteed for pairing successfully due to different design and brand.
b. The best working distance of Bluetooth is within 1 0 meters without any obstacle in between.
c. The unit only can pair and work with one Bluetooth device in one time.
d. In case of an incoming phone call during Bluetooth playback; the music will stop temporary, and resume to playback after end the phone call.
e. Press the pairing button from remote control can quit the current Bluetooth device connect and start pair with other device.
Line in/AUX IN/MP3 link operation
In order to wire connection and playback the music with other player or amplifier, please follow up below operation. Using the audio cable (include)connect the AUX IN jack on the rear panel of unit, and the another terminal connect with lineout or headphone jack ofoutsourcing player like MP3, CD,DVD, Mixer etc. audio device. Select the music and play it on the
outsourcing player, then the sound will output from the speaker. In line-in playback mode, the main control is on the outsourcing player side. But you also can control the volume, mute the
sound and adjust treble & bass etc. on the speaker side.
Karaoke
Open the battery door of wireless microphone(included), insert 2pcs AA size dry battery (not include)according to the engraved positive and negative polarity symbol inside of the battery compartment, then close the battery door of microphone. Push the switch to on position in order to power on the microphone, The speaker will pair with the wireless microphone
automatically after a few seconds. Adjust the microphone output volume level properly on top panel, then we can start to sing. The unit also includes dual wired microphone inputjack, plug on the wired microphone(not include) into the 6.Smmjack, then turn on the microphone for singing.
Tips:
a. When you are using the microphone for Karaoke function, you can adjust the microphone output volume/ treble/bass/echo setting by turn the relative pin on top panel.
b. There may have a big noise come out from speaker when you adjust volume/treble/bass/echo to high level due to overloading and distortion on microphone. This is not mal-function. So please turn and increase these settings slowly, and turn it back or turn off microphone for retrying in case of such big noise faced.
c. You can use the karaoke function and listen the music at same time; in case that you need increase the Karaoke volume and decrease the background music, you can try to adjust the separate microphone volume and main volume knob.
d. Please turn off the microphone when you put it next to speaker, otherwise there will cause huge noise.
e. There have a mute swtich on the wireless microphone which can make the microphone output in silence in case of you selected.
Trouble shooting
- The speaker cannot turn on.
a. Please check if the power connection is correct. - No sound output.
a. Please try to adjust the volume knob, and check the play source.
b. please contact service center for support if the issue remained. - Sound distortion.
a. Please try to adjust and play the music at a lower volume level.
b. Check the status of treble/bass setting. - Background noise on FM station.
a.Try to move the unit in other place for better reception.
b. Scan and switch to other station for listening.
c.Try to extent the FM antenna and adjust the direction.
Specification
Power source: AC 110-240V, 50/60 Hz.
DC battery power: 18V/4.5AH
FM frequency: 87.5-108.0 MHz.
USB rating: SV, S00mA, 2.0 versions, supported up to 32GB storage device.
SD card: supported up to 32GB storage device.
USB/SD card support music format: MP3, WMA(not guarantee all such file)
Bluetooth:V2.1 +EDR, within 1 0 meters for operation.
RMS output power: 2 x 45W.
Treble & bass adjustment:-9dB~+9dB.
Microphone: 2 x 6.5cm input, wired microphone connection.
2 x wireless microphone( Frequency: 208.8MHz, 215MHz, power source: 2 x 1 .SV,AA)
Power consumption: 90W
Standby power consumption: <0.5W.
(The above spec may update without priority notice.)
Read More About This Manual & Download PDF:




















