G7 State of The Art Amplifier
User Manual
AMPLIFIERS
| G7 1250.1 | G7 150.4 |
| G7 2500.1 | G7 250.4 |
| G7 3500.1 | G7 500.4 |
| G7 5000.1 |
Due to continous improvement of the product the specifications are subject to change without notice.
Introduction
Congratulations on your purchase of a G7 state-of-the-art amplifier. Your selection of a G7 product indicates a true appreciation of fine musical reproduction. Whether adding to an existing system or including your G7 amplifier in a new system, you are certain to notice immediate performance benefits.
Product Commitment
DB’s engineering professionals harnessed years of expertise, experience and passion, coupled with exhaustive testing and creative design to develop the optimal product and performance for your musical enjoyment. This is our commitment to you. It’s what you deserve and have come to expect from DB DRIVE. We appreciate the confidence and look forward to your positive experience.
Keep Your Sales Receipt
Take this time to attach your sales receipt to the manual and put in a safe place. In case of any unforeseen reason this product may need warranty service, your receipt will be necessary to establish purchase date.
Recommendation
A power amplifier’s performance is only as good as its installation. Proper installation will maximize the system’s overall performance. It is recommended that you have our product installed by an authorized DB Drive retailer. However, if you decide to install it yourself, please carefully read through this manual and take your time to do a quality installation.
Optimal Product Choice
To get the Maximum performance out of your stereo system, we recommend using 100% authentic DB Drive electronics and DB LINK wiring and accessories. Matching DB Drive amplifiers and speakers with your state-of the art electronics purchase is critical to optimize your system’s performance. Wiring is the lifeblood of a system, make sure your audio system has the adequate current and signal transfer it deserves and needs. DB Link has it all, from wiring rolls; speaker power ground, remote to amplifier kits, RCAs, fuse holders, distribution blocks and battery connectors. Insist on getting the best, DB LINK. It’s what you deserve to get the optimum performance from your audio system.
IMPORTANT!
Before making any connections, disconnect the car’s battery until the installation is completed to avoid possible damage to the electrical system.
WARNING!
Exposure to high power sound system can cause hearing loss or damage. Listening to your system at loud levels while driving will impair your ability to hear traffic sounds and emergency vehicles. Use common sense when listening to your system.
Serial#__ ___ _ ___ ___ ___ ___ ___ ___ ___ ___ ___ ___
Model#___ ___ _ _ ___ ___ ___ ___ ___ ___ ___ ___ ___
G7 AMPLIFIER’S SPECIFICATION
1-1. G7 digital monoblock amplifiers
| Load | Voltage & THD | G7 1250.1 | G7 2500.1 | G7 3500.1 | G7 5000.1 |
| 4ohm | 14.4 volts & 1% | 1 X 300 Watts | 1 X 625 Watts | 1 X 875 Watts | 1 X 1250 Watts |
| 2ohm | 14.4 volts & 1% | 1 X 625 Watts | 1 X 1250 Watts | 1 X 1750 Watts | 1 X 2500 Watts |
| lohm | 14.4 volts & 1% | 1 X 1250 Watts | 1 X 2500 Watts | 1 X 3500 Watts | 1 X 5000 Watts |
| Frequency Response | 15Hz — 270Hz | 14Hz — 267Hz | 14Hz — 273Hz | 14Hz — 269Hz | |
| Signal to Noise Ratio | < 98dB | < 99dB | < 96dB | < 89dB | |
| Damping Factor | 230dB < | 410dB < | 327dB < | 326dB < | |
| Working Voltage | 9~16 Volts |
| Low Level Input | 6V ~ 0.2V |
| Low Pass Filter | Variable 35Hz ~ 250Hz |
| ( @ 24dB Slope ) | Variable 0 ~ 12dB |
| Bass Boost | Variable 10Hz ~ 50Hz |
| Subsonic Filter | Variable 0 ~ 180 degree |
| ( @ 24dB slope ) | Yes |
| Phase Shift | Yes |
| Master/slave ( Linkable ) | Yes |
| Remte Level Control | 1 ohm for single unit |
| RCA line Output | 2 ohm for linked |
| Minimum working impedance | |
*G7 Mono Amplifiers are not recommended to run under 1 ohm. Running them below recommended value could cause serious damage to internal components and would void warranty.
1-2. G7 4channel class AB amplifiers
| Load | Voltage & THD | G7 150.4 | G7 250.4 | G7 500.4 |
| 4ohm | 14.4 volts & 1% | 4 X 125 Watts | 4 X 250 Watts | 4 X 500 Watts |
| 2ohm | 14.4 volts & 1% | 4 X 250 Watts | 4 X 500 Watts | 4 X 1000 Watts |
| 4ohm bridged | 14.4 volts & 1% | 2 X 500 Watts | 2 X 1000 Watts | 2 X 2000 Watts |
| Frequency Response | 20Hz — 30KHz | 10Hz — 25KHz | 10Hz — 25KHz | |
| Signal to Noise Ratio | < 85dB | < 88dB | < 90dB | |
| Damping Factor | 100dB < | 100dB < | 90dB < | |
| Working Voltage | 9~16 Volts |
| Low Level Input | 6V ~ 0.2V |
| High Pass Filter | Variable 50Hz ~ 5KHz |
| ( @ 18dB Slope ) | HP/LP |
| Crossover Selector | Variable 50Hz ~ 500Hz |
| Low Pass Filter | CH2 – CH4 |
| ( @ 18dB Slope ) | Yes |
| Input Mode Selector | 2 ohm stereo or |
| RCA line Output | 4 ohm mono |
| Minimum working impedance | |
*G7 4 Channel Amplifiers are not recommended to run under 2 ohm stereo or 4 ohm mono. Running them below recommended value could cause serious damage to internal components and would void warranty.
G7 AMPLIFIER’S CONTROL & CONNECTION.
2-1. G7 digital monoblock amplifiers
AUDIO GRADE TIFFANY RCA CONNECTORS
INPUT
Connect RCA output cables from the headunit to G7 amplifier’s RCA input.
OUTPUT
Is used when connecting multiple amplifiers to the same RCA signal.
DRIVE LINK
OUTPUT MASTER / INPUT SLAVE SWITCH
Connection makes G7 digital amplifiers capable of daisy chain connection at 2 ohm.
*Refer to page 6 for recommended fuse values.
AUDIO PROTECTION CIRCUIT POWER & PROTECTION INDICATOR
Power LED – GREEN-lit shows normal operation
Protect LED – RED-lit shows general malfunction, faulty connection or thermal protection
SIGNAL EVALUATION STATUS INDICATOR.
BLUE-lit LED shows clipping peaks of audio signal
GAIN ( 6V ~ 0.2V )
Matching the output voltage of the headunit’s RCA line-outs to G7 amplifiers’ input section.
ADAPTIVE CROSSOVER TECHNOLOGY LOW PASS FILTER
( 35Hz ~ 250Hz @ 24dB/Oct )
Controls the low pass point for the speaker outputs.
SUBSONIC FILTER ( 10Hz ~ 50Hz @ 24dB/Oct )
Controls the high Pass point for the speaker outputs to eliminate extreme low frequencies that can damage your subwoofers.
BASS BOOST ( 0~12dB @ 45Hz )
It boosts the bass 0 ~ 12dB
PHASE ( 0 ~ 180 degree )
It control phase from 0 ~ 180 degree

REMOTE LEVEL CONTROL PORT
This port is for connecting remote gain level control.
+12V ( POWER CONNECTION )
This must be connected to the fuse positive terminal
( +12V ) of the battery. *
Refer to chart below for recommended gauge values.
GND ( GROUND CONNECTION )
It is connected to the Negative or ground cables of the Vehicle. *Refer to chart below for recommended gauge values.
| MODEL | GAUGE |
| G7 1250.1 | 4 |
| G7 2500.1 | 0 |
| G7 3500.1 | Dual 0 |
| G7 5000.1 | Dual 0 |
REM ( REMOTE )
It is connected to switched +12V with a trigger cable coming from the head unit
SPEAKER OUTPUTS
it connects amplifier’s terminals to subwoofer speakers.
Minimum speaker wire is 12 guage.
Minimum impedance is 1 ohm for single unit.
Linked connection’s minimum impedance is 2 ohm.
FUSES
G7 amplifiers are externally fused. Protect the amplifiers power supply from any shorts by externally fusing your amplifier. Any use of overvalued fuses will void all warranty.
*Refer to page 6 for recommended fuse values.
2-2. G7 4 channel class AB amplifiers
AUDIO GRADE TIFFANY RCA
CONNECTORS
INPUT
Connect the RCA output cables from the headunit to G7 amplifiers’ RCA Input.
OUTPUT
Is used when connecting multiple amplifer to the same RCA signal.
MODE ( CH2 / CH 4 )
Selectable input setting.
AUDIO PROTECTION CIRCUIT
POWER & PROTECTION INDICATOR
Power LED – GREEN-lit shows normal operation
Protect LED – RED-lit shows general malfunction, faulty connection or thermal protection.
SIGNAL EVALUATION STATUS INDICATOR.
BLUE-lit LED shows clipping peaks of audio signal
GAIN ( 6V ~ 0.2V )
The gain control matches the voltage of the headunit’s RCA line-outs to G7 amplifiers’ input section.
ADAPTIVE CROSSOVER TECHNOLOGY CROSSOVER SELECTOR
Selectable @ HP-LP
Band pass function ready.
*Refer to section 2-3C for more details.
HIGH PASS FILTER
x1 = ( 20Hz ~ 800Hz @ 18dB/Oct )
x10 = ( 200Hz ~ 8KHz @ 18dB/Oct )
Controls the high pass point for the speaker outputs.
*Refer to section 2-3A for more details.
LOW PASS FILTER
x1 = ( 50Hz ~ 800Hz @ 18dB/Oct )
x10 = ( 500Hz ~ 8KHz @ 18dB/Oct )
Controls the low pass x-over point for the speaker outputs.
*Refer to section 2-3B for more details.
REMOTE LEVEL CONTROL PORT
This port is for connecting the remote gain level control.
GND ( GROUND CONNECTION )
It is connected to the Negative or ground cables of the Vehicle. Refer to chart below for recommended gauge values.
| MODEL | GAUGE |
| G7 150.4 | 4 |
| G7 250.4 | 4 |
| G7 500.4 | 4 |
REM ( REMOTE )
Connected to switched +12V remote cable from the head unit.
+12V ( POWER CONNECTION )
This must be connected to a fused positive terminal ( +12V ) of the battery.
Refer to chart above for recommended gauge values.
SPEAKER OUTPUTS
The minimum recomended speaker wire is 12 guage.
The minimum impedance is 2 ohm stereo or 4 ohm mono.
FUSES
G7 amplifiers are externally fused. Protect the amplifiers power supply from any shorts by externally fusing your amplifier. Any use of overvalued fuses will void all warranty.
*Refer to page 6 for recommended fuse values.
2-3. ADAPTIVE CROSSOVER TECHNOLOGY
A)Settings for high-frequency speakers 
B)Settings for subwoofers
C)Settings for midrange speakers

Crossover Selection for HPF and LPF: Set both to ON position for Bandpass function.
| Variable Crossover HPF | Variable Crossover LPF | Variable Crossover BPF |
| x1 = 20Hz – 800Hz | x1 = 50Hz – 800Hz | x1 = 20Hz ~ 800Hz |
| x10 = 200 Hz – 8KHz | x10 = 500 Hz – 8KHz | x10 = 200 Hz ~ 8KHz |
INSTALLATION
In case you install the G7 amplifiers by yourself, please read owner’s manual very carefully.
Before you start your installation, please take all steps into consideration, or you can have a DB Drive or DB Research’s authorized dealer check the installation and help set your car audio systems.
3-1. MOUNTING PREPARATION
Disconnect the negative (-) battery cable before mounting your G7 amplifier or making any connections.
Check the battery and alternator ground (-) connections.
Make sure they are properly connected and Free of corrosion before selecting a mounting location.
Please also take into consideration cooling efficiency and safety.
3-2. MOUNTING PREPARATION
COLLECTIVE HEAT MANAGEMENT
The G7 amplifier uses a specially designed heat radiation heatsink to avoid excessive heat from G7 circuitry. But for better heat disipitation, it is recommended to find the mounting location where you can install G7 where the heatsink fins have better air flow. For safety, you have to find a dry well ventilated location. Before mounting, be sure the location and drilling of pilot cables will not present a hazard to any cables, control cables, fuel lines, fuel tanks, hydraulic lines or other vehicle systems or components.
3-3. +12V, GND, REM CONNECTION
A) 12V ( POWER CONNECTION )
Before mounting G7 amplifiers, disconnect the negative (-) wire from battery to protect any accidental damage to the amplifier and the audio system. G7 150.4, G7 250.4, G7 500.4, & G7 1250.1 are designed to use, at a minimum, 4 gauge power and ground cables G7 2500.1, G7 3500.1, G7 5000.1 are designed to use, at a minimum, 0 gauge cables.
Connect the power cables to power terminal labeled as + 12V.
G7 amplifiers are not equipped with fuses so you need to install external fuses.
| MODEL | FUSE |
| G7 1250.1 | 150A |
| G7 2500.1 | 200A |
| G7 3500.1 | 300A |
| G7 5000.1 | 500A |
| G7 150.4 | 80A |
| G7 250.4 | 150A |
| G7 500.4 | 200A |
RECOMMENDED FUSE VALUES
In order to install external fuses, connect one end of the fuse holder to the power cable and the other end of fuse holder within 18in of the positive battery terminal, using the same cable gauge. This fuse location will protect the system and the vehicle against the possibility of a short circuit in the power cable. Be sure to use fuses and fuse holder adequate for the current draw application.
B) GND ( GROUND CONNECTION )
Locate a secure grounding connection as close to G7 amplifiers as possible.
Make sure the location is clean and provides a direct electrical connection to the frame of the vehicle.
Connect one end of a short piece of the same gauge cable as the power cable to the grounding point.
Run the one end of the cable to the grounding point.
Run the other end of the cable to the mounting location.
Connect the ground cable to the screw terminal labeled as GND.
C) REM ( REMOTE CONNECTION )
Run a remote turn on cable from the head units remote switched + 12V output.
3-3. G7 +12V, GROUND, REMOTE CONNECTION DIAGRAM
3-4. SPEAKER CONNECTION
DB Drive recommends to use a minimum of 12 gauge speaker connecting cables. Run 12 gauge speaker connecting cables from your speakers to G7 amplifier’s mounting location. Keep speaker cables away from power cables and G7 amplifier’s input cables. Use grommets anywhere the cables have to pass through the holes in the metal frame or sheet metal. Connect to the speakers according to the type of the terminals on each speaker. Strip 3/8″ of insulation from the end of each cable and twist the cables strands together tightly. Make sure there are no stray strands that might touch other cables or terminals causing a short. Crimp spade lugs over the cable ends or tin the ends with solder to provide a secure termination. Connect the cable ends to G7 amplifiers as shown on speaker system diagrams.
3-4A. G7 MONOBLOCK AMPLIFIERS’ SPEAKER CONNECTION DIAGRAM 1.
3-4B. G7 MONOBLOCK AMPLIFIERS’ SPEAKER CONNECTION DIAGRAM 2.
CAUTION !!
G7 1250.1, G7 2500.1, G7 3500.1, G7 5000.
1 amplifiers minimum impedance is 1 ohms.
Linked minimum impedance is 2 ohms.
3-4C. G7 4 CHANNEL AMPLIFIERS’ SPEAKER CONNECTION DIAGRAM 1.
CAUTION !!
G7 150.4, G7 250.4 & G7 500.4 Amplifiers’ minimum impedance is
2 ohms stereo or 4 ohm mono3-4D. G7 4 CHANNEL AMPLIFIERS’ SPEAKER CONNECTION DIAGRAM 2.
CAUTION !!
G7 150.4, G7 250.4 & G7 500.4 Amplifiers’ minimum impedance is 2 ohms stereo or 4 ohm mono
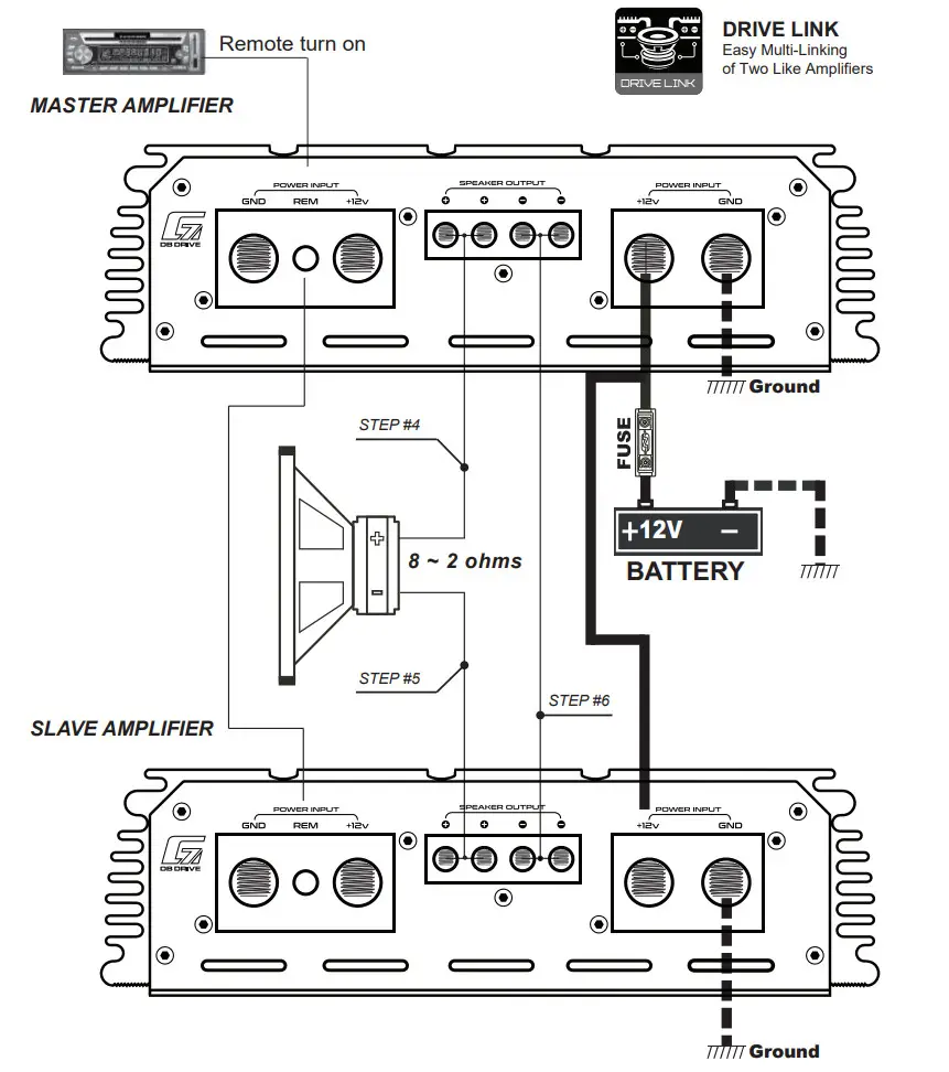
3-5. G7 DIGITAL AMPLIFIER’S MULTI-LINKING CONNECTION
DRIVE LINK
Easy Multi-Linking of Two Like Amplifiers
Drive-link connection allows linking of 2 like amplifiers to work as 1.
Please read the following connection diagram cautiosly to ensure the correct connection.
Step 1. Connect the master amplifier to the head-unit and set its output master and input slave switch to output master position.
Step 2. Connect the master and slave amplifiers in daisy chain Rca jack as shown in the diagram.
Step 3. Set slave amplifier output master & input slave switch to slave input position.
Step 4. Connect speaker cable ( + ) on master amplifier to subwoofer ( + )
Step 5. Connect speaker cable ( + ) on slave amplifier to subwoofer ( )
Step 6. Connect speaker cable ( ) on master amplifier to speaker cable ( ) on slave amplifier
CAUTION !!
G7 1250.1, G7 2500.1, G7 3500.1, & G7 5000.1 Amplifiers’ Linked minimum impedance is 2 ohms.
![]()
CAUTION !!
G7 1250.1, G7 2500.1, G7 3500.1, & G7 5000.1 Amplifiers’Linked minimum impedance is 2 ohms.
TROUBLE SHOOTING
NO SOUND ( NO OUTPUT )
- Please check all connections, cables’ routing, short and voltage at G7 amplifiers and headunit.
- Please check external fuses. If any are blown, replace with new one.
- Please check whether speakers work well. You can test speakers by connecting to another amplifier.
PROTECTION
- Please check overload, overheat ( thermal ), short, voltage and DC offset.
- Minimum working impedance for 4 channel amplifiers is 2 ohm stereo or 4 ohm mono Minimum working impedance for all Class D mono amplifiers is 1 ohm for single unit and 2 ohm for linked operation.
- If G7 amplifier shuts down due to overheat, Reset by turning off the remote input and alowing time to cool down.
Please make sure there are no airflow obstructions around G7 amplifiers to prevent thermal protection. - G7 1250.1, G7 2500.1, G7 3500.1, and G7 5000.1 have voltage operation of 8.5V~16V If Voltage is out of range of above, G7 amplifiers will be protected.
POOR BASS RESPONSE
- Please check speaker polarities .
WHINING NOISE
- Engine noise is caused by poor grounding of G7 amplifiers, headunit, other components, battery or alternator, so please check all grounding connection.
LIMITED WARRANTY
DB DRIVE warrants any G7 amplifiers purchased in the USA from an authorized G7 dealer. All G7 products are warranted to be free from defects in material and workmanship under normal use and service for a period of two (2) years when the unit is installed by an authorized dealer. Non-authorized dealers installed products carry one (1) year parts and labor limited warranty. This warranty applies to original purchase only.
DB Drive will either repair or replace (as its option) any unit that has been found to be defective and under warranty.
This limited warranty does not extend to units that have been subjected to misuse, abuse, neglect, accident, or defaced.
Products that in DB DRIVE’s judgment show evidence of having been altered, modified, abused or serviced without DB DRIVE’s authorization, will be ineligible under this warranty.
The original sales invoice must be presented at the time any warranty will be inspected before any warranty agreement is issued.
***Due to the general competition use of the G7 3500.1 and G7 5000.1, the warranty is for repair only. No exchanges or credits will be given.
To obtain warranty services please contact your local retailer or DB Research directly or visit our website www.dbdrive.net for more details.
DB Research L.L.P.
302 Hanmore Industrial Parkway // Harlingen, TX 78550
ph: 877.787.0101 // www.dbdrive.net
















