AC-DC Power Supplies Configurable Type
Instruction Manual
Configuration – Model Name Construction
The AME series has an Order Name which is used for the ordering aside from Model Name.
Model Name Construction

- Model
AM=AME series - Power
04=400W, 06=600W, 08=800W, 12=1200W - Output module configuration
The output module codes are shown in the specifications.
When the slot is blank, “O” (Alphabet) needs to be set.
The number of slots is different depending on the model. - Parallel code
Refer to Table2.1 Parallel and Series Code. - Series code
Refer to Table2.1 Parallel and Series Code. - Option code
Refer to section 7.
<Model Name example>

Order Name Construction
1 to 3 are the same rules as Model Name. After that, add the management number (6 digits).
Parallel and series codes are not listed on the Order name.
<Order Name example>
AM12 – O D C C B A – ![]()
: Alphanumeric
: management number (6digits)
Note
- Please select the output module codes from the specifications to correspond with the required voltage and current.
Please select ”O” when the slot is blank. - If the output modules need to be connected in parallel or series, please select Parallel or Series code from Table1.1.
- At least two slots have to be occupied.
- The following is the list of modules that can be used in series or parallel operations.
| / | Available output modules |
| Series setting | A-H, J-M, E4-H4 |
| Parallel setting | E4-H4, E-H |
Table 1.1 Parallel and Series Code.

: Output terminal
: Connection
Series / Parallel operation in Modular power supply
Series operation
- Series operation is available with identical output modules.
The copper bar for the series connection is assembled before shipping. - The output current in a series operation is the same as one of the individual modules that are connected.
- Please note the following items,
- Only identical modules can be connected in series.
- The total rated voltage in the series has to be 48V or less. The total output voltage should be adjusted within 60V.
- The series operation is not available along with the parallel operation.
- The constant current function is not available.
Please contact us for any other conditions.
Parallel operation(Applying module: E4-H4, E-H)
Parallel operation is available with identical output modules.
With the parallel operation, the output modules need to be tuned internally, and it cannot be done in the field. The copper bar for parallel operation is assembled before shipping.
Output current in parallel operation. Current ratings for output modules connected in parallel are derated by 10%.
Ex.: AM06-HHCB-0400
- Parallel code 04 means slots 3 and 4 are connected in parallel.
- The output modules for slots 3 and 4 are “H”, so the rated output current is shown below.
Current = (5+5) × 0.9=9A
Please note the following for parallel operation.
- Remote sensing is not available along with parallel operation.
- The peak capability is invalid in parallel operation.
- In case that output voltage adjustment is required for modules connected in parallel, the modules should be adjusted individually. If precision adjustment is required, remove the copper bar between modules, adjust the output voltages individually, and prefix the copper bar. The output voltage difference will appear as load regulation. To reduce the regulation, adjust each output voltage to be the same value as possible.
- When the output current changes rapidly such as pulse load, the output voltage fluctuation (dynamic load regulation) may increase. Therefore, please consult us on the unit that will be used for such an application.
- The specification value of ripple and ripple noise is tripled.
- The constant current function is not available.
When in series and parallel, the output voltage at the start-up might have the step as shown in Fig.2.1.

Functions
Input voltage range
- The input voltage range is from 85 VAC to 264 VAC.
The rated input voltage range for the safety approvals is from 100VAC to 240VAC (50/60Hz). - If the input voltage was out of the above range, the power supply might not meet the specification or might fail.
Please do not apply the square wave of the UPS, the inverter, and so on to the power supply. - When DC input is required, please contact us.
Inrush current limiting
- If the switch is installed on the input, please select the one which can work at the inrush current.
- The relay is used in the inrush current limiting circuit. If the interval of the input on/off was short, the inrush current limiting might not work correctly. So, please make its interval long enough.
And, it makes the primary and the secondary inrush current.
Overcurrent protection
- The unit has overcurrent protection which will activate at 105% of the rated current, 101% of the peak current or more. The output will automatically recover when the overcurrent condition is resolved.
Please do not use the unit with a short circuit and/or under the overcurrent condition. - Hiccup mode
When the overcurrent protection activates and the output voltage drops, the output will get intermittent to reduce the average current.
The overcurrent protection of module R is not hiccup mode.
Peak current protection
(Applying module: G4, G, H4, H)
- The unit has the peak current protection. (Refer to item 4 for the detail.)
When the peak current protection activates, the output stops.
After a few seconds, the output will recover automatically. However, it will stop again if the overcurrent condition was not resolved.
*The recovery time depends on the input voltage and the load condition.
Thermal protection
- The unit has thermal protection.
The thermal protection might activate and shut down the output under the following conditions.
- The case that the output current and/or the ambient temperature exceed the derating curve.
- The case that the fan stops working or the air volume is decreased by blocking the fan.
When the thermal protection activates, outputs on all output modules will shut down.
However, module R can shut down individually. When either one of the following actions is taken, the output will recover.
- Turn the input voltage off and solve all of the overheating causes.
Then, turn the input on after enough time to cool the unit down. - Turn all outputs off by GI terminal and solve all of the overheating causes. Then, turn all outputs on by GI terminal after enough time to cool the unit down.
Overvoltage protection
- When the overvoltage protection activates, outputs on all output modules will shut down.
When either one of the following actions is taken, the output will recover.
- Turn the input voltage off and solve all of the overvoltage cause.
Then, turn the input on after ten seconds. - Turn all outputs off by GI terminal and solve all of the overvoltage cause.
Then, turn all outputs on by GI terminal after ten seconds.
* The recovery time depends on such factors as input voltage.
Module E4 to H4 and E to H have the overvoltage protection to follow up to the output voltage in addition to standard overvoltage protection. It will activate when the output voltage exceeds the set voltage.
- If the external voltage was applied to the output of the power supply, the internal components might be damaged.
Output ripple and ripple noise
- The measurement environment would affect the ripple noise.
Fig.3.1 is the recommended measurement method.

Remarks :
The output ripple and noise might not be measured correctly by the flux of magnetic force from the power supply which crosses the ground wire of the probe.

Output voltage adjustment by external
- To increase an output voltage, turn a built-in potentiometer clockwise.
To decrease the output voltage, turn it counterclockwise. - The output voltage of module E4 to H4 andE to H can be adjusted externally. When the VTRM_EN and COM terminals on CN3 are shorted and the power supply starts up, the VTRM will be enabled. The output voltage can be adjustable from approximately 0V to 120% by an external voltage applied between VTRM and COM on CN3. In this case, the output voltage will be based on calculation 1. However, even if 3.0V or more is applied, the output voltage cannot be changed to 120% or more. Do not set the external voltage of the terminal to -0.3V or less, and 5.0V or more.
Output voltage [V] = The voltage between VTRM and COM [V]/2.5 [V] ×Rated output voltage [V] — 1
* When using a module, use the corresponding rated output voltage (Ex.E4 should use E, H4 should use H, etc.)
- When the VTRM is enabled, the potentiometer for the output voltage adjustment will be disabled.
- The conversion of VTRM Enable and Disable requires removing and reinstating AC power.
- When the output voltage is adjusted by the external, the output voltage will drop to approximately 0V if the VTRM terminal got disconnected.
- When the output voltage is adjusted to less than the adjustment voltage range, the ripple or the ripple noise may e bigger than the specs.

Constant output current adjustment (Applying module: E4-H4, E-H)
- The constant output current can be adjustable by the external voltage applied to between ITRM and COM on CN3. When the ITRM terminal voltage is set at less than 2.5 V, the output current will be based on calculation 2.
Do not set the external voltage of the terminal to -0.3 V or less, and 5.0 V or more.
When the output current is adjusted to around 0A, the unit might be unstable.
The external resistor or voltage is required for the constant output current adjustment.
Output voltage [A] = The voltage between ITRM and COM [V]/2.5 [V] ×Rated output voltage [V] — 2

Note :
- If the output voltage becomes less than 5% of the rated voltage during constant current operation, the output may be unstable.
Please evaluate the unit under actual conditions carefully before using the constant current function. - When the output impedance is low as the high capacitive load, the output may be unstable. Please contact us for the detail.
Remote ON/OFF(RC)
- Each output module has remote ON/OFF functions. The output voltage can be turned on/off by the signal to the RC terminal in CN3 on each module.
- The remote ON/OFF circuit (RC, RCG) is isolated from the input, outputs, FG, and other function terminals.
- Auxiliary power (AUX) for remote ON/OFF.
The power supply has auxiliary power (AUX) for the remote ON/OFF.
The auxiliary power (AUX) is isolated from the input, outputs, and FG.
Fig. 3.5 is the example of the remote ON/OFF with AUX. - Please note the following for the remote ON/OFF function.
- The output stops when 4.5V to 12.5V of the voltage is applied to RC.
- The built-in fan does not stop even if the output is turned OFF by the remote ON/OFF.
- When the output is turned off by the remote on/off, the LV alarm will be delivered.
- This function individually operates on each output module.
The Remote ON/OFF circuit on each output module can operate individually.
The detail of the “Global inhibit function” to turn all output modules off at the same time is shown in item 3.13.

Table 3.1 Remote ON/OFF specification
| Connection method | Fig3.5 Remote SW | |
| SW Logic | Output on | SW open (0-0.5V between RC and RCG) |
| Output off | SW short (4.5-12V between RC and RCG) | |
| Bases pin | CN3 RCG | |
Remote sensing
(Applying module: E4-H4, E-H)
- These models have a remote sensing function.
When remote sensing is not used. +S and -S can be left open. - Please see Fig.3.6 if you use the remote sensing function.
- When you use the remote sensing function, please wire from +S and -S on CN3. Harnesses are available for purchase.
For details, refer to the item of option parts. - Please consider the following when using remote sensing.
- Be sure connections are made properly. If the load wire is not connected correctly, a load current may flow through the sensing wire, which could damage circuitry inside the power supply.
- Wire of an appropriate type and gauge should be used to connect the power supply to the load. Line drop should be less than 0.3V.
- Use a twisted pair wire or a shielded wire as the sensing line.
- Do not draw the output current from +S or -S.
- The impedance of the wiring and the load might cause problems such as unstable output voltage and bigger output voltage fluctuation.
When the output voltage is unstable, C1, R1, R2 in Fig. 3.6 will be effective. - When power supplies are connected in parallel, the remote sensing function is not available.

Variable-speed fan
- The power supply has a built-in variable-speed cooling fan.
The fan speed changes by load and ambient temperature.
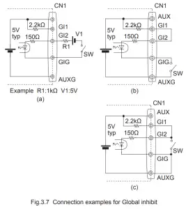
Global inhibit (GI)
- The unit has the Global inhibit function.
Global inhibit is the control signal input that turns all outputs off by supplying the current into GI2.
Table 3.2 is specifications and Fig.3.7 is use examples for Global inhibit. - The Global inhibit circuit (GI2, GIG) is isolated from the input, outputs, FG, AUX and other function terminals.
- lease note the following when using the Global inhibit function.
- The output can be turned off by supplying the current into the GI2 pin.
- The current into GI2 pin is 3mA type (12mA max).
- The PR signal will get “High” when all output modules are turned off by the Global inhibit function.
- When stopping outputs by Global inhibit, the built-in fans also stop.
- AUX is available even when outputs stop by Global inhibit.
- When stopping outputs by Global inhibit, the derating is required for AUX. Please refer to item 3.16.
- If the voltage or the current which exceeds the value in table 3.2 were supplied into the GI2 pin, the output might not be generated correctly.
- Start time is 1,000ms max.
Table 3.2 Global inhibit specification
| Connection method | Fig. 3.7 (a) | Fig. 3.7 (b) | Fig. 3.7 (c) | |
| SW Logic | Output on | SW open (0.1 mA max) | SW open (0.1 mA max) | SW short (0.5V max) |
| Output off | SW short (1.5mA min) | SW short (1.5mA min) | SW open (0.1mA max) | |
| Bases pin | GIG | AUG | GIG,AUX | |

Isolation
- When the Hi-Pot test for the receiving inspection, etc is conducted, the voltage should be increased gradually.
Also, when shutting the voltage off, it should be decreased gradually by using the dial. Please do not use the Hi-pot tester which has the timer because it might generate unwanted high voltage when the timer is on. - When the isolation test between “the input and outputs”, “the input and FG” and “outputs and FG” is conducted, all outputs and terminals for all functions should be shorted.
Alarm
- The unit has two typs of alarm below. Table 3.3 is the detail of the alarm.
1PR: abnormal input voltage, fan alarm
2LV: drop and shut-off of output voltage
Table 3.3 Explanation of alarms
| Alarm | Output of alarm | |
| PR | When the input voltage is abnormal (low input voltage) or the fan stops, the alarm signal is generated from CN1. | Open collector method Good: Low (0.5Vmax at 5mA) Fail: High (50Vmax) |
| LV | When the rated output voltage decreases or stops, the alarm signal is generated from CN3. Note: When the overcurrent protection activates, the alarm will be unstable. | Open collector method Good: Low (0.5Vmax at 5mA) Fail: High (50Vmax) |
The alarm circuits (PR and LV) are isolated from others (the input, outputs, FG, AUX, and other function terminals).

- Please note the following when you use the alarm (LV signal).
1. If the output voltage is turned off by the remote ON/OFF circuit, the LV signal will get “High”.
2. If the output voltage drops below the lower limited of adjustment range, the LV signal may get “High”.
Auxiliary power (AUX)
- The unit has the auxiliary power (AUX: 5V1A) in CN1 to provide for the remote ON/OFF and external circuits.
- When the Global inhibit function activates, the following derating for the AUX is required.
Derating for AUX: Io(AUX) [ 0.5A - The AUX circuit(AUX, AUXG) is isolated from the input, outputs, the FG, and other function terminals except for GI1.
- If the output current of the AUX exceeds 1A, the unit might be damaged or malfunction. When the DC-DC converter is connected to the AUX, the current might be severalfold of the normal current when starting up. Please check the current.
- The maximum external capacitor to the AUX is 47μF.
Medical Isolation grade
AME series meets 2MOPP

Peak Current
(Applying module: G4, G, H4, H)
¡Some output modules have the peak capability of the following conditions.
-t1[5sec
-Ip[Rated peak current
-Iave[Rated current
-Duty= t1/t1+t2×100 [%] [ 35%

- Derating curve for input voltage
The derating curves with respect to input voltage are shown in“Derating”.
Life expectancy and Warranty
- Life expectancy
Table 5.1 Life expectancy (AME400F)
| Mounting method | Input Voltage | Average ambient temperature (yea1y) | Life expectancy | |
| 0%≤ 5 to 5 ≤ 75% | 75% < to 5 ≤ 100% | |||
| All mounting direction | 85 to 264VAC | Ta = 40C or less | 10 years | 7 years |
| Ta = 50 C | 10 years | 4 years | ||
Table 5.2 Life expectancy (AME600F)
| Mounting method | Input Voltage | Average ambient temperature (yearly) | Life expectancy | |
| 0%≤ 5 to 5 ≤ 75% | 75% < lo 5 ≤ 100% | |||
| All mounting direction | 85 to 170VAC | Ta = 40C cc less | 10 years | 4 years |
| Ta = 50C | 7 years | 2 years | ||
| 170 to 264VAC | Ta = 40 C or less | 10 years | 4 years | |
| Ta = 50C | 7 years | 2 years | ||
Table 5.3 Life expectancy (AME800F)
| Mounting method | Input Voltage | Average ambient temperature (yearly) | Lite expectancy | |
| 0% ≤Io ≤75% | 75% < lo ≤100% | |||
| AI mounting direction | 85 to 264VAC | Ta = 40 C or less | 10 years | 9 years |
| Ta = 50C | 10 years | 4 years | ||
Table 5.4 Life expectancy (AME1200F)
| Mounting method | Input Voltage | Average ambient temperature (yearly) | Lite expectancy | |
| 0% ≤Io ≤75% | 75% < lo ≤ 100% | |||
| All mounting direction | 85 to 170VAC | Ta = 30C or less | 10 years | 9 years |
| Ta = 40 C | 10 years | 4 years | ||
| 170 to 264VAC | Ta = 40 C or less | 10 years | 4 years | |
| Ta = 50C | 7 years | 2 years | ||
Life expectancy (R(t)=90%) of fan depends on use conditions as shown in Fig.5.1.

Warranty term
The warranty term depends on the conditions in Table 5.5, 5.6, 5.7, and 5.8 and its maximum is 5 years.
If the unit was used under the out of the derating curve, it will be out of warranty.
Table 5.5 Warranty term (AME400F)
| Mounting method | Input Voltage | Average ambient temperature (yearly) | Warranty term | |
| 0% ≤ lo ≤ 75% | 75% < lo ≤ 100% | |||
| All mounting direction | 85 to 264VAC | Ta = 40° or less | 5 years | 5 years |
| Ta = 50°C | 5 years | 3 years | ||
Table 5.6 Warranty term (AME600F)
| Mounting method | Input Voltage | Average ambient temperature (yearly) | Warranty term | |
| 0% ≤ lo ≤ 75% | 75% < lo ≤100% | |||
| All mounting direction | 85 to 170VAC | Ta = 40° or less | 5 years | 4 years |
| Ta = 50°C | 5 years | 2 years | ||
| 170 to 264VAC | Ta = 40°or less | 5 years | 4 years | |
| Ta = 50°C | 5 years | 2 years | ||
Table 5.7 Warranty term (AME800F)
| Mounting method | Input Voltage | Average ambient temperature (yearly) | Warranty term | |
| 0% ≤ lo ≤75% | 75% < lo ≤ 100% | |||
| All mounting direction | 85 to 264VAC | Ta = 40° or less | 5 years | 5 years |
| Ta = 50°C | 5 years | 3 years | ||
Table 5.8 Warranty term (AME1200F)
| Mounting method | Input Voltage | Average ambient temperature (yearly) | Warranty term | |
| 0%≤ lo ≤75% | 75% < lo ≤ 100% | |||
| All mounting direction | 85 to 170VAC | Ta = 30° or less | 5 years | 5 years |
| Ta = 40°C | 5 years | 4 years | ||
| 170 to 264VAC | Ta = 40° or less | 5 years | 4 years | |
| Ta = 50°C | 5 years | 2 years | ||
Option
Option outline
- Please contact us in advance as regards detailed specifications and delivery.
- Please refer to “1. Configuration – Model Name Construction” for ordering methods.
A – Auxiliary power (AUX) is 12V0.1A instead of 5V1A.
R-
– The logic of the remote ON/OFF is reversed.
– Even if the input voltage is applied to the unit which has the -R option, the output will not be generated unless the voltage is applied to the RC terminal.
⌊Turn on: 4.5 to 12.5[V] between RC and RCG.⌋
⌊Turn off : 0-0.5[V] between RC and RCG.⌋
- All output modules have the reversed logic of the remote ON if the -R is specified.
- The harness for CN3 is required when using this option.
- Please contact us if the mix of the standard and the reversed logic is required.
J2
- Every module in the unit of -J2 option has Molex connectors instead of a terminal block.
- Please contact us for details about your appearance.
- The maximum current per pin is 8A.

Table 6.1 Connectors and Terminals for -J2 option (Applying module: A-D, K-M)
| Connector | Mating Connector | Terminal | Mfr. | |
| CN5 | 39303046 | 39014041 | 45750-3111 | Molex |
Table 6.2 Connectors and Terminals for -J2 option (Applying module: E4-H4, E-H, J, R)
| Connector | Mating Connector | Terminal | Mfr. | |
| CN5 | 39300080 | 39012085 | 45750-3111 | Molex |
Table 6.3 Function of specification pins
| Pin numbers | Appling module | ||
| A-D, K-M | E4-H4 ,E-H,J | R | |
| 1 | -V | -V | -V2 |
| 2 | -V | -V | +V2 |
| 3 | +V | +V | -V1 |
| 4 | +V | +V | +V1 |
| 5 | – | -V | -V2 |
| 6 | – | -V | +V2 |
| 7 | – | +V | -V1 |
| 8 | – | +V | +V1 |
-J3
- The unit of -J3 option has the following connectors for functions.
Table 6.4 Connectors and Terminals for -J3 option
| Connector | Mating Connector | Terminal | Mfr. | |
| CN1 CN3 | 87833-1031 | 51110-1056 | 50394-8051 | Molex |
| CN2 | 87833-0831 | 51110-0856 | 50394-8051 | Molex |
-C
- Except for a certain (e.g.terminal, potentionmeter), PCB is coated.
-F3
- The cooling fan direction is reversed from the standard model.
- Fig. 6.2 is the direction of airflow and Fig. 6.3 is the temperature derating.
- Please contact us for the life expectancy of fans.

-G
- The spec of leakage current is lower than the standard model.
- Differences from the standard model are summarized in Table 6.5.
Table 6.5 Low leakage current type
| Leakage Current (240VAC) | 0.15mA max |
| Conducted Noise | N/A |
| Output Ripple Noise | 150% of standard units |
-I3
- The power supply provides an “Extended-UART” digital interface.
- Extended-UART is the communication protocol that enables single wire and bidirectional communications among multiple machines by using the software with being isolated from UART which is the general-purpose communication.
Please refer to “AME Series Extended-UART Manual” for details.
Table 6.6 Pin configuration and function of CN1
| Pin No. | Function | Ground level |
| 1 | AUX : Auxiliary power | AUXG |
| 2 | AUXG : Auxiliary power ground | AUXG |
| 3 | GI1 : Global inhibit | AUXG |
| 4 | AUXG : Auxiliary power ground | AUXG |
| 5 | GI2 : Global inhibit | GIG |
| 6 | GIG : Global inhibit ground | GIG |
| 7 | INFO : Extended UART signal | INFOG |
| 8 | INFOG : Extended UART signal ground | INFOG |
| 9 | PR : PR Alarm | PRG |
| 10 | PRG : PR Alarm ground | PRG |
Table 6.7 Pin configuration and function of CN2
| Pin No. | Function | Ground level |
| 1 | N.C. : No connection | – |
| 2 | SGND : Signal ground | SGND* |
| 3 | N.C. : No connection | – |
| 4 | N.C. : No connection | – |
| 5 | ADDRO : Address bit 0 | SGND* |
| 6 | ADDR1 : Address bit 1 | SGND* |
| 7 | ADDR2 : Address bit 2 | SGND* |
| 8 | SGND : Signal ground | SGND* |
Do not connect anything to N.C. pins.
*SGND is not isolated from AUXG.
Table 6.8 Matching connectors and terminals
| Connector | Housing | Terminal | Mfr. | |
| CN1 | S10B-PHDSS | PHDR-10VS | Reel: SPHD-002T-P0.5 Loose :BPHD-001T-P0.5 *1 BPHD-002T-P0.5 *1 | J.S.T |
| CN2 | S8B-PHDSS | PHDR-8VS | ||
*1 The manufacturer can offer only ratchet hand tool.
- INFO and INFOG terminals are isolated from input, output, FG, AUX and other function terminals.
- ADDR0, ADDR1, ADDR2 and SGND terminals are isolated from input, output, FG and CN3.
-I
- The power supply provides a PMBus digital interface
- Please refer to “AME Series PMBus Manual” for details Table 6.9 Pin configuration and function of CN2
| Pin No. | Function | Ground level |
| 1 | SDA : Serial data | SGND* |
| 2 | SGND : Signal ground | SGND* |
| 3 | SCL : Serial clock | SGND* |
| 4 | SMBA : SMBAlert | SGND* |
| 5 | ADDRO : Address bit 0 | SGND* |
| 6 | ADDR1 : Address bit 1 | SGND* |
| 7 | ADDR2 : Address bit 2 | SGND* |
| 8 | SGND : Signal ground | SGND* |
* SGND is not isolated from AUXG
Table 6.10 Matching connectors and terminals
| Connector | Housing | Terminal | Mfr. | |
| CN2 | S8B-PHDSS | PHDR-8VS | Reel : SPHD-002T-P0.5 Loose : BPHD-001T-P0.5 *1 BPHD-002T-P0.5 *1 | J.S.T |
*1 The manufacturer can offer only ratchet hand tools.
– CN2 is isolated from input, output, FG, and CN3
Others
External output capacitor
- If the external capacitor is too large, the power supply might not startup.
Table 7.1 Connectable external output capacitance
| Module code | Capacitance run |
| J | 0 to 47,000 |
| A | 0 to 47,000 |
| K | 0 to 18,000 |
| B | 0 to 18,000 |
| L | 0 to 18,000 |
| C | 0 to 12,000 |
| M | 0 to 6,800 |
| D | 0 to 2,200 |
| E4 | 0 to 47,000 |
| E | 0 to 47,000 |
| F4 | 0 to 18,000 |
| F | 0 to 18,000 |
| G4 | 0 to 12,000 |
| G | 0 to 12,000 |
| H4 | 0 to 2,200 |
| H | 0 to 2,200 |
| R | 0 to 1,000 |
AME-21
February 10, 2021



















