INSTALLATION, OPERATION,
AND MAINTENANCE MANUAL
WITH PARTS LIST
HSK4A-KDI1903TCR FT4 Hsk Series Pump Hydraulic Driven Sludge Pump
HSK SERIES PUMP
Hydraulic Driven Sludge Pump
MODEL
HSK4A-KDI1903TCR FT4
GORMAN‐RUPP PUMPS
www.grpumps.com
© 2019 Gorman‐Rupp Pumps
Register your new
Gorman‐Rupp pump online at
www.grpumps.com
Valid serial number and e‐mail address required.
WARNINGT
he engine exhaust from this product contains chemicals known to the State of California to cause cancer, birth defects or other reproductive harm.
RECORD YOUR PUMP MODEL AND SERIAL NUMBER
Please record your pump model and serial number in the spaces provided below. Your Gorman‐Rupp distributor needs this information when you require parts or service.
Pump Model: ………………..
Serial Number: ……………..
INTRODUCTION
Thank You for purchasing a Gorman‐Rupp pump. Read this manual carefully to learn how to safely install and operate your pump. Failure to do so could result in personal injury or damage to the pump.
Because pump installations are seldom identical, this manual cannot possibly provide detailed in structions and precautions for every aspect of each specific application. Therefore, it is the responsibility of the owner/installer of the pump to ensure that applications not addressed in this manual are performed only after establishing that neither operator safety nor pump integrity are com promised by the installation. Pumps and related equipment must be installed and operated ac cording to all national, local and industry standards.
If there are any questions regarding the pump or its application which are not covered in this manual or in other literature accompanying this unit, please contact your Gorman‐Rupp distributor, or The Gorman‐Rupp Company:
The Gorman‐Rupp Company
P.O. Box 1217
Mansfield, Ohio 44901-1217
Phone: (419) 755-1011
or:
Gorman‐Rupp of Canada Limited
70 Burwell Road
St. Thomas, Ontario N5P 3R7
Phone: (519) 631-2870
For information or technical assistance on the power source, contact the power source manufacturer’s local dealer or representative.
HAZARD AND INSTRUCTION DEFINITIONS
The following are used to alert maintenance personnel to procedures which require special attention, to those which could damage equipment, and to those which could be dangerous to personnel:
DANGER
Immediate hazards which WILL result in severe personal injury or death. These instructions describe the procedure required and the injury which will result from failure to follow the procedure.
WARNINGT
Hazards or unsafe practices which COULD result in severe personal injury or death. These instructions describe the procedure required and the injury which could result from failure to follow the procedure.
CAUTION Hazards or unsafe practices which COULD result in minor personal injury or product or property damage. These instructions describe the requirements and the possible damage which could result from failure to follow the procedure.
NOTE
Instructions to aid in installation, operation, and maintenance or which clarify a procedure.
SAFETY ‐ SECTION A
This information applies to Hydraulic Driven Sludge Pumps.
WARNINGT
Before attempting to disconnect or service the hydraulic power source or pump:
- Familiarize yourself with this manual.
- Shut down the engine and disconnect the positive battery cable to ensure that the hydraulic power source and pump will remain inoperative.
- Allow the hydraulic oil and pump to cool completely.
- Use the hydraulic control (H.C.) valve to ensure that all hydraulic pressure is released from the system.
- Check the temperature before opening any covers, plates, or plugs.
- Vent the pump slowly and cautiously using ½” ball valves sup plied.
- Drain the pump.
WARNINGT
This pump is designed to pump materials that may be volatile or flammable. Do not attempt to pump any liquids for which the pump is not designed, or which may damage the pump or endanger personnel as a result of pump failure. Consult the factory for specific application data.
WARNINGT
This pump is designed to pump materials which could cause serious illness or injury through direct exposure or emit ted fumes. Wear protective clothing, such as rubber gloves, face mask and rubber apron, as necessary, before dis connecting or servicing the pump or piping.
WARNINGT
Death or serious personal injury and damage to the pump or components can occur if proper lifting procedures are not observed. Make certain that hoists, chains, slings or cables are in good working condition and of sufficient capacity and that they are positioned so that loads will be balanced and the pump or components will not be damaged when lifting. Suction and dis charge hoses and piping must be re moved from the pump before lifting. Lift the pump or component only as high as necessary and keep personnel away from suspended objects.
WARNINGT
After the pump has been installed, make certain that the pump and all piping or hose connections are tight, properly supported and secure before operation.
CAUTION Make sure hydraulic hose connections are fully tightened. Hydraulic hoses are equipped with check valves in each end to prevent oil from escaping when disconnected. Hose connections must be tight to fully open these check valves. Failure to tighten connections can cause excessive hydraulic system pressure, resulting in damage to the hydraulic motor and/or other components.
WARNINGT
Do not remove plates, covers, gauges, pipe plugs, or fittings from an overheated pump. Vapor pressure within the pump can cause parts being disengaged to be ejected with great force. Allow the pump to completely cool before servicing.
WARNINGT
Never operate the pump against a closed suction or discharge valve. Internal pressures can increase quickly, leading to product damage and possible personal injury
DANGER
Do not operate an internal combustion engine in an explosive atmosphere. When operating internal combustion engines in an enclosed area, make certain that exhaust fumes are piped to the outside. These fumes contain carbon monoxide, a deadly gas that is color less, tasteless, and odorless.
WARNINGT
Fuel used by internal combustion engines presents an extreme explosion and fire hazard. Make certain that all fuel lines are securely connected and free of leaks. Never refuel a hot or running engine. Avoid overfilling the fuel tank, and clean up any fuel spills immediate ly. Always use the correct type of fuel.
WARNINGT
Never tamper with the governor to gain more power. The governor establishes safe operating limits that should not be exceeded. See the performance curve on page E-1 for the maximum continuous operating speed for this pump.
INSTALLATION – SECTION B
Review all SAFETY information in Section A.
Since pump installations are seldom identical, this section offers only general recommendations and practices required to inspect, position, and arrange the pump and piping.
For further assistance, contact your Gorman‐Rupp distributor or the Gorman‐Rupp Company.
PREINSTALLATION INSPECTION
The pump assembly was inspected and tested be fore shipment from the factory. Before installation, inspect the pump for damage which may have occurred during shipment. Check as follows:
a. Inspect the pump assembly for cracks, dents, damaged threads on the hydraulic connecting hoses, and other obvious damage.
b. Check for and tighten loose attaching hard ware. Since gaskets tend to shrink after drying, check for loose hardware at mating sur faces.
c. If the pump was shipped with hydraulic hoses, inspect the hoses for cuts or damage to the threaded ends.
d. Check the pump hydraulic motor for any oil leaks, and tighten any hardware as required.
e. Carefully read all tags, decals, and markings on the pump assembly, and perform all duties as indicated.
f. Check levels and lubricate as necessary.
NOTE
Use only pre-filtered to 10 micron filtration oil. See oil recommendations E-17. Make sure there is no water in the hydraulic oil used.
g. If the pump and engine have been stored for more than 12 months, some of the components or lubricants may have exceeded their maximum shelf life. These must be inspected or replaced to ensure maximum pump service.
If the maximum shelf life has been exceeded, or if anything appears to be abnormal, contact your Gorman‐Rupp distributor or the factory to deter mine the repair or updating policy. Do not put the pump into service until appropriate action has been taken.
Pump Dimensions
See Figure B-1 for the approximate physical dimensions of your pump.
OUTLINE DRAWING
Battery Specifications And Installation
Unless otherwise specified on the pump order, the engine battery was not included with the unit. When selecting a battery, refer to the specifications on the paper tag attached to the battery box in or der to ensure the proper size and electrical characteristics of the battery.
Refer to the information accompanying the battery and/or electrolyte solution for activation and charging instructions.
Before installing the battery, clean the positive and negative cable connectors, and the battery terminals. Secure the battery by tightening the holddown brackets. The terminals and clamps may be coated with petroleum jelly to retard corrosion. Connect and tighten the positive cable first, then the negative cable.
Positioning Pump
Lifting
WARNINGT
Death or serious personal injury and damage to the pump or components can occur if proper lifting procedures are not observed. Make certain that hoists, chains, slings or cables are in good working condition and of sufficient capacity and that they are positioned so that loads will be balanced and the pump or components will not be damaged when lifting. Suction and dis charge hoses and piping must be re moved from the pump before lifting. Lift the pump or component only as high as necessary and keep personnel away from suspended objects.
Pump unit weights will vary depending on the mounting and drive provided. Check the shipping tag on the unit packaging for the actual weight, and use lifting equipment with appropriate capacity. Drain the pump and remove all customer‐installed equipment such as suction and discharge hoses or piping before attempting to lift existing, installed units.
CAUTION The pump assembly can be seriously damaged if the cables or chains used to lift and move the unit are improperly wrapped around the pump.
Mounting
Locate the pump in an accessible place as close as practical to the liquid being pumped. Level mounting is essential for proper operation. To ensure sufficient lubrication and fuel supply to the engine, do not position the pump and engine more than 15° off horizontal for continuous operation. The pump may have to be supported or shimmed to provide for level operation or to eliminate vibration.
If the pump has been mounted on a moveable base, make certain the base is stationary by setting the brake and blocking the wheels before attempting to operate the pump.
Remote Operation
It is possible to operate the hydraulic driven sludge pump dismounted from the hydraulic power unit. The sludge pump can be used up to 150 feet from the power unit when properly connected with com patible hoses. The hoses must be connected in the correct order. Remotely operating the sludge pump may affect performance. Locate the pump in an accessible place as close as practical to the liquid being pumped. Ensure the pump will remain level and will not be able to shift or move during operation. For remote operation it is necessary to re move the pressure switch (Item 45 figure 4 in PUMP MAINTENANCE AND REPAIR – SEC TION E) and replace with a pipe plug. Consult fac tory for additional instruction as necessary.
WARNINGT
Death or serious personal injury and damage to the pump or components can occur if lifting bail is not properly secured to the base of the unit. Use only the hardware provided from the factory to relocate or remount the lifting bail.
NOTICE
Ensure the hydraulic hoses are correctly attached to the hydraulic power unit for re mote operation. Connecting these hoses in reverse order will not allow the pump to cycle or produce discharged fluid.
To operate the hydraulic driven sludge pump dis mounted from the hydraulic power unit, it may be come necessary to adjust the location of the power unit lifting bail for level lifting. This should be done using caution to ensure all factory provided mounting hardware is utilized. Use only the hard ware provided with the unit as it is appropriately selected to secure the load.
SUCTION AND DISCHARGE PIPING
Pump performance is adversely effected by in creased suction lift, discharge elevation, and friction losses. Friction losses will increase with greater viscosity of material being pumped. See the performance curve and notes on Page E‐1 to be sure your overall application allows pump to operate within the safe operation range. Always keep the pump as close as possible to the product to be pumped. Keep the suction line length, number of fittings and direction changes to a minimum. Do not use a suction line smaller than
the pump suction connection. This pump is self‐priming on water from a dry start to 21 foot depths.
Materials
Either pipe or hose maybe used for suction and discharge lines; however, the materials must be compatible with the liquid being pumped. If hose is used in suction lines, it must be the rigid‐wall, rein forced type to prevent collapse under suction. Using piping couplings in suction lines is not recom mended.
Line Configuration
Keep suction and discharge lines as straight as possible to minimize friction losses. Make minimum use of elbows and fittings, which substantial ly increase friction loss. If elbows are necessary, use the long‐radius type to minimize friction loss.
Connections to Pump
Before tightening a connecting flange, align it exactly with the pump port. Never pull a pipe line into place by tightening the flange bolts and/or couplings.
Lines near the pump must be independently sup ported to avoid strain on the pump which could cause excessive vibration and strain on support brackets. If hose‐type lines are used, they should have adequate support to secure them when filled with liquid and under pressure.
Gauges
Most pumps are drilled and tapped for installing discharge pressure and vacuum suction gauges.
Use only liquid filled gauges for reciprocating pump.
SUCTION LINES
To avoid air pockets which could affect pump priming, the suction line must be as short and direct as possible. When operation involves a suction lift, the line must always slope upward to the pump from the source of the liquid being pumped; if the line slopes down to the pump at any point along the suction run, air pockets will be created.
Fittings
Suction lines should be the same size as, or larger than, the pump inlet. If reducers are used in suction lines, they should be the eccentric type, and should be installed with the flat part of the reducers uppermost to avoid creating air pockets. Valves are not normally used in suction lines, but if a valve is used, install it with the stem horizontal to avoid air pockets.
Sealing
Since even a slight leak will affect priming, head, and capacity, especially when operating with a high suction lift, all connections in the suction line should be sealed with pipe dope to ensure an air tight seal. Follow the sealant manufacturer’s rec ommendations when selecting and applying the pipe dope. The pipe dope should be compatible with the liquid being pumped.
Suction Lines In Sumps
If a single suction line is installed in a sump, it should be positioned away from the wall of the sump at a distance equal to 1 1/2 times the diameter of the suction line.
If there is a liquid flow from an open pipe into the sump, the flow should be kept away from the suction inlet because the inflow will carry air down into the sump, and air entering the suction line will re duce pump efficiency.
If it is necessary to position inflow close to the suction inlet, install a baffle between the inflow and the suction inlet at a distance 1‐1/2 times the diameter of the suction pipe. The baffle will allow entrained air to escape from the liquid before it is drawn into the suction inlet.
If two suction lines are installed in a single sump, the flow paths may interact, reducing the efficiency of one or both pumps. To avoid this, position the suction inlets so that they are separated by a distance equal to at least 3 times the diameter of the suction pipe.
Suction Line Positioning
The depth of submergence of the suction line is critical to efficient pump operation. Figure 2 shows recommended minimum submergence vs. velocity.
NOTE
The pipe submergence required may be reduced by installing a standard pipe increaser fitting at the end of the suction line. The larger opening size will reduce the inlet velocity. Calculate the required submergence using the following formula based on the increased opening size (area or diameter). 
DISCHARGE LINES
Siphoning
Do not terminate the discharge line at a level lower than that of the liquid being pumped unless a siphon breaker is used in the line. Otherwise, a siphoning action causing damage to the pump could result.
OPERATION – SECTION C
Review all SAFETY information in Section A.
Refer to the INSTALLATION section of this manual before startup.
Follow the instructions on all tags, labels and decals attached to the power source.
Do not operate an internal combustion engine in an explosive atmosphere.
WARNINGT
When operating internal combustion engines in an enclosed area, make certain that exhaust fumes are piped to the outside. These fumes contain carbon monoxide, a deadly gas that is color less, tasteless, and odorless.
WARNINGT
Never tamper with the governor to gain more power. The governor establishes safe operating limits that should not be exceeded. Consult the factory or the power unit specification data sheet for the maximum continuous operating speed.
WARNINGT
This pump is designed to pump materials that may be volatile or flammable. Do not attempt to pump any liquids for which the pump is not designed, or which may damage the pump or endanger personnel as a result of pump failure. Consult the factory for specific application data.
WARNINGT
Never operate the pump against a closed suction or discharge valve. Internal pressures can increase quickly, leading to product damage and possible personal injury.
STARTING
- Ensure that the hydraulic pressure control valve located on the reservoir tank is fully open prior to starting. This takes approximately a quarter turn. Additionally, make sure all valves on the suction or discharge lines are open.
- Refer to the engine operation manual or decal, start the engine, and allow it to warm up for one or two minutes. Adjust engine speed to be tween 1200 and 2000 RPM after warm up.
- Turn the hydraulic pressure control valve clock wise until it stops. This energizes the hydraulic system.
CAUTION Do not use the hydraulic pressure control valve to regulate hydraulic pressure; this valve is on/off only. - Check the hydraulic driven sludge pump to en sure it is operating.
- Check all connections and the pump hydraulic motor for any oil leaks, and correct as required.
CAUTION Make sure hydraulic hose connections are fully tightened. Hydraulic hoses are equipped with check valves in each end to prevent oil from escaping when disconnected. Hose connections must be tight to fully open these check valves.
Failure to tighten connections can cause excessive hydraulic system pressure, resulting in damage to the hydraulic motor and/or other components. - De‐energize the hydraulic system. Connect the discharge hose and install the pump as de scribed in INSTALLATION, Section B. Energize the hydraulic system again and adjust the engine speed to achieve the desired pump out put.
- If full volume is not required, the engine speed may be slowed down as necessary to conserve fuel. Do not increase engine speed once the factory‐set system operating pressure is achieved.
CAUTION Pump speed and operating conditions must be within the performance range shown on page E‐1.
PRIMING
Install the pump and piping as described in IN STALLATION. Make sure that the piping connections are tight, and that the pump is securely mounted. The pump is self‐priming on water from a dry start to 21 foot depths. It is designed to handle a wide variety of sludge applications. A general rule of thumb is the shovel test. If a shovel is stuck into the sludge and falls over, the material will most like ly be pumped. The thickness / viscosity of the pumped material may affect the priming or lift capabilities of the pump. The performance may also deviate from that shown on the curve on page E-1, which was tested using water, based on the characteristics of the pumped material.
OPERATIONAL CHECKS
Hydraulic Oil Level/Temperature
- Maintain the hydraulic oil at the level shown on the side of the hydraulic reservoir.
- After initial startup, check the hydraulic oil level in the reservoir. Filling the hydraulic hoses initially will cause the level to drop.
- During operation, check to be sure the hydraulic oil operating temperature never exceeds 170°F (77°C). If the temperature becomes excessive, shut down the system and allow the oil to cool. Check for insufficient oil in the reservoir, kinked hydraulic hoses, inadequate ventilation of the reservoir or oil cooler, a clogged return line filter, or the hydraulic driven sludge pump may be running dry for extended periods of time.
Low Hydraulic Oil Shutdown
- The low oil shutdown switch is mounted on the engine side of the hydraulic oil reservoir. It will shut down the engine in the event of loss of hydraulic oil to protect against damage to the system.
Hydraulic Oil Tank Temp Shutdown
- The hydraulic oil temperature shutdown switch is mounted on the engine side of the hydraulic oil reservoir. It will shut down the engine in the event the hydraulic oil becomes too hot, protecting against damage to the system.
Oil Cooler
- Your hydraulic power unit is equipped with an engine‐mounted air/oil cooler to cool the hydraulic oil. Be sure the cooling fins are kept clean so air can circulate freely through it.
Pump Oil Pressure Shutdown
- During operation, there may be a small amount of hydraulic oil in the clear braided hose located between the product cylinders towards the front of the sludge pump. This is used to lubricate the piston seals. If the hose contains any amount of the material being pumped, it could be a sign of leaking seals between the pistons and cylinders. If this scenario creates 10 PSI or more, the engine will be shut down by the pump oil pressure shut down switch. This switch is mounted on the top of the sludge pump, be tween the pump cylinders.
System Leaks
- Check all system components regularly for leaks. Replace or repair tubing, fittings, oil cooler or any other components at the first sign of leakage.
STOPPING
- Reduce the engine speed slowly before stop ping to prevent possible system damage.
- To stop the pump, de‐energize the system (turn the hydraulic control valve counter‐clockwise).
CLEANING AND FLUSHING
NOTICE
After each pumping cycle, it is necessary to thoroughly flush the cylinders and piping of all debris. As a final cleaning step, at least 5 minutes of water should be pumped through to clear out settled material. Failure to do so can lead to damage to the pump and will void the warranty.
To ensure continued performance of the hydraulic driven sludge pump, thoroughly flush all debris from the cylinders and piping after each use. Use a solvent compatible with both the materials of pump construction and liquid being pumped. Additional ly, if the pump is to be periodically inactive and the liquid being pumped is prone to settling out or hardening if not in motion, flush the pump more frequently as necessary.
WARNINGT
Do not remove plates, covers, gauges, pipe plugs, or fittings from an over heated pump. Vapor pressure within the pump can cause parts being disengaged to be ejected with great force. Al low the pump to completely cool before servicing.
The pump is equipped with clean out covers on the discharge header (both sides) to aid in removing materials that settle, harden of get stuck in the unit. See Clean Out Cover Removal in MAINTE NANCE and Review all SAFETY information in Section A before attempting service.
TROUBLESHOOTING – SECTION D
Review all SAFETY information in Section A.
WARNINGT
Before attempting to disconnect or service the hydraulic power source or pump:
- Familiarize yourself with this manual.
- Shut down the engine and disconnect the positive battery cable to ensure that the hydraulic power source and pump will remain inoperative.
- Allow the hydraulic oil and pump to cool completely.
- Use the hydraulic control (H.C.) valve to ensure that all hydraulic pressure is released from the system.
- Check the temperature before opening any covers, plates, or plugs.
- Vent the pump slowly and cautiously using ½” ball valves sup plied.
- Drain the pump.
Table 1. Trouble Shooting Chart
| TROUBLE | POSSIBLE CAUSE | PROBABLE REMEDY |
| PUMP FAILS TO PRIME | ||
| TROUBLE | POSSIBLE CAUSE | PROBABLE REMEDY |
| PUMP FAILS TO PRIME | Air leak in suction line. Lining of suction hose collapsed. Leaking or worn seal or pump gasket. Suction lift or discharge head too high. Pumped fluid too thick. | Correct leak. Replace suction hose. Check pump vacuum. Replace leaking or worn seal or gasket. Check piping installation and install bypass line if needed. See INSTAL LATION. Dilute fluid being pumped if possible. |
| PUMP STOPS OR FAILS TO DELIVER RATED FLOW OR PRESSURE NOTE: PERFORMANCE MAY DEVIATE FROM THAT SHOWN ON THE CURVE BASED ON THE CHARACTERISTIC S OF THE PUMPED MATERIAL. | Pumped fluid too thick. Air leak in suction line. Lining of suction hose collapsed. Leaking or worn piston seal or pump gasket. Suction intake not submerged at proper level or sump too small. Pump clogged. Discharge head too high. Suction lift too high. Pump speed too slow. | Dilute fluid being pumped if possible. Correct leak. Replace suction hose with full vacuum rated hose. Check pump vacuum. Replace leaking or worn seal or gasket. Check installation and correct sub mergence as needed. Free pump of debris. Consult pump performance curve. Measure lift w/vacuum gauge. Re duce lift and/or friction losses in suction line. Check engine output; consult engine operation manual. |
| PUMP STOPS OR FAILS TO DELIVER RATED FLOW OR PRESSURE (cont.) NOTE: PERFORMANCE MAY DEVIATE FROM THAT SHOWN ON THE CURVE BASED ON THE CHARACTERISTIC S OF THE PUMPED MATERIAL. | Discharge hose kinked, plugged or collapsed. Hydraulic oil level low. Lack of liquid in pump (pump inlet obstructed) Hydraulic pump or bearing seized. | Check and clear or replace dis charge hose with rigid hose or pipe. Check level, add oil as required. Check and clear debris from inlet. Adjust submergence as necessary. Check and replace as required. |
| PUMP REQUIRES TOO MUCH POWER | Pump speed too high for pumped fluid. Pumped fluid too thick. Pump piston frozen. | Check engine output reduce as necessary. Dilute fluid being pumped if possible. Disassemble pump and check pistons, seals and cylinders for damage. Replace components as necessary. |
| PUMP CLOGS FREQUENTLY | Solids in fluid pumped fluid too large. Pumped fluid too thick. | Consult pump performance curve for solids handling. Install strainer as necessary. Dilute fluid being pumped if possible. |
| EXCESSIVE NOISE | Cavitation in pump. Pump or drive not securely mounted. Pump clogged or damaged. | Reduce suction lift and/or friction losses in suction line. Record vacuum and pressure gauge readings and consult local representative or factory. Secure mounting hardware. Clean out debris; replace damaged parts. |
| CONTROL PANEL TROU BLE CODESENGINE SHUTDOWN REFERENCE OPERA TIONAL CHECKS IN THIS MANUAL | “Oil Tank Temp” – Temperature too high in the hydraulic oil tank. “Oil Tank Level” – Hydraulic oil level too low in tank. “Pump Oil Pressure” – The pressure on the back side of the pistons is too high. | Temperature too high in the hydraulic oil tank. Allow to cool before attempting to restart engine. Check for leaks and refill tank as required with recommended hydraulic oil. Check white braided line between pump cylinders for evidence of the pumped fluid. Replace piston seals as necessary. May require being sent to Gorman-Rupp for repairs. |
PREVENTIVE MAINTENANCE
Since pump applications are seldom identical, and pump wear is directly affected by such things as the abrasive qualities, pressure and temperature of the liquid being pumped, this section is intended only to provide general recommendations and practices for preventive maintenance. Regardless of the application however, following a routine preventive maintenance schedule will help assure trouble‐free performance and long life from your Gorman‐Rupp pump. For specific questions concerning your application, contact your Gorman‐ Rupp distributor or the Gorman‐Rupp Company. Record keeping is an essential component of a good preventive maintenance program. Changes in suction and discharge gauge readings (if so equipped) between regularly scheduled inspections can indicate problems that can be corrected before system damage or catastrophic failure oc curs. The appearance of wearing parts should also be documented at each inspection for comparison as well. Also, if records indicate that a certain part (such as the seal) fails at approximately the same duty cycle, the part can be checked and replaced before failure occurs, reducing unscheduled down time.
For new applications, a first inspection of wearing parts at 250 hours will give insight into the wear rate for your particular application. Subsequent inspections should be performed at the intervals shown on the chart below. Critical applications should be inspected more frequently.
| Preventive Maintenance Schedule (Tentative Based on Field Tests and Pumped Fluid) | |||||
| Item | Service Interval* | ||||
| Daily | Weekly | Monthly | Semi-Annually | Annually | |
| General Condition (Temperature, Unusual Noises or Vibrations, Cracks, Leaks, Loose Hardware, Etc.) Pump Performance (Gauges, Speed, Flow) Discharge Clean Out Ports Hydraulic Reservoir Oil Level Piston Seal Lubrication Piping or Hoses | I I C I I I | R R | |||
| Schedule Subject to Change Based on Results of Field Testing and Applications Driver Lubrication and Maintenance — See Mfgr’s Literature Hydraulic Pump Maintenance — See Mfgr’s Literature Legend: I = Inspect, Clean, Adjust, Repair or Replace as Necessary C = Clean R = Replace * Service interval based on an intermittent duty cycle equal to approximately 4000 hours annually. Adjust schedule as required for lower or higher duty cycles or extreme operating conditions. | |||||
PUMP MAINTENANCE AND REPAIR – SECTION E
MAINTENANCE AND REPAIR OF THE WEARING PARTS OF THE PUMP WILL MAINTAIN PEAK OPERATING PERFORMANCE.
* STANDARD PERFORMANCE FOR PUMP MODEL HSK4A-KDI1903TCR FT4
* Based on 70°F (21°C) clear water at sea level with minimum suction lift. Since pump installations are seldom identical, your performance may be different due to such factors as viscosity, specific gravity, elevation and temperature.
If your pump serial number is followed by an “N”, your pump is NOT a standard production model.
Contact the Gorman‐Rupp Company to verify performance or part numbers.
CAUTION Pump speed and operating condition points must be within the continuous performance range shown on the curve.
ILLUSTRATION
Figure 1. Pump Model HSK4A-KDI1903TCR FT4
Pump Model HSK4A-KDI1903TCR FT4
PARTS LIST
(From S/N 1691117 Up)
If your pump serial number is followed by an “N”, your pump is NOT a standard production model. Contact the Gorman‐Rupp Company to verify performance or part numbers.
| ITEM NO. | PART NAME | PART NUMBER | QTY |
| 1 | PUMP MODEL SUB ASSY | 46142-515 | 1 |
| 2 | PUMP END ASSY | HSK4A | 1 |
| 3 | WHEEL KIT | GRP30-303 | 1 |
| 4 | RESERVOIR TO PUMP END HOSE KIT | 48263-014 | 1 |
| 5 | RESERVOIR TO PUMP END HOSE KIT | 48263-015 | 1 |
| 6 | CASE DRAIN DETACH HOSE KIT | 48263-016 | 1 |
| 7 | HEX HEAD CAP SCREW | B0807 15991 | 4 |
| 8 | FLAT WASHER | KE08 15991 | 8 |
| 9 | LOCK WASHER | J08 15991 | 4 |
| 10 | HEX NUT | D08 15991 | 4 |
NOT SHOWN
| CAUTION DECAL | 38816-169 | 1 |
| G-R DECAL 6 IN | GR-06 | 4 |
| INSTRUCTION DECAL | 38818-168 | 1 |
| BATTERY 12V | 29331-524 | REF |
* INDICATES PARTS RECOMMENDED FOR STOCK
ILLUSTRATION
Figure 2. Pump Sub Assembly
PARTS LIST
Pump Sub Assembly
| ITEM NO. | PART NAME | PART NUMBER | QTY |
| 1 | KOHLER KDI1903TCR-26A | 29226-421 | 1 |
| 2 | COOLER TO RES HOSE KIT | 48263-010 | 1 |
| 3 | BASE / FUEL TANK ASSY | 41553-073 24150 | 1 |
| 4 | FILTER TO HOSE KIT | 48263-009 | 1 |
| 5 | PIPE CAP | V08 15079 | 1 |
| 6 | PIPE CPLG 1/2 | AE08 15079 | 1 |
| 7 | HOSE BARB FITTING | 26523-391 | 1 |
| 8 | HOSE .62 ID X 21.00 LG | 18513-042 | 1 |
| 9 | HEX NUT | D10 15991 | 4 |
| 10 | LOCK WASHER | J10 15991 | 4 |
| 11 | FLAT WASHER | K10 15991 | 8 |
| 12 | HEX HEAD CAP SCREW | B1007 15991 | 4 |
| 13 | CONTROL PANEL INST KIT | 48122-581 | 1 |
| 14 | CABLE WRAP X 42.00 LG | 18763-024 | 1 |
| 15 | CABLE WRAP X 33.00 LG | 18763-026 | 1 |
| 16 | FUEL PICKUP | 29332-145 | 2 |
| 17 | CONNECTOR | S1447 | 2 |
| 18 | HOSE END | 26523-016 | 2 |
| 19 | HOSE CLAMP | 26518-641 | 4 |
| 20 | HOSE .31 ID X 30.00 LG | 18513-053 | 1 |
| 21 | FUEL CAP | 29332-111 | 1 |
| 22 | HOSE .31 ID X 50.00 LG | 18513-053 | 1 |
| 23 | WIRE HARNESS | 47363-002 | 1 |
| 24 | FUEL GAUGE | 29332-173 | 1 |
| 25 | HOSE BARB FITTING | 26523-389 | 2 |
| 26 | HOSE .38 ID X 27.00 LG | 18513-054 | 1 |
| 27 | HEX HEAD CAP SCREW | B0605 15991 | 18 |
| 28 | FLAT WASHER | K06 15991 | 6 |
| 29 | CLAMP W/CUSHION | 27111-347 | 2 |
| 30 | LOCK WASHER | J06 15991 | 18 |
| 31 | HEX NUT | D06 15991 | 6 |
| 32 | CABLE WRAP X 90.00 LG | 18763-024 | 1 |
| 33 | ORIFICE BLOCK | 33291-015 15000 | 1 |
| 34 | CABLE TIE | 27111-218 | 2 |
| 35 | HOSE BARB FITTING | 26523-447 | 2 |
| 36 | AIR VENT | S1703 | 2 |
| 37 | HYD PUMP HOSE KIT | 48263-013 | 1 |
| 38 | PUMP REGULATOR HOSE KIT | 48263-012 | 1 |
| 39 | HYDRAULIC RES CONV KIT | 26832-857 | 1 |
| 40 | LIFT BAIL KIT | 44715-078 | 1 |
| 41 | HOSE .38 ID X 27.00 LG | 18513-054 | 1 |
| 42 | RES TO HYD PUMP HOSE KIT | 48263-017 | 1 |
| 43 | BATTERY BOX ENCLOSURE | 42432-017 | 1 |
| 44 | CASE DRAIN HOSE KIT | 48263-011 | 1 |
| 45 | HOSE CLAMP | 26518-666 2 | 2 |
| 46 | BATTERY 12V | 29331-524 | 1 |
| 47 | 1/0 POS. CABLE ASSEMBLY | 47311-106 | 1 |
| 48 | 1/0 NEG. CABLE ASSEMBLY | 47311-136 | 1 |
| 49 | MACH BOLT | A0506 15991 | 2 |
| 50 | HEX NUT | D05 15991 | 2 |
| 51 | RING TERM | 27214-538 | 1 |
| 52 | RING TERM | 27214-527 | 1 |
| 53 | SOC HD CAP SCREW | BD0504 15990 | 8 |
| 54 | LOCK WASHER | J05 15991 | 8 |
| 55 | PAN HD MACH SCREW | CJ#10-04S 15991 | 5 |
| 56 | CABLE WRAP X 72.00 LG | 18763-024 | 6 |
NOT SHOWN
| WARNING DECAL | 38817-101 | 2 |
| ULTRA LOW SULFUR DECAL | 38816-196 | 1 |
| WARNING DECAL | 2613FE | 1 |
| ENGINE START-UP TAG | 38816-269 | 1 |
| ENGINE OPERATING DECAL | 38816-347 | 1 |
| INSTRUCTION DECAL | 38818-171 | 1 |
* INDICATES PARTS RECOMMENDED FOR STOCK
ILLUSTRATION
Figure 3. Pump Sub Assembly (Cont’d)
PARTS LIST
Pump Sub Assembly
| ITEM NO. | PART NAME | PART NUMBER | QTY |
| 1 | KOHLER KDI1903TCR-26A | 29226-421 | 1 |
| 2 | COOLER TO RES HOSE KIT | 48263-010 | 1 |
| 3 | BASE / FUEL TANK ASSY | 41553-073 24150 | 1 |
| 4 | FILTER TO HOSE KIT | 48263-009 | 1 |
| 5 | PIPE CAP | V08 15079 | 1 |
| 6 | PIPE CPLG 1/2 | AE08 15079 | 1 |
| 7 | HOSE BARB FITTING | 26523-391 | 1 |
| 8 | HOSE .62 ID X 21.00 LG | 18513-042 | 1 |
| 9 | HEX NUT | D10 15991 | 4 |
| 10 | LOCK WASHER | J10 15991 | 4 |
| 11 | FLAT WASHER | K10 15991 | 8 |
| 12 | HEX HEAD CAP SCREW | B1007 15991 | 4 |
| 13 | CONTROL PANEL INST KIT | 48122-581 | 1 |
| 14 | CABLE WRAP X 42.00 LG | 18763-024 | 1 |
| 15 | CABLE WRAP X 33.00 LG | 18763-026 | 1 |
| 16 | FUEL PICKUP | 29332-145 | 2 |
| 17 | CONNECTOR | S1447 2 | 2 |
| 18 | HOSE END | 26523-016 | 2 |
| 19 | HOSE CLAMP | 26518-641 | 4 |
| 20 | HOSE .31 ID X 30.00 LG | 18513-053 | 1 |
| 21 | FUEL CAP | 29332-111 | 1 |
| 22 | HOSE .31 ID X 50.00 LG | 18513-053 | 1 |
| 23 | WIRE HARNESS | 47363-002 | 1 |
| 24 | FUEL GAUGE | 29332-173 | 1 |
| 25 | HOSE BARB FITTING | 26523-389 | 2 |
| 26 | HOSE .38 ID X 27.00 LG | 18513-054 | 1 |
| 27 | HEX HEAD CAP SCREW | B0605 15991 | 18 |
| 28 | FLAT WASHER | K06 15991 | 6 |
| 29 | CLAMP W/CUSHION | 27111-347 | 2 |
| 30 | LOCK WASHER | J06 15991 | 18 |
| 31 | HEX NUT | D06 15991 | 6 |
| 32 | CABLE WRAP X 90.00 LG | 18763-024 | 1 |
| 33 | ORIFICE BLOCK | 33291-015 15000 | 1 |
| 34 | CABLE TIE | 27111-218 | 2 |
| 35 | HOSE BARB FITTING | 26523-447 | 2 |
| 36 | AIR VENT | S1703 | 2 |
| 37 | HYD PUMP HOSE KIT | 48263-013 | 1 |
| 38 | PUMP REGULATOR HOSE KIT | 48263-012 | 1 |
| 39 | HYDRAULIC RES CONV KIT | 26832-857 | 1 |
| 40 | LIFT BAIL KIT | 44715-078 | 1 |
| 41 | HOSE .38 ID X 27.00 LG | 18513-054 | 1 |
| 42 | RES TO HYD PUMP HOSE KIT | 48263-017 | 1 |
| 43 | BATTERY BOX ENCLOSURE | 42432-017 | 1 |
| 44 | CASE DRAIN HOSE KIT | 48263-011 | 1 |
| 45 | HOSE CLAMP | 26518-666 | 2 |
| 46 | BATTERY 12V | 29331-524 | 1 |
| 47 | 1/0 POS. CABLE ASSEMBLY | 47311-106 | 1 |
| 48 | 1/0 NEG. CABLE ASSEMBLY | 47311-136 | 1 |
| 49 | MACH BOLT | A0506 15991 | 2 |
| 50 | HEX NUT | D05 15991 | 2 |
| 51 | RING TERM | 27214-538 | 1 |
| 52 | RING TERM | 27214-527 | 1 |
| 53 | SOC HD CAP SCREW | BD0504 15990 | 8 |
| 54 | LOCK WASHER | J05 15991 | 8 |
| 55 | PAN HD MACH SCREW | CJ#10-04S 15991 | 5 |
| 56 | CABLE WRAP X 72.00 LG | 18763-024 | 6 |
NOT SHOWN
| WARNING DECAL | 38817-101 | 2 |
| ULTRA LOW SULFUR DECAL | 38816-196 | 1 |
| WARNING DECAL | 2613FE | 1 |
| ENGINE START-UP TAG | 38816-269 | 1 |
| ENGINE OPERATING DECAL | 38816-347 | 1 |
| INSTRUCTION DECAL | 38818-171 | 1 |
* INDICATES PARTS RECOMMENDED FOR STOCK
ILLUSTRATION
Figure 4. Pump End Assembly HSK4A
PARTS LIST
Pump End Assembly HSK4A
| ITEM NO. | PART NAME | PART NUMBER | QTY |
| 1 | PUMP END SUBASSEMBLY | 46164-001 | 1 |
| 2 | LEG | 34778-048 15080 | 4 |
| 3 | HEX HEAD CAP SCREW | B1006 15991 | 8 |
| 4 | LOCK WASHER | J10 15991 | 12 |
| 5 | WASHER SAE 5/8 | 21161-442 | 12 |
| 6 | GUARD ASSEMBLY | 42381-150 24150 | 1 |
| 7 | HEX HEAD CAP SCREW | B0603 15991 | 4 |
| 8 | LOCK WASHER | J06 15991 | 4 |
| 9 | FLAT WASHER | K06 15991 | 4 |
| 10 | NAMEPLATE | 38819-004 13000 | 1 |
| 11 | DRIVE SCREW | BM#04-03 17000 | 4 |
| 12 | DISCH SUPPORT BRACKET | 33659-173 15080 | 2 |
| 13 | HEX HEAD CAP SCREW | B1008 15991 | 4 |
| 14 | HEX HEAD CAP SCREW | B0807 15991 | 4 |
| 15 | FLAT WASHER | KE08 15991 | 20 |
| 16 | LOCK WASHER | J08 15991 | 6 |
| 17 | HEX NUT | D08 15991 | 6 |
| 18 | PALLET | 41583-954 24150 | 1 |
| 19 | HEX HEAD CAP SCREW | B0806 15991 | 2 |
| 20 | SUCTION BRACKET | 34124-051 15080 | 1 |
| 21 | BRACKET ASSEMBLY | 41888-481 24150 | 1 |
| 22 | VICTAULIC COUPLING | S1433 | 25 |
| 23 | VICTAULIC 4″ TEE | 25553-031 | 3 |
| 24 | SUCTION NIPPLE ASSY | 46311-019 | 1 |
| 25 | 4″ NPT FLANGE | 1756 10010 | 2 |
| 26 | PIPE PLUG | P08 15079 | 2 |
| 27 | 4″ PIPE NIPPLE | 31781-011 15070 | 2 |
| 28 | 4″ PIPE U-BOLT | 21751-032 | 4 |
| 29 | SOLID SADDLE | 33643-299 15000 | 2 |
| 30 | 4″ VICTAULIC 90° ELBOW | 25553-131 | 4 |
| 31 | 4″ PIPE NIPPLE | 31771-009 15070 | 2 |
| 32 | O-RING | 25154-154 | 4 |
| 33 | BALL SEAT | 31771-008 17060 | 4 |
| 34 | BALL | 26687-051 | 4 |
| 35 | VALVE TEE | 38648-010 11010 | 4 |
| 36 | 4″ VICTAULIC 45° ELBOW | 25553-101 | 2 |
| 37 | DISCHARGE HEADER PIPE | 46311-018 | 1 |
| 38 | VICT THREADED TEE 4″ | 25686-001 | 1 |
| 39 | 4″ PIPE NIPPLE | 31781-012 15070 | 1 |
| 40 | STREET ELBOW | T0816 15070 | 2 |
| 41 | PIPE NIPPLE | T0812 15079 | 1 |
| 42 | BALL VALVE | 26631-114 | 3 |
| 43 | CLEAN OUT COVER | 25553-001 | 2 |
| 44 | SERVICE TEE | US08 11999 | 1 |
| 45 | 20 PSI PRESSURE SWITCH | 27475-131 | 1 |
NOT SHOWN
| SUCTION STICKER | 6588AG | 1 |
| DISCHARGE STICKER | 6588BJ | 1 |
| WARNING DECAL | 38816-276 | 3 |
| G-R DECAL | GR-03 | 1 |
* INDICATES PARTS RECOMMENDED FOR STOCK
ILLUSTRATION
Figure 5. Pump End Assembly HSK4A (Cont’d)
PARTS LIST
Pump End Assembly HSK4A
| ITEM NO. | PART NAME | PART NUMBER | QTY |
| 1 | PUMP END SUBASSEMBLY | 46164-001 | 1 |
| 2 | LEG | 34778-048 15080 | 4 |
| 3 | HEX HEAD CAP SCREW | B1006 15991 | 8 |
| 4 | LOCK WASHER | J10 15991 | 12 |
| 5 | WASHER SAE 5/8 | 21161-442 | 12 |
| 6 | GUARD ASSEMBLY | 42381-150 24150 | 1 |
| 7 | HEX HEAD CAP SCREW | B0603 15991 | 4 |
| 8 | LOCK WASHER | J06 15991 | 4 |
| 9 | FLAT WASHER | K06 15991 | 4 |
| 10 | NAMEPLATE | 38819-004 13000 | 1 |
| 11 | DRIVE SCREW | BM#04-03 17000 | 4 |
| 12 | DISCH SUPPORT BRACKET | 33659-173 15080 | 2 |
| 13 | HEX HEAD CAP SCREW | B1008 15991 | 4 |
| 14 | HEX HEAD CAP SCREW | B0807 15991 | 4 |
| 15 | FLAT WASHER | KE08 15991 | 20 |
| 16 | LOCK WASHER | J08 15991 | 6 |
| 17 | HEX NUT | D08 15991 | 6 |
| 18 | PALLET | 41583-954 24150 | 1 |
| 19 | HEX HEAD CAP SCREW | B0806 15991 | 2 |
| 20 | SUCTION BRACKET | 34124-051 15080 | 1 |
| 21 | BRACKET ASSEMBLY | 41888-481 24150 | 1 |
| 22 | VICTAULIC COUPLING | S1433 | 25 |
| 23 | VICTAULIC 4″ TEE | 25553-031 | 3 |
| 24 | SUCTION NIPPLE ASSY | 46311-019 | 1 |
| 25 | 4″ NPT FLANGE | 1756 10010 | 2 |
| 26 | PIPE PLUG | P08 15079 | 2 |
| 27 | 4″ PIPE NIPPLE | 31781-011 15070 | 2 |
| 28 | 4″ PIPE U-BOLT | 21751-032 | 4 |
| 29 | SOLID SADDLE | 33643-299 15000 | 2 |
| 30 | 4″ VICTAULIC 90° ELBOW | 25553-131 | 4 |
| 31 | 4″ PIPE NIPPLE | 31771-009 15070 | 2 |
| 32 | O-RING | 25154-154 | 4 |
| 33 | BALL SEAT | 31771-008 17060 | 4 |
| 34 | BALL | 26687-051 | 4 |
| 35 | VALVE TEE | 38648-010 11010 | 4 |
| 36 | 4″ VICTAULIC 45° ELBOW | 25553-101 | 2 |
| 37 | DISCHARGE HEADER PIPE | 46311-018 | 1 |
| 38 | VICT THREADED TEE 4″ | 25686-001 | 1 |
| 39 | 4″ PIPE NIPPLE | 31781-012 15070 | 1 |
| 40 | STREET ELBOW | T0816 15070 | 2 |
| 41 | PIPE NIPPLE | T0812 15079 | 1 |
| 42 | BALL VALVE | 26631-114 | 3 |
| 43 | CLEAN OUT COVER | 25553-001 | 2 |
| 44 | SERVICE TEE | US08 11999 | 1 |
| 45 | 20 PSI PRESSURE SWITCH | 27475-131 | 1 |
NOT SHOWN
| SUCTION STICKER | 6588AG | 1 |
| DISCHARGE STICKER | 6588BJ | 1 |
| WARNING DECAL | 38816-276 | 3 |
| G-R DECAL | GR-03 | 1 |
* INDICATES PARTS RECOMMENDED FOR STOCK
ILLUSTRATION
Figure 6. Pump End Sub Assembly
PARTS LIST
Pump End Sub Assembly
| ITEM NO. | PART NAME | PART NUMBER | QTY |
| 1 | HYDRAULIC ASSEMBLY | 46148-500 | 1 |
| 2 | PRODUCT CYLINDER | 31771-007 1507X | 2 |
| 3 | PUMP HEAD | 38237-090 11010 | 2 |
| 4 | * | 46164-004 | 2 |
| U-RING | Consult Factory | 2 | |
| WIPER SEAL | Consult Factory | 2 | |
| 5 | TIE ROD | 22131-018 | 8 |
| 6 | HEX SLOTTED NUT | BN18S 15991 | 2 |
| 7 | COTTER PIN | M0208 15001 | 2 |
| 8 | TIE ROD NUT | 22561-108 | 8 |
| 9 | * O-RING | 25154-381 4 | 4 |
| 10 | WASHER SAE 3/4 | 21161-446 | 8 |
| INCLUDED W/PRODUCT PISTON REPAIR ASSY | 46164-004 | 1 |
* INDICATES PARTS RECOMMENDED FOR STOCK
ILLUSTRATION

PARTS LIST
Hydraulic Reservoir Conversion Kit
| ITEM NO. | PART NAME | PART NUMBER | QTY |
| 1 | RESERVOIR | 26832-862 | 1 |
| 2 | FILLER/CAP STRAINER | 26832-863 | 1 |
| 3 | FLANGE HEAD CAPSCREW | 21634-507 | 12 |
| 4 | REDUCER PIPE BUSHING | AP1612 11999 | 1 |
| 5 | .25″ STEEL TUBING | 26832-840 | 1 |
| 6 | .75 HEX NIPPLE | 26832-844 | 1 |
| 7 | RELIEF VALVE ASSEMBLY | 26832-842 | 1 |
| 8 | .25″. 90 SQ TUBE FITTING | 26832-841 | 1 |
| 9 | STREET ELBOW | RS16 11999 | 1 |
| 10 | OIL DROP TUBE | 26832-854 | 1 |
| 11 | COLD OIL BY-PASS VALVE | 26832-853 | 1 |
| 12 | DRAIN PLUG | P08 15079 | 2 |
| 13 | PIPE NIPPLE | T1636 15079 | 1 |
| 14 | P12 DRAIN PLUG | P12 15079 | 1 |
| 15 | HEX NIPPLE | 26832-858 | 1 |
| 16 | SUCTION STRAINER | 26832-806 | 1 |
| 17 | PIPE NIPPLE | T32 15079 | 1 |
| 18 | REDUCER PIPE BUSHING | AP3224 11999 | 1 |
| 19* | RETURN FILTER CARTRIDGE | 26832-814 | 1 |
| 20 | RETURN FILTER ASSY | 26832-813 | 1 |
| 21 | DIRT INDICATOR GAUGE | 26832-815 | 1 |
| 22 | PIPE PLUG | P16 10009 | 1 |
| 23 | PUMP DRIVE ASSEMBLY | 26832-861 | 1 |
| 24 | HYDRAULIC PUMP | 26832-856 | 1 |
| 25 | LEVEL SENSOR | 26832-859 | 1 |
| 26 | TEMPERATURE SENSOR | 26832-860 | 1 |
| 27 | PIPE PLUG | P02 15079 | 1 |
| 28 | OIL DROP TUBE | 26832-845 | 1 |
| 29 | STREET ELBOW | RS12 11999 | 1 |
| 30 | CONTROL VALVE ASSY | 26832-821 | 1 |
| 31 | RELIEF VALVE (CARTRIDGE) | 26832-843 | 1 |
| 32 | .25″, TUBE FITTING | 26832-839 | 1 |
| 33 | RESERVOIR GASKET | 26832-819 | 1 |
| 34 | SIGHT/LEVEL TEMP GAUGE | 26832-835 | 1 |
* INDICATES PARTS RECOMMENDED FOR STOCK
MAINTENANCE INSTRUCTIONS
Review all SAFETY information in Section A.
Follow the instructions on all tags, label and de cals attached to the pump.
This pump requires little service due to its rugged, minimum‐maintenance design. However, if it be comes necessary to inspect or replace the wearing parts, follow these instructions which are keyed to the Illustrations (see Figures 1 through and 7) and the corresponding Parts Lists. Maintenance and repair instructions for the engine, the hydraulic reservoir kit and the hydraulic pump are covered separately in the specific literature supplied by the manufacturers.
Before attempting to service the pump, shut down the engine and take precautions to ensure that it will remain inoperative. Close all valves in the suction and discharge lines. Release pressure from the hydraulic system and ensure that pressure is released from the pump end assembly by slowly opening the relief valves on both ends (42, Figure 5).
WARNINGT ![]()
This manual will alert personnel to known procedures which require special attention, to those which could damage equipment, and to those which could be dangerous to personnel. How ever, this manual cannot possibly anticipate and provide detailed instructions and precautions for every situation that might occur during maintenance of the unit. Therefore, it is the responsibility of the owner/maintenance personnel to ensure that only safe, established main tenance procedures are used, and that any procedures not addressed in this manual are performed only after establishing that neither personal safety nor pump integrity are compromised by such practices.
WARNINGT ![]()
Before attempting to disconnect or service the hydraulic power source or pump:
- Familiarize yourself with this manual.
- Shut down the engine and disconnect the positive battery cable to ensure that the hydraulic power source and pump will remain inoperative.
- Allow the hydraulic oil and pump to cool completely.
- Use the hydraulic control (H.C.) valve to ensure that all hydraulic pressure is released from the system.
- Check the temperature before opening any covers, plates, or plugs.
- Vent the pump slowly and cautiously using ½” ball valves sup plied..
- Drain the pump.
WARNINGT ![]()
Before attempting to install, operate, or service the power unit, familiarize your self with this manual, and with all other literature shipped with the power unit and/or pump. Unfamiliarity with all as pacts of operation or maintenance could lead to destruction of equipment, injury or death to personnel.
WARNINGT ![]()
This pump is designed to pump materials which could cause serious illness or injury through direct exposure or emit ted fumes. Wear protective clothing, such as rubber gloves, face mask and rubber apron, as necessary, before disconnecting or servicing the pump or piping.
CAUTION
Use Only Genuine Gorman-Rupp replacement parts. Failure to do so may create a hazard and damage the pump or diminish optimal pump performance. Any such hazard, damage or diminished performance is not covered by the warranty.
NOTE
When appropriate recycling facilities are available, the user should recycle components and fluids when doing any routine maintenance / repairs and also at the end of the pump’s useful life. All other components and fluids shall be disposed of according to all applicable codes and regulations.
Engine
Maintain the engine as indicated in the manufacturer’s manual provided with engine.
Hydraulic Pump
Maintain the hydraulic pump and system as indicated in the manufacturer’s manual provided with unit. For additional information, contact Gorman Rupp.
CAUTION
When installing a new or rebuilt hydraulic pump, always fill the pump with hydraulic fluid before connecting the discharge hose. Momentary operation of a dry pump can cause serious damage to the pump.
Hydraulic Oil
Gorman‐Rupp recommends the use of one of the industrial antibear hydraulic oils listed below. The oil should have a minimum viscosity of 33.0 Centistokes @ 104ºF (40ºC). Oils meeting these requirements are:
- Phillips 66 Megaflop AW Hydraulic Oil or Equivalent
- Chevron Rando HD or Equivalent
- Shell Tellus S2 MX or Equivalent.
- Mobil DTE 20 Series or Equivalent
Suction Strainer/Hydraulic Reservoir
The suction strainer is mounted inside the hydraulic oil reservoir. Remove and clean the strainer when cleaning the reservoir (every 2000 hours).
Relief Valve
- The relief valve is mounted inside the reservoir and is the “remote vent” type.
- The relief valve is energized by the hydraulic control valve and circulates oil back to the reservoir when it is de‐energized or subjected to pressures over the factory‐set maximum system pressure. To prevent damage to hydraulic components in the system, do not at tempt to change the valve setting above the factory‐set pressure.
- The relief valve pressure can be tested (up to the PSI setting of the hydraulic pump) by energizing the power unit without being connect ed to the hydraulic driven sludge pump.
- If the relief valve is suspected to be faulty and cannot be adjusted or cleaned to correct the problem, consult Gorman-Rupp.
Control Valve
- The control valve is mounted on the side of the reservoir beside the sight glass.
- The function of the control valve is to energize the relief valve by closing off the vent port, which in turn creates pressure in the hydraulic system.
- The control valve should be practically main tenance free.
- Check all system components regularly for leaks. When checking the relief valve, check the control valve and tubing. Replace the valve, and repair or replace tubing, fittings, oil cooler or any other components at the first sign of leakage.
Fill Cap and Strainer
- The fill cap is mounted on top of the reservoir and is used to vent air in and out of the reservoir. It is equipped with a strainer to prevent debris from entering the reservoir when filling. Check and clean the strainer periodically. Do not attempt to defeat the purpose of this strainer by enlarging the holes.
Return Line Filter
- The return line filter is located on the engine side of the oil reservoir. The cartridge is the “spin on” type. Change the filter cartridge every 500 hours or, on units so equipped, when the needle indicator on the side of the filter is above 40 PSI (2,8 kg/cm²).
- The filter cartridge must be replaced when changing hydraulic oil in the reservoir.
- If the hydraulic oil becomes emulsified or visibly dirty, change the oil and filter regardless of the service interval or indicator reading.
- When replacing the filter, use only the exact replacement cartridge with 10 micron filtra tion.
Reservoir
- The hydraulic oil reservoir is designed for maximum cooling characteristics and ease of maintenance. Change the oil in the reservoir after every 1000 hours of running time for maximum component life.
- Drain and clean the reservoir every 2000 hours. The reservoir drain is located at the lower front of the reservoir.
- The reservoir capacity is 45 U.S. gallons (170 liters).
CAUTION
If the hydraulic reservoir is removed, re placed or disassembled, make sure the quick disconnect hose fittings are properly reinstalled. Install the female fitting on the pressurized side of the tank. Incorrect in stellation of these fittings can result in poor performance and/or severe damage to the hydraulic pump. - Use caution when filling or making hose connections to keep dirt from entering the hydraulic system.
Oil Cooler
- Your hydraulic power unit is equipped with an engine‐mounted air/oil cooler to cool the hydraulic oil. Be sure the cooling fins are kept clean so air can circulate freely through it.
- If any signs of oil leakage are visible, repair or replace the cooler immediately.
PUMP DISASSEMBLY AND REASSEMBLY
Clean Out Cover Removal
(Figure 5)
- Your hydraulic driven sludge pump is equipped with clean out covers (43) on the discharge header (both sides) to aid in removing materials that settle, harden of get stuck in the unit.
WARNINGT 
Do not remove plates, covers, gauges, pipe plugs, or fittings from an overheat ed pump. Vapor pressure within the pump can cause parts being disengaged to be ejected with great force. Al low the pump to completely cool before servicing. - If continued flushing and cleaning does not re move all residue, or objects become lodged in the pump cylinders, it may be necessary to re move the sludge pump’s clean out covers.
- Review all the safety information in section A of this manual and all warnings found in this manual section. Ensure that pressure has been completely released from the hydraulic system and sludge pump and that the system will remain inoperative.
- Once pressure has been released from the hydraulic system and pump, carefully remove the coupling holding the clean out cover in place.
- Cautiously use a tool to free obstruction or scrape residue from the inside of the clean out to avoid putting hands or arms inside of opening or cylinder.
- Once obstructions have been cleared, replace clean out cover and coupling. Make certain the coupling and cap are tightly fastened to avoid leaking or the clean out cover dislodging under pressure from pump operation. This can be achieved by first hand tightening the coupling nuts. Next snug the nuts by alternating be tween them as you tighten. Lastly, firmly tighten the coupling nuts to ensure the seal is not pinched.
Discharge and Suction Assembly Removal (Figure 5)
It may become necessary to remove more of the discharge or suction piping in order to dislodge materials causing a clog. This should only be done after the above steps have been followed to remove the clean out covers (43) on both ends. This can be achieved by removing the Victaulic couplings (22) holding the valve tee (35) in place, allowing access to the ball (34). Removing the ball seat (33) and o-ring (32) should allow for clearing a clog in the elbow (30). Additional discharge or suction piping components can be removed as necessary to remove debris and unclog the pump.
It may become necessary to remove the remaining discharge or suction header assembly components in order to further clean the piping or complete repairs. This can be achieved by removing the unbolts (28) holding the piping (27, or 39) to the support brackets (12, or 2).
Pump End Assembly Removal
(Figure 1)
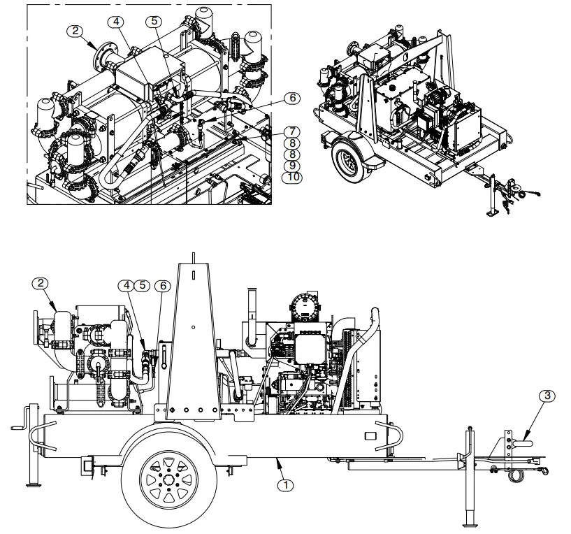
It is recommended that before any additional breakdown of the pump end (2) occurs, it is dis mounted from the base/wheel kit (3) and moved to a clean work area with the appropriate tools avail able. Before removing the mounting hardware, be sure to support the pump end so that it will not be able to move until it is lifted. Remove the connections to the pump end hose kits to the hydraulic reservoir (4 and 5) leaving them attached to the hydraulic reservoir. Remove any additional connections between the pump end and rest of the unit such as wiring to sensors or remaining hydraulic hoses (6). To remove the pump end, locate and remove the hardware (7, 8, 9 and 10). Carefully lift the unit off of the wheel kit to avoid damaging the pump end or other components of the pump model.
WARNINGT ![]()
Death or serious personal injury and damage to the pump or components can occur if proper lifting procedures are not observed. Make certain that hoists, chains, slings or cables are in good working condition and of sufficient capacity and that they are positioned so that loads will be balanced and the pump or components will not be damaged when lifting. Suction and dis charge hoses and piping must be re moved from the pump before lifting. Lift the pump or component only as high as necessary and keep personnel away from suspended objects.
Pump End Disassembly
(Figures 4 and 5)
The following procedures will be used when it is necessary to replace or repair internal components of the pump end such as the product piston assembly (4 figure 6). In order to separate the pump heads (3 figure 6) from the product cylinders (2 figure 6) it is necessary to remove the pump sub assembly (1) from the frame components holding it. This can be done by supporting the pump sub assembly while removing the mounting hardware (4, 5 and 13) from the discharge support brackets (12). Remove the mounting hardware (3, 4 and 5) attached through the mounting legs (2). It may also be necessary to loosen the hardware (14, 15, 16 and 17) on the corners attaching the mounting legs (2) prior to lifting the pump end sub assembly (1).
Pump End Sub Assembly Disassembly
(Figure 6)
With the pump end sub assembly removed, lay it flat on a clean work table or surface. To repair or re place internal components, access may be gained by separating the pump head (3) from the product cylinder (2). Remove the hardware (8 and 10) se curing the tie rod (5) to the pump head (3). Slide the pump head (3) over the ends for the tie rods (5). It is recommended that the 0-ring (9) be replaced anytime it is necessary to remove the pump head (3). Remove the cotter pin (7) from the slotted hex nut (6). Remove the hex nut (6) from the shaft. This should allow the product cylinder (2) to be re moved with the product piston (4) still in place. It is recommended that the o-ring (9) be replaced any time the product cylinder (2) is removed from the hydraulic assembly (1).
If there is a necessity to repair or replace components on or within the hydraulic assembly (1) consult the factory additional information and parts.
With the product cylinder (2) removed it is now possible to press the product piston (4) out to examine, clean or replace as necessary.
Pump End Sub Assembly Reassembly
(Figure 6)
Clean the inside of the product cylinder (2) and the product piston assembly (4) with a soft cloth soaked in cleaning solvent. Inspect the parts for wear or damage and replace as necessary. Ensure that the u-ring and the wiper seal installed in the product piston assembly are clean and free of wear or damage. Dry the components with filtered com pressed air and coat the inside of the product cylinder (2) with light oil prior to pressing components together.
WARNINGT ![]()
Most cleaning solvents are toxic and flammable. Use them only in a well ventilated area free from excessive heat, sparks, and flame. Read and follow all precautions printed on solvent containers.
Stand the product cylinder (2) on end inside a press, using caution not to damage the edges. Line up the product piston assembly (4) with the opening on the cylinder (2). Use the press to push the piston (4) into the cylinder (2). Place an o-ring (9) on both ends of the product cylinder (2) in the o-ring grooves as shown in detail B and detail C on figure 6.
Lift the product cylinder (2) containing the product piston (4) into place using a strap or other suitable lifting device. Is will be installed into the hydraulic assembly bulkhead between the 4 tie rods (5). Be fore installing the o-ring end into place, ensure the orientation of the cylinder (2) is correct. As shown in figure 6 with the cutout side of the piston (4) facing towards the hydraulic assembly (1). It is also critical to keep the piston (4) centered on the shaft as it is installed. Slide the cylinder (2) back towards the hydraulic assembly (1) until the piston is on the shaft. From the end, it is now possible to push the cylinder (2) back into the opening in the hydraulic assembly (1) until it seals with the o-ring (9). It may be necessary to coat the inside of the cylinder with a small amount of light out to complete this step.
To finish the installation of the product piston assembly (4), install the slotted hex nut (6) and cotter pin (7) to the shaft of the hydraulic assembly (1). This should be done using Loctite 243™ on the threads. The nut (6) should be torqued to 150 ftlbs before securing with the cotter pin (7). It will be necessary to hold in place the tightened nut (6) on the opposite end of the shaft for the final torqueing of both ends.
To install the pump head (3) first ensure the o-ring (9) is seated into the groove on the product cylinder (2). Line up the 4 holes of the pump head (3) with the tie rods (5) oriented as shown in figure 6. Install the hardware (8 and 10) hand tight for all 4 using never seize or similar product. Push the pump head (3) back over the o-ring until it seats in place. Torque the tie rod nuts to 165 ft-lbs.
Pump End Reassembly
(Figures 4 and 5)
Support the pump sub assembly and position it over the base components. It may be necessary to remove mounting hardware (14, 15, 16 and 17) to line up the pump end sub assembly (1) with the mounting legs (2). Line up the two mounting legs (2) that do not attach to the discharge support brackets (12) and install hardware (3, 4 and 5). Line up the discharge support brackets (12) with the mounting legs (2) and pump end sub assembly (1) and install hardware (4, 5 and 13). Line up the mounting legs (2) with the base components. In stall or tighten hardware (14, 15, 16 and 17) on the corners attaching the mounting legs (2) prior to lifting the pump end sub assembly (1).
With the pump end appropriately supported, lift it into place over top of the wheel kit/base (3 figure 1). Use care not to damage any components.
WARNINGT ![]()
Death or serious personal injury and damage to the pump or components can occur if proper lifting procedures are not observed. Make certain that hoists, chains, slings or cables are in good working condition and of sufficient capacity and that they are positioned so that loads will be balanced and the pump or components will not be damaged when lifting. Suction and dis charge hoses and piping must be re moved from the pump before lifting. Lift the pump or component only as high as necessary and keep personnel away from suspended objects.
Line up the mounting holes on the pump end (2 figure 1) and the wheel kit/base (3 figure 1) and install the hardware (7, 8, 9 and 10 figure 1) to attach the two. The pump end should be oriented so the attachment points for the hydraulics face the hydraulic tank.
Discharge and Suction Assembly Installation
(Figure 5)
Piping components, ball (34) and ball seat (33) should be thoroughly inspected and cleaned to ensure tight connections when reassembled. To in stall the discharge or suction header assembly components, support the piping (27, or 39) in place and install the U-bolts (28) holding the piping (27, or 39) to the support brackets (12, or 2).
Next, the elbows can be installed using the Victaulic couplings (22) to hold the valve tee (35) in place (for discharge header). Make certain the coupling is fastened securely to avoid leaking or dislodging under pressure from pump operation. This can be achieved by first hand tightening the coupling nuts. Next snug the nuts by alternating between them as you tighten. Lastly, firmly tighten the coupling nuts to ensure the seal is not pinched. This procedure should be completed on all Victaulic coupling connections as they are installed. Install the o-ring over the ball seat (33) and into its groove. Install the ball seat (33) and the ball (34) in to one end of the elbow (30). Continue assembling the discharge and suction piping as shown in figure 5, ensuring all couplings (22) are tightened based on this paragraph. The suction header should be installed in the same manner oriented as shown in figure 5.
Reconnect any electrical or hydraulic fittings to the pump end that were removed to dismount the unit from the wheel kit/base. Do not use Teflon® tape when installing hydraulic fittings. It is acceptable to use Teflon® goop.
NOTICE
Do not use Teflon® tape when connecting hydraulic houses. The tape may work its way into the hydraulic system damaging the pump or diminishing its performance.
Clean Out Cover Installation
(Figure 5)
To install clean out covers (43) follow instructions found in step 6 of Clean Out Cover Removal in this section of the manual. Make certain the ball valves (42) are closed prior to operation and return to OPERATION – SECTION C in this manual for further instruction.
For Warranty Information, Please Visit
www.grpumps.com/warranty
or call:
U.S.: 419-755-1280
Canada: 519-631-2870
International: +1-419-755-1352
GORMAN‐RUPP PUMPS


















