LD-MD-UNV30 Magnetic Dimmable Power Supply
Installation Guide
MAGNETIC DIMMABLE POWER SUPPLY
GENERAL
This power supply is to be installed Indoor / Outdoor in accordance with Article 450 of the National Electric code (N.E.C.) . The power supply must be installed in a well-ventilated area free from explosive gases and vapors. Proper operation requires the free flow of air. Only a qualified electrician should install this hardwired power supply.
PRECAUTIONS BEFORE INSTALLING
Check the label and ensure the power supply has the proper input voltage, output voltage and wattage for the job. Check the wire markings to ensure they match the wiring diagram on this instruction sheet.
LOADING
Recommended 20% to 80% loading for optimal performance. May vary with dimmer model.
MOUNTING
Select a suitable location capable of supporting the weight of the power supply. Use the two keyholes provided on the mounting flange.
INPUT CONNECTIONS/GROUNDING
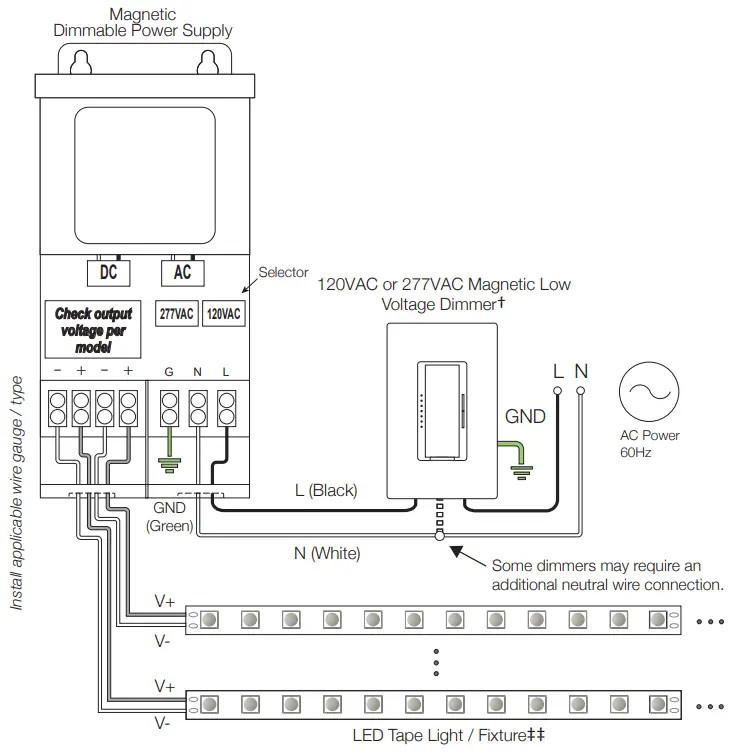
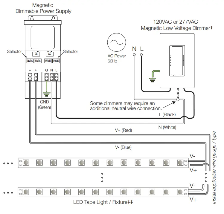
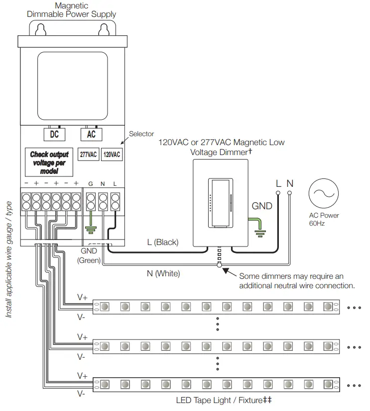
Remove the wiring compartment knockouts and install strain reliefs. With power turned off, route the input wires through a strain relief and connect white wire to “N” terminal block and black wire to “L” terminal block. The power supply case MUST be grounded in accordance with the N.E.C. Connect the “G” terminal to ground.
OUTPUT CONNECTIONS
Bring the 12 or 24 volt DC LED wires through the open knockout and connect the positive (+) side to the (+) terminal block, and negative (-) side to the (-) terminal block.
QUICK SPECS
| Input Voltage | See Product Label. |
| Output Voltage | |
| Maximum Load | |
| Operating Temp | 0 ~ 104°F (-18 ~ +40°C) |
| Environment | Wet Location / Outdoor / NEMA 3R Enclosure |
INPUT VOLTAGE NOTE!
The power supply label will indicate the input voltage: 120VAC or 277VAC. ENSURE to power the power supply with the correct voltage!
INSTALLATION
- TURNING OFF POWER
WARNING: Electric Shock Hazard. May result in serious injury or death.
Turn power OFF at circuit breaker prior to installation.
- INSTALL COMPONENTS

- MOUNT POWER SUPPLY
For proper heat dissipation, mount vertically to a sturdy surface with mounting tab at top and wiring compartment at bottom.
For wet location installations, ensure to mount power supply vertically in a location where water cannot pool or collect.
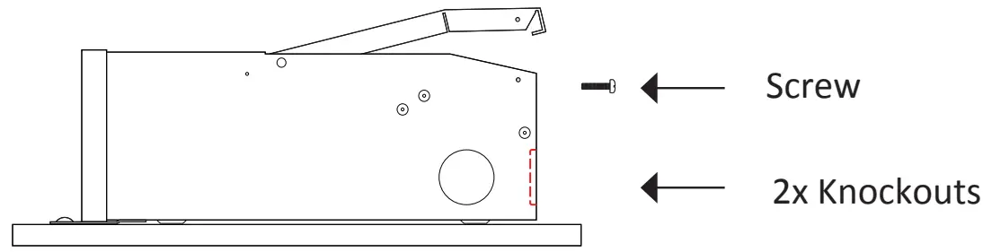
- REMOVE WIRING COVER. WIRE POWER SUPPLY.
Pop off cover to access wiring compartment by removing the screw from the power supply.
Remove knockouts with hammer and punch.
Attach load and control. Only use copper wiring. Refer to ‘System Diagrams’, and dimming control installation guides.
Ensure to install a compatible dimming control listed on the ‘MAGNETIC DIMMABLE POWER SUPPLY Compatibility List. - TURN POWER ON AT CIRCUIT BREAKER
Install Additional Components, Verify Connections and turn main power ON at breaker.
Turn power OFF at circuit breaker and verify all connections.
Review WIRING and TROUBLESHOOTING SYSTEM WORKING IMPROPERLY?
WIRING DIAGRAMS
SINGLE CHANNEL DIAGRAM
The following diagrams are provided as example system designs. Install in accordance with national and local electrical code regulations.
3-CHANNEL DIAGRAM
Be sure to match driver output voltage to load voltage.
Be sure to match driver output voltage to load voltage.
2-CHANNEL DIAGRAM
Be sure to match driver output voltage to load voltage.
Model Output Voltage & Power Selection
| Model | 12V Output | 24V Output | Max Output |
| LD-MD-UNV30 | X | X | 1x30W |
| LD-MD-UNV60 | X | X | 1x60W |
| LD-MD-UNV96-24 | X | 1x96W | |
| LD-MD-UNV150-12 | X | 3x50W | |
| LD-MD-UNV200-24 | X | 2x96W | |
| LD-MD-UNV300-24 | X | 3x96W |
† Install a compatible magnetic low voltage dimmer switch. See dimmer switch manufacturer installation guide for complete wiring instructions.
‡‡ See fixture specifications for maximum series run limits.
| Voltage Drop Chart for 12VDC | Voltage Drop Chart for 24VDC | ||||||||||
| Size Load current in amp (perrun) | Load current in amp (per run) | ||||||||||
| Wire Distance | Distance | 1.25AMP | 2.5AMP | 4.0AMP | 4.16AMP | 5.0AMP | 1.25AMP | 2.5AMP | 4.0AMP | 4.16AMP | 5.0AMP |
| 18AWG | 10ft | 11.84 | 11.68 | 11.49 | 11.47 | 11.36 | 23.84 | 23.68 | 23.49 | 23.47 | 23.36 |
| 25ft | 11.60 | 11.20 | 10.72 | 10.67 | 10.40 | 23.60 | 23.20 | 22.72 | 22.67 | 22.40 | |
| 50ft | 11.20 | 10.40 | 9.44 | 9.34 | 8.80 | 23.20 | 22.40 | 23.49 | 23.47 | 23.36 | |
| 100ft | 10.40 | 8.80 | 6.88 | 6.67 | 5.60 | 22.40 | 20.80 | 18.88 | 18.67 | 17.60 | |
| 200ft | 8.80 | 5.60 | 1.76 | 1.35 | 0.00 | 20.80 | 17.60 | 13.76 | 13.35 | 11.20 | |
| 14AWG | 10ft | 11.94 | 11.87 | 11.80 | 11.79 | 11.75 | 23.94 | 23.87 | 23.80 | 23.79 | 23.75 |
| 25ft | 11.84 | 11.68 | 11.49 | 11.47 | 11.37 | 23.84 | 23.68 | 23.49 | 23.47 | 23.37 | |
| 50ft | 11.68 | 11.37 | 10.99 | 10.95 | 10.74 | 23.68 | 23.37 | 22.99 | 22.95 | 22.74 | |
| 100ft | 11.37 | 10.74 | 9.98 | 9.90 | 9.47 | 23.37 | 22.74 | 21.98 | 21.90 | 21.47 | |
| 200ft | 10.74 | 9.47 | 7.96 | 7.80 | 6.95 | 22.74 | 21.47 | 19.96 | 19.80 | 18.95 | |
| 10ft | 11.96 | 11.92 | 11.87 | 11.87 | 11.84 | 23.96 | 23.92 | 23.87 | 23.87 | 23.84 | |
| 25ft | 11.90 | 11.80 | 11.68 | 11.67 | 11.60 | 23.90 | 23.80 | 23.68 | 23.67 | 23.60 | |
| 50ft | 11.80 | 11.60 | 11.36 | 11.34 | 11.21 | 23.80 | 23.60 | 23.36 | 23.34 | 23.21 | |
| 100ft | 11.60 | 11.21 | 10.73 | 10.68 | 10.41 | 23.60 | 23.21 | 22.73 | 22.68 | 22.41 | |
| 200ft | 11.21 | 10.41 | 9.46 | 9.36 | 8.82 | 23.21 | 22.41 | 21.46 | 21.36 | 20.82 | |
| 12AWG | 10ft | 11.98 | 11.95 | 11.92 | 11.92 | 11.90 | 23.98 | 23.95 | 23.92 | 23.92 | 23.90 |
| 25ft | 11.94 | 11.88 | 11.80 | 11.79 | 11.75 | 23.94 | 23.88 | 23.80 | 23.79 | 23.75 | |
| 50ft | 11.88 | 11.75 | 11.60 | 11.58 | 11.50 | 23.88 | 23.75 | 23.60 | 23.58 | 23.50 | |
| 100ft | 11.75 | 11.50 | 11.20 | 11.17 | 11.00 | 23.75 | 23.50 | 23.20 | 23.17 | 23.00 | |
| 200ft | 11.50 | 11.00 | 10.40 | 10.34 | 10.00 | 23.50 | 23.00 | 22.40 | 22.34 | 22.00 | |
Note: The results are based on an estimation under normal conditions.
TROUBLESHOOTING
Prior to troubleshooting, ensure all items are a compatible system and main power is turned ON.
| Fixture does not illuminate | • See ‘Wiring Diagrams’ and installation guides of all components. Ensure the system is wired correctly and polarities are correct. • Ensure the power supply and fixture have the same voltage specifications (12V &12V or 24V & 24V). |
| Fixture does not dim | • Ensure a compatible constant voltage dimmable fixture is installed. • Ensure a compatible dimming control is installed and wired correctly. See ‘DIMMABLE Compatibility List.’ |
| Different fixture types do not dim in sync | • Different fixture types have different circuit designs and may react differently when dimmed. Ensure each fixture type is installed on a separate dimmable power supply for best performance. |
| Fixture is quickly flashing or flickering | •Verify a compatible dimming control is installed. •Ensure a compatible constant voltage dimmable fixture is installed. • Ensure all connections are properly secured. • Ensure fixture is receiving the correct input voltage. |
| Fixture is slowly flashing | • Ensure power supply is not overloaded. An overloaded power supply will cause the internal auto-reset to trip repeatedly. • Check for overload. |
| Installation Trips Main Breaker | •Check wiring for short circuit. If breaker continues to trip there may be a short in the power supply. Call customer support for a replacement power supply. • Check AFCI for faults. • Check for neutral or ground faults. |
DIMMABLE COMPATIBILITY LIST
| Dimmer | LD-MD-UNV30 Rev.2 | LD-MD-UNV60 Rev.2 | LD-MD-UNV96-24 Rev.2 | LD-MD-UNV150-12 Rev.2 | LD-MD- UNV200-24 Rev.2 | LD-MD-UNV300-24 Rev.2 |
| Lutron Diva DVLV-600P | ||||||
| Lutron Maestro MALV-600 | ||||||
| Lutron Maestro MALV-1000 | ||||||
| Lutron Caseta PD-5NE | ||||||
| Lutron Skylark SLV-600P | ||||||
| Lutron Skylark SF-10P | ||||||
| Lutron Toggler/Ariadni AYLV-600P | ||||||
| Legrand Radiant RHLV703P | ||||||
| Legrand Radiant RH703PTU | ||||||
| Leviton Decora Slide DSM10-1LZ | ||||||
| Leviton IllumaTech IPM06-1LZ |
* Note: The Dimmers listed above were tested with the specified 12/24VDC Magnetic Dimmable Power Supply. Performance of the Dimmers may vary within the same series or with different LED load types. Other dimmers may be compatible. Compatibility List may change without prior notice.
221031 INSTALLATION GUIDE
MAGNETIC DIMMABLE POWER SUPPLY – Rev.2
INSTALLATION GUIDE FOR REV 2 MODELS:
LD-MD-UNV30, LD-MD-UNV60, LD-MD-UNV96-24,
LD-MD-UNV150-12, LD-MD-UNV200-24, LD-MD-UNV300-24![]()



Attach load and control. Only use copper wiring. Refer to ‘System Diagrams’, and dimming control installation guides.



















