MASTER HIRE Mastiff 200 Concrete Scarifiers for Hire

Mastiff 200: Product Information and Usage Instructions
Product Information
The Mastiff 200 is a commercial-grade floor surface grinding machine that can be used for both general purpose and fine grinding. It has a weight of 138kg and dimensions of 1000 x 617 x (Length X Width x Height). The machine is equipped with a 9Hp petrol / 230 Vac / 415 Vac rated motor that can deliver a power output of up to 5.5kw. The preparation path of the machine is 200mm, while the typical drum setup includes 78 or 96 cutters and 171 or 142 spacers.
Usage Instructions
- Before using the Mastiff 200, read and understand the instructions provided in the user manual and engine manual (if applicable). Different models may have different parts and controls.
- The equipment should only be operated by trained personnel who are in good physical condition and mental health. The operator and maintenance personnel must physically be able to handle the bulk weight and power of this machine.
- Maintain a safe operating distance from other personnel, as this is a one-person machine. Remember ‘one machine, one operator’.
- The Mastiff 200 is intended for commercial use only.
- For the operators’ safety and the safety of others, always keep all guards and shrouds in place.
- Never start or run the machine when unattended.
- The machine is intended for use on floor surfaces only.
- Never start or run the machine with the handle folded or when disk(s) are not in contact with the surface.
- Wear clothing suitable for the job and for the work place including safety shoes, hard hat, hearing protection, non-fogging vented safety goggles, and dust mask suitable for dust.
- Keep body parts or any loose clothing away from moving parts. Failure to comply could result in bodily injury.
- Do not modify the machine in any way. Only use genuine Mastiff 200 parts and accessories.
- Repairs should be performed by qualified persons only.
- Ensure parts have stopped moving and disconnect power or spark plug when servicing or changing blades or accessories.
- Never operate the machine in rain or if heavy moisture is present (other than under the shroud).
- Do not operate the Mastiff 200 with any guards, shrouds, covers, or doors removed or open.
- The Mastiff 200 can produce sound pressure levels greater than 85db. The operator must wear approved safety ear protection.
- Do not allow the supply cord to come in contact with the cutting blade/head or other moving parts of this machine.
- Petrol is extremely flammable and poisonous. Petrol should only be dispensed in well-ventilated areas, and only when the engine is cool.
- WARNING! POISONOUS EXHAUST GASES. Do not operate petrol-powered
without adequate ventilation. Carbon monoxide is an invisible odorless gas that can harm or can kill you.
By following these usage instructions, you can ensure that you use the Mastiff 200 safely and effectively for your grinding needs.
Specifications
| Mastiff 200 | |
| Weight | 138kg |
| Dimensions | 1000 x 617 x 1037 (Length X Width x Height) |
| Rated Voltage | 9Hp Petrol / 230 Vac / 415 Vac |
| Rated Watts | NA / 2.2kW / 4kw / 5.5kw |
| Preparation Path | 200mm |
Drum Setups

| Typical Drum Setups | ||
| Setup | Cutters | Spacers |
| General Purpose | 78 Cutters | 171 |
| Fine | 96 | 142 |
Safety instructions
- Read and understand the instructions on the machine and in this manual and engine manual (if applicable). Different models may have different parts and controls.
- Equipment should only be operated by trained personnel, in good physical condition and mental health (not fatigued). The operator and maintenance personnel must physically be able to handle the bulk weight and power of this machine.
- This is a one person machine. Maintain a safe operating distance to other personnel. Remember ‘one machine, one operator’.
- This equipment is intended for commercial use.
- For the operators’ safety and the safety of others, always keep all guards and shrouds in place.
- . Never start or run machine when unattended.
- This machine is intended for use on floor surfaces only.
- Never start or run machine with handle folded or when disk(s) are not in contact with the surface.
- Do not lend or rent machine without the operating instructions for the machine (and the engine, if applicable).
- Wear clothing suitable for the job and for the work place including, safety shoes, hard hat, hearing protection, non-fogging vented safety goggles, and dust mask suitable for dust.
- Keep body parts or any loose clothing away from moving parts. Failure to comply could result in bodily injury.
- Do not modify machine in any way. Only use genuine MASTIFF 200 parts and accessories.
- Repairs should be performed by qualified persons only.
- Ensure parts have stopped moving and disconnect power or spark plug when servicing or changing blades or accessories.
- Never operate machine in rain or if heavy moisture is present. (other than under the shroud)
- Do not operate MASTIFF 200 with any guards, shrouds, covers or doors removed or open.
- The MASTIFF 200 can produce sound pressure levels greater than 85db. The operator must wear approved safety ear protection.
- Do not allow the supply cord to come in contact with the cutting blade/head or other moving parts of this machine.
- Petrol is extremely flammable and poisonous. Petrol should only be dispensed in well ventilated areas, and only when engine is cool.
- WARNING! POISONOUS EXHAUST GASES. Do not operate petrol powered equipment without adequate ventilation. Carbon monoxide is and invisible odorless gas that can harm or can kill you.
- WARNING! Breathable silica may be generated by use and maintenance of this machine. Silica can cause severe and permanent lung damage, cancer, and or other serious diseases. Do not breathe the dust. Do not rely on your sight or smell to determine if dust is in the air. Silica may be in the air without a visible dust cloud. If air monitoring for silica is not provided by your employer at your work site, you must wear appropriate respiratory protection when operating or maintaining this equipment. Consult your employer for proper respiratory protection.
Operating instructions
- Wear clothes suitable for the job and for the work place including, safety shoes, hard hat, hearing protection, non-fogging vented safety goggles, and dust respirator suitable for dust.
- WARNING! POISONOUS EXHAUST GASES. Do not operate petrol powered equipment without adequate ventilation. Carbon monoxide is an invisible odorless gas that can harm or can kill you.
- Be sure all equipment is tested and tagged prior to use on any job.
- Inspect entire area to be ground before grinding and remove any bolts or concrete nails (etc.) that could damage diamond tooling or machine which could cause a hazardous situation.
- Ensure there are no obstacles or existing structures that could present a hazard to the operator. If so, take necessary action to eliminate the hazard.
- Install appropriate tooling into the machine. Only use genuine MASTIFF 200 tooling. Failure to comply could result in bodily injury.
- Stand in front of the machine, put one foot on the front nudge bar and use the lift hook to tilt the machine over onto its front.

- Inspect and install appropriate tooling and tighten using the left hand nuts. One at a time.
- Tilt machine back onto its wheel in the opposite manner to above.
- Wind the height adjustment knob fully clockwise and pull the fast raise lower lever towards you.
- Connect machine to suitable power outlet. Only use heavy duty power lead suitable for high current use (minimum 2.5 mm² cable), no longer than 20 meters. (For petrol powered equipment, refer to engine manual for startup procedure).
- If no power is available within the specified distance, have a qualified person install a suitable power outlet closer to your work. Alternatively use 4mm² cable for up to 50 meters.
- Connect a suitable dust extractor to the machine via a 50mm flexible hose. The machine is designed to take the standard FLOOREX 50mm hose ends to make connection of dust extractors easy and hassle free. Alternatively, water spray using the supplied water connection point can be used to suppress dust.
- Keep machine clear of drainage pits and grates or any such hazard. Failure to comply could result in bodily injury and or could damage the machine or property.
- Switch on the dust extractor or water spray.
- Hold the handles firmly and switch the machine on by pushing the green button. Or start the petrol engine.
- If the over-current device trips it indicates a problem. (Undersize power lead or poor power to GPO outlet). Refer above for recommendations on power leads. Rectify problem or decrease load on grinder by using tooling with more surface area. Continuing to use the MASTIFF 200 when constant tripping occurs, VOIDS THE WARRANTY!
- This machine is designed to operate with the wheels in contact with the floor at all times. Do not operate with wheels off the floor.
- Push the fast raise lower lever forward then wind the depth control anti clockwise to lower to tools onto the floor.
- Once the tools start touching the floor you can rotate the hand wheel a total of 4 more turns for maximum cut depth.
- This equates to a maximum cutting depth of around 3-4mm. Lowering the machine father will risk damaging the drum and fails and shafts.
Electrical safety
- All electrical maintenance and repairs to be carried out by qualified persons only.
- CAUTION – Line terminals may be alive when main switch is in the off position. Disconnect all power at source before performing any maintenance or repairs.
- WARNING – DO NOT operate the machine with any electrical panels open.
- WARNING – The MASTIFF 200 has an overload switch and will trip when under excessive load and will not allow the machine to be switched on if it is overloaded. (Overload will need to be reset when safe to do so). Continuing to use the MASTIFF 200 when constant tripping occurs, VOIDS THE WARRANTY!
- Never operate machine in the rain or if heavy moisture is present.
- The overcurrent device is there to protect you and the machine from harm. DO NOT alter or adjust the over load in any way. If it is faulty, only replace with original part that is identical to the faulty one.
- Never bypass over-current devices in this machine.
- Never connect or disconnect power cables with voltage present or while under load.
- Disconnect all power connections and observe lock out / tag out procedures before attempting to carry out any maintenance or repair on any equipment.
- Avoid any contact with any rotating parts or driven parts.
- Never use equipment that has not been tested and tagged (including cords).
- Do not operate MASTIFF 200 with any covers or doors removed or open.
- Before connecting the machine to power, check the condition of all power leads and cables on, or used in conjunction with the machine. DO NOT USE it if any fault(s) cuts; wear marks, Bare wires out of plugs or sockets, etc. Get qualified persons to repair and re-tag it as required by regulations in your country.
Parts Listing – Main Chassis – Petrol

Parts Listing – Main Chassis – 1 Phase

Parts Listing – Main Chassis – 3 Phase

Parts Listing – Inner Chassis – Petrol

Parts Listing – Inner Chassis – 1 Phase

Parts Listing – Inner Chassis – 3 Phase

Parts Listing – Bearings & Shaft

Parts Listing – Lifting Mechanism
Parts Listing – Drum and Cutters

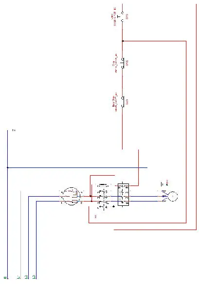
Wiring Diagram
Wiring Diagram 1 Phase

Wiring Diagram 3 Phase

Maintenance Schedule
| All Maintenance to be performed by qualified personnel. | Before Operation | Every 4 hours | Every 8 Hours | Daily or before Every Hire | Every 40-50 Hours of operation |
| Belt Tension | X | ||||
| Check Engine Oil level | X | ||||
| Air Filter Element | X | ||||
| Change Engine Oil (Refer to Engine Manual) | X | ||||
| Check main bearing units for play | X | ||||
| Grease Bearings 2 Pumps | X | ||||
| Check Tooling condition | X | ||||
| Check Bearings | X | ||||
| Check Hex, Main shaft & Drive for wear | X |
Floorex Products
Your complete supplier of all your concrete surface preparation needs
- Diamond grinders
- Concrete Polishers
- Dust extraction
- Shotblasters
- Screed mixers
- Diamond Tooling
- Floor Scrapers
- Coating application
FLOOREX PRODUCTS
11 Jennings Road Swan Hill VIC. 3585
Web: www.floorex.com.au Email: [email protected]


















