RISC GROUP WL RWS401 External Wireless Sounder
Introduction
RISCO Group’s two-way External Wireless Sounder is designed to extend the signaling capabilities of RISCO Group’s wireless systems. The wireless sounder offers an easy and flexible solution for quick installation. The sounder is powered by its own batteries and communicates wirelessly with the security panel.
Up to 3 wireless sounders can be assigned to a system.
Operational Functions
Alarm / Tamper Indication
Upon an alarm condition, the sounder will be activated for a period of time defined by the system (Bell Time Out parameter).
Low Battery Indication
Upon a low battery condition, a trouble indication is sent to the panel. There are 2 types of low battery indications:
- Radio low battery
- Speaker low battery
Supervision
Each sounder can be defined to be supervised by the panel. The system generates a local fault signal identifying the sounder whose signal is not received during a predefined time, followed by a report to the Alarm Receiving Center (if defined).
Pre Alarm Indication
When an entry time starts, the system transmits a pre-alarm signal to the sounder. If the system is unset before the entry delay time expires, a cancellation signal is sent to the sounder.
If the sounder does not receive a cancellation signal within the entry delay time, the sounder will be activated.
Sounder Self Testing
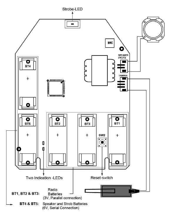
Once placing all batteries in the battery holders or pressing on the reset switch located on the PCB (with the tamper switch open), the sounder performs a functional self test indicated by a strobe flash squawk sound.
LED display
The wireless sounder has 2 LEDs located on the PCB. These LEDs are enabled when the tamper is open and 10 minutes after the tamper is closed. Red: Indicates transmission
Yellow: Indicates a low battery
Red and Yellow (3 seconds): Confirms successful learning
Mounting the Sounder
To mount the sounder follow this procedure:
- Open the front cover by removing the case locking screw located at the bottom of the unit.
- Hold the mounting pattern template (supplied) against the wall and mark the locations for the mounting holes (4 mounting holes are available). Drill the desired mounting holes and place the screw anchors.
- Mount the back unit to the wall using the supplied screws, 3.9mm, 32mm length screws (DIN 7981 3.9X32 ZP).
- Insert a tamper screw into a tamper hole — see the figure below.
- Access to the PCB is gained by releasing the inner cover retaining the clip and lifting the cover upward (rotating it on its axis).
- Insert the supplied batteries in the metal clips according to the polarity. The sounder is ready for communication set up with the system.

- After the sounder is trained, Close the inner cover, re-attach the front cover and lock the Cover Screw Assembly.

Programming the sounder
Programming the wireless sounder consists of the following 3 steps:
- Setting communication between the receiver and the sounder
- Setting sounder parameters
- Testing the sounder
Step 1:Sounder/Receiver Communication Set up
The sounder must identify itself to the system’s receiver by writing its ID into the system. Perform according to the following steps:
- Set the receiver to the Write mode.
NOTE:
WisDom; Main engineer menu> 9) Devices > 2)Sounder > 1) Allocation > Select sounder> Choose ODWS1
Agility: Main Engineer menu: 2) Radio Devices > 1) Allocation > 1) RF Allocation
LightSYS (V2.40 and above): Main Engineer menu: 7) Install > 2) WL Device > 2) Allocation > 1) By RF > 4) Sounder - Select the sounder’s ID.
- Unpack the supplied batteries.
- Insert two-speaker batteries and three Radio batteries into the batteries holders.
- After a squawk is heard and the sounder’s strobe flashes you have 10 seconds to press on the tamper switch for at least 3 seconds. If the sounder is successfully recognized, the system will sound a confirmation beep and the sounder will initiate a second squawk sound and the 2 LEDs on the sounder will flash for 3 seconds.
- Repeat the process for other sounders in the system.
Step 2: Setting the Sounder Parameters
Each sounder can be defined with different sets of parameters. The following table describes the list of parameters of the sounder.
NOTE:
For the specific programming location of each parameter refer to the system manuals.
Strobe Control
Defines the Strobe operation mode:
- Always Off: The strobe is deactivated
- Follow Bell (Default): The strobe is activated when the sounder bell is triggered
- Follow Alarm: The strobe is activated when an alarm event occurs in the system
Strobe Blink
Defines the number of times the strobe will flash per minute (Default 40 times per minute). Strobe Blink options:
- 20 times per minute
- 30 times per minute
- 40 times per minute (Default)
- 50 times per minute
- 60 times per minute
Strobe Arm Squawk
The time that strobe blinking will continue when set is performed (Default: 05)
NOTE:
If the sounder’s squawk strobe is defined as NO (Refer to the Allocation section) this parameter will be ignored.
Adjusting the Volume
Defines the sounder sound volume for the following system modes:
- Exit / Entry: The sound produced during Exit/Entry time (Default: 0)
- Alarm: The sound produced during an alarm (Default: 9)
- Squawk: The sound produced during squawk sounds (Default: 9)
The sound volume range is between 0 (silent) to 9 (maximum volume).
Muting Tamper
This feature disables a tamper alarm from the sounder and it is recommended to be used when replacing the sounder’s batteries.
NOTES:
- An ongoing tamper alarm will not be disabled.
- Wisdom: This feature is controlled under the Engineer Menu (Quick key [9][2][5]). The tamper alarm will be disabled during the current installation programming period.
- Agility: Grandmaster Code/User Menu > Activities > Advanced > Service Mode (Agility 3 only) The tamper alarm will be disabled for the time programmed in the Mode Service timer.
- lights (V2.40 and above): Grandmaster Code/User Menu > Activities > Advanced > Service Mode The tamper alarm will be disabled for the time programmed in the Mode Service timer.
Setting Supervision Time
Specifies how often the system generates a supervision request to the sounder. If any of the sounders does not respond to the request at least once during the receiver supervision time, the system will regard the accessory as lost.
NOTE:
The receiver supervision time should be higher than the sounder supervision time in order to eliminate false lost events.
- Range: 00-255 minutes
- Default: 58 minutes
NOTE:
- WisDom: Engineer menu: 1) System > 1) Timers > 9)
- Accessory supervision time Agility:
- Engineer menu: 1) System > 1) Timers > TX supervision
- LightSYS (V2.40 and above):
- Engineer menu: 1) System > 1) Timers > 6) Wireless > 3) TX supervision.
Pre Alarm indication
This wireless sounder incorporates a pre-alarm feature that enhances the security of the system by producing a local alarm in case of sabotage.If defined, the system sends a pre-alarm signal to the sounder at the beginning of the entry delay. If the sounder does not receive a cancellation signal from the system at the end of the entry time, the sounder goes into alarm mode.
NOTE:
- WisDom (Ver 4.25): Engineer menu Quick key: 1)System> 2)Parameters> 35)Sounder Pre-alarm
- Agility: Engineer menu: [1][2] > Advanced > Sounder Pre alarm LightSYS (V2.40 and above):
- Engineer menu 1) System > 2) Controls > 7) Device > 5) Sounder Pre alaram.
Step 3: Testing the Sounder
Communication Test
The sounder communication test performs a communication test between the sounder receiver and the system.
To perform a communication test:
- Access the communication test option.
NOTE:
WisDom: Engineer menu > 9) Devices > 2) Sounders > 3) Communication test Agility: Engineer menu > 2) Testing > 5) Sounder > 1) Communication test LightSYS (V2.40 and above): Installer Code/User menu: Maintenance > Wireless Test >Wireless Sounders > Comm. Test. - For successful communication, the strength of the signal should be higher than the sounder receiver noise threshold level. WisDom: Engineer menu quick key [9][2][4], Agility: Engineer menu > 2)Testing >1) Main unit > 1) Calibration). Agility: Engineer menu: 2) Testing > 1) Main unit > 1) Calibration LightSYS (V2.40 and above): Engineer menu: 7) Install > 2) WL Device > 1) RX Calibration.
Diagnostics
The Diagnostics menu enables to test parameters reflecting the operation of the sounder:
- Speaker batteries voltage: Tests the selected sounder’s speaker batteries voltage
- Radio batteries voltage: Tests the selected sounder’s radio’s batteries voltage
- Sounder version: Displays information regarding the sounder’s version
Note:
WisDom: User menu: 4) Maintenance > 7) Sounders > 1) Diagnostics Agility: Engineer menu > 2) Testing> 5) Sounder>2) Battery test > 3)Version LightSYS (V2.40 and above) Battery Test: Installer Code/User menu: Maintenance > WL Test > WL Sounders > Battery test LightSYS V2.40 and above) Sounder Version: Installer Code/User menu: Maintenance. > Diagnostics > Sounders > Select Sounder >Version The diagnosAtic features can also be performed from the Upload/Download software, locally or remotely. Sounder Calibration: Displays information regarding the noise level around the sounder.
NOTE:
WisDom: Engineer menu quick key: [9][2][4]Agility: Engineer menu: 2) Testing > 5) Sounder > 4) Noise level > 1) View > 2) Calibrate LightSYS (V2.40 and above): Installer Code/User menu: Maintenance > Diagnostics > Sounders > Select Sounder > Calibration
Replacing Batteries
- Before opening the sounder it is advised to silence the tamper alarm using the Tamper Mute option.
- Remove the screw from the bottom of the sounder cover and open both covers upwards and away from the sounder.
- Remove the old batteries from the metal clips and replace them with the new ones. Pay attention to the polarity.
- Replace both of the covers on the sounder and close the locking screw.
NOTES:
Dispose of old batteries according to your local regulations. Risk of explosion if the battery is replaced by an incorrect type.
Technical Information
RTTE Compliance Statement
Hereby RISCO Group declares that this wireless sounder is in compliance with the essential requirements and other relevant provisions of Directive 1999/5/EC.
RISCO Group Limited Warranty
RISCO Group Ltd. and its subsidiaries and affiliates (“Seller”) warrants its products to be free from defects in materials and workmanship under normal use for 24 months from the date of production. Because Seller does not install or connect the product and because the product may be used in conjunction with products not manufactured by the Seller, Seller cannot guarantee the performance of the security system which uses this product. Seller’s obligation and liability under this warranty is expressly limited to repairing and replacing, at Seller’s option, within a reasonable time after the date of delivery, any product not meeting the specifications. Seller makes no other warranty, expressed or implied, and makes no warranty of merchantability or of fitness for any particular purpose. In no case shall seller be liable for any consequential or incidental damages for breach of this or any other warranty, expressed or implied, or upon any other basis of liability whatsoever.
The seller’s obligation under this warranty shall not include any transportation charges or costs of installation or any liability for direct, indirect, or consequential damages or delay. Seller does not represent that its product may not be compromised or circumvented; that the product will prevent any personal injury or property loss by burglary, robbery, fire or otherwise; or that the product will in all cases provide adequate warning or protection. Seller, in no event shall be liable for any direct or indirect damages or any other losses occurred due to any type of tampering, whether intentional or unintentional such as masking, painting or spraying on the lenses, mirrors or any other part of the detector.
Buyer understands that a properly installed and maintained alarm may only reduce the risk of burglary, robbery or fire without warning, but is not insurance or a guaranty that such will not occur or that there will be no personal injury or property loss as a result. Consequently, seller shall have no liability for any personal injury, property damage or loss based on a claim that the product fails to give warning However, if seller is held liable, whether directly or indirectly, for any loss or damage arising from under this limited warranty or otherwise, regardless of cause or origin, sellers maximum liability shall not exceed the purchase price of the product, which shall be the complete and exclusive remedy against seller. No employee or representative of Seller is authorized to change this warranty in any way or grant any other warranty.
WARNING:
This product should be tested at least once a week.
Contacting RISCO Group
RISCO Group is committed to customer service and product support. You can contact us through our website www.riscogroup.com or as follows:
- United Kingdom
- Tel: +44-(0)-161-655-5500
- E-mail: [email protected]
RISCO product was purchased from
All rights reserved. No part of this document may be reproduced in any form without prior written permission from the publisher. For the CE Declaration of Conformity please refer to our website: www.riscogroup.com.





















