Xantrex 883-0240-12 Lithium-ion Battery

Copyright © 2022 Xantrex LLC. All Rights Reserved.
All trademarks are owned by Xantrex LLC and its affiliates.
Exclusion for Documentation
UNLESS SPECIFICALLY AGREED TO IN WRITING, SELLER
(A) MAKES NO WARRANTY AS TO THE ACCURACY, SUFFICIENCY OR SUITABILITY OF ANY TECHNICAL OR OTHER INFORMATION PROVIDED IN ITS MANUALS OR OTHER DOCUMENTATION;
(B) ASSUMES NO RESPONSIBILITY OR LIABILITY FOR LOSSES, DAMAGES, COSTS OR EXPENSES, WHETHER SPECIAL, DIRECT, INDIRECT, CONSEQUENTIAL OR INCIDENTAL, WHICH MIGHT ARISE OUT OF THE USE OF SUCH INFORMATION.
THE USE OF ANY SUCH INFORMATION WILL BE ENTIRELY AT THE USER’S RISK; AND (C) REMINDS YOU THAT IF THIS MANUAL IS IN ANY LANGUAGE OTHER THAN ENGLISH, ALTHOUGH STEPS HAVE BEEN TAKEN TO MAINTAIN THE ACCURACY OF THE TRANSLATION, THE ACCURACY CANNOT BE GUARANTEED. APPROVED CONTENT IS CONTAINED WITH THE ENGLISH LANGUAGE VERSION WHICH IS POSTED AT http://www.xantrex.com.
Purpose
The purpose of this Owner’s Guide is to provide explanations and procedures for installing, operating, configuring, maintaining, and troubleshooting a Xantrex Lithium-ion Battery for Recreational, Commercial and Fleet Vehicle, or Marine installations.
Scope
The guide provides safety and operating guidelines as well as information on installing and configuring the lithium-ion battery using the Xantrex App.
Audience
The guide is intended for qualified personnel.
Qualified personnel have training, knowledge, and experience in:
- Installing electrical equipment.
- Applying all applicable installation codes.
- Analyzing and reducing the hazards involved in performing electrical work.
- Installing and configuring batteries (especially lithium-ion batteries, as applicable)
- Selecting and using Personal Protective Equipment (PPE) and following safety work code practices. See NFPA 70E or CSA Z462.
Abbreviations and Acronyms
| A | Amperes |
| Ah | Amp-hours (a unit of battery capacity) |
| AC | Alternating Current [∼] |
| AGM | Absorbed Glass Mat (a battery type) |
| BLE | Bluetooth Low Energy |
| BMS | Battery Management System |
| BTS | Battery Temperature Sensor |
| DC | Direct Current [⎓] |
| h | Hours (a unit of time) |
| Hz | Hertz (a unit of frequency) |
| in-lb | inch-pound force (a unit of torque) |
| kW | Kilowatts (1000 watts) |
| LED | Light Emitting Diode |
| LFP | LiFePO4 (lithium iron phosphate – a battery type) |
| m | Minutes (a unit of time) |
| max | Maximum |
| min | Minimum |
| ms | Milliseconds (a unit of time) |
| N-m | Newton-meters (a unit of torque) |
| PN | Product Number |
| PPE | Personal Protective Equipment |
| s | Seconds (a unit of time) |
| SOC, SoC | State-of-Charge of battery |
| V, VAC, VDC | Voltage, Volts AC, Volts DC |
| W | Wattage, watt (a unit of power) |
| ° | Degrees symbol commonly used for temperature |
| °C | Unit of degrees in Celsius scale |
| °F | Unit of degrees in Fahrenheit scale |
| % | Percent, percentage |
Important Safety Information
READ AND SAVE THIS OWNER’S GUIDE FOR FUTURE REFERENCE.
This guide contains important safety instructions for the Xantex Battery that must be followed during installing, operating, configuring, maintaining, and troubleshooting.
Read these instructions carefully and look at the equipment to become familiar with the device before installing, operating, configuring, maintaining, and troubleshooting it. The following special messages may appear throughout this documentation or on the equipment to warn of potential hazards or to call attention to information that clarifies or simplifies a procedure.
The addition of either symbol to a “Danger” or “Warning” safety label indicates that an electrical hazard exists which will result in personal injury if the instructions are not followed.
This is the safety alert symbol. It is used to alert you to potential personal injury hazards. Obey all safety messages that follow this symbol to avoid possible injury or death.
DANGER
DANGER indicates a hazardous situation which, if not avoided, will result in death or serious injury.
WARNING
WARNING indicates a hazardous situation which, if not avoided, could result in death or serious injury.
CAUTION
CAUTION indicates a hazardous situation which, if not avoided, could result in minor or moderate injury.
NOTICE
NOTICE is used to address practices not related to physical injury.
Please Note
No responsibility is assumed by Xantrex for any consequences arising out of the use of this material.
DANGER
HAZARD OF ELECTRIC SHOCK, EXPLOSION, BURN, OR ARC FLASH
ARC FLASH HAZARD
An example of an arc flash event could be a direct short circuit caused by a metallic object such as a tool bridging between the positive and negative of an energized circuit.
- This battery shall be installed and serviced only by qualified personnel.
- Always wear proper PPE (safety glasses and clothing) when working on the Li-ion battery and follow safe electrical work practices according to local codes.
- Do not wear metallic items such as watches or bracelets when working on the battery. Use insulated tools to prevent accidental short circuit.
- Do not install the Li-ion battery module adjacent to any heat source. Keep away from sources of ignition.
- Do not install or operate any of the system devices in a compartment containing flammable materials or in locations that require ignition-protected equipment.
- Do not use in vital, medical, or life-support applications.
- No user-serviceable parts. Do not attempt to open or dismantle the Li-ion battery. If the battery module is damaged, do not touch the toxic electrolyte or powder, and consult your dealer.
- When the battery module is damaged, it can release harmful gases. Ensure the surrounding environment is well-ventilated.
- In case battery content comes in contact with skin or eyes, immediately flush the affected area with large amount of clean water and seek medical help.
- In case of fire, use only a Class ABC (dry chemical) or CO2 type fire extinguisher. Water can be a dangerous extinguishing medium for energized equipment because of the risk of electric shock.
- Dispose of Li-ion batteries through a local recycling center. Do not mix batteries with other wastes. Contact your local recycling center for proper disposal information.
- Do not crush, puncture, drop, disassemble, or dispose of in fire.
Failure to follow these instructions will result in death or serious injury.
WARNING
HAZARD OF FIRE, ELECTRIC SHOCK, EXPLOSION, AND PERSONAL INJURY
- Do not expose the Li-ion battery to rain, snow, or liquids of any type. Products are designed for indoor use only.
- Do not step on the battery module.
- Always use proper lifting techniques when handling the battery module. Battery is heavy.
- Do not charge the battery in ambient temperature below freezing.
- Do not disconnect the battery while it is being charged.
Failure to follow these instructions can result in death, serious injury, or equipment damage.
NOTICE
RISK OF EQUIPMENT DAMAGE
- Do not allow the battery to be depleted.
- Charge the battery module with an approved charger. Contact Xantrex for details.
- Do not charge the battery above the recommended voltage.
Failure to follow these instructions can result in damage to equipment and may void the warranty.
BATTERY DISPOSAL
At the end of the battery’s useful life, proper disposal is required.
Do not dispose the battery with ordinary household waste. Refer to your local codes for proper disposal of lithium-ion batteries.
Introduction
The Xantrex Lithium-ion Batteries are lithium iron phosphate (LiFePO4) chemistry batteries used in conjunction with the internal Battery Management System (BMS) unit which protects the batteries and monitors state-of-charge (SOC), voltage, current, and temperature.
Figure 1 Typical System
This guide provides instructions on how to safely install, operate, and maintain your Xantrex battery system.
Materials List
The Xantex Battery base package includes the following items.
| A | Xantex Battery |
| B | Quickstart guide |
| C | 2x Bolt M8 x 1.25cm |
| D | 2x Lock Washer |
| E | 2x captive washer |
NOTE: If any of the items are missing, contact Xantrex or any authorized Xantrex dealer for replacement.
IMPORTANT: Keep the carton and packing material in case you need to return the lithium-ion battery for servicing. The battery requires special packaging and handling due to the nature of the product.
Before You Begin
Before beginning your installation:
- Read this entire Installation guide so you can plan the installation from beginning to end.
- Assemble all the tools and materials you require for the installation.
- Review the Safety Information.
- Be aware of all safety and electrical codes which must be met.
WARNING
ELECTRICAL SHOCK AND FIRE HAZARD
- All wiring should be done by qualified personnel to ensure compliance with all applicable installation codes and regulations.
- Disable and secure all DC disconnect devices and automatic generator starting devices.
- Do not mount in a zero-clearance compartment.
Failure to follow these instructions can result in death, serious injury, or equipment damage
Installation Tools and Materials
You will need the following to install the Xantex Battery:
- Torque wrench
- Multimeter
- PPE
IMPORTANT: A torque wrench is required for correct installation of the batteries. A proper torque of 85-95 in-lb or 10- 11 N-m is required for correct installation. If too little torque is applied to the electrical connection hardware, it could come loose during transportation or operation of the batteries. If too much torque is applied the hardware could damage the internals of the battery creating unseen hazards in the battery.
Installation Codes
Governing installation codes vary depending on the specific location and application of the installation. Some examples include the following:
- The U.S. National Electrical Code (NEC)
- The Canadian Electrical Code (CEC)
- The U.S. Code of Federal Regulations (CFRs)
- Canadian Standards Association/CSA Group (CSA) and the RV Industry Association (RVIA) standards and codes for installations in RVs
- The American Boat and Yacht Council (ABYC) standards and US Coast Guard Regulations (33CFR183, Sub Part I) for Marine installations in the U.S.
It is the installer’s responsibility to ensure that all applicable installation requirements are met.
Pre-Installation Checklist
This section provides a list of pre-installation information about where to install the battery and what protective devices are needed. For your convenience, the checklist is divided into these main points:
Checking the Battery
Check the battery, included hardware, box and the battery cables (if included) for visible damage including cracks, dents, chips, and deformations. Ensure that the battery including its components are labeled. Check Materials.
Figure 3 Inspecting the battery
IMPORTANT: Contact Xantrex Technical Support immediately if you see visible damages to the battery or its cables (if included) at +1-800-670-0707,
Choosing a Location for the Battery
WARNING
FIRE AND EXPLOSION HAZARDS
- Do not install the Xantex Battery in compartments containing flammable materials, or in locations that require ignition-protected equipment. This includes any space containing gasoline-powered machinery, fuel tanks, or joints, fittings, or other connections between components of the fuel system. This equipment contains components that tend to produce arcs or sparks.
- Do not install the Xantex Battery in a zero-clearance compartment. Overheating may result.
Failure to follow these instructions can result in death, serious injury, or equipment damage.
Select a location for the battery that is stable, clean, cool, dry, and well ventilated.
- Maintain an ideal operating ambient temperature range of 59 to 77°F (15 to 25°C).
Temperatures below this range can reduce system performance. Temperatures above this range can reduce battery cell life and reduce system performance. - Having a nearby heat source can cause premature wear on the cells inside and earlier disconnects during charge and discharge scenarios where the battery produces some heat internally.
- Having a cooling source pointed at the battery can reduce ideal charging scenarios where the battery should ideally be warmer.

Map out the location of your batteries with a simple wire diagram for preplanning purposes. The cables between the batteries and all other components should be as short as possible. Having shorter cables will reduce the voltage drop throughout the system allowing better performance and reliability of your power system.
- Include all the components on your wire diagram, specifically DC protection devices and major connection points.
- Also take into consideration where the other components will be installed in relation to the batteries to account for cable bending as well as ease of access to components once they are installed.
Mounting the Battery
WARNING
HEAVY EQUIPMENT
Always use proper lifting techniques during handling and installation. A two-person lift may be required to prevent personal injury.
Failure to follow these instructions can result in death, serious injury, or equipment damage
To mount the Xantex Battery:
- Select an appropriate mounting location inside your vehicle or vessel.
- Mount the battery upright (with either the top or side labels pointing up).
a. On a horizontal surface such as the floor (ideal)
b. On a battery rack or shelf - Ensure that the battery is secured according to local regulations. For securing a marine battery according to local regulations, refer to 33CFR 183.420 and ABYC E-10
– 10.7. For securing an RV battery according to local regulations, refer to ANSI-RVIA LV standard clause 2-3.
Figure 4 Approved Orientations
NOTICE
GENERAL PRECAUTION
Do not mount the Xantex Battery in an area subject to high vibration or physical shock.
Failure to follow these instructions may reduce the life of the battery.
Placing the Battery Safely
Position the battery and devices that will connect to the battery in a way that the battery cables avoid sharp bends. Follow the bend radius recommendation below. Aside from battery cables, it is good practice to apply the same bend radius to communication cables as well.
Figure 5 Bending Radius
TIPS:
- A cable’s bend radius should be no less than eight (8) times the outside diameter of the cable used. More specific details can be supplied by the cable and wire manufacturer for your specific scenario.
- As it is not normally possible to have such a large bend radius in many installations due to limited space, getting as large a bend radius in as much as the space allows is ideal.
Installing DC Protections for the Battery
Battery protection devices such as properly rated DC fuses, DC disconnect devices, or DC breakers are required to protect the battery from overcurrent scenarios. Here are some basic definitions:
- (A) DC fuses are fuses specifically rated for DC and come with their own fuseholders. Fuses are replaced when they blow. Fuses are installed together with a DC disconnect device. See Figure 6 below.
- (B) DC disconnect devices are binary switches that are either open (OFF) or closed (ON) to stop or allow DC current to flow, respectively.
- (C) DC circuit breakers or simply DC breakers are arcreducing electromechanical switches that trip (open fast) with overcurrent and are reset (closed) manually.
See Figure 7 below.
IMPORTANT:
- The battery protection device should be installed inline with the positive cable of the battery.
- Ideally the protection device should be installed as close as practicably possible to the positive terminals of the battery.
Do not manually operate these protection devices while there are active DC loads and/or charging devices connected to the DC bus. For example, an engine mounted alternator that is connected to the DC bus may sustain damage if the protection devices are closed and opened while in operation. Turn off the engine first.
Figure 6 DC fuse and DC disconnect
Figure 7 DC breaker
Connecting the Battery Cables
WARNING
FIRE HAZARD
Use only stranded, copper wire rated minimum 75 °C (105 °C for marine installations). Make sure all DC connections are tight to a torque of 85–95 in-lb (10–11 Nm) of force. Loose connections will overheat. Too much torque may crack the battery case.
Failure to follow these instructions can result in death, serious injury, or equipment damage.
NOTICE
REVERSE POLARITY
- Check cable polarity at the Xantex Battery before making the final DC connection. Positive must be connected to positive; negative must be connected to negative.
- Reversing the positive and negative battery cables will blow a fuse in the Xantex Battery and void your warranty.
Failure to follow these instructions can result in equipment damage.
To secure the battery cable to the battery terminal:
- Connect the terminal hardware in the order shown below.
- Pre-check the M8 bolt thread to see if the bolt is long enough to accommodate all the terminal hardware including the cable ring lug.
- Also, check that the M8 bolt does not reach the bottom of the battery terminal prematurely causing the lug assembly to be loose and not fully seat.
- Secure the cable ring lug assembly to the terminal using the torque requirement above.
Figure 8 Battery Cable Lug Assembly
A M8 bolt (supplied) B lock washer (supplied) C captive washer (supplied) D cable ring lug E battery terminal F DC cable with heat shrink insulation covering the lug stem NOTE: The battery cable lug stem must be fully insulated with the heat shrink.
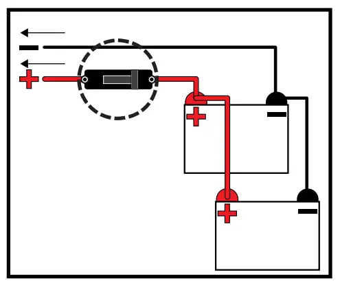
Parallel Installation
This section provides instructions for installing two to four batteries in parallel to increase power capacity for robust applications in your RV, truck, or vessel. This sections contains the following topics:
Parallel Installation Steps
IMPORTANT:
- Batteries must be of the same make, model, and age for all batteries connected in parallel.
- Before connecting batteries together, verify independently using a multimeter that each battery is charged to 100% SoC. The open terminal voltage should be within 0.05VDC of each other at the point of connection. This procedure helps ensure that there is minimal current flow and sparking between batteries.
Note that you can also use the Xantrex App to provide a reading of SoC information. Nevertheless, a voltage measurement using a multimeter must be taken to ensure there is as little voltage between the terminals as possible.
NOTICE
EQUIPMENT DAMAGE
Do not connect batteries in series.
Failure to follow these instructions can result in equipment damage.
This is for illustration purposes only.
NOTE: Keep the cables between batteries and ground cables the same lengths for optimal performance and to ensure equal discharging and charging.
Figure 9 Parallel batteries
How to connect batteries in parallel:
- Ensure that DC protection device (such as a DC fuse and disconnect or a DC breaker) is opened or disconnected before starting.
- Turn OFF all batteries using the power push button on the battery.
- Install and secure the new batteries in their location.
NOTE: With the locations ensure as minimal variation is made between the cables connecting the terminals of the batteries. - Connect the positive terminal to the positive battery cable.

- Then connect the battery positive cables to each other.
NOTE: If more than two batteries are being connected, ensure a consistent connection method is used for connecting the batteries.
- Connect the negative terminal to the negative battery cable.

- Then connect the battery negative cables to each other.
NOTE: If more than two batteries are being connected, ensure a consistent connection method is used for connecting the batteries.
- Connect the final connection cables from the positive terminal to the DC breaker (or DC fuse and disconnect device) and the negative connection to its termination point.
Open (turn OFF) the DC disconnect or DC breaker prior to installation.
- Double check all connections for any reverse wiring or incorrectly connected batteries.
- Ensure all battery terminals are torqued correctly.
- Turn ON all the batteries using the power push button on the battery.
NOTE: Wait for all batteries to be fully turned on before proceeding to connect to the main system by closing (turning ON) the DC disconnect or DC breaker.
Communication Installation
This section contains instructions for other functions that can be used in vehicle systems providing additional performance and usage scenarios. These functions need to be connected through the 12-Pin Deutsch connector. This sections contains the following topics:
Communication Connector Pin Designations
The pins should only be connected to devices on an as-needed basis. The Xantex Battery will function without having the communication ports externally connected to the battery.
Remote On/Off Harness
The Remote On/Off harness is available using product code (PN: 881-0267-12). Contact Xantrex or your Xantrex dealer to order.
Figure 10 Remote On/Off harness
Remote On/Off: An external latching button can be installed that mimics the function of the actual pushbutton on the battery.
NOTICE
EQUIPMENT DAMAGE
Incorrect wiring and pin assignments may lead to equipment malfunction and/or damage.
Failure to follow these instructions can result in equipment damage.
12-to-4 Pin Connector Harness
The 12-to-4 pin connector harness is available using product code (PN: 881-0262-12-02). Contact Xantrex or your Xantrex dealer to order.
Figure 11 12-to-4 pin connector harness
Custom Harness
For custom-made harnesses, the connector port featured in Figure 13 on page 16 is compatible with the plug (product code: DTM06-12SB-XXXX).
Table 1 Pin reference guide
| Pin # | Function | Description |
| 3 | Remote On/Off (Power) | Wired in parallel to the switch on the battery case. |
| 4 | Remote On/Off (Input) | Wired in parallel to the switch on the battery case. |
| 5 | Remote LED 3.3VDC | Custom Flashing pattern as highlighted in section Interpreting LED Indicators on the Battery and Remote. |
| 6 | LED Return | N/A |
Figure 12 Custom harness plug (DTM06-12SB-XXXX)
Figure 13 Battery connector port (receptacle)
Operation
This section includes descriptions of the different modes and settings of the Xantrex Lithium-ion Battery. This section includes:
BMS (Battery Management System) Features
Figure 14 Xantrex App Home screen
The Xantrex App
The battery has a built in BLE module for basic communication and troubleshooting with the battery. The BLE module app (the Xantrex App) can be found by scanning the QR code on the battery or searching for “Xantrex App” on the Play Store or the App Store respectively.
Monitor
Figure 15 Monitor tab
| Setting | Description |
| State of Charge | Measure of the internal amount of charge in the battery |
| Voltage | The internal voltage of the battery pack |
| Current | The amount of current flowing through the BMS. (-) Value is a discharge of the battery, (+) Value is a recharge current. |
| Power | The amount of power flowing through the BMS. (-) Value is a discharge, (+) Value is recharge. |
| Batt. Temp | The temperature of the cells inside of the battery. |
Overview
Figure 16 Overview tab
| Setting | Description |
| Device Model Name | Unique hardware ID |
| Product Serial Number | The serial number of the battery |
| Hardware Version | Internal revision of the battery |
| Software Version | Software revision of the BMS. |
| Xantrex App Version | The revision of the application |
Alerts
The Xantrex App will highlight any event that is detected in the battery or the BMS. The alert will also display a suggestion for correcting the detected event. See Troubleshooting.
SoC (State of Charge)
The state of charge of the battery can be seen in two different ways. There is a visual representation with three green LEDs.
Refer to the table below for exact percentages based upon the LEDs.
Table 2 Charging State
| State of Charge (%) | LED Indicators |
| 100% | |
| 67–99% | |
| 34–66% | |
| 0–33% |
ON
OFF
flashing at 2 Hz
Table 3 Discharging State
| State of Disharge (%) | LED Indicators |
| 100–67% | |
| 66–34% | |
| 33–0% |
ON
OFF
flashing at 2 Hz
A more precise number for SoC can be seen by downloading the Xantrex App and remotely connecting to the battery by Bluetooth. A general SoC % gauge will be on the monitor page of each battery.
NOTE: The SoC graph will not fill linearly as the battery is charged. The internal BMS will hold the SoC at approximately 90% while the internal cell balancing circuit is activated. Once the cell balancing has reached a threshold the SoC will raise to 100%.
Summary LED
The summary LED on the remote panel will indicate by way of a steady light or flashing whether the battery is charging or discharging, respectively. If an event is detected, the LED will alert you by changing its flash pattern.
Table 4 Charging State
| State of Charge (%) | LED Indicators |
| 0–100% | or |
| Alert | ![]() |
ON | OFF | flashing at varying frequency
BMS Operations
Power Button
The Xantrex Lithium-ion Battery has a Power button on the unit that turns the state of the battery to either ON or OFF.
Keep the battery ON after successfully mounting and integrating it into a power system except when storing, moving, or shipping it.
NOTE: All below temperatures are based upon measured cell temperatures, not upon ambient temperatures.
Cold Ambient Temperature Operation
The Xantex Battery can operate down to 32 °F (0 °C) while recharging the battery and –4 °F (–20 °C) while discharging. There is no internal heating device inside the battery.
During cold temperature discharge, if the internal cell temperature is below –4 °F (–20 °C) then the BMS will disconnect the cells from the terminals until the internal temperature has risen above 5 °F (–15 °C). This will prevent damage to the cells.
NOTE: Discharging and recharging the battery will produce a limited amount of heat inside the battery but will not be enough to sustain a significant temperature rise in a very cold climate. Consider an external heat source, if you will be operating the battery in a cold climate environment.
Hot Ambient Temperature Operation
The Xantex Battery can operate up to 140 °F (60 °C) while recharging or discharging the battery.
During hot temperature operation, if the internal cell temperature reaches above the high operational range, the BMS will disconnect the cells from the terminals until the internal temperature has dropped 9 °F or about 5 °C below the cutoff point. This prevents damage to the cells and the over cycling of the BMS.
NOTE: Discharging and recharging the battery will produce a limited amount of heat inside the battery. Be aware that in high ambient temperature environments, repeated disconnections are likely, especially if the battery is under high loads or recharge current.
Troubleshooting and Maintenance
This section will help you narrow down the source of any problem you encounter. Before contacting customer service, please work through the steps listed in Pre-service Checklist on
Pre-service Checklist
WARNING
ELECTRICAL SHOCK OR BURN HAZARD
Do not disassemble the Xantex Battery. It does not contain any user-serviceable parts. Attempting to service the Xantex Battery yourself could result in an electrical shock or burn.
Failure to follow these instructions can result in death, serious injury, or equipment damage.
NOTE: To obtain service go to Contact Information.
Prior to obtaining service, see below:
- Check for any error codes or alert conditions displayed on the Xantrex App.
- As soon as possible, record the conditions at the time the problem occurred so you can provide details when you contact customer service for help. Include the following information:
n What loads the Xantex Battery was running
n What the battery condition was at the time (voltage, etc.) if known
n Recent sequence of events
n Any known unusual power factors from the source such as low voltage
n Whether any extreme ambient conditions existed at the time (temperature, vibrations, moisture, etc.) - If your Xantex Battery is not displaying an error code, check the following to make sure the present state of the installation allows proper operation:
n Take screen shots of the Xantrex App screens and alert notifications from your smart device.
n Is the lithium-ion battery located in a clean, dry, adequately ventilated place?
n Are the battery cables adequately sized as recommended in the guide?
n Is the battery in good condition?
n Are all DC connections tight?
n Are the configuration settings correct for your particular installation?
n Are all disconnects and DC breakers closed and operable?
n Have any of the fuses blown in the installation, if any? - Contact customer support for further assistance. Please be prepared to describe details of your system installation and to provide the model and serial number of the Xantex Battery.
Troubleshooting
| Event / Error Description | Solution |
| Excess charge current | Reduce the charging current to the battery from all charging sources. |
| Excess battery load(s) | Reduce discharging current from the battery by reducing load consumption. |
| System Short Circuit | Disable all battery connected systems and check for a system wide short circuit. |
| Internal battery error | Power cycle the battery by turning it OFF and then ON. If the error persists, contact technical support. |
| Internal temperature sensor error | Power cycle the battery by turning it OFF and then ON. If the error persists, contact technical support. |
| Cell voltage too high | An internal battery cell has been overcharged in the battery. Remove by disconnecting all charging sources and wait for the error to resolve by itself. If the error persists, contact technical support. |
| Cell voltage too low | An internal battery cell is over discharged. Disconnect all loads connected to the power system. Check your charging source and be sure to use an approved charging source such as a Xantrex charger or inverter/charger. |
| Battery voltage too high | The battery has been overcharged. Remove by disconnecting all charging sources and check the charger settings to ensure that a compatible battery type has been configured such as LFP. If the error persists, contact technical support. |
| Battery voltage too low | The battery has been over discharged. Charge the battery and check the Low Voltage Disconnect setting on the Xantrex charger or inverter/charger or the SoC meter, if available. If the error persists, contact technical support. |
| Battery is too hot to charge | The battery is too hot to operate correctly during its charge cycle. Decrease the ambient heat in the immediate battery environment, if possible or check for other environmental causes and safely remove the cause. |
| Battery is too hot to discharge | The battery is too hot to operate correctly during its discharge cycle. Decrease the ambient heat in the immediate battery environment, if possible or check for other environmental causes and safely remove the cause. |
| Battery is too cold to charge | The battery is too cold to operate correctly during its charge cycle. Increase the heat in the immediate battery environment by safely introducing a heat source. |
| Battery is too cold to discharge | The battery is too cold to operate correctly during its discharge cycle. Increase the heat in the immediate battery environment by safely introducing a heat source. |
| Battery temperature differential is too high during charging | Leave the battery at room temperature for several hours. If the error persists, contact technical support. |
| Battery temperature differential is too high during discharging | Leave the battery at room temperature for several hours. If the error persists, contact technical support. |
| BMS temperature is too high during charge or discharge | The battery is too hot to operate correctly during its cycle. Decrease the ambient heat in the immediate battery environment, if possible. Or check for other environmental causes and safely remove the cause. |
Interpreting LED Indicators on the Battery and Remote
| Error Type | LED 1 | 2 | 3 | Error | Remote (if available) |
| Discharge Shutdown | ![]() | |
| Internal battery error | ![]() | |
| Charging over current protection Overload protection Short circuit protection | ![]() | |
| Over temperature protection Temperature Differential Low temperature protection under charging state Low temperature protection under discharge state |
| ![]() |
Battery Maintenance Guideline
The Xantrex Lithium-ion Battery system is designed to require the least amount of maintenance as possible. The battery and internal BMS are contained in a sealed device and do not require disassembly for maintenance reasons.
In general, to properly maintain the battery, follow the storage guidelines in the following sections.
If the battery/ies are in regular use, then it is recommended that the battery/ies be fully charged a minimum of once per two weeks in order for the BMS to recalibrate its State of Charge (SoC) setting. This process also ensures that the SoC meter maintains its accuracy.
Battery Storage Guidelines
In order to keep your Xantrex Lithium-ion Battery at peak performance and at its healthiest state, you have to store it according to proper storage conditions and also maintain it with proper care.
Storage can be short term, such as less than one month or long term, such as more than three months.
Table 5 Storage specifications
| Term | Temperature | Humidity |
| < one week | –4 to 113°F ( –20 to 45°C) | < 85%RH |
| < one month | 14 to 113°F (–10 to 45°C) | < 85%RH |
| < three months | 50 to 77°F (10 to 25°C) | < 85%RH |
| > three months * | 50 to 77°F ( 10 to 25°C) | < 85%RH |
* For long term duration storage the battery should be kept in a particular charged state such as, 13.2V, ~50% SoC, and stored at the recommended storage specifications shown above.
Storage Instructions for Short Durations
- Fully charge the battery.
- Turn off the battery using the ON/OFF button.
- Keep the battery in an environment according to Battery
Maintenance and Storage Specifications.
Storage and Maintenance Instructions for Long Durations
- Reduce the battery state-of-charge (SoC) to 50% ±10% which is approximately 13.2V for a 12V battery.
- Turn off the battery using the ON/OFF button.
- Keep the battery in an environment according to Battery
Maintenance and Storage Specifications. - Every three months maintain the battery by charging it to 100% SoC, then discharging the battery to low voltage cutoff (LVC) level, then charging it back to 50% ±10% SoC.
NOTICE |
| RISK OF BATTERY DAMAGE Do not charge the battery in ambient temperature below freezing. Failure to follow these instructions can result in damage to the battery and may void the warranty. |
Electrical and Physical Specifications
Table 6 Specifications
| Feature | 883-0240-12 |
| Nominal Capacity | 240Ah |
| Nominal Voltage | 12.8V |
| Nominal Energy | 3072 Wh |
| Charging Voltage (max) | 14.6V |
| Float Voltage | 13.4V |
| Low Battery Cutoff Voltage | 10.0V |
| Recommended Charge Current | 100A |
| Max Possible Charge Current (continuous) | 150A |
| Recommended Discharge Current | 120A |
| Max Discharge Current (continuous) | 150A |
| Max Pulse Discharge Current | 300A (3 sec) |
| Internal Impedance | < 5 mΩ |
| Weight | 69.4lbs (31.5kg) |
| Charging Temperature | 32 – 140 °F (0 – 60 °C) |
| Discharging Temperature | -4 – 140 °F (-20 – 60 °C) |
| L x W x H | 19.7 x 7.1 x 10.3 in (500 x 180 x 260 mm) |
| Cycle Life at 25°C to 80% Capacity | 2800 (1C, 100% DOD) |
Table 7 Product dimensions

Table 8 240Ah Recommended Charging Table
| Cell Temperature (°C) | 0 | 2 | 5 | 7 | 10 | 12 | 15 | 20 | 25 | 45 | 48 | 55 | 60 | |
| Maximum Charging Current (A) | SoC £80% | 0 | 28A | 28A | 90A | 90A | 120A | 120A | 150A | 150A | 150A | 150A | 65A | 0 |
| SoC > 80% | 0 | 28A | 28A | 90A | 90A | 120A | 120A | 150A | 150A | 150A | 150A | 65A | 0 | |
Regulatory Approvals
| Transportation | UN / DOT 38.3 successfully tested, rated Class 9, Lithium-Ion Battery, UN3480 |
| Safety | Battery LiFePO4 cells are UL 1973 Recognized Components |

































