wolfcraft Master 650 Ergo Clamping and Work Table

GENERAL INFORMATION
INTRODUCTION
These operating instructions describe the MASTER 650 ERGO Clamping and Working Table (hereafter also referred to as “Product”). Keep the operating instructions in a safe place for future reference.
The purpose of the figures in this operating manual is to help you better understand the topics and step sequences. The representations in the figures are examples and may deviate slightly from the actual appearance of your product
SYMBOLS AND MEANINGS
![]() | WARNING |
WARNING
…means that there is risk of severe to life-threatening injury.
![]() | CAUTION |
CAUTION
…means that there is risk of minor to moderate injury
| NOTICE |
NOTICE
…indicates important information (e.g. risk of property damage), but not hazards.
![]() | nformation This symbol indicates information that helps you to quickly and safely perform your tasks. |
![]() | Warning of a danger This symbol indicates a general hazard that, if not avoided, could result in injur |
![]() | Risk of crush injuries to hands This symbol indicates hazardous situations that could result in hand injuries |
![]() | Observe instructions! This symbol indicates that the operating instructions must be followed. |
![]() | Wear safety goggles! This symbol indicates that you have to wear safety goggles. |
![]() | Wear ear protection! This symbol indicates that you have to wear ear protection |
![]() | Wear protective gloves! This symbol indicates that you have to wear protective gloves. |
![]() | Wear protective mask! This symbol indicates that you have to wear a protective mask |
![]() | Do not apply weight unevenly! |
![]() | Maximum load: 120 kg |
![]() | Do not use as a seat, ladder or suppor |
![]() | Do not stand on the working table |
|
| Use caution when working with workpieces on an inclined worktop – there is risk of the worktop tilting forward! |
SAFETY
GENERAL SAFETY INFORMATION
![]() | WARNING |
Disregarding the safety information and instructions leads to risk of injury!
Failure to comply with safety information and instructions may lead to serious injuries.
a) By following the safety information and instructions provided in these operating instructions, personal injury and property damage may be prevented when working at or with the product.
b) Before starting any work, read the operating instructions, in particular the
Safety chapter and the respective safety instructions. It is important to understand the information that has been read.
Always obey the following safety instructions:
- Assemble the working table correctly and check that all the handle screws and screw joints are tight before beginning work. Correct assembly ensures that the table does not fold up and the table top does not tilt unintentionally.
- Never use your working table improperly or for an unintended purpose! Any use other than the intended use may lead to hazardous situations.
- Keep your work area clean and remove all unnecessary items from the working table. Clutter on the work area can cause accidents.
- Make sure that your hands do not get caught in the folding, sliding or tilting parts of the working table. Risk of injury.
- Never work with a defective working table!
- Check the working table for damage before each use.
- Clamp the workpiece to be processed firmly! It is safer to hold a work piecein place with clamping jaws or other clamping devices than with your hand.
- Make sure that all screws and handle screws are tight during transport.
- Place the working table on a firm, level and horizontal surface. If the
working table can slip or wobble, the workpiece or power tool cannot be controlled evenly and safely. - Make sure that the two lower handle screws are always tightened, so that the height of the table cannot change accidentally.
- Make sure that long workpieces do not bring the working table out of balance. Long workpieces must be supported at the free end.
- Wear suitable personal protective equipment: ear protection, safety goggles, dust mask if the work generates dust, protective gloves when working with rough materials and when changing tools.
- Do not store the working table outdoors or in a damp environment. There is a risk of corrosion and of the worktop warping.
- Keep your work area clean and well lit. Untidy or dark work areas can lead to accidents.
- Keep children and other persons at a safe distance when using the working table. If you are distracted, you may lose control of the device.
- Wear suitable clothing. Never wear loose clothing or jewellery. Keep hair, clothing and gloves away from moving parts. Loose clothing, jewellery or long hair can get caught in moving parts.
- Avoid overloading the working table and never use it as a seat, ladder or support. Placing excess weight on the working table or standing on it can cause the centre of gravity of the table to shift, so that it tips over.
- Only use genuine wolfcraft spare parts.
- Caution: There is a risk of tipping in the case of protruding workpieces.
- Additionally support protruding or large workpieces, to prevent risk oftilting, and make sure that lateral clamping and machining of laterally clamped workpieces does not result in the table becoming unbalanced. When workpieces protrude beyond the table, the centre of gravity can shift outward, which can cause damage to the workpiece or risk of injury from tilting.
- When working with workpieces on an inclined worktop, be careful that the worktop does not tilt forward.
- Do not use the working table as machine table with a clamped power tool (e.g. circular handsaw, router), nor as machine stand (e.g. cutting stand, drill stand, crosscut and mitre saw).
- Make sure that you do not apply excessive clamping pressure when fastening fragile materials. There is risk of splintering!
- Remove all tools from the tool holders of the table before folding up thetable, so that there is no risk of the contained tools falling or damaging the table.
- Take care not to pinch your hands when folding and unfolding the table.
INTENDED USE
The MASTER 650 ERGO can be used for the following purposes:
- As a clamping and working table for machining workpieces (e.g. drilling,
sanding, etc.). - For clamping workpieces between the table tops
- For clamping larger workpieces by means of plastic clamping jaws that have been additionally mounted to the working table.
FORESEEABLE MISUSE
Any use other than that described in the chapter on intended use is considered reasonably foreseeable misuse, e.g.:
- Not observing the safety instructions for this product or the mounted tool.
- Using the table as machine table or machine stand.
- Using the table as work platform or seat.
- Applying a load of more than 120 kg.
- Clamping long workpieces with one end protruding without suitable support, causing the centre of gravity to shift outward, which could result in the working table tilting over.
The manufacturer does not accept any liability for property damage or personal injury resulting from reasonably foreseeable misuse or from failure to observe the operating instructions.
PRODUCT OVERVIEW
PRODUCT DESCRIPTION
The MASTER 650 ERGO is a height-adjustable clamping and working table. It is suitable for use as a working table for machining workpieces (e.g. drilling, sanding, etc.). With the working table, a variety workpieces can be clamped between the table tops. The additional plastic clamping jaws permit larger workpieces to be clamped. The height of the working table can be adjusted to any position between 780 and 950 mm. The table’s worktop can be variably inclined between 0° and max. 65°. The max. load is 120 kg.
SCOPE OF DELIVERY
Take the MASTER 650 ERGO out of the cardboard box and check that the contents are complete and all illustrated parts are included (Fig. 1).
TECHNICAL DATA
| Dimensions when set up for use (width x depth x height): | 650 x 720 x 780 – 950 mm |
| Dimensions when folded up (width x depth x height): | 650 x 180 x 1060 mm |
| Tilt of table surface: | 0° – 65° |
| Clamping area between table tops: | 110 mm |
| Clamping area between plastic clamping jaws: | 410 mm |
| Clamping area for long objects that are standing on the floor (Fig. 8): | 19 – 80 mm |
| Bore diameter of clamping holes: | 20.2 mm |
| Maximum load: | 120 kg |
| Weight: | 13.1 kg |
ASSEMBLY
ASSEMBLY TOOL
The following assembly tools are required (not included in scope of delivery):
![]() | ![]() | ![]() |
| Allen key: 4 mm + 5 mm | Screwdriver: PZ 3 | Spanner: 10 mm + 13 mm |
ASSEMBLY
![]() |
Risk of crush injuries to fingers and hands during assembly |
The worktop section is pre-assembled; the lower section still has to be fully assembled. Place the right and left leg of the table on a flat, clean surface
| NOTICE |
When screwing the two lower struts in place, make sure that they are aligned correctly: the longer folded edge must be at the top (Fig. 2.1).
Fold open the two legs and mount the two lower struts between the legs. Make sure that the protruding flat spring of the right leg is on the inside. Screw in the bolts and nuts by hand; they will be tightened later (Fig. 2.1 and Fig. 2.2). Mount the tool ledge between the legs
| NOTICE |
When screwing the tool ledge in place, make sure that it is aligned correctly. The wolfcraft logo has to face forward (to the left in Fig. 2.1).
Put on the foot bumpers at the bottom of the legs. Pay attention to the asymmetrical shape of the foot bumpers and mount them as shown (Fig. 2.3).
| NOTICE |
When pushing in the telescopic tube, make sure that it is aligned correctly. The telescopic tube with the large square hole has to be on the right-hand side (Fig. 2.4).
From the top, push both telescopic tubes into the openings in the legs (Fig. 2.4).
Mount a handle screw at the left and right of the telescopic tubes respectively and tighten them (Fig. 2.5).
On the left and right respectively, install a swivel plate on the two telescopic tubes, using the bolts, washers and nuts shown in the illustration. When fastening the swivel plates in place, make sure that the openings in the swivel plates face towards the wolfcraft logo on the tool ledge (Fig. 2.6).
Then mount the handle screws, washers and bolts. Make sure that the embossing on the washer is aligned correctly (Fig. 2.7).
Use tools to fully tighten all bolts that were previously hand-tightened (Fig. 2.8).
Turn the worktop section upside down and place it on a table. Mount the handles on the two hand cranks, using the appropriate screws and washers (Fig. 2.9).
![]() | CAUTION |
Risk of injury from worktop falling during assembly!
The worktop section does not stay in place by itself when it is placed on the lower section.
After placing the worktop section, keep holding it until the bolts have been completely tightened!
Place the worktop section on the lower section. Make sure that the grooves in the worktop section engage in the spring clips of the swivel plate. Put in the bolts and nuts and fasten the worktop section onto the lower section (Fig. 2.10).
OPERATION
FOLDING UP THE TABLE
Fold up the table as follows:
Insert the centre panel between the worktop panels (if necessary) and clamp it in place (Fig. 3.1). Check the height adjustment and set it to the lowest position (if it is in another position).
Firmly tighten the handle screws for the height adjustment (Fig. 3.2).
At the left and right, release the two upper handle screws at the swivel plate and swivel the worktop section until it reaches the limit stop. To fix the worktop section in place, tighten the two upper handle screws again (Fig. 3.3). Now slightly tilt the table onto the rear foot
bumpers and fold in the front footpiece until it reaches the stop (Fig. 3.4).
Thetable can be carried with one hand holding it at the cutout in the table’s worktop or at the carry bar of the frame (Fig. 3.5). For storage, lean the table against a wall at a slight angle to prevent it from falling over (Fig. 3.6).
FOLDING OUT THE TABLE
![]() | CAUTION |
Risk of injury from uncontrolled movements of the working table
If the footpieces of the working table are not folded out completely, there is risk of uncontrolled table movements.
Before starting work, make sure that the footpieces have been folded out fully and the working table is standing securely.
Unfold the table as follows:
Make sure that all four handle screws (height and angle adjustment) have been firmly tightened.
Fold out the footpiece to the limit stop und rest the table on both footpieces (Fig. 4.1). At the left and right, release the two handle screws at the swivel plate and swivel the worktop section to the horizontal position (Fig. 4.2). Fix the worktop section in place by tightening the two handle screws again. Subsequently make sure that the table is standing securely (Fig. 4.3).
![]() | CAUTION |
Risk of injury from uncontrolled movements of the working table
If the handle screws for the height adjustment are not tightly closed, there is risk of the worktop section lowering when work is performed on it.
Before starting any work and after each adjustment of the work height, make sure that the handle screws of the height adjustment have been tightened properly, so that the worktop section is securely fixed in place.
You can adjust the working height to any position from 780 to 950 mm. Proceed as follows:
Make sure that both handle screws for tilting the worktop at the swivel plates have been firmly tightened. Release the two handle screws while holding the table
(Fig. 5.1). Move the worktop section up or down until it is at the desired height
(Fig. 5.2). Tighten the two handle screws again (Fig. 5.3).
TILTING THE TABLE TOP
![]() | CAUTION |
Risk of injury from falling workpieces or tools
Any mounted tools and workpieces must be removed from the working table before tilting the worktop.
![]() | CAUTION |
Risk of injury from uncontrolled movements of the working table
If the handle screws at the working table are not tightly closed, there is risk of the worktop folding when work is performed on it.
Before starting any work and after each adjustment of the work angle, make sure that both handle screws have been tightened securely, so that the worktop section cannot til.
![]() | CAUTION |
Risk of injury from uncontrolled movements of the working table
When heavy workpieces are placed on an inclined worktop, there is risk of the working table tilting forward.
Place heavy workpieces as close to the centre of the table’s worktop as possible
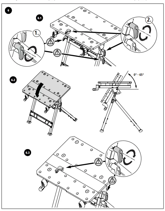
The worktop can be tilted at an angle of between 0° and 65°. To do so, proceed as follows:
Make sure that the handle screws for the height adjustment have been firmly tightened, so that the table height cannot shift. At the left and right, release the two handle screws at the swivel plate and swivel the worktop section to the desired position (Fig. 6.1 and Fig. 6.2). To fix the worktop section in place, tighten the two handle screws again (Fig. 6.3).
OPERATING FUNCTIONS
![]() | CAUTION |
Risk of injury from uncontrolled movements of the working table
If the handle screws of the height or angle adjustment are not tightened properly, there is risk of uncontrolled table movements when work is done on the table.
Before starting work, make sure that the handle screws are tightened so that the worktop section is securely fixed in place
The work area of the Master 650 ERGO can be varied between two sizes. Depending on how much space you need, you can insert the centre panel into the table’s worktop, or remove it.
CLAMPING WORKPIECES
The plastic clamping jaws included in the scope of delivery offer a wide range of clamping and support options for workpieces.
| NOTICE |
To clamp workpieces, remove the centre panel from the worktop section (Fig. 7).
To clamp a workpiece, insert the clamping jaws (if needed) into the table’s worktop panels and position the workpiece between the worktop panels or clamping jaws. Turn the two hand cranks clockwise to clamp a workpiece. To release the workpiece, turn the two hand cranks anti-clockwise (Fig. 7).
MAINTENANCE AND CLEANING
- After any work, always clean the clamping and working table using a dry cloth.
- To ensure that the height adjustment works flawlessly, regularly clean the two telescopic tubes. Use a cloth with a small quantity of oil and rub the telescopic tubes with it.
- Do not use aggressive and/or scouring cleaning agents or solvents
DISASSEMBLY AND DISPOSAL
Dispose of the packaging materials in an environmentally friendly manner. In the event of disposing of the MASTER 650 ERGO, observe local disposal regulations
WARRANTY CONDITIONS
Dear DIY enthusiast, you have purchased a high-quality wolfcraft® product which we know you will enjoy using. wolfcraft® products are built to high technical standards and undergo intensive development and testing before leaving the factory. Constant checks and regular tests during their production ensure a high standard of quality. Sound technical developments and reliable quality assurance give you the certainty that you have made the right purchase decision. For this wolfcraft product, we grant you a 10 year warranty from the date of purchase, provided it is used exclusively for DIY purposes. This warranty only covers damage to the object of purchase itself and only such damage that is attributable to material or manufacturing defects. This warranty does not cover defects or damage attributable to improper operation or inadequate maintenance of the appliance. Moreover, the warranty does not include the effects of normal wear, or defects or damage known to the customer upon conclusion of the purchase contract. Warranty claims can only be asserted upon submission of the invoice/proof of purchase. The warranty granted by wolfcraft does not limit your legal rights as a consumer (supplementary performance, rescission or reduction, compensation for damages or expenses).
Address warranty claims to:
wolfcraft GmbH
Wolffstraße 1
56746 Kempenich
Germany


































