GEORGE KOVACS P5423-572 Alluria II Bathroom Vanity Light

READ AND SAVE THESE INSTRUCTIONS
WARNING: SHUT POWER OFF AT FUSE OR CIRCUIT BREAKER.
MOUNTING THE FIXTURE 
- Shut off the power at the circuit breaker and remove the old fixture, including the mounting hardware.
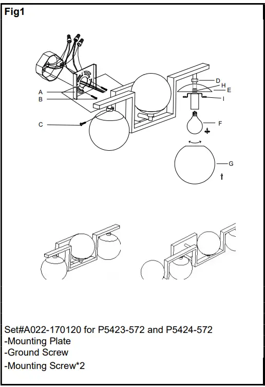
- Carefully remove the fixture from the carton and check that all parts are included as shown in the illustration.
- Attach mounting plate (A) to the junction box (not included) using mounting screws (B) ( size: 8/32*25mm). The side of the mounting plate (A) marked “GND” must face out.
CONNECTING THE WIRES
- Connect the electrical wires as shown in Fig. 2, making sure that all wire connectors are secured. If your junction box has a ground wire (green or bare copper), connect the fixture’s ground wire to it. Otherwise, connect the fixture’s ground wire directly to the mounting plate (A) using the green screw provided. After the wires are connected, tuck them carefully inside the junction box.
FINISHING THE INSTALLATION
- Place fixture body over the mounting plate (A) and secure with screws (C).
- Install three (3) candelabra base bulbs (F) up to 60 watts each or CFL or LED equivalent (not included) in accordance with the fixture specification—DO NOT EXCEED THE MAXIMUM WATTAGE RATING! (NE PAS DEPASSER LA PUISSANCE NOMINALE MAXIMALE!).
- Loosen finial (D) and socket cup (E). Slide glass shade (G) over
bulb (F) and hang glass shade (G) on the holder (I). 4. Slide socket cup (E) overall thread (H) and secure glass shade (G) with finial (D).
Note: Illustration (Fig.1) on this manual is for installation purposes only. It may or may not be identical to the fixture purchased.
IMPORTANT: THE FIXTURE SHOULD BE INSTALLED BY A QUALIFIED ELECTRICIAN TO ENSURE PROPER WIRING AND INSTALLATION.
Your installation is now complete. Return power to the junction box and test the fixture.
















