DABBSSON DBS3000B Extra Battery Portable Power Station

DISCLAIMER
Read all safety tips, warning messages, terms of use, and disclaimers carefully. Refer to the terms of use and disclaimer at https://www.dabbsson.com and stickers on the product before use. Users take full responsibility for all usage and operations. Familiarize yourself with the related regulations in your area. You are solely responsible for being aware of all relevant regulations and using Dabbsson products in a way that is compliant.
Specifications

Safety Instructions
Usage
- Do not use the product near a heat source, such as a fire or a heating furnace.
- Avoid contact with any liquid. Do not immerse the product in water or get it wet. Do not use the product in rain or humid environments.
- Do not use the product in an environment with strong static electricity/magnetic fields.
- Do not disassemble the product in any way or pierce the product with sharp objects.
- Avoid using wires or other metal objects that may result in a short circuit.
- Do not use unofficial components or accessories. If you need to replace any components or accessories, visit official Dabbsson channels to check for relevant information.
- When using the product, follow the operating environment temperature specified in this user manual. If the temperature is too high, it may result in a fire or explosion; if the temperature is too low, the product performance may be severely reduced, or the product may cease to work.
- Do not stack any heavy objects on the product.
- Do not forcibly lock the fan during use or place the product in an unventilated or dusty area.
- Avoid impact, falls, or severe vibrations when using the product. In case of a severe external impact, turn off the power supply immediately and stop using the product. Ensure the product is well fastened during transportation to avoid vibrations and impacts.
- If you accidentally drop the product into water during use, please place it in a safe open area, and stay away from it until it is completely dry. The dried product should not be used again, and should be properly disposed of according to Section 2.2 below. If the product catches fire, we recommend that you use the fire extinguishers in the following order: water or water mist, sand, fire blanket, dry powder, and finally a carbon dioxide fire extinguisher.
- Use a dry cloth to clean off dirt on the product ports.
- Rest the product on a flat surface to avoid damage caused by the product falling over. If the product is overturned and severely damaged, turn it off immediately, place the battery in an open area, keep it away from combustible matter and people, and dispose of it in accordance with local laws and regulations.
- Ensure that the product is kept out of reach of children and pets.
- Do not connect the smart extra battery to another smart extra battery.
Disposal Guide
- If conditions permit, make sure that the battery is fully discharged before disposing of it in a designated battery recycling bin. The product contains batteries with potentially dangerous chemicals, so it is strictly prohibited to dispose of it in ordinary trash cans. For more details, please follow the local laws and regulations on battery recycling and disposal.
- If the battery cannot be fully discharged due to a product failure, do not dispose of the battery directly in the battery recycling box. In such cases, contact a professional battery recycling company for further processing.
- Please dispose of over-discharged batteries that cannot be recharged.
Getting Started
Product Details

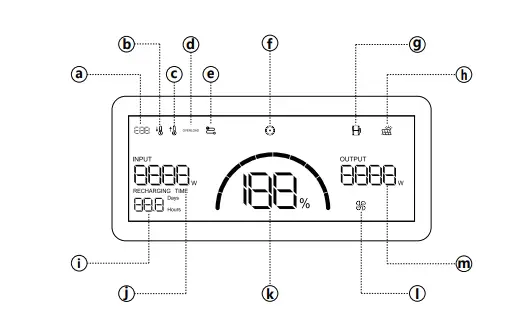
LCD Screen
- a Error Code
- b Low Temperature Warning
- c High Temperature Warning
- d Overload Warning
- e Connection Failed
- f DC Output
- g Extra Battery Indicator
- h Solar Panel Indicator
- i Remaining Charge/Discharge Time
- j Input Power
- k Remaining Battery Percentage
- l Fan Indicator
- m Output Power
General Product Usage
- Short Press to Turn On
- Long Press to Turn Off
Product On, Product Off, LCD Screen On
Short press the main power button to start the product; The LCD screen lights up and displays an icon. The LCD screen will automatically turn off after the product is idle for 30 seconds. When the product senses any load change or operation, the display screen will automatically light up. To turn the display on or off, briefly press the main power button. To turn off the product, press and hold the main power button. The default standby time of the product is 2 hours. The product will automatically shut down when other power buttons are turned off and no other load is accessed within 2 hours. Standby time of AC and DC can be set on APP.
Solar Charging
Users can connect solar panels in series as shown in the figure to recharge the product. The product supports 12-60V DC input, 12A max current, and 600W max charging power.

Car Charging
- Users can recharge the product through the Car Outlet. It supports 12V/24V car chargers and an 8A default charging current.
- Please charge using the car charger after you’ve started the car to avoid failure to start due to insufficient car battery.In addition, please make sure that the cigarette lighter of the Car Outlet and the Car Charger Input Cable are in good condition.Dabbsson takes no responsibilities for any losses or damages caused by failures to follow instructions.

AC Charging
Dabbsson fast charge technology is specifically for AC charging, offering 1800W of max input power. You can control the charging power through the AC Charge Speed Switch. The default max input power for the AC charging speed is 600W,
Using Extra Battery DBS3000B
A single DBS2300 can be connected to two DBS3000B extra batteries for added capacity. Refer to the user manuals of the Extra Battery DBS3000B for detailed instructions.
Precautions
- Turn off both the Extra Battery DBS3000B and DBS2300 before connecting or disconnecting them.
- Before using, make sure both DBS2300 and Extra Battery DBS3000B display the extra battery icon on their screens.
- Turn off the Extra Battery DBS3000B before connecting or disconnecting it.
- Do not touch the metal terminals of the Extra Battery DBS3000B connector. If the metal terminals need to be cleaned, gently wipe them with a dry cloth.


FAQS
What type of batteries does this product use?
This product uses high-quality LiFePO4 battery.
How long does it take for the product to charge my devices?
The charging time is shown on the product’s LCD Screen, which can be used to estimate the charging time of most appliances with stable power usage.
How can I tell if the product is charging?
The remaining charging time will be shown on the LCD Screen. The charging indicator will display remaining battery percentage, while current input power is shown to the right of the charging indicator.
How do I clean the product?
Gently wipe it with a dry, soft, clean cloth or paper towel.
How should I store the product?
Before storing, first turn off the product and then store it in a dry, ventilated place at room temperature. Do not place it near water sources. For long-term storage, discharge the battery to 30% and recharge it to 60% every three months to extend battery life.
Can I bring the product on a plane?
No
Troubleshooting

If the Alarm Prompt shows on the product LCD screen during use and does not disappear after a restart, please stop using it immediately (do not try to charge or discharge).If you require any other assistance, please contact Dabbsson Customer Service.
What’s in the Box

Storage & Maintenance
- Ideally, use and store the product at an am bieut temperature between 20℃-30℃(68℉-86℉), and always keep it away from water, intense heat, and sharp objects. Do not store at temperatures above 45℃(113℉) or below-10℃(14℉)for an extended period.
- Storing a battery with a low charge for a long period shortens its lifespan. DBS2300 mitigates the damage by putting the battery into hibernation mode. To get the most out of the battery, make sure it is at about 60% before putting DBS2300 into long-term storage. While in storage, it is recommended to discharge the battery to 30% and recharge it back to 60% every three months.






















