![]()
FORTIS FSFNARBK20A 20″ Fan Resistance Exercise Air Bike User Guide

FSFNARBK20A
SAFETY & WARNINGS
- Read all of the instructions in this guide before using this product. Retain this guide for future reference. Do not skip, substitute or modify any steps or procedures in this guide, as doing so could result in personal injury or product damage.
- Before starting any exercise program, consult your physician to determine if you have any medical or physical conditions that could put your health and safety at risk or prevent you from using the equipment properly. Your physician’s advice is essential if you are taking any medication that may affect your heart rate, blood pressure or cholesterol level.
- Incorrect or excessive exercise can damage your health. Stop exercising if you experience any of the following symptoms: pain, tightness in your chest, irregular heartbeat, shortness of breath, light headedness, dizziness or feelings of nausea. If you experience any of these conditions, you should consult your physician before continuing with your exercise program.
- This equipment is intended for adult use only. Keep children and pets away from the machine. DO NOT leave children unattended in the same room with the equipment.
- This appliance is designed for consumer use. Follow directions and use only as described.
- Once fully assembled, inspect to ensure all hardware parts such as bolts, nuts and washers are positioned correctly and tightly secured.
- Always inspect the safety chain guard that protects the moving parts of the bike to be in safe and good order.
- Always inspect the seat, seat slider and grips to make sure they are in safe and stable position before using the bike.
- It is recommended to lubricate all moving parts on a monthly basis.
- Do not wear loose clothing while riding.
- Dry after each use to remove moisture. Wipe regularly with a mild, non-abrasive cleaner and water solution. To avoid damaging the finish, never use a petroleumbased solvent.
- Use the equipment on a solid, flat level surface with a protective cover for your floor or carpet. To ensure safety, the equipment should have at least 2 feet (approximately 60 cm) of free space on each side.
- Prior to assembly, ensure you have all the components and tools listed. Some components are pre-assembled to help with the assembly process.
- Always use the equipment as intended. If you find any defective components while assembling or checking the equipment, or if you hear any unusual noises coming from the equipment during exercise, cease use immediately and contact help.kogan.com for assistance. Do not use until resolved.
- Do not place fingers or any other objects into moving parts of the exercise equipment.
- Do not exceed the maximum user weight of 120 KG.
- Be careful when lifting and moving the equipment. Always use proper lifting technique and seek assistance if necessary.
- Your equipment is intended for use in cool, dry conditions. You should avoid storage in extreme cold, hot or damp areas as this may lead to corrosion and other related problems.
- Operating temperature: 0 – 40 °C
- Storage temperature: -10 – 60°C
- This appliance contains no user-serviceable parts. If it suffers any failure or damage, cease use immediately and contact help.kogan.com
- This equipment is designed and intended for indoor use only.
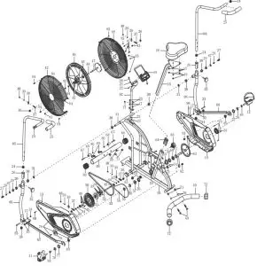
OVERVIEW




ASSEMBLY
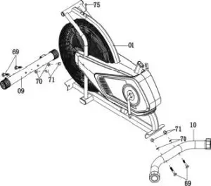
Step 1: Front and Rear Stabilizers
- Attach the Rear Stabilizer (10) onto the Main Frame (1) with x2 M10 Cap Nuts (71), x2 Ø 10xØ20×2.0 Curve Washers (70) and x2 M10x56 Bolts (69). Tighten using the Spanner provided.
- Attach the Front Stabilizer (9) onto the Main Frame (1) using x2 M10 Cap Nuts (71), x2 Ø 10xØ20×2.0 Curve Washers (70) and x2 M10x56 Bolts (69). Tighten using the Spanner provided.
Tools:


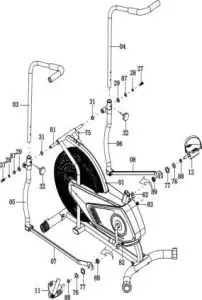
Step 2: Left & Right Foot Pedals, Left & Right Foot Bar, Left & Right Handrail Arm
- Remove x2 M10x20 Hexagon Bolts (27), x2 Ø19.5xØ11.5×2.5 Spring Washers (28), x2 Flat Washers Ø10xØ25×2.0 (87), x2 Ø28xØ16×5 D-Shape Washers (29) and x2 Ø22xØ 17×0.3 Wave Washers (31) from the Rotation Rod (81).
- Insert the Rotation Rod (81) into the hole of the Main Frame (1).
- Attach x2 Ø22xØ17×0.3 Wave Washers (31) onto the Rotation Rod (81), then attach L & R Handrails (5)(6) onto the Rotation Rod (81) using x2 Ø28xØ16×5 Washers (29), x2 Flat Washers Ø10xØ25×2.0 (87), x2 Ø19.5xØ11.5×2.5 Spring Washers (28)
and x2 M10x20 Hexagon Bolts (27). Tighten using Allen Wrench provided. - Remove Washer Ø17.6xØ 34×2.0 (76), Washer Ø41xØ 29×4.0 (77), Bearing Ø31xØ 29xØ13×11 (89) and Right Nylon Nut (83) from the Right Foot Pedal (12).
- Attach the Right Foot Pedal (12) onto the right Crank (62) using Washer Ø17.6xØ34×2.0 (76), Washer Ø41xØ 29×4.0 (77), Right Foot Bar (8), Bearing Ø31xØ29xØ13×11 (89) and Right Nylon Nut (83). Tighten the Right Foot Pedal (12) by hand clockwise and tighten the Right Nylon Nut (83) clockwise using Allen Wrench and Spanner provided.
- Repeat the same procedure to attach the Left Foot Pedal (11) onto the left Crank (62), tighten the Left Foot Pedal (11) counter-clockwise and tighten the Left Nylon Nut (82) counter-clockwise using Allen Wrench and Spanner provided.
Note:
Do not turn the Left pedal clockwise to tighten or will strip the threads.
- Insert the Right Handrail Arm (4) into the Plastic Bushing on the tube of the Right Handrail (6) using M8 Handrail Arm Adjustable Knob (32).
- Repeat the same procedure to assemble the Left Handrail Arm (3).
Tools:


Step 3: Seat Post, Seat Cushion
- Remove x3 Ø8xØ16×1.5 Flat Washers (17) and x3 M8 Nylon Nuts (18) from under the Seat Cushion (16).
- Attach the Seat Post (15) to the Seat Cushion (16) using x3 Ø8xØ16×1.5 Flat Washers (17) and x3 M8 Nylon Nuts (18). Tighten using the Spanner with Phillips Screwdriver provided.
- Insert the Seat Post (15) into the Seat Post Plastic Bushing on the tube of the Main Frame (1) and then attach the M16 Seat Height Adjustable Knob (63) onto the tube of the Main Frame (1) by turning it in a clockwise direction to lock the Seat Post (15) in the suitable position.
Tools:


Adjusting the Seat Height
Turn the M12 Seat Height Adjustable Knob (63) in a counterclockwise direction to release the
Seat Post (15) and then slide the Seat Post (15) up or down slightly to the desired hole for the
suitable position. Lock the Seat Post (15) in place by tightening the M12 Seat Height Adjustable Knob (63) in a clockwise direction.
Note:
When adjusting the height of seat post, make sure the seat post plastic bushing does not exceed the mark line on the seat post.
Step 4: Display, Display Post Installation
- Connect the Sensor Wire (75) with the Extension Sensor Wire (20).
- Remove x2 Ø8xØ16×1.5 Flat Washers (17) and x2 M8x30 Hexagon Bolts (23) from the Display Post (2).
- Attach the Display Post (2) onto the Main Frame (1) with x2 Ø8xØ16×1.5 Flat Washers (17) and x2 M8x30 Hexagon Bolts (23). Tighten using the S6 Allen Wrench provided.
- Connect the Extension Sensor Wire (20) with the wire of the Display (19).
- Remove x2 M5x10 Cross Pan Head Screws (22) from the Display (19).
- Then attach the Display (19) onto the top end of Display Post (2) use x2 M5x10 Cross Pan Head Screws (22). Tighten using the Spanner with Phillips Screwdriver provided.
Tools:


OPERATION
BUTTONS
MODE: Press the mode button to cycle through the functions. Press and hold down mode
button down to reset time, distance and calories.
FUNCTIONAL AND OPERATIONS
Scan: Press the mode button until “SCAN” appears, the display will rotate through all the 5
functions: time, speed, distance, ODO and calorie. Each display will be held 5 seconds.
Time:
- Counts the total elapsed time from exercise start to finish. Range is 0 ~ 99 minutes
- Exercise time can be set in advance, when it approaches the preset time, the display will alarm for 4 seconds. The maximum pre-set time is 99 minutes.
Speed: Displays the current speed. Range is 0.0~999.9km/h.
Distance:
- Counts the total elapsed distance from exercise start to finish. Range is 0.0 ~ 999.9km.
- Exercise distance can be set in advance, when it approaches the preset distance, the display will alarm for 4 seconds. The maximum pre-set distance is 999.0km.
Calories:
- Counts the total calories from exercise start to finish. Range is 0.0 ~ 999.9.
- The calorie value can be set in advance, when it approaches the preset calorie, the display will alarm for 4 seconds. The maximum pre-set calories are 999.
ODO: Displays the total accumulated distance travelled.
AUTO START/STOP
- After 4 minutes without any exercise, the display will automatically turn off.
- Once you commence exercising, the display will turn on automatically
WARM UP & COOL DOWN ROUTINE
The warm-up is an important part of any workout. The purpose of warming up is to prepare
your body for exercise and to minimise injuries. Warm up for 2 – 5 minutes before commencing exercise.
The purpose of cooling down is to return the body to its resting state at the end of each exercise session. A proper cool-down slowly lowers your heart rate and allows blood to return to the heart.
To cool down at the end of your workout, repeat these exercises to reduce soreness in tired muscles.
Head Rolls
Rotate your head to the right for one count; you should feel a stretching sensation up the left side of your neck. Then rotate your head back for one count, stretching your chin to the ceiling and letting your mouth open. Rotate your head to the left for one count and then drop your head to your chest for one count.
Shoulder Lifts
Lift your right shoulder toward your ear for one count. Then lift your left shoulder up for one count as you lower your right shoulder.
Side Stretches
Open your arms to the side and lift them until they are over your head. Reach your right arm as far toward the ceiling as you can for one count. Repeat this action with your left arm.
Quadriceps Stretch
With one hand against a wall for balance, reach behind you and pull your right foot up. Bring your heel as close to your buttocks as possible. Hold for 15 counts and repeat with left foot.
Inner Thigh Stretch
Sit with the soles of your feet together and your knees pointing outward. Pull your feet as close to your groin as possible. Gently push your knees toward the floor. Hold for 15 counts.
Toe Touches
Slowly bend forward from your waist, letting your back and shoulders relax as you stretch toward your toes. Reach as far as you can and hold for 15 counts.
Hamstring Stretches
Extend your right leg. Rest the sole of your left foot against your right inner thigh. Stretch toward your toe as far as possible. Hold for 15 counts. Relax and then repeat with left leg.
Calf/Achilles Stretch
Lean against a wall with your left leg in front of the right and your arms forward. Keep your right leg straight and the left foot on the floor; then bend the left leg and lean forward by moving your hips toward the wall. Hold, then repeat on the other side for 15 count.
Need more information?
We hope that this user guide has given you the assistance needed for a simple set-up.
For the most up-to-date guide for your product, as well as any additional assistance you may require, head online to help.kogan.com.
![]()
Read More About This Manual & Download PDF:



















