velleman VMA02 Audio Shield for Arduino
Record your voice via a built-in microphone or a line input.
Features
- For use with Arduino Due™, Arduino Uno™, Arduino Mega™
- Based on ISD1760PY integrated circuit
- With pushbuttons for REC, PLAY, FWD, ERASE, VOL, RESET and FEEDTROUGH
- Built-in microphone
- 3.5mm stereo LINE IN/OUT female jacks
- Speaker output
Specifications
- Recording time: 60s
- Power supply: from ArduinoTM
- Dimensions: 71 x 53mm / 2.79 x 2.08”’
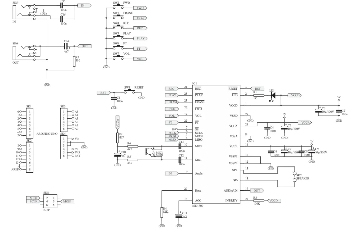
Connection diagram
Schematic diagram
The new Velleman Projects catalogue is now available. Download your copy here: www.vellemanprojects.eu
























